Lomený aktuátor vlevo/vpravo pro bezpečnostní spínače NP/GP/TP, větší volný chod
- Aktuátor z nerezové oceli
- Každý aktuátor má dva nerezové bezpečnostní šrouby
- Pro dveře se závěsy napravo a nalevo

Popis
Lomený aktuátor
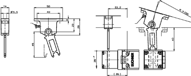
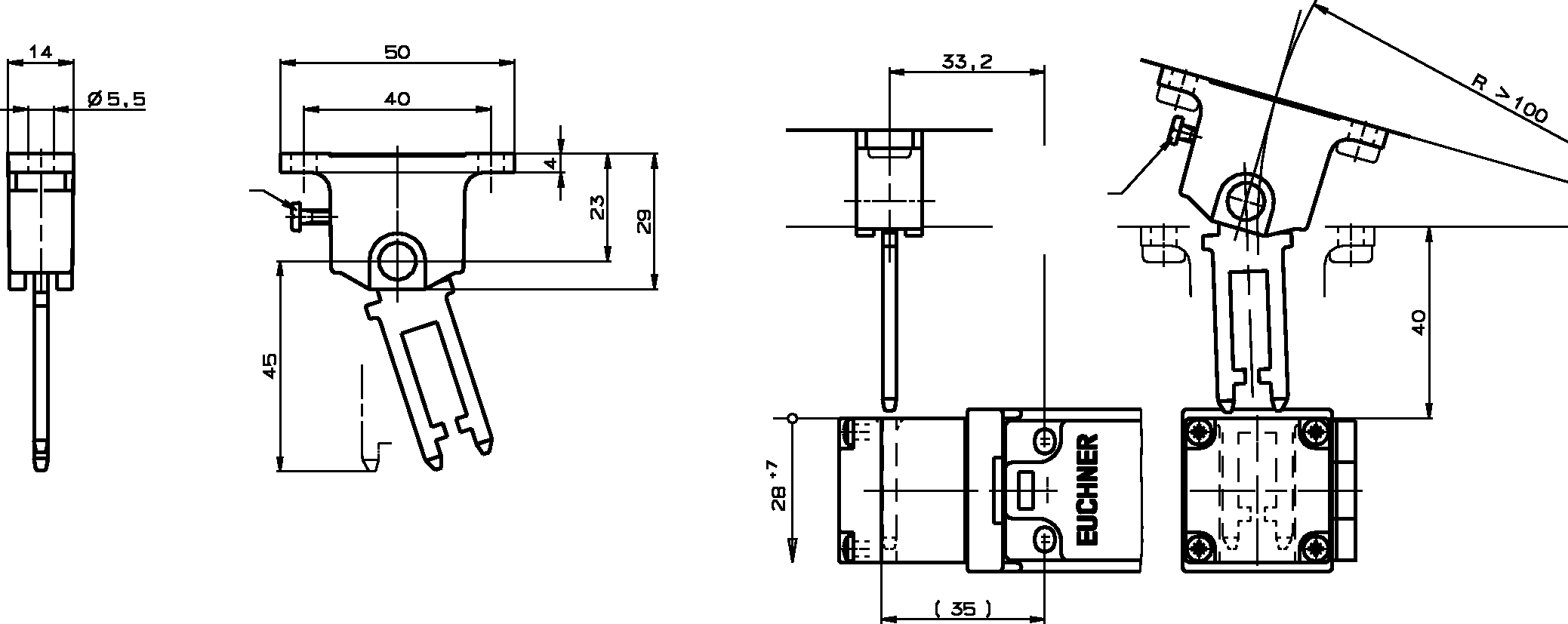
U dveří, které mají poloměr menší než 1000 mm, byste měli použít lomený aktuátor. Pružný pohyb aktuátoru zamezuje poškození v důsledku zpříčení aktuátoru v ovládací hlavě. V souladu s pohybem ochranného krytu je nutné vybrat aktuátor pro levou/pravou nebo horní/spodní stranu.

Rozměrové výkresy

Technické údaje
Mechanické hodnoty a prostředí
| Teplota při skladování | -25 ... 70 °C |
| Volný chod | max. 7 mm |
| Poloměr dveří | min. 100 mm |
| Materiál | |
| Aktuátor | Nerezová ocel |
| Šroub | Nerezová ocel |
Různé
| Použitelnost zaváděcího trychtýře | Ano |
Příslušenství
Ke stažení
Prodejní doklady
Bezpečnostní spínače s plastovým pouzdrem
Č. dok.
Verze
Jazyk
Velikost
Bezpečnostní spínače s plastovým pouzdrem
Č. dok.
121649
Verze
11-03/18
Jazyk
Velikost
6,5 MB
Safety Switches with Plastic Housing
Č. dok.
096956
Verze
11-03/18
Jazyk
Velikost
6,5 MB
Interrupteurs de sécurité avec boîtier plastique
Č. dok.
100677
Verze
11-03/18
Jazyk
Velikost
6,6 MB
Interruptores de seguridad con carcasa plástica
Č. dok.
104855
Verze
11-03/18
Jazyk
Velikost
6,6 MB
Sicherheitsschalter mit Kunststoffgehäuse
Č. dok.
096955
Verze
11-03/18
Jazyk
Velikost
6,6 MB
塑料壳体 的安全开关
Č. dok.
116243
Verze
11-03/18
Jazyk
Velikost
6,1 MB
CAD-Data
Objednací údaje
| Obj. č. | 074573 |
| Název výrobku | RADIUSBETAETIGER-P-LRN |
| Hmotnost brutto | 0,041kg |
| Číslo celního tarifu | 85389099990 |
| ECLASS | 27-27-26-06 Actuator for safety-related position switch |

