Petlice pro bezpečnostní spínač CES-A-.5...
- Petlice pro spínače CES-A-.5...
- Ocelová petlice
- Pro dveře se závěsy nalevo nebo napravo
- Petlice s únikovou pákou
- Aretační knoflík v otevřené poloze
- Kulový aretační mechanismus v zavřené poloze
- Vhodné pro mezeru mezi dveřmi a rámem cca 15 mm

Popis
Rozsah dodávky
- Části petlice
- Aktuátor CES předem namontovaný v jazýčku závory
Objednávejte zvlášť:
- Bezpečnostní spínač
Aretace v otevřené poloze
Cílem aretace v otevřené poloze je zamezit uzavření osob uvnitř stroje.
Aretace v zavřené poloze
V zavřené poloze je petlice aretována, čímž se zamezuje jejímu nechtěnému otevření. Kulový nebo pružinový aretační mechanismus se otevírá překonáním síly pružiny.
Typy dveří a dveřní doraz
Vhodná pro dveře na pantech a posuvné dveře
Vhodná pro dveře se závěsy nalevo i napravo
S dveřním dorazem, dveře nelze otevírat dovnitř.
Integrovaný zajišťovací mechanismus
Integrovaný zajišťovací mechanismus umožňuje zajistit petlici například pomocí zámků v otevřené poloze. Tím lze zamezit nechtěnému uzavření osob v nebezpečném prostoru.

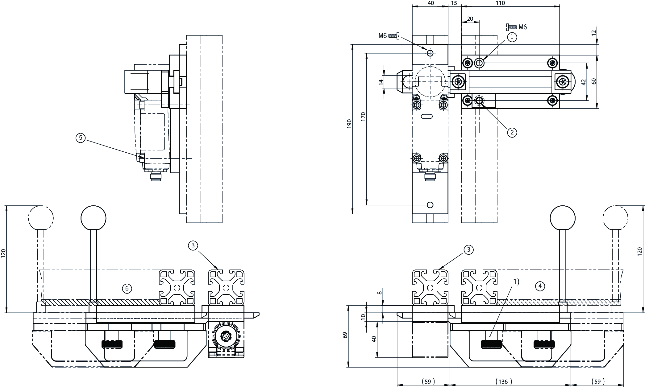
Rozměrové výkresy

| 1 | (oboustranná) |
| 1) | Petlice s aretací. Aretace v otevřené poloze. (Zamezuje nechtěnému zavření petlice.) Odjištění vytažením aretačního knoflíku. |
| 2 | Aretace proti nechtěnému otevření (vibrace) |
| 3 | Rám ochranné mříže (40 × 40) |
| 4 | Dveře se závěsy napravo |
| 5 | Montáž pomocí přiložených šroubů M5 × 45 |
| 6 | Dveře se závěsy nalevo |
Technické údaje
Mechanické hodnoty a prostředí
| Směr nájezdu | A nebo C |
| Počet instalovatelných bezpečnostních spínačů | 1 |
| Únikový odjišťovací prvek | Ano |
| Teplota při skladování | -25 ... 70 °C |
| Materiál | |
| Základová deska | Zinkovaná ocel |
| Rukojeť | Plast |
| Konzola spínače | Ocel s práškovým nástřikem |
| Vodicí lišty | Plast |
Různé
| Aretace v zavřené poloze | Kulový aretační mechanismus |
| Aretace v otevřené poloze | Aretace pomocí čepu |
Příslušenství
Ke stažení
Jednotlivé dokumenty
Pokyny
Bezpečnostní informace pro petlice
Č. dok.
Verze
Jazyk
Velikost
Bezpečnostní informace pro petlice
Č. dok.
2530033
Verze
04-03/24
Jazyk
Velikost
0,5 MB
Safety Information for Bolts
Information de sécurité pour verrous-targettes
Información de seguridad para cerrojos
Sicherheitsinformation für Riegel
Information de sécurité pour verrous-targettes
Información de seguridad para cerrojos
Sicherheitsinformation für Riegel
Č. dok.
2530033
Verze
04-03/24
Jazyk
Velikost
0,2 MB
Sicherheitsinformation für Riegel
Č. dok.
2530033
Verze
04-03/24
Jazyk
Velikost
0,2 MB
Informação de segurança referente ao trinco
Č. dok.
2530033
Verze
04-03/24
Jazyk
Velikost
0,4 MB
Informazioni sulla sicurezza per il chiavistello
Č. dok.
2530033
Verze
04-03/24
Jazyk
Velikost
0,1 MB
Tolózár biztonsági információi
Č. dok.
2530033
Verze
04-03/24
Jazyk
Velikost
0,5 MB
Информация за безопасност за ригели
Č. dok.
2530033
Verze
04-03/24
Jazyk
Velikost
0,5 MB
Sikkerhedsinformation for bolte
Č. dok.
2530033
Verze
04-03/24
Jazyk
Velikost
0,4 MB
Ohutusalane teave riivistuste kohta
Č. dok.
2530033
Verze
04-03/24
Jazyk
Velikost
0,5 MB
Turvallisuustietoja salvalle
Č. dok.
2530033
Verze
04-03/24
Jazyk
Velikost
0,4 MB
Πληροφορίες ασφαλείας για μάνδαλα
Č. dok.
2530033
Verze
04-03/24
Jazyk
Velikost
0,5 MB
Sigurnosne informacije za brave
Č. dok.
2530033
Verze
04-03/24
Jazyk
Velikost
0,5 MB
Aizbīdņu drošības informācija
Č. dok.
2530033
Verze
04-03/24
Jazyk
Velikost
0,5 MB
Saugos informacija skląsčiui
Č. dok.
2530033
Verze
04-03/24
Jazyk
Velikost
0,5 MB
Veiligheidsinformatie voor grendels
Č. dok.
2530033
Verze
04-03/24
Jazyk
Velikost
0,4 MB
Sikkerhetsinformasjon for låser
Č. dok.
2530033
Verze
04-03/24
Jazyk
Velikost
0,4 MB
Informacje o bezpieczeństwie dotyczące użytkowania zasuw
Č. dok.
2530033
Verze
04-03/24
Jazyk
Velikost
0,5 MB
Säkerhetsinformation för regeln
Č. dok.
2530033
Verze
04-03/24
Jazyk
Velikost
0,4 MB
Varnostne informacije o zapahu
Č. dok.
2530033
Verze
04-03/24
Jazyk
Velikost
0,5 MB
Bezpečnostná informácia pre závory
Č. dok.
2530033
Verze
04-03/24
Jazyk
Velikost
0,5 MB
Sürgüler için güvenlik bilgisi
Č. dok.
2530033
Verze
04-03/24
Jazyk
Velikost
0,5 MB
Informații de siguranță privind zăvoarele
Č. dok.
2530033
Verze
04-03/24
Jazyk
Velikost
0,5 MB
Prohlášení o shodě
EU-Konformitätserklärung
Č. dok.
Verze
Jazyk
Velikost
EU-Konformitätserklärung
Č. dok.
EDC2138160
Verze
Jazyk
Velikost
0,2 MB
UKCA-Konformitätserklärung
Č. dok.
Verze
Jazyk
Velikost
UKCA-Konformitätserklärung
Č. dok.
EDC20001639
Verze
Jazyk
Velikost
0,2 MB
Ostatní dokumenty
Prodejní doklady
CAD-Data
Objednací údaje
| Obj. č. | 098357 |
| Název výrobku | RIEGEL CES-A-C/F |
| Hmotnost brutto | 1,96kg |
| Číslo celního tarifu | 83014090000 |


