CET1-AR-CDA-AH-50X-SG-106275 (Obj. č. 106275)

Bezpečnostní spínač s ochranným zámkem CET-AR-..., RFID, konektor M12, dvojitá rampa

  • Princip klidového proudu
  • Unicode
  • Učicí vstup J
  • Monitorování blokování výstupní ochrany OUT
  • 2 x konektory M12, 5kolíkový a 8kolíkový
  • Dvojitá rampa
CET1-AR-CDA-AH-50X-SG-106275 (Obj. č. 106275)

Popis

Směr nájezdu

Horizontálně

Možnost nastavení v krocích po 90 stupních.

Princip jištění

Klidový proud (Power to unlock): U ochranného krytu s jištěním na principu klidového proudu je ochranný kryt jištěn silou pružiny, dokud je do jisticího elektromagnetu přiváděn proud. Odjištění probíhá silou elektromagnetu. Tato varianta se také označuje jako mechanické jištění ochranného krytu.

Vyhodnocování typu Unicode

Každý aktuátor má vysokou úroveň kódování (Unicode). Spínač detekuje pouze naučené aktuátory. Je možné naučit další aktuátory.

Jednotka rozpozná vždy pouze aktuátor, který byl naučen jako poslední.

Bezpečnostní charakteristiky

Díky dvěma redundantním bezpečnostním výstupům (polovodičové výstupy) s interním monitorováním je zařízení vhodné pro.

  • Kategorie 4 /PL e podle EN 13849-1
  • SIL 3 podle EN IEC 62061 Tabulka 4

Použité výstupy OSSD kontrolují svou funkci na zkraty a křížové obvody pomocí testovacích impulzů.

LED indikace

LED STATE

Stavová LED dioda

LED dioda DIA

Diagnostická LED dioda

LED 1 rd

Libovolně ovladatelná

LED 2 gn

Libovolně ovladatelná

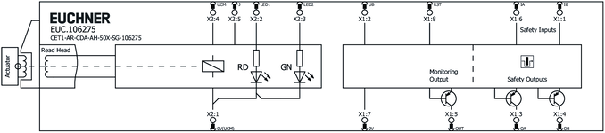
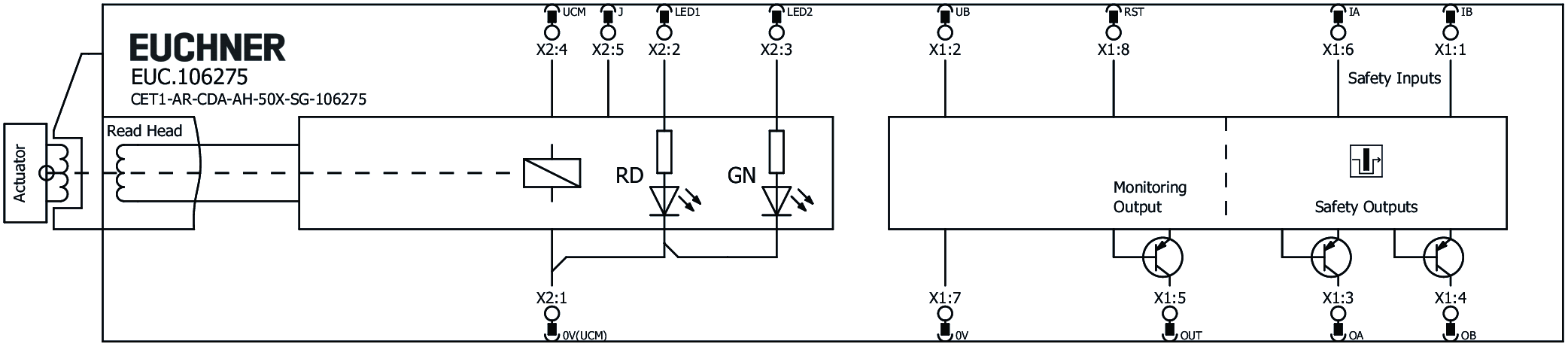
Zapojení

Konektor (pohled na zásuvnou stranu)KontaktOznačeníFunkceBarva žíly připojovacího kabelu

X 1.1IBUvolňovací vstup kanálu BWH
X 1.2UBNapájecí napětí elektroniky 24 V DCBN
X 1.3OABezpečnostní výstupní kanál A

GN
X 1.4OBBezpečnostní výstupní kanál B

YE
X 1.5OUTSignalizační výstup jištění ochranného krytuGY
X 1.6IAUvolňovací vstup kanálu APK
X 1.70 V UBNapájecí napětí elektroniky 0 V DCBU
X 1.8RSTResetovací vstupRD
X 2.10 V UCMNapájecí napětí elektromagnetu 0 V DCBN
X 2.2LED 1LED 1 červená, volně přiřaditelná, 24 V DCWH
X 2.3LED 2LED 2 zelené, volně přiřaditelné, 24 V DCBU
X 2.4UCMŘídicí vstup elektromagnetu 24 V DCBK
X 2.5JUčicí vstupGY

Potřebné příslušenství

Aktuátor není součástí dodávky.

Bezpečnostní spínač lze ovládat pouze ve spojení s pohony určenými k tomuto účelu.

Rozměrový výkres
Rozměrový výkres
Připojovací schéma
Připojovací schéma
CET: Bezpečnostní spínač s kódovaným transpondérem a jištěním ochranného krytu v praxi

Rozměrové výkresy

Rozměrové výkresy

Příklady připojení

Příklady připojení

Technické údaje

Schválení

EAC_RU C-DE.MO05.B.00971/20c_UL_us_E155795_3/8

Pracovní prostor

Opakovatelná přesnost R 10 %

Hodnoty elektrického připojení

Zajištění
Externí (napájecí napětí UCM) 0.5 ... 8 A
Externí (napájecí napětí UB) 0.25 ... 8 A
Příkon
Elektromagnet 11 W
Napájecí napětí DC
LED1, LED2 24 V DC -15% V DC ... +10% V DC
UB 24 V DC -15% ... +15% zabezpečeno proti přepólování, regulováno, zbytkové zvlnění<5 %, PELV
Požadavky na elektromagnetickou kompatibilitu Podle normy EN IEC 60947-5-3
Kategorie použití
DC-13 24 V, 200 mA (Varování: Při indukční zátěži musejí být výstupy chráněny nulovou diodou)
Napájecí napětí elektromagnetu DC
UCM 24 V DC -15% ... +10% zabezpečeno proti přepólování, regulováno, zbytkové zvlnění<5 %, PELV
Zatěžovatel elektromagnetu DZ 100 %
Doba rizika podle normy EN 60947-5-3 max. 400 ms
Riziková doba podle EN 60947-5-3, prodloužení pro každou další jednotku max. 5 ms
Spínané zatížení
Podle UL 24 V DC, třída 2 (Alternativy viz návod k použití)
Třída ochrany III
Odběr proudu
IB 80 mA
ICM 450 mA
Doba trvání zkušebního impulzu max. 1 ms
Stupeň znečištění (externí, podle EN 60947-1) 3
Učicí vstup J
Vstupní napětí
HIGH 15 ... 27.6 V DC Učicí vstup J
LOW 0 ... 1 V DC Učicí vstup J
Signalizační výstup OUT
Druh výstupu Polovodičový výstup, PNP, odolný proti zkratu
Výstupní napětí
OUT 0.8xUB ... UB V DC
Výstupní proud
OUT 1 ... 50 mA
Bezpečnostní výstupy OA/OB
Druh výstupu Polovodičové výstupy, PNP, odolné proti zkratu
Výstupní napětí
HIGH U(OA,OB) UB-1.5V ... UB V DC (Hodnoty při spínaném proudu 50 mA bez přihlédnutí k délce kabelu)
LOW U(OA,OB) 0 ... 1 V DC
Výstupní proud
Na každém bezpečnostním výstupu 1 ... 200 mA
Doba diskrepance
Obou bezpečnostních výstupů max. 10 ms
Doba do zapnutí
Bezpečnostní výstupy 400 ms
Zbytkový proud Ir max. 0.25 mA

Mechanické hodnoty a prostředí

Anfahrgeschwindigkeit max. 20 m/min
Typ připojení 2× konektor M12, 5- a 8pól.
Prodleva do dosažení pohotovostního stavu 10 s
Montážní poloha Libovolná
Frekvence spínání max. 0.5 Hz
Stupeň volnosti X ±5 mm
Stupeň volnosti Y ±5 mm
Stupeň volnosti Z ±4 mm
Teplota při skladování -25 ... 70 °C
Mechanická životnost 2 x 10⁶
Odolnost proti nárazům a vibracím Podle normy EN IEC 60947-5-3
Třída ochrany IP67 (V zapojeném a zajištěném stavu)
Okolní teplota
Při UB = 24 V DC -20 ... 55 °C
Materiál
Rampa Nerezová ocel
Pouzdro bezpečnostního spínače Hliníkový tlakový odlitek
Držící síla Fmax 6500 N
Držící síla FZh 5000 N
Princip jištění Princip klidového proudu

Charakteristické hodnoty podle EN ISO 13849-1 a EN IEC 62061

PLMaximální SILPFHDKategorieDoba provozu
Monitorování jištění ochranného krytuPL e-3.1x10-9420 y


PLMaximální SILKategorieDoba provozu
Ovládání jištění ochranného krytuV závislosti na externím ovládání jištění ochranného krytu20 y


Různé

Poznámky ke schválení UL Provoz pouze s napájením opatřeným atestem UL-Class 2 nebo rovnocenným, viz návod k použití

Příslušenství

Ke stažení

Jednotlivé dokumenty

Č. dok.
Verze
Jazyk
Velikost
Č. dok. 2110788
Návod k použití Bezpečnostní spínač s kódovaným transpondérem a jištěním ochranného krytu CET.-AR-… (Unicode/Multicode)
Č. dok.
2110788
Verze
11/22
Jazyk
Velikost
4,2 MB
Č. dok. 2110788
Operating Instructions Transponder-Coded Safety Switch with Guard Locking CET.-AR-… (Unicode/Multicode)
Č. dok.
2110788
Verze
11/22
Jazyk
Velikost
3,8 MB
Č. dok. 2110788
Mode d’emploi Interrupteur de sécurité à codage par transpondeur avec interverrouillage CET.-AR-… (unicode / multicode)
Č. dok.
2110788
Verze
11/22
Jazyk
Velikost
3,9 MB
Č. dok. 2110788
Manual de instrucciones Interruptor de seguridad con codificación por transponder con bloqueo CET.-AR-… (Unicode/Multicode)
Č. dok.
2110788
Verze
11/22
Jazyk
Velikost
3,8 MB
Č. dok. 2110788
Betriebsanleitung Transpondercodierter Sicherheitsschalter CET.-AR-…
Č. dok.
2110788
Verze
11/22
Jazyk
Velikost
3,8 MB
Č. dok. 2110788
Istruzioni di impiego Finecorsa di sicurezza con codifica a transponder con meccanismo di ritenuta CET.-AR-… (Unicode/Multicode)
Č. dok.
2110788
Verze
11/22
Jazyk
Velikost
3,8 MB
Č. dok. 2110788
使用说明书 应答机编码安全开关 配有门锁功能 CET.-AR-… (特殊/通用编码)
Č. dok.
2110788
Verze
11/22
Jazyk
Velikost
4,2 MB
Č. dok. 2110788
操作説明書 トランスポンダー コーデッド安全スイッチ ガードロック付き CET.-AR-… (ユニコード/マルチコード)
Č. dok.
2110788
Verze
11/22
Jazyk
Velikost
4,2 MB
Č. dok. 2110788
Инструкция по эксплуатации Транспондерный предохранительный выключатель с защитной блокировкой CET.-AR-… (Uni-/Multicode)
Č. dok.
2110788
Verze
11/22
Jazyk
Velikost
4,2 MB
Č. dok. 2110788
Driftsvejledning Transponderkodet sikkerhedsafbryder med tilholder CET.-AR-… (Uni-/Multicode)
Č. dok.
2110788
Verze
11/22
Jazyk
Velikost
4,0 MB
Č. dok. 2110788
Instrukcja obsługi Wyłącznik bezpieczeństwa kodowany transponderowo z blokadą CET.-AR-… (Uni-/Multicode)
Č. dok.
2110788
Verze
11/22
Jazyk
Velikost
4,2 MB
Č. dok. 2110788
Návod na prevádzku Bezpečnostný spínač kódovaný transpondérom s istením CET.-AR-… (Uni-/Multicode)
Č. dok.
2110788
Verze
11/22
Jazyk
Velikost
4,2 MB
Č. dok. 2110788
İşletim kılavuzu Kapalı tutma mekanizmalı aktarıcı kodlu emniyet şalteri CET.-AR-… (Uni-/Multicode)
Č. dok.
2110788
Verze
11/22
Jazyk
Velikost
4,2 MB
Č. dok. 2110788
Instrucțiuni de utilizare Întrerupător de siguranță codat cu transponder cu blocare de protecție CET.-AR-… (Uni-/Multicode)
Č. dok.
2110788
Verze
11/22
Jazyk
Velikost
4,2 MB

Ostatní dokumenty

Objednací údaje

Obj. č. 106275
Název výrobku CET1-AR-CDA-AH-50X-SG-106275
Hmotnost brutto 1,2kg
Číslo celního tarifu 85365019000
ECLASS 27-27-24-05 Safety-related transponder switch with guardlocking