Bezpečnostní spínač CES-I-AR-.-C04-..., RFID, konektor M8
- Unicode
- Signalizační výstup polohy dveří OUT D
- Konektor M8, 8pól.

Popis
Typická detekční oblast
(Pouze ve spojení s pohonem CES-A-BBN-C04)
Při bočním směru nájezdu aktuátoru a bezpečnostního spínače je nezbytné dodržet minimální vzdálenost s = 6 mm, čímž se zamezí působení postranních laloků.
Pozor:
Rozsah odezvy se může lišit v závislosti na pohonu, materiálu podkladu a situaci při instalaci. Další provozní rozsahy naleznete v návodu k obsluze.
Vyhodnocování typu Unicode
Každý aktuátor má vysokou úroveň kódování (Unicode). Spínač detekuje pouze naučené aktuátory. Je možné naučit další aktuátory.
Jednotka rozpozná vždy pouze aktuátor, který byl naučen jako poslední.
Bezpečnostní charakteristiky
Díky dvěma redundantním bezpečnostním výstupům (polovodičové výstupy) s interním monitorováním je zařízení vhodné pro.
- Kategorie 4 /PL e podle EN 13849-1
- SIL 3 podle EN IEC 62061 Tabulka 4
Použité výstupy OSSD kontrolují svou funkci na zkraty a křížové obvody pomocí testovacích impulzů.
LED indikace
STATE | Stavová LED dioda |
DIA | Diagnostická LED dioda |
Zapojení
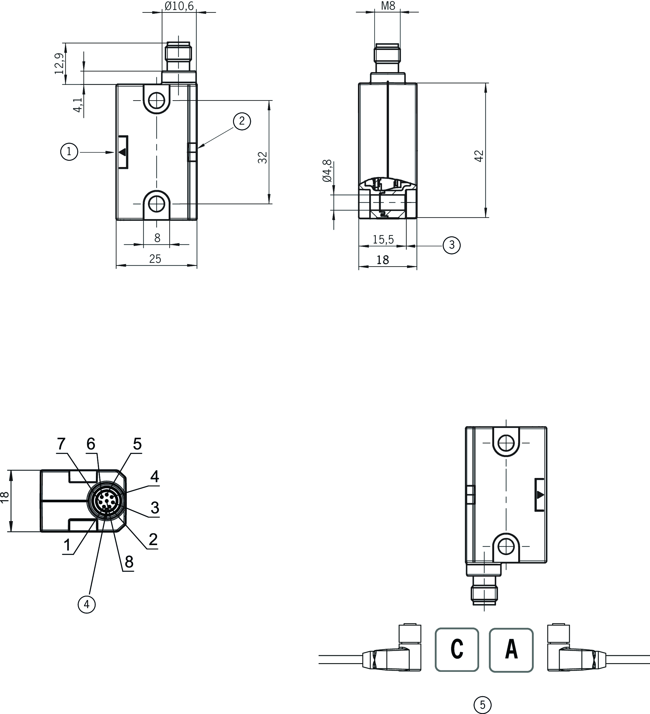
Zarovnaný konektor C04
Pro zobrazenou instalační polohu zařízení platí: kabelový vývod C (vlevo), kabelový vývod A (vpravo).
Potřebné příslušenství
Aktuátor není součástí dodávky.
Rozměrové výkresy

| 1 | Aktivní plocha |
| 2 | LED indikace stavu |
| 3 | S pryžovou podložkou |
| 4 | Kódovací výstupek |
| 5 | Při znázorněné montážní poloze: vývod kabelu doleva nebo doprava |
Příklady připojení

Technické údaje
Schválení



Pracovní prostor
| Spínací hystereze | |
| Montážní poloha A + C | 1 ... 2 mm |
| Opakovatelná přesnost R | |
| Podle EN 60947-5-2 | 10 % |
Hodnoty elektrického připojení
| Zajištění | |
| Externí (napájecí napětí) | 0.25 ... 8 A |
| Návrhové izolační napětí Ui | 30 V |
| Jmenovité impulzní napětí Uimp | 0.5 kV |
| Napájecí napětí DC | |
| UB | 24 V DC -15% ... +15% Regulováno, zbytkové zvlnění<5 %, PELV |
| Doba do zapnutí | |
| Bezpečnostní výstupy | max. 400 ms |
| Požadavky na elektromagnetickou kompatibilitu | Podle normy EN IEC 60947-5-3 |
| Doba rizika podle normy EN 60947-5-3 | max. 260 ms |
| Riziková doba podle EN 60947-5-3, prodloužení pro každou další jednotku | max. 5 ms |
| Třída ochrany | III |
| Odběr proudu | max. 35 mA (Bez přihlédnutí k zatěžovacímu proudu na signalizačním výstupu a bezpečnostních výstupech) |
| Stupeň znečištění (externí, podle EN 60947-1) | 3 |
| Signalizační výstup OD | |
| Druh výstupu | Polovodičový výstup, PNP, odolný proti zkratu |
| Výstupní napětí | 0.8 x UB ... UB V DC |
| Spínací proud | max. 50 mA |
| Bezpečnostní výstupy FO1A/FO1B | |
| Druh výstupu | Polovodičové výstupy, PNP, odolné proti zkratu |
| Výstupní napětí | |
| HIGH U(FO1A) / U(FO1B) | UB-1.5V ... UB V DC (Hodnoty při spínaném proudu 50 mA bez přihlédnutí k délce kabelu.) |
| LOW U(FO1A) / U(FO1B) | 0 ... 1 V DC |
| Podmíněný návrhový zkratový proud | 100 A |
| Doba diskrepance | max. 10 ms |
| Kategorie použití | |
| DC-13 | 24 V, 200 mA (Varování: Při indukční zátěži musejí být výstupy chráněny nulovou diodou.) |
| Zbytkový proud Ir | max. 0.25 mA |
| Spínací proud | |
| Na každém bezpečnostním výstupu | 1 ... 200 mA |
| Doba trvání zkušebního impulzu | max. 1.0 ms (Platí pro zátěž C<= 30nF a R<= 20 kΩ) |
| Interval testovacích impulzů | min. 140 ms |
Mechanické hodnoty a prostředí
| Typ připojení | Konektor M8, 8pól. |
| Utahovací moment | |
| Upevňovací šrouby | max. 0.8 Nm |
| Prodleva do dosažení pohotovostního stavu | 10 s |
| Montážní poloha | Libovolná |
| Frekvence spínání | max. 1 Hz |
| Teplota při skladování | -25 ... 70 °C |
| Montážní vzdálenost | |
| mezi přepínači | min. 80 mm |
| Způsob montáže | Nelícující, na kov |
| Odolnost proti nárazům a vibracím | Podle normy EN IEC 60947-5-3 |
| Třída ochrany | IP67/IP69K |
| Okolní teplota | -25 ... 65 °C |
| Materiál | |
| Pouzdro | Plast, PBT |
| Pryžová podložka | NBR 80 ±5 Shore |
Charakteristické hodnoty podle EN ISO 13849-1 a EN IEC 62061
| PL | Maximální SIL | PFHD | Kategorie | Doba provozu | |
|---|---|---|---|---|---|
| Monitorování polohy ochranného krytu | PL e | - | 4.1x10-9 | 4 | 20 y |
Různé
| Poznámky ke schválení UL | Provoz pouze s napájením opatřeným atestem UL-Class 2 nebo rovnocenným |
| Další funkce | Pryžová podložka je součástí dodávky |
V kombinaci s aktuátorem CES-A-BDN-06-104730
| Zapínací vzdálenost | |
| Montážní poloha C nebo D (ze široké strany) | 15 mm |
| Montážní poloha A nebo B (z čelní strany) | 19 mm |
| Zajištěná vzdálenost vypnutí sar | |
| Ve směru Y | max. 60 mm |
| Ve směru X/Z | max. 40 mm |
| Zajištěná spínací vzdálenost sao | |
| Montážní poloha A nebo B (z čelní strany) | min. 14 mm |
| Montážní poloha C nebo D (ze široké strany) | min. 10 mm |
| Spínací hystereze | 1 ... 2 mm |
V kombinaci s aktuátorem CES-A-BBN-C04-115271, CES-A-BBN-C04-EX-137527
| Zapínací vzdálenost | |
| Montážní poloha A nebo B (z čelní strany) | 15 mm |
| Montážní poloha C nebo D (ze široké strany) | 11 mm |
| Zajištěná vzdálenost vypnutí sar | |
| Ve směru Y | max. 60 mm |
| Ve směru X/Z | max. 40 mm |
| Zajištěná spínací vzdálenost sao | |
| Montážní poloha A nebo B (z čelní strany) | 10 mm |
| Montážní poloha C nebo D (ze široké strany) | 6 mm |
| Spínací hystereze | 1 ... 2 mm |
V kombinaci s aktuátorem CES-A-BBN-161502
| Zapínací vzdálenost | |
| Montážní poloha C + D | 20 mm |
| Montážní poloha A + B | 25 mm |
| Zajištěná vzdálenost vypnutí sar | |
| Ve směru X/Z / montážní poloha C + D | max. 64 mm |
| Ve směru X/Z / montážní poloha A + B | max. 69 mm |
| Ve směru Y / montážní poloha A + B | max. 77 mm |
| Ve směru Y / montážní poloha C + D | max. 72 mm |
| Zajištěná spínací vzdálenost sao | |
| Montážní poloha A + B | min. 15 mm |
| Montážní poloha C + D | min. 10 mm |
| Spínací hystereze | |
| Montážní poloha C + D | 1 ... 2 mm |
| Montážní poloha A + B | 1 ... 2 mm |
V kombinaci s aktuátorem CES-A-BDN-06-161742
| Zapínací vzdálenost | |
| Montážní poloha C | 20 mm |
| Montážní poloha A | 25 mm |
| Zajištěná vzdálenost vypnutí sar | |
| Montážní poloha C | max. 72 mm |
| Montážní poloha A | max. 77 mm |
| Zajištěná spínací vzdálenost sao | |
| Montážní poloha A | min. 15 mm |
| Montážní poloha C | min. 10 mm |
| Spínací hystereze | |
| Montážní poloha A + C | 1 ... 2 mm |
Příslušenství

CES-A-BBN-C04-115271
- Tvar kvádru 42 × 25 mm
- Dva bezpečnostní šrouby M4 × 20 a pryžová podložka jsou součástí dodávky

CES-A-BBN-161502
- Tvar kvádru 42 × 25 mm, výška 12 mm
- Transpondér s velkou detekční oblastí
- Upevnění kompatibilní s aktuátory: CES-A-BBA-071840, CES-BBN-106600, CES-A-BBN-C04-115271
- Dva bezpečnostní šrouby M4 × 14 jsou součástí dodávky
Ke stažení
Jednotlivé dokumenty
Ostatní dokumenty
Objednací údaje
| Obj. č. | 119469 |
| Název výrobku | CES-I-AR-U-C04-SG-119469 |
| Hmotnost brutto | 0,067kg |
| Číslo celního tarifu | 85365019000 |
| ECLASS | 27-27-24-03 Safety-related transponder switch |












