Úvodní stránkaProduktePolohové spínače a řadové koncové spínačePřesné vestavěné koncové spínače EGT a EGMEGT12ASFM5C2083
Přesný vestavný koncový spínač EGT12
- S jazýčkovým kontaktem a ochrannou diodou
- Materiál plunžru: ocel odolná proti korozi
- Libovolná montážní poloha

Popis
Spínací jednotka
Jazýčkový kontakt, 1 spínací kontakt
V žádném případě nespínejte žárovky, ani za účelem zkoušení. Vestavné koncové spínače se nesmějí používat jako doraz.



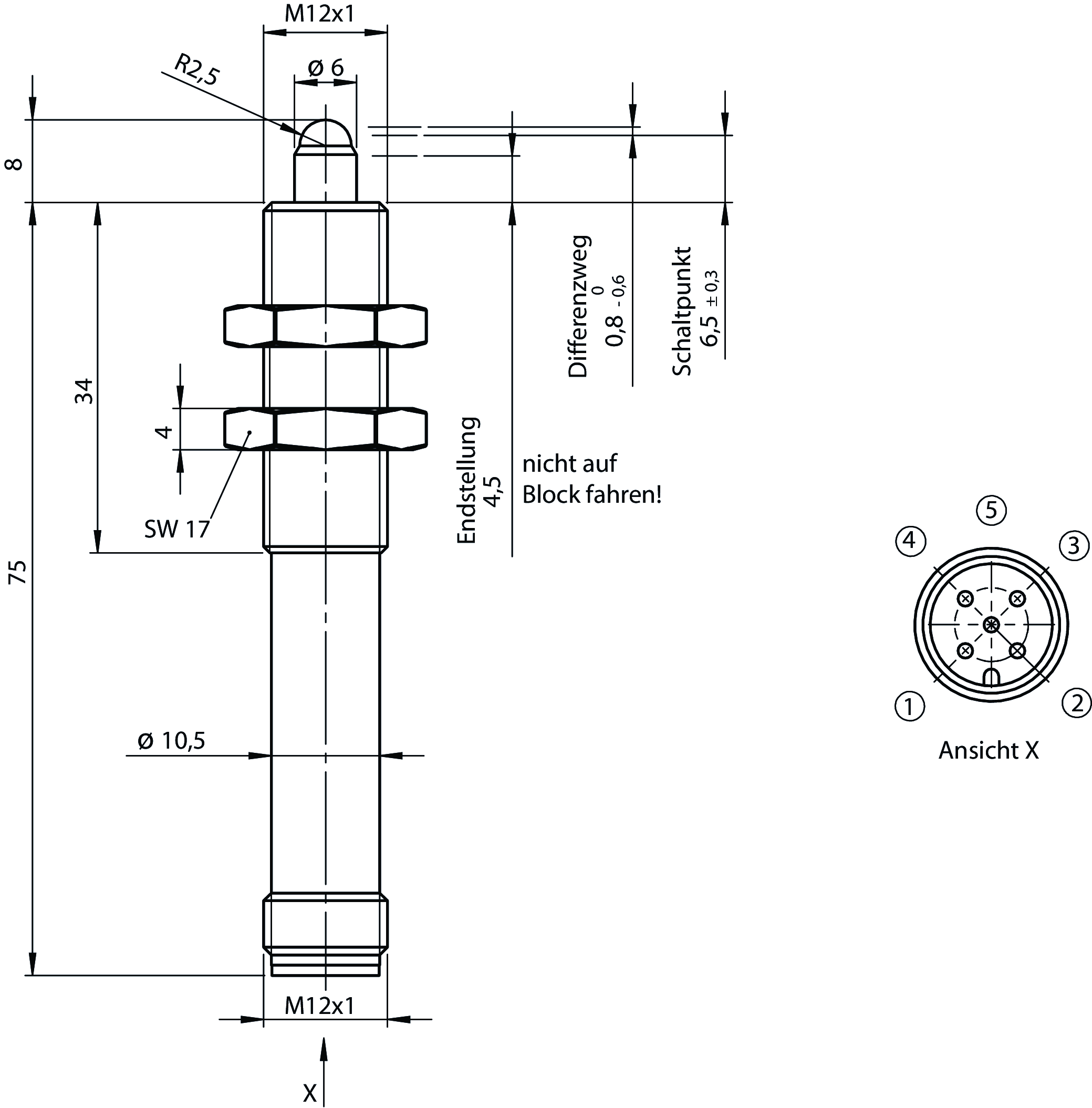
Rozměrové výkresy

Příklady připojení

Příklady připojení

Technické údaje
Schválení




Hodnoty elektrického připojení
| Zajištění | max. 0.4 A gG |
| Návrhové izolační napětí Ui | 50 V |
| Kategorie použití | |
| AC-12 | 0,3 A 30 V |
| DC-13 | 0,3 A 24 V |
| Spínací napětí | |
| Min. | 1 V |
| Spínací proud | |
| Min. při 24 V | 1 mA |
Mechanické hodnoty a prostředí
| Anfahrgeschwindigkeit | 0.01 ... 8 m/min |
| Typ připojení | Konektor (5pól.) |
| Počet spínacích kontaktů | 1 |
| Provedení | Závit M12 × 1 |
| Ovládací prvek | Půlkulový plunžr (Dlouhé) |
| Ovládací síla | 16 N |
| Montážní poloha | Libovolná |
| Teplota při skladování | -25 ... 80 °C |
| Mechanická životnost | 5 x 10⁶ |
| Princip přepínání | Jazýčkový kontakt |
| Třída ochrany | IP67 (Protikonektor zapojený a přišroubovaný.) |
| Okolní teplota | -25 ... 80 °C |
| Materiál | |
| Kontakt | Rhodium |
| Dutinka | Niklovaná mosaz |
| Závit | Ocel odolná proti korozi |
| Opakovatelná přesnost (absolutní) | ±0.01 mm (Při axiálním ovládání v zasunutém stavu po cca 2 000 spínacích cyklech) |
Různé
| Číslo C | |
| C2083 | Dráha spínání 8 mm |
Ke stažení
Jednotlivé dokumenty
Pokyny
Operating instructions Precision Single Hole Fixing Limit Switches EGT with Reed Contacts
Č. dok.
Verze
Jazyk
Velikost
Operating instructions Precision Single Hole Fixing Limit Switches EGT with Reed Contacts
Č. dok.
MAN20001597
Verze
06/24
Jazyk
Velikost
0,6 MB
Mode d’emploi Interrupteurs de position de précision EGT avec contacts Reed
Č. dok.
MAN20001597
Verze
06/24
Jazyk
Velikost
0,6 MB
Manual de instrucciones Final de carrera de precisión EGT con contactos reed
Č. dok.
MAN20001597
Verze
06/24
Jazyk
Velikost
0,6 MB
Betriebsanleitung Präzisions-Einbaugrenztaster EGT mit Reed-Kontakten
Č. dok.
MAN20001597
Verze
06/24
Jazyk
Velikost
0,6 MB
Prohlášení o shodě
EU declaration of conformity
Č. dok.
Verze
Jazyk
Velikost
EU declaration of conformity
Déclaration UE de conformité
Declaración de conformidad UE
EU-Konformitätserklärung
Dichiarazione UE di conformità
Déclaration UE de conformité
Declaración de conformidad UE
EU-Konformitätserklärung
Dichiarazione UE di conformità
Č. dok.
EDC2539628
Verze
Jazyk
Velikost
0,2 MB
EU declaration of conformity
Déclaration UE de conformité
Declaración de conformidad UE
EU-Konformitätserklärung
Dichiarazione UE di conformità
Déclaration UE de conformité
Declaración de conformidad UE
EU-Konformitätserklärung
Dichiarazione UE di conformità
Č. dok.
EDC2539628
Verze
Jazyk
Velikost
0,2 MB
UKCA-Konformitätserklärung
Č. dok.
Verze
Jazyk
Velikost
UKCA-Konformitätserklärung
Č. dok.
EDC20001551
Verze
Jazyk
Velikost
0,1 MB
Ostatní dokumenty
Prodejní doklady
Position Switches and Multiple Limit Switches
Č. dok.
Verze
Jazyk
Velikost
Position Switches and Multiple Limit Switches
Č. dok.
157836
Verze
01-03/18
Jazyk
Velikost
4,1 MB
Interrupteurs de position et boîtiers multipistes
Č. dok.
157837
Verze
01-03/18
Jazyk
Velikost
4,1 MB
Positionsschalter und Reihengrenztaster
Č. dok.
157835
Verze
01-03/18
Jazyk
Velikost
4,1 MB
Schválení a certifikáty
CCC
Č. dok.
Verze
Jazyk
Velikost
CCC
Č. dok.
20001753
Verze
Jazyk
Velikost
0,0 MB
DNV-GL
Č. dok.
Verze
Jazyk
Velikost
DNV-GL
Č. dok.
Verze
Jazyk
Velikost
0,2 MB
c UL us
Č. dok.
Verze
Jazyk
Velikost
c UL us
Č. dok.
Verze
Jazyk
Velikost
0,3 MB
CAD-Data
Objednací údaje
| Obj. č. | 095112 |
| Název výrobku | EGT12ASFM5C2083 |
| Hmotnost brutto | 0,057kg |
| Číslo celního tarifu | 85365019000 |
| ECLASS | 27-27-06-01 Position switch (Type 1) |


