Úvodní stránkaProduktePolohové spínače a řadové koncové spínačeMechanické samostatné koncové spínače N01, NB01 a SN01N01K593-M
Přesný samostatný koncový spínač N01, kulový plunžr, pro teplotu do 140 °C
- Pro vysoké teploty do +140 °C
- Materiál plunžru: ocel odolná proti korozi

Popis


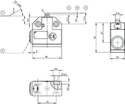
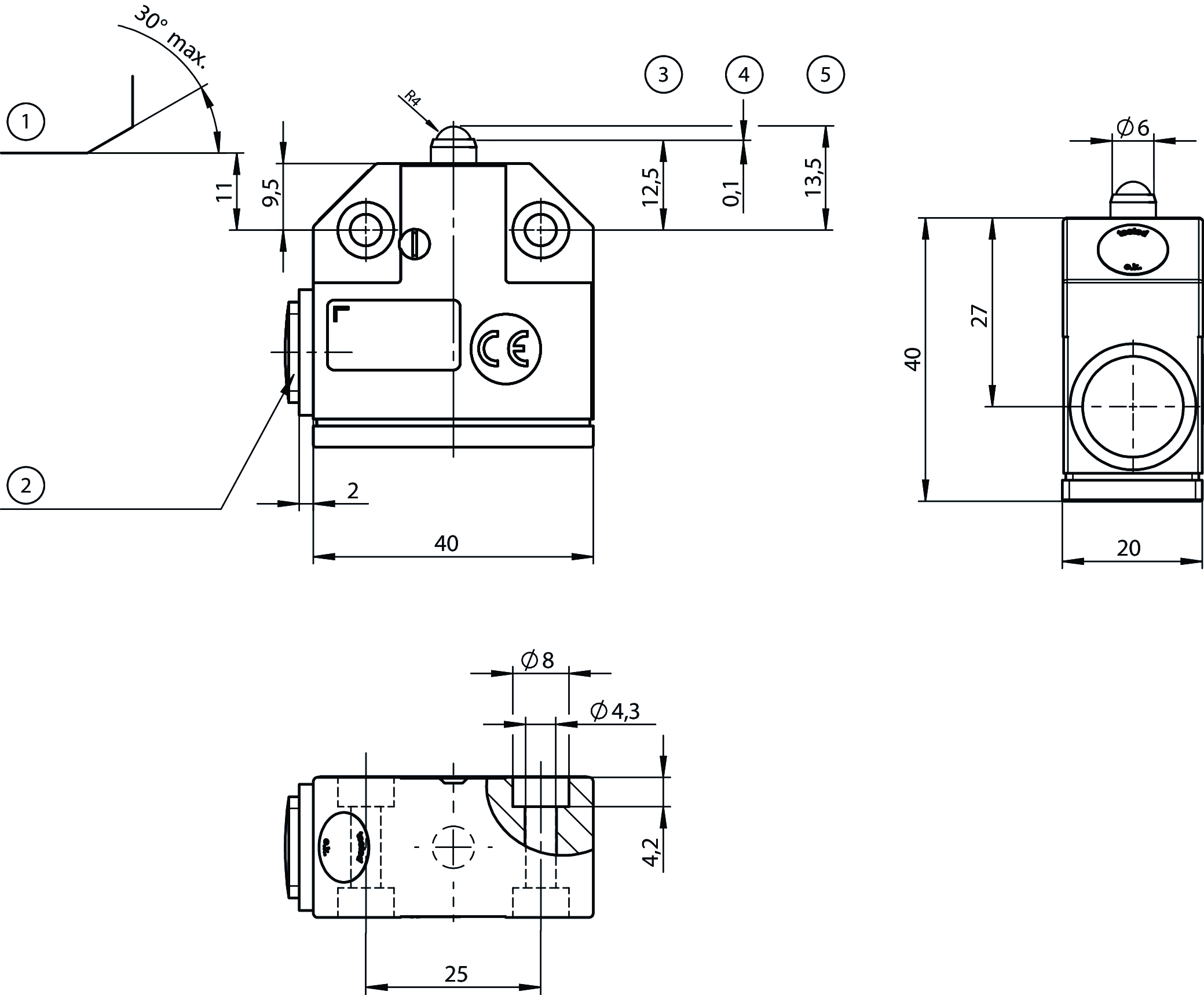
Rozměrové výkresy

| 1 | Vačka |
| 2 | Uzavírací šroub M12 × 1,5 |
| 3 | Spínací bod |
| 4 | Rozdílová dráha |
| 5 | Klidová poloha |
Příklady připojení

Technické údaje
Schválení


Hodnoty elektrického připojení
| Zajištění | max. 3 A gG |
| Průřez přípojky | 0.14 ... 1 mm² (Pájené připojení) |
| Návrhové izolační napětí Ui | 250 V |
| Jmenovité impulzní napětí Uimp | 2.5 kV |
| Kategorie použití | |
| AC-15 | 3 A 230 V |
| DC-13 | 1 A 24 V |
| Spínací proud | |
| Min. při 24 V DC | 10 mA |
| Tepelný návrhový proud Ith | 3 A |
Mechanické hodnoty a prostředí
| Anfahrgeschwindigkeit | 0.01 ... 8 m/min |
| Typ připojení | |
| 1× | M12 × 1,5 |
| Počet rozpínacích kontaktů pro monitorování polohy dveří | 1 Přepínací kontakt |
| Počet spínacích kontaktů pro monitorování polohy dveří | 1 (Přepínací kontakt) |
| Ovládací prvek | Kulový plunžr |
| Ovládací síla | 15 ... 20 N |
| Montážní poloha | Libovolná |
| Teplota při skladování | -25 ... 125 °C |
| Mechanická životnost | 1 x 10⁶ (Testováno při: 80 °C: 1× 10^6 125 °C: 1× 10^6 (mazání po každých 200 000 spínacích cyklech)) |
| Princip přepínání | Přepínací kontakt se skokovou funkcí |
| Třída ochrany | IP67 |
| Okolní teplota | -5 ... 125 °C |
| Materiál | |
| Pouzdro | Anodicky oxidovaný tlakový odlitek z lehkého kovu |
| Kontakt | Slitina stříbra, velmi tenké pozlacení |
Charakteristické hodnoty podle EN ISO 13849-1 a EN IEC 62061
| B10D | 20 x 10⁶ |
Různé
| Další funkce | Okolní tepl. podle údajů výrobce – spínací jednotka: (Evropa) max. 140 °C / UL max. 130 °C |
Ke stažení
Jednotlivé dokumenty
Pokyny
Operating Instructions Precision Single Limit Switch N01/NB01/SN01
Č. dok.
Verze
Jazyk
Velikost
Operating Instructions Precision Single Limit Switch N01/NB01/SN01
Č. dok.
2105376
Verze
05/25
Jazyk
Velikost
0,7 MB
Mode d’emploi Fins de course monopistes de précision N01/NB01/SN01
Č. dok.
2105376
Verze
05/25
Jazyk
Velikost
0,7 MB
Manual de instrucciones Final de carrera unitario de precisión N01/NB01/SN01
Č. dok.
2105376
Verze
05/25
Jazyk
Velikost
0,7 MB
Betriebsanleitung Präzisions-Einzelgrenztaster N01/NB01/SN01
Č. dok.
2105376
Verze
05/25
Jazyk
Velikost
0,7 MB
Istruzioni di impiego Finecorsa di precisione singoli N01/NB01/SN01
Č. dok.
2105376
Verze
05/25
Jazyk
Velikost
0,7 MB
Prohlášení o shodě
EU declaration of conformity
Č. dok.
Verze
Jazyk
Velikost
EU declaration of conformity
Déclaration UE de conformité
Declaración de conformidad UE
EU-Konformitätserklärung
Dichiarazione UE di conformità
Déclaration UE de conformité
Declaración de conformidad UE
EU-Konformitätserklärung
Dichiarazione UE di conformità
Č. dok.
EDC2539628
Verze
Jazyk
Velikost
0,2 MB
EU declaration of conformity
Déclaration UE de conformité
Declaración de conformidad UE
EU-Konformitätserklärung
Dichiarazione UE di conformità
Déclaration UE de conformité
Declaración de conformidad UE
EU-Konformitätserklärung
Dichiarazione UE di conformità
Č. dok.
EDC2539628
Verze
Jazyk
Velikost
0,2 MB
UKCA-Konformitätserklärung
Č. dok.
Verze
Jazyk
Velikost
UKCA-Konformitätserklärung
Č. dok.
EDC20001551
Verze
Jazyk
Velikost
0,1 MB
Ostatní dokumenty
Schválení a certifikáty
DNV-GL
Č. dok.
Verze
Jazyk
Velikost
DNV-GL
Č. dok.
Verze
Jazyk
Velikost
0,2 MB
Objednací údaje
| Obj. č. | 163536 |
| Název výrobku | N01K593-M |
| Hmotnost brutto | 0,085kg |
| Číslo celního tarifu | 85365019000 |
| ECLASS | 27-27-06-01 Position switch (Type 1) |