SN02D08-558SVM5-MC2004 (Obj. č. 087517)

Konstrukční řada SN... 8 mm, mechanický

  • Vzdálenost plunžrů 8 mm
  • Stojací provedení pouzdra, bez příruby
  • Krytí IP67 podle IEC 60529
SN02D08-558SVM5-MC2004 (Obj. č. 087517)

Popis

Spínací jednotky

ES 552

Mžikový spínací člen, 1 přepínací kontakt, standardní spínací jednotka

ES 614

Mžikový spínací člen, 1 přepínací kontakt, vhodný ke spínání menšího proudu

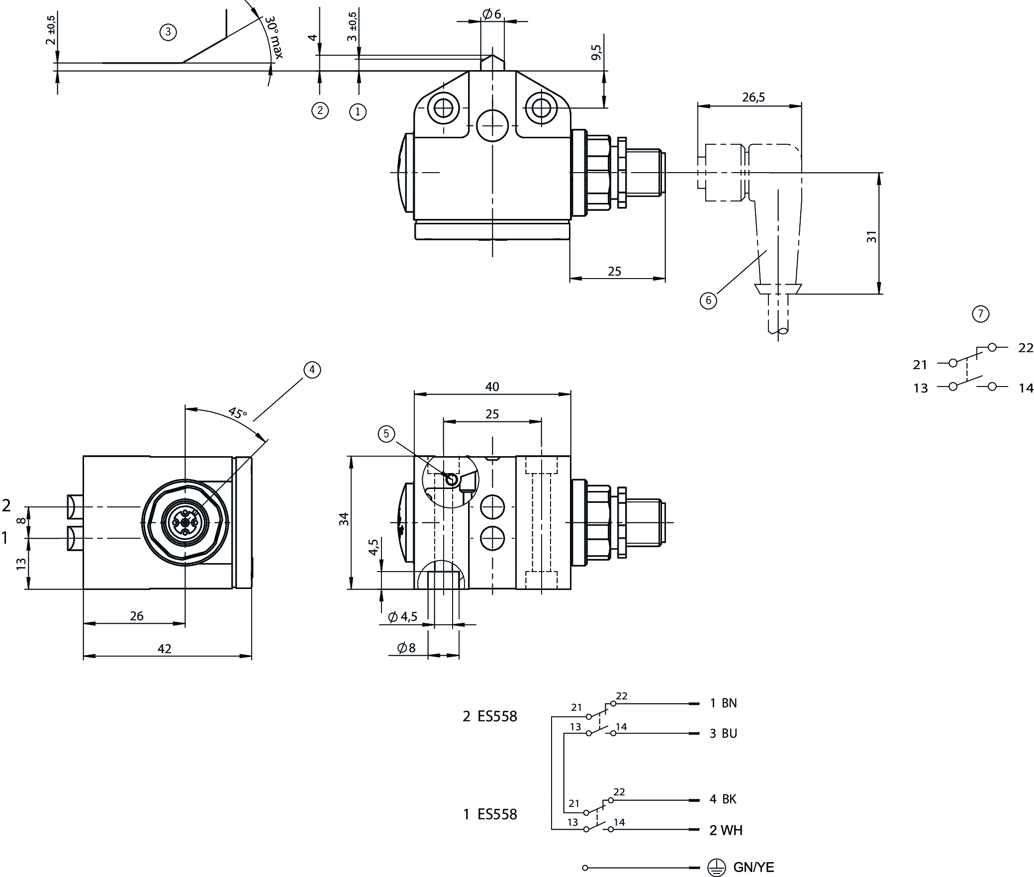
Rozměrový výkres
Rozměrový výkres
Připojovací schéma ES 552
Připojovací schéma ES 552
Připojovací schéma ES 614
Připojovací schéma ES 614

Rozměrové výkresy

Rozměrové výkresy
1Spínací bod
2Max. klidová poloha
3Vačka
4Zarovnaný vodicí výstupek
5(zemnicí oko)
6Úhlový konektor: Vývod kabelu nastavitelný do max. 270°. Výchozí nastavení pro vývod kabelu směrem dolů.
7Spínací jednotka: ES558 se skokovou funkcí, 1× spínací kontakt + 1× rozpínací kontakt

Příklady připojení

Příklady připojení

Příklady připojení

Příklady připojení

Technické údaje

Schválení

EAC_RU C-DE.MO05.B.00971/20CCC2024010305643587_MultipleLimitSwitchc_UL_us_E155795_3/6

Hodnoty elektrického připojení

Zajištění max. 4 A gG
Návrhové izolační napětí Ui 50 V
Jmenovité impulzní napětí Uimp 1.5 kV
Kategorie použití
AC-15 4 A 30 V
DC-13 3 A 24 V
Spínací proud
Min. při 5 V DC 10 mA

Mechanické hodnoty a prostředí

Anfahrgeschwindigkeit 0.01 ... 20 m/min
Typ připojení 1× konektor M12 (5pól., úhlový konektor: nastavitelný vývod kabelu, max 270°. Výchozí nastavení pro vývod kabelu směrem dozadu.)
Počet rozpínacích kontaktů 2
Počet spínacích jednotek 2
Počet spínacích kontaktů 2
Provedení Provedení k instalaci nastojato
Ovládací prvek Stříškový plunžr
Ovládací síla 15 ... 20 N
Montážní poloha Libovolná
Teplota při skladování -25 ... 80 °C
Mechanická životnost 10 x 10⁶
Princip přepínání Mžikový spínací člen
Spínací bod 2.5 ... 3 ... 3.5
Přesnost spínacího bodu ± 0,02 (Reprodukovatelná přesnost spínacího bodu platí pro axiální dráhu plunžru a spínací jednotku zajetou cca 2 000 spínacími cykly.)
Třída ochrany IP67 (Jen v sešroubovaném stavu s příslušným protikonektorem.)
Vzdálenost plunžrů 8 mm
Okolní teplota -5 ... 80 °C
Materiál
Kontakt Ryzí stříbro (Ag)
Pouzdro Anodicky oxidovaný tlakový odlitek z lehkého kovu

Různé

Číslo C
C2004

Ke stažení

Jednotlivé dokumenty

Ostatní dokumenty

Objednací údaje

Obj. č. 087517
Název výrobku SN02D08-558SVM5-MC2004
Hmotnost brutto 0,196kg
Číslo celního tarifu 85365019000
ECLASS 27-27-06-02 Multi-position switch