SN03R12-2508-M (Obj. č. 089527)

Konstrukční řada SN... 12 mm, mechanický

  • Vzdálenost plunžrů 12 mm
  • Stojací provedení pouzdra, malá příruba
  • Krytí IP67 podle IEC 60529
SN03R12-2508-M (Obj. č. 089527)

Popis

Spínací jednotky

ES 502 E

Mžikový spínací člen, 1 NC + 1 NO

ES 508

Pomalý spínací člen, 1 NC

Při používání bezpečnostních spínacích jednotek je nutné za účelem dosažení dráhy nuceného rozepnutí dodržet vzdálenost vačky. Vačky musejí být dle normy EN ISO 14119 namontovány s tvarovým spojem, tj. musejí být přinýtovány, přivařeny nebo jinak zajištěny proti uvolnění.

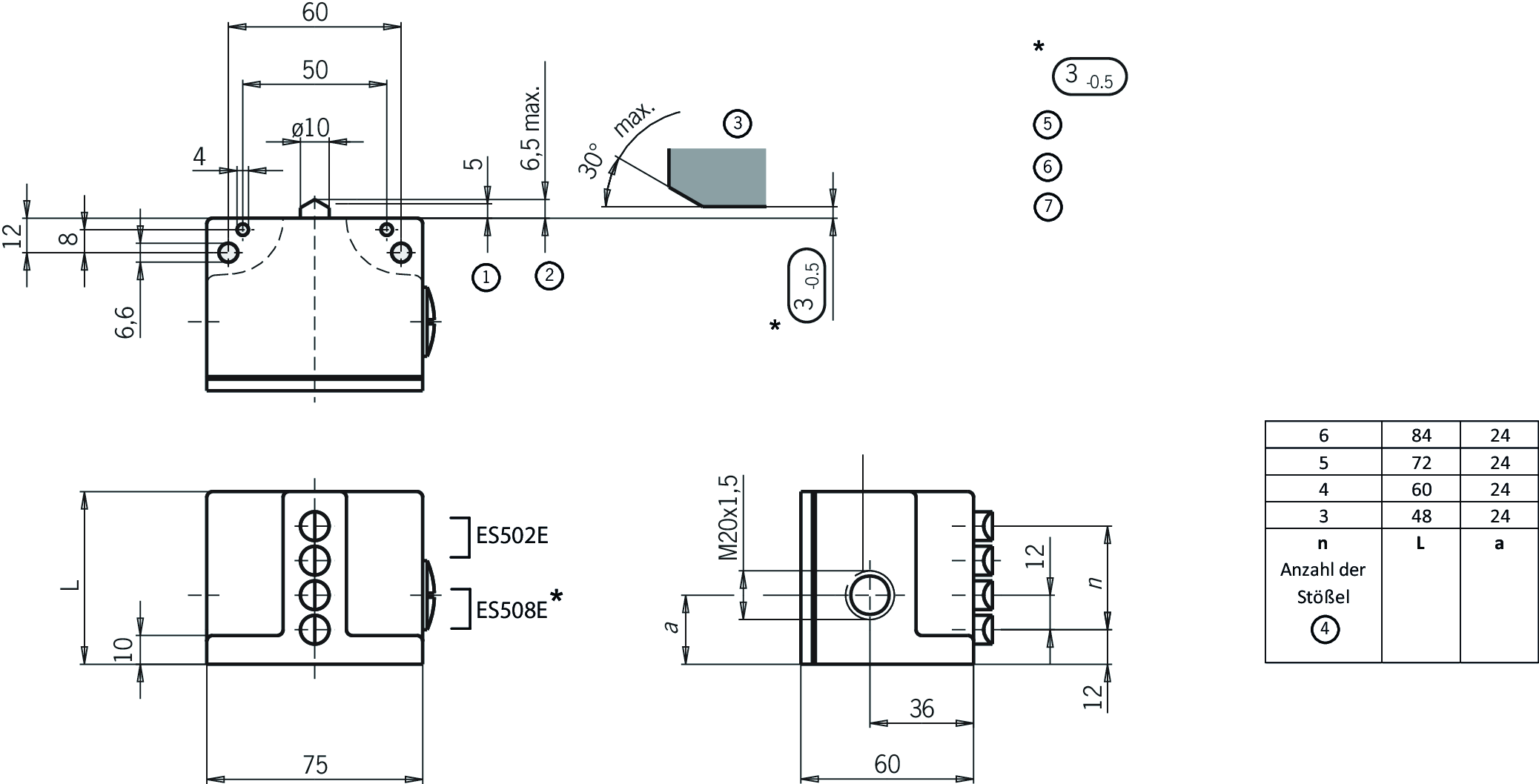
Rozměrový výkres
Rozměrový výkres
Připojovací schéma ES 508
Připojovací schéma ES 508
Připojovací schéma ES 502 E
Připojovací schéma ES 502 E

Rozměrové výkresy

Rozměrové výkresy
*Bezpečnostní spínací jednotka ES 508E s nuceným odpojováním. Funkce nuceného odpojování závisí na dodržení tohoto rozměru.
1Spínací bod
2Klidová poloha
3Vačka
4n Počet plunžrů
5Aktuátory (vačky) musejí být se strojem spojeny tvarovým spojem.
6Spínač lze vyměnit jen za stejný typ.
7Nalepena samolepicí etiketa 041734.

Příklady připojení

Příklady připojení

Příklady připojení

Příklady připojení

Technické údaje

Schválení

EAC_RU C-DE.MO05.B.00971/20CCC2024010305643587_MultipleLimitSwitchc_UL_us_E155795_3/6

Hodnoty elektrického připojení

Zajištění max. 8 A gG
Průřez přípojky 0.34 ... 1.5 mm²
Návrhové izolační napětí Ui 250 V
Jmenovité impulzní napětí Uimp 2.5 kV
Kategorie použití
DC-13 6 A 24 V
AC-15 6 A 230 V
AC-12 Spínací jednotka ES502E 8 A 250 V
Spínací proud
Min. při 12 V DC, spínací jednotka ES502E min. 10 mA (Platí od stanice 3)
Min. při 24 V DC, spínací jednotka ES508 min. 10 mA (Platí pro stanice 1–2)
Tepelný návrhový proud Ith 8 A

Mechanické hodnoty a prostředí

Anfahrgeschwindigkeit 0.01 ... 80 m/min
Typ připojení 2× M20 × 1,5
Počet rozpínacích kontaktů 1
Počet spínacích jednotek 3
Počet spínacích kontaktů 1
Počet nuceně rozpínaných kontaktů 2
Provedení Provedení k instalaci nastojato
Ovládací prvek Plunžr s rolnou (Kluzná ložiska)
Ovládací síla min. 20 N
Montážní poloha Libovolná
Teplota při skladování -25 ... 80 °C
Mechanická životnost 30 x 10⁶
Doba odskoku
Spínací jednotka ES502E max. 3 ms (Platí od stanice 3)
Průměr rolny 8 mm
Princip přepínání
Spínací jednotka ES502E Mžikový spínací člen (Platí od stanice 3)
Spínací jednotka ES508 Pomalý spínací člen (Platí pro stanice 1–2)
Přesnost spínacího bodu ± 0,01 (Reprodukovatelná přesnost spínacího bodu platí pro axiální dráhu plunžru a spínací jednotku ES 502 E zajetou cca 2 000 spínacími cykly.)
Schließzeit
Spínací jednotka ES502E max. 4 ms
Třída ochrany IP67
Vzdálenost plunžrů 12 mm
Okolní teplota -5 ... 80 °C
Materiál
Pouzdro Hliníkový tlakový odlitek eloxovaný
Kontakt Slitina stříbra, velmi tenké pozlacení

Charakteristické hodnoty podle EN ISO 13849-1 a EN IEC 62061

B10D 20 x 10⁶

Různé

Další informace Smíšené osazení (U řadových koncových spínačů k instalaci nastojato je nutné začít bezpečnostní stanicí (stanicemi) od strany s přírubou. Pokud by mělo být instalováno více bezpečnostních stanic, musejí následovat hned po sobě.)

Ke stažení

Jednotlivé dokumenty

Ostatní dokumenty

Objednací údaje

Obj. č. 089527
Název výrobku SN03R12-2508-M
Hmotnost brutto 0,377kg
Číslo celního tarifu 85365019000
ECLASS 27-27-06-02 Multi-position switch