Úvodní stránkaProduktePolohové spínače a řadové koncové spínačeŘadový koncový spínač SN, provedení k instalaci nastojatoSN04R12-514-MC2188
Konstrukční řada SN... 12 mm, mechanický
- Vzdálenost plunžrů 12 mm
- Stojací provedení pouzdra, malá příruba
- Krytí IP67 podle IEC 60529

Popis
Spínací jednotky
ES 514 | Mžikový spínací člen, 1 NC |
Při používání bezpečnostních spínacích jednotek je nutné za účelem dosažení dráhy nuceného rozepnutí dodržet
vzdálenost vačky. Vačky musejí být dle normy EN ISO 14119 namontovány s tvarovým spojem, tj. musejí být přinýtovány, přivařeny nebo jinak zajištěny proti uvolnění.


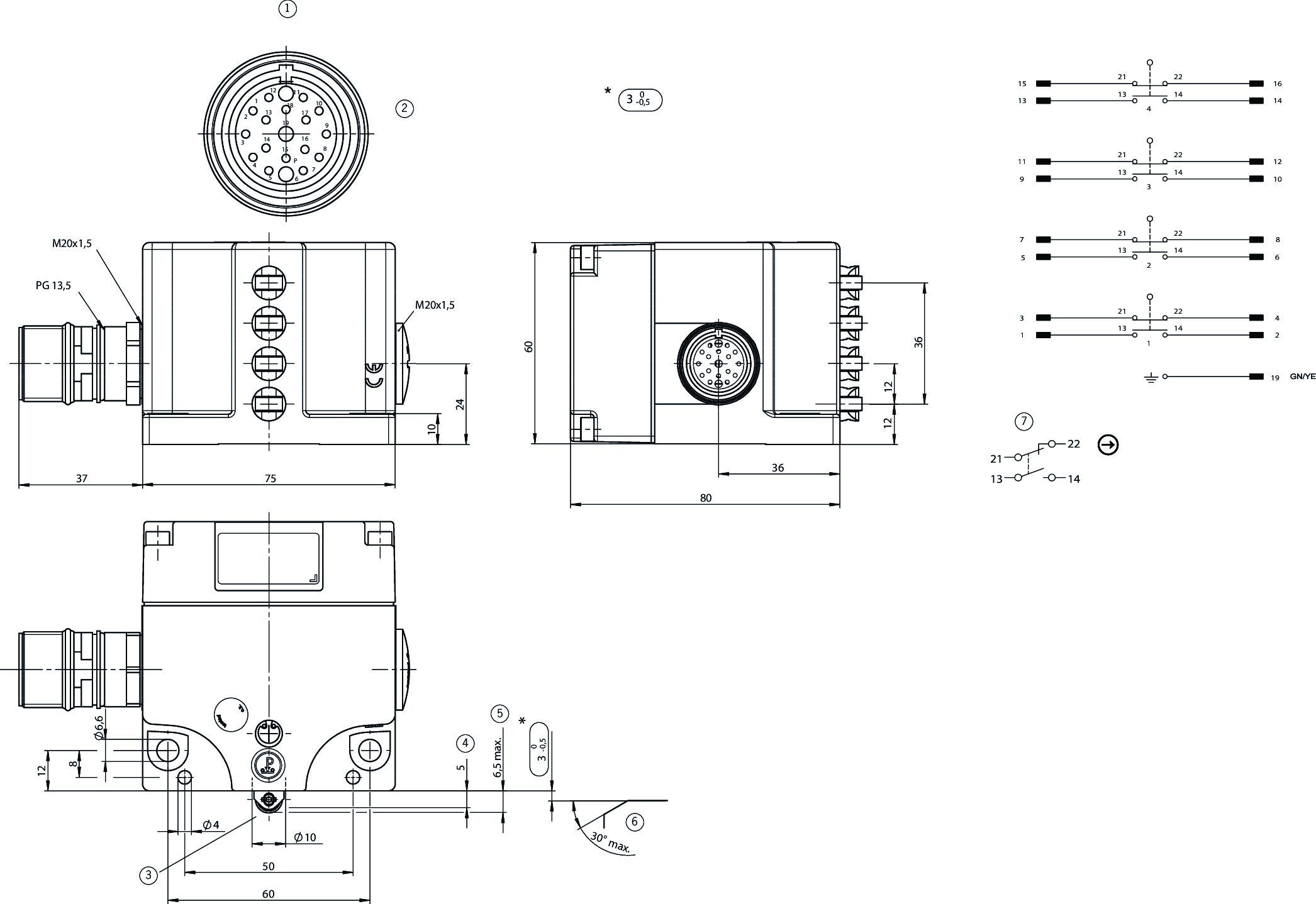
Rozměrové výkresy

| * | K dosažení dráhy pro nucené rozepnutí je nutné dodržet vzdálenost ovládací vačky. Ovládací prvky, jako jsou například narážky, musejí být dle namontovány s tvarovým spojem, tj. musejí být přinýtovány, přivařeny nebo jinak zajištěny proti uvolnění. |
| 1 | Pohled na zásuvnou stranu |
| 2 | Bez protikonektoru |
| 3 | Plunžr s rolnou, kuličkovými ložisky a měkkou pružinou |
| 4 | Spínací bod |
| 5 | Klidová poloha |
| 6 | Vačka |
| 7 | Spínací jednotka ES514 se skokovou funkcí: 1× spínací kontakt a 1× nuceně vedený rozpínací kontakt s dvojitým přerušením a galvanicky odděleným spínacím můstkem. |
Příklady připojení

Technické údaje
Schválení



Hodnoty elektrického připojení
| Zajištění | max. 6 A gG |
| Návrhové izolační napětí Ui | 50 V |
| Jmenovité impulzní napětí Uimp | 1.5 kV |
| Kategorie použití | |
| DC-13 | 6 A 24 V |
| Spínací proud | |
| Min. při 24 V DC | min. 5 mA |
| Tepelný návrhový proud Ith | 6 A |
Mechanické hodnoty a prostředí
| Anfahrgeschwindigkeit | 0.01 ... 120 m/min |
| Typ připojení | 1× konektor 16+3pól. (Vestavná zásuvka pro přenos signálů 16+3pól., ochrana proti vibracím, fa INTERCONTEC, obj. č.: A EG A 561 MR 93 00 2053 000, kontakty D = 1 mm + 1× 1,5 mm, namontovaná nalevo. Zapojení 0,5 mm² + 1× přípojka zemnění 0,75 mm²) |
| Počet spínacích jednotek | 4 |
| Počet spínacích kontaktů | 4 |
| Počet nuceně rozpínaných kontaktů | 4 |
| Provedení | Provedení k instalaci nastojato |
| Ovládací prvek | Plunžr s rolnou (Kuličková ložiska) |
| Ovládací síla | min. 25 N |
| Montážní poloha | Libovolná |
| Teplota při skladování | -25 ... 80 °C |
| Mechanická životnost | 1 x 10⁶ |
| Doba odskoku | max. 3 ms |
| Průměr rolny | 8 mm |
| Princip přepínání | Mžikový spínací člen |
| Schließzeit | max. 5 ms |
| Třída ochrany | IP67 (Jen v sešroubovaném stavu s příslušným protikonektorem) |
| Vzdálenost plunžrů | 12 mm |
| Okolní teplota | -5 ... 80 °C |
| Materiál | |
| Kontakt | Slitina stříbra, velmi tenké pozlacení |
| Pouzdro | Hliníkový tlakový odlitek eloxovaný |
Charakteristické hodnoty podle EN ISO 13849-1 a EN IEC 62061
| B10D | 2 x 10⁶ |
Různé
| Číslo C | |
| C2188 |
Ke stažení
Jednotlivé dokumenty
Pokyny
Operating instructions Precision Multiple Limit Switches SN 12/16 mm
Č. dok.
Verze
Jazyk
Velikost
Operating instructions Precision Multiple Limit Switches SN 12/16 mm
Mode d’emploi Boîtiers multipistes de précision SN 12/16 mm
Betriebsanleitung Präzisions-Reihengrenztaster SN 12/16 mm
Istruzioni di impiego Finecorsa multipli di precisione SN 12/16 mm
Mode d’emploi Boîtiers multipistes de précision SN 12/16 mm
Betriebsanleitung Präzisions-Reihengrenztaster SN 12/16 mm
Istruzioni di impiego Finecorsa multipli di precisione SN 12/16 mm
Č. dok.
2032308
Verze
10-08/24
Jazyk
Velikost
1,7 MB
Manual de instrucciones Final de carrera múltiple de precisión SN 12/16 mm
Č. dok.
2032308
Verze
10-08/24
Jazyk
Velikost
0,5 MB
Betriebsanleitung Präzisions-Reihengrenztaster SN 12/16 mm
Č. dok.
2032308
Verze
10-08/24
Jazyk
Velikost
0,5 MB
Prohlášení o shodě
EU declaration of conformity
Č. dok.
Verze
Jazyk
Velikost
EU declaration of conformity
Déclaration UE de conformité
Declaración de conformidad UE
EU-Konformitätserklärung
Dichiarazione UE di conformità
Déclaration UE de conformité
Declaración de conformidad UE
EU-Konformitätserklärung
Dichiarazione UE di conformità
Č. dok.
EDC2539628
Verze
Jazyk
Velikost
0,2 MB
EU declaration of conformity
Déclaration UE de conformité
Declaración de conformidad UE
EU-Konformitätserklärung
Dichiarazione UE di conformità
Déclaration UE de conformité
Declaración de conformidad UE
EU-Konformitätserklärung
Dichiarazione UE di conformità
Č. dok.
EDC2539628
Verze
Jazyk
Velikost
0,2 MB
UKCA-Konformitätserklärung
Č. dok.
Verze
Jazyk
Velikost
UKCA-Konformitätserklärung
Č. dok.
EDC20001551
Verze
Jazyk
Velikost
0,1 MB
Ostatní dokumenty
Prodejní doklady
Position Switches and Multiple Limit Switches
Č. dok.
Verze
Jazyk
Velikost
Position Switches and Multiple Limit Switches
Č. dok.
157836
Verze
01-03/18
Jazyk
Velikost
4,1 MB
Interrupteurs de position et boîtiers multipistes
Č. dok.
157837
Verze
01-03/18
Jazyk
Velikost
4,1 MB
Positionsschalter und Reihengrenztaster
Č. dok.
157835
Verze
01-03/18
Jazyk
Velikost
4,1 MB
Schválení a certifikáty
CCC
Č. dok.
Verze
Jazyk
Velikost
CCC
Č. dok.
20001753
Verze
Jazyk
Velikost
0,0 MB
c UL us
Č. dok.
Verze
Jazyk
Velikost
c UL us
Č. dok.
Verze
Jazyk
Velikost
0,3 MB
Objednací údaje
| Obj. č. | 100266 |
| Název výrobku | SN04R12-514-MC2188 |
| Hmotnost brutto | 0,674kg |
| Číslo celního tarifu | 85365019000 |
| ECLASS | 27-27-06-02 Multi-position switch |
+ 1 NO
