Úvodní stránkaProduktePolohové spínače a řadové koncové spínačeŘadový koncový spínač SN, provedení k instalaci nastojatoSN04X16-772L-M
Konstrukční řada SN... 16 mm indukční
- Vzdálenost iniciátorů 16 mm
- Stojací provedení pouzdra, malá příruba
- Krytí IP67 podle IEC 60529
- LED indikace

Popis
Návrhová spínací vzdálenost
Při vzdálenosti iniciátorů 16 mm činí návrhová spínací vzdálenost 5 mm.
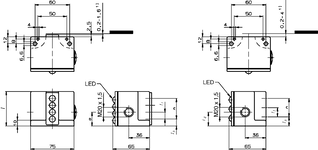
LED indikace
Spínací jednotky pro stejnosměrný a střídavý proud jsou standardně vybaveny LED indikací na spínací jednotce (žlutá). LED indikace je viditelná zvnějšku.


Rozměrové výkresy

Příklady připojení

Technické údaje
Schválení



Pracovní prostor
| Návrhová spínací vzdálenost Sn | 5 mm |
| Zajištěná spínací vzdálenost Sa | 0 ... 4 mm (Rozměr platí jen pro ocel (ST37), resp. pro ovládací vačky EUCHNER konstrukční řady UX.. / GX..) |
| Spínací hystereze | max. 0.5 mm |
| Opakovatelná přesnost R | 5 % |
Ovládací a zobrazovací prvky
| LED displej | Ano |
Hodnoty elektrického připojení
| Průřez přípojky | 0.34 ... 1.5 mm² (Šroubové svorky) |
| Druh výstupu | PNP |
| Návrhový provozní proud Ie | 250 mA |
| Návrhové izolační napětí Ui | 60 V |
| Napájecí napětí | |
| DC | 10 ... 55 V |
| Požadavky na elektromagnetickou kompatibilitu | EN IEC 60947-5-2 |
| Kategorie použití | |
| DC-12 | DC-13 (U indukčních zátěží musí být výstup chráněn nulovou diodou.) |
| Ochrana proti zkratu a přetížení, taktovaná | Ano |
| Proud naprázdno I0 | 15 |
| Zbytkový proud Ir | max. 0.001 mA |
| Zbytkové zvlnění | max. 10 % |
| Pokles napětí Ud | max. 2.5 V |
| Ochrana proti přepólování | Ano |
Mechanické hodnoty a prostředí
| Typ připojení | |
| 2× | M20 × 1,5 |
| Počet rozpínacích/spínacích kontaktů (antivalentních) | 4 |
| Počet spínacích jednotek | 4 |
| Provedení | Provedení k instalaci nastojato |
| Frekvence spínání | max. 500 Hz |
| Vzdálenost iniciátorů | 16 mm |
| Teplota při skladování | -25 ... 70 °C |
| Princip přepínání | Antivalentní |
| Třída ochrany | IP67 |
| Okolní teplota | -25 ... 70 °C |
| Materiál | |
| Pouzdro | Hliníkový tlakový odlitek |
| Aktivní plocha | PBT |
Různé
| Další informace | (Spínací jednotky se spínací vzdáleností 5 mm (vzdálenost iniciátorů 16 mm) dodáváme za účelem vyloučení vzájemného ovlivňování se dvěma různými frekvencemi oscilátoru. Řadové koncové spínače proto musejí být střídavě osazeny těmito spínacími jednotkami.) |
Ke stažení
Jednotlivé dokumenty
Prohlášení o shodě
EU declaration of conformity
Č. dok.
Verze
Jazyk
Velikost
EU declaration of conformity
Déclaration UE de conformité
Declaración de conformidad UE
EU-Konformitätserklärung
Dichiarazione UE di conformità
Déclaration UE de conformité
Declaración de conformidad UE
EU-Konformitätserklärung
Dichiarazione UE di conformità
Č. dok.
EDC2539628
Verze
Jazyk
Velikost
0,2 MB
EU declaration of conformity
Déclaration UE de conformité
Declaración de conformidad UE
EU-Konformitätserklärung
Dichiarazione UE di conformità
Déclaration UE de conformité
Declaración de conformidad UE
EU-Konformitätserklärung
Dichiarazione UE di conformità
Č. dok.
EDC2539628
Verze
Jazyk
Velikost
0,2 MB
EU-Konformitätserklärung
Č. dok.
Verze
Jazyk
Velikost
EU-Konformitätserklärung
Č. dok.
EDC2077158
Verze
Jazyk
Velikost
0,1 MB
Ostatní dokumenty
Prodejní doklady
Position Switches and Multiple Limit Switches
Č. dok.
Verze
Jazyk
Velikost
Position Switches and Multiple Limit Switches
Č. dok.
157836
Verze
01-03/18
Jazyk
Velikost
4,1 MB
Interrupteurs de position et boîtiers multipistes
Č. dok.
157837
Verze
01-03/18
Jazyk
Velikost
4,1 MB
Positionsschalter und Reihengrenztaster
Č. dok.
157835
Verze
01-03/18
Jazyk
Velikost
4,1 MB
Schválení a certifikáty
CCC
Č. dok.
Verze
Jazyk
Velikost
CCC
Č. dok.
20001753
Verze
Jazyk
Velikost
0,0 MB
c UL us
Č. dok.
Verze
Jazyk
Velikost
c UL us
Č. dok.
Verze
Jazyk
Velikost
0,3 MB
CAD-Data
Objednací údaje
| Obj. č. | 088414 |
| Název výrobku | SN04X16-772L-M |
| Hmotnost brutto | 0,5kg |
| Číslo celního tarifu | 85365019000 |
| ECLASS | 27-27-06-02 Multi-position switch |
