ZSM, LED
- 3stupňová funkce
- LED indikace
- Spirálový připojovací kabel, 5 m

Popis
3stupňová funkce
Potvrzovací funkce je aktivní jen na druhém stupni (středová poloha, tlakový bod). Uvolněním nebo stisknutím za tlakový bod (panická funkce) se potvrzovací funkce zruší (v závislosti na zapojení, viz průběh funkcí).
LED indikace
LED indikace zajišťuje vizuální zpětné hlášení přímo na potvrzovacím tlačítku.
Kabel
Kvalitní připojovací kabely jsou k dispozici ve spirálovém provedení.




Rozměrové výkresy

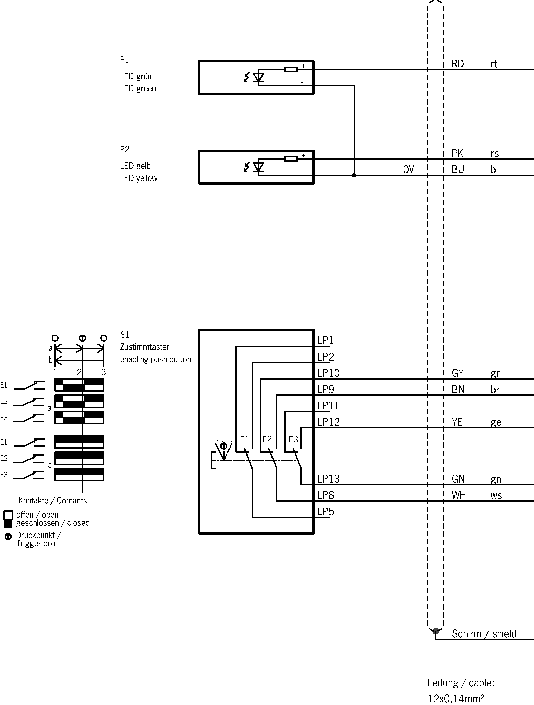
Příklady připojení

Příklady připojení

Příklady připojení

Technické údaje
Schválení


Ovládací a zobrazovací prvky
| Poloha | Barva | Doplňky | Vkládací štítek | Provedení | Spínací jednotka | Vkládací štítek | Počet | Označení1 | LED |
|---|---|---|---|---|---|---|---|---|---|
| Zelená | LED | 1 | |||||||
| Žlutá | LED | 1 |
Hodnoty elektrického připojení
| Zajištění | max. 2 A gG |
| Připojovací kabel | 12× 0,14 mm² (Stíněný) |
| Podmíněný návrhový zkratový proud | 100 A |
| Návrhové izolační napětí Ui | 50 V |
| Jmenovité impulzní napětí Uimp | 0.5 kV |
| Kategorie použití | |
| DC-13 | 30 V, 0,1 A (Pro potvrzovací tlačítko, varování: Při indukční zátěži musejí být výstupy chráněny nulovou diodou) |
| DC-13 | 24 V, 0,01 A (Pro dodatečné indikační prvky) |
| Spínací charakteristika | 3stupňové potvrzovací tlačítko |
| Stupeň znečištění (externí, podle EN 60947-1) | 3 |
Mechanické hodnoty a prostředí
| Typ připojení | Volný konec kabelu |
| Počet přepínacích kontaktů | 3 (Propojení podle blokového schématu zapojení) |
| Teplota při skladování | -25 ... 70 °C |
| Délka kabelu | |
| Spirálový, krátký přímý úsek kabelu na ZS | 5 m |
| Mechanická životnost | 1 x 10⁶ |
| Princip přepínání | Mžikový spínač |
| Třída ochrany | IP54 |
| Okolní teplota | -5 ... 60 °C |
| Materiál | PA, CR, TPE (Nízký obsah PAU) |
Charakteristické hodnoty podle EN ISO 13849-1 a EN IEC 62061
| Potvrzovací tlačítko | |
| B10D | 0.1 x 10⁶ |
Různé
| Splněné normy | 60947-5-8 |
Příslušenství
Ke stažení
Jednotlivé dokumenty
Pokyny
Návod k použití Potvrzovací tlačítka ZSM
Č. dok.
Verze
Jazyk
Velikost
Návod k použití Potvrzovací tlačítka ZSM
Č. dok.
2098540
Verze
07-12/23
Jazyk
Velikost
0,5 MB
Operating Instructions Enabling Switch ZSM
Mode d’emploi Commande d’assentiment ZSM
Manual de instrucciones Pulsador de validación ZSM
Betriebsanleitung Zustimmtaster ZSM
Mode d’emploi Commande d’assentiment ZSM
Manual de instrucciones Pulsador de validación ZSM
Betriebsanleitung Zustimmtaster ZSM
Č. dok.
2098540
Verze
07-12/23
Jazyk
Velikost
1,2 MB
Betriebsanleitung Zustimmtaster ZSM
Č. dok.
2098540
Verze
07-12/23
Jazyk
Velikost
0,3 MB
Manual de instruções Chave enable ZSM
Č. dok.
2098540
Verze
07-12/23
Jazyk
Velikost
0,3 MB
Istruzioni di impiego Pulsanti di consenso ZSM
Č. dok.
2098540
Verze
07-12/23
Jazyk
Velikost
0,3 MB
Instrucțiuni de utilizare Butoane de activare ZSM
Č. dok.
2098540
Verze
07-12/23
Jazyk
Velikost
0,5 MB
Prohlášení o shodě
EU-Konformitätserklärung
Č. dok.
Verze
Jazyk
Velikost
EU-Konformitätserklärung
Č. dok.
EDC2109392
Verze
Jazyk
Velikost
0,2 MB
UKCA-Konformitätserklärung
Č. dok.
Verze
Jazyk
Velikost
UKCA-Konformitätserklärung
Č. dok.
EDC20001579
Verze
Jazyk
Velikost
0,1 MB
Ostatní dokumenty
Prodejní doklady
Commandes d’Assentiment ZS
Č. dok.
Verze
Jazyk
Velikost
Commandes d’Assentiment ZS
Č. dok.
097367
Verze
09-02/21
Jazyk
Velikost
10,2 MB
Enabling switches ZS
Č. dok.
Verze
Jazyk
Velikost
Enabling switches ZS
Č. dok.
095690
Verze
09-02/21
Jazyk
Velikost
10,1 MB
Zustimmtaster ZS
Č. dok.
Verze
Jazyk
Velikost
Zustimmtaster ZS
Č. dok.
095689
Verze
09-02/21
Jazyk
Velikost
10,2 MB
Schválení a certifikáty
c UL us
Č. dok.
Verze
Jazyk
Velikost
c UL us
Č. dok.
Verze
Jazyk
Velikost
0,2 MB
Objednací údaje
| Obj. č. | 111871 |
| Název výrobku | ZSM2300-111871 |
| Hmotnost brutto | 0,849kg |
| Číslo celního tarifu | 85371098 |
| ECLASS | 27-37-12-38 Agreement switch |



