Actuator for bolt for safety switch CTP/CTA
- Version suitable for bolt
- Straight actuator
- Two safety screws included

Description
Straight actuator
The straight actuator is used for bolts. Safety screws prevent unscrewing of the actuators.
The safety screws included can be inserted with a normal tool, but cannot be removed again.


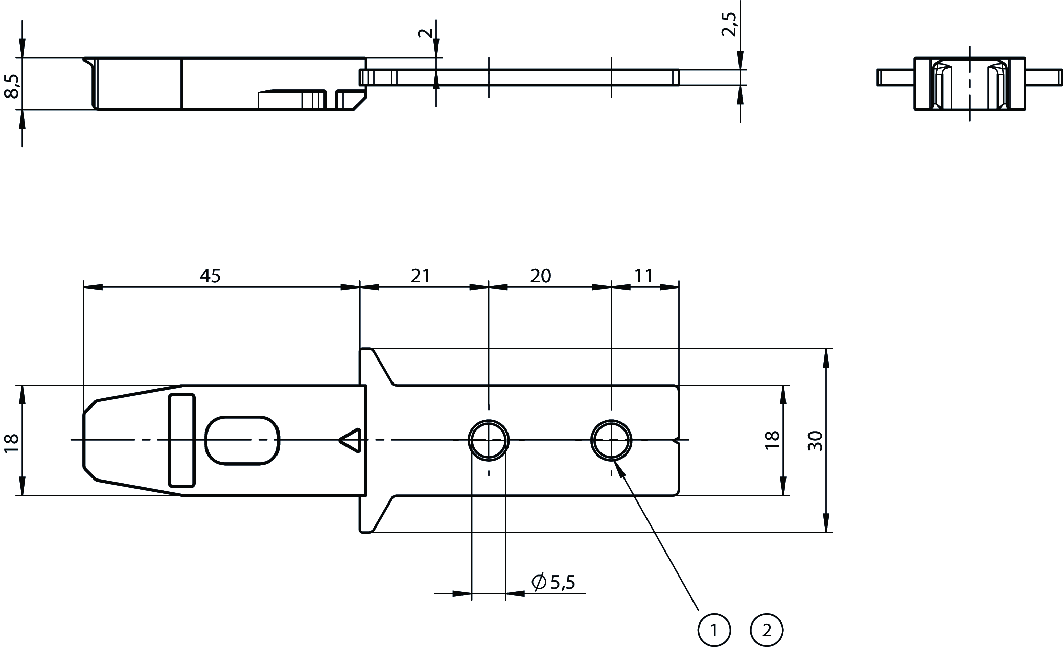
Dimensional drawings

| 1 | 2x non-removable screws M5 included |
| 2 | Actuator must not be used for guiding or as an end stop. Safety switch and actuator must be placed together for mounting on the machine. |
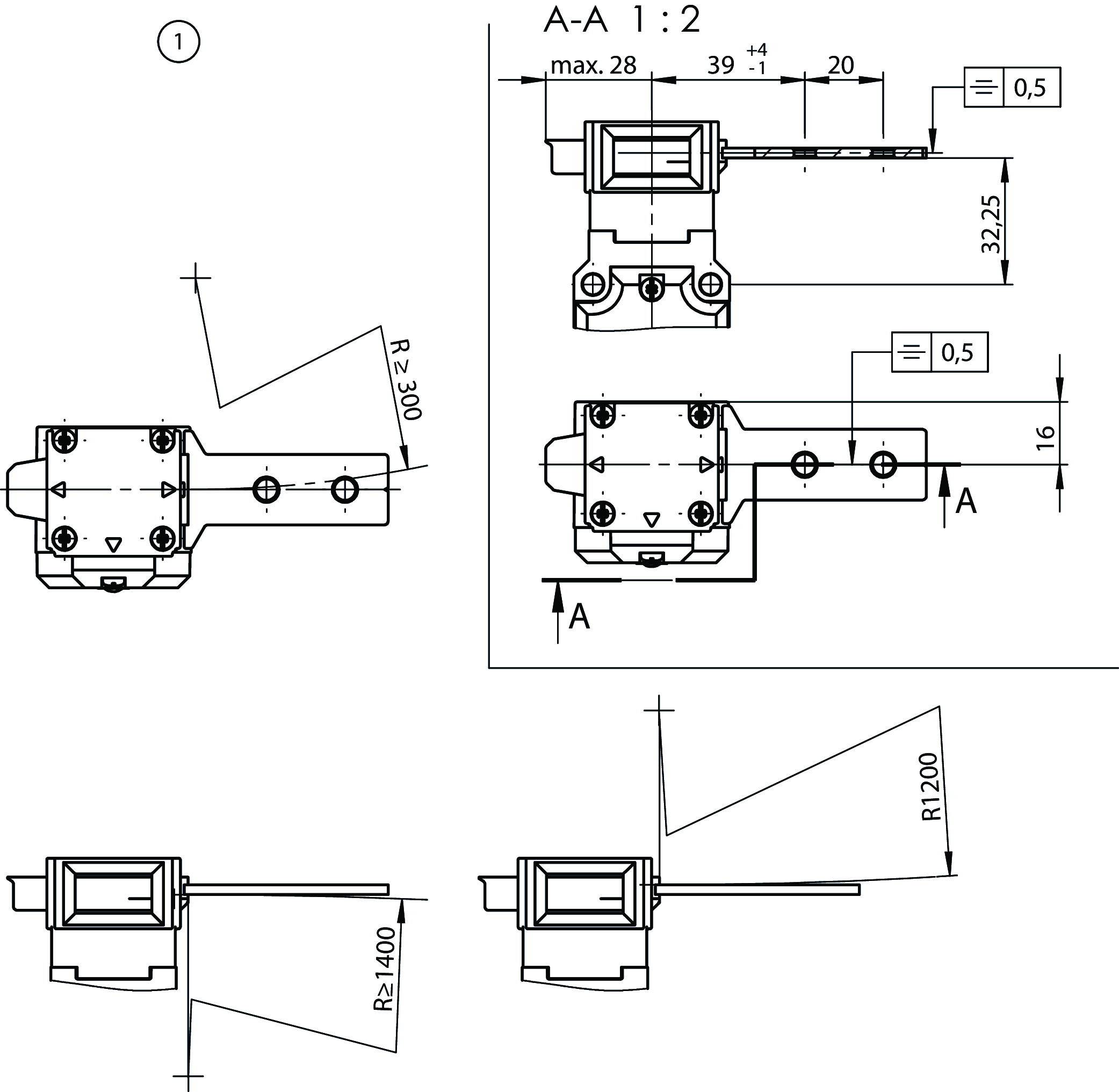
Dimensional drawings

| 1 | minimum door radii |
Technical data
Approvals

Electrical connection values
| Power supply | Inductive via read head |
Mechanical values and environment
| Storage temperature | -25 ... 70 °C |
| Mechanical life | 1 x 10⁶ |
| Overtravel | 5 mm |
| Degree of protection | IP67/IP69 |
| Ambient temperature | -20 ... 55 °C |
| Material | |
| Mounting | Stainless steel |
| Encapsulation | fiber reinforced plastic, red |
| Locking force Fmax | 3900 N |
| Locking force FZh | 3000 N (Fzh=Fmax/1.3) |
Accessories
Downloads
Approvals and certificates
c UL us
Doc. no.
Version
Language
Size
c UL us
Doc. no.
Version
Language
Size
0,3 MB
Sales documents
Ordering data
| Ordernumber | 122677 |
| Item designation | A-C-H-G-LS-122677 |
| Gross weight | 0,04kg |
| Customs tariff number | 85389099990 |
| ECLASS | 27-27-24-04 Betätiger für sicherheitsgerichteten Näherungsschalter |