STA3A-2131A024L024BHA10C2398 (Order no. 119366)

Safety switch STA, plug connector BHA (MR10), contacts for the door position, escape release

  • Plug connector BHA (MR10)
  • Contacts for the door position
  • Auxiliary release
  • Escape release, long
  • LED indicator
  • Closed-circuit current principle
STA3A-2131A024L024BHA10C2398 (Order no. 119366)

Description

Approach direction

Horizontal and vertical

Can be adjusted in 90° steps

Increased overtravel for horizontal approach direction

If increased play is required when the door is closed, an actuator with overtravel is available. With this actuator the door can move slightly in the actuating direction when closed. This is important, for example, if safety doors have a rubber end stop. Using an actuator with overtravel, the continuous pressure from the compressed rubber can be reduced. In this way the load is reduced on the switch head and the door mechanism.

LED indicator

The switch has two freely assignable LED indicators (red and green).

Guard locking principle

Power to unlock: On a guard with guard locking based on the closed-circuit current principle, the guard is locked by spring force until the guard locking solenoid is supplied with power. Unlocking is by solenoid force. The term mechanical guard locking is also used.

Switching element

2131

Slow-action switching contact

Contacts for guard locking: 2 positively driven contacts + 1 NO contact

Contacts for door monitoring: 1 NC contact

Auxiliary release

The auxiliary release on the front makes it possible to access the machine if there is a malfunction, e.g. a power failure. Unlocking is performed using a tool or a key. The auxiliary release must be protected against misuse (sealing, lacquer).

Escape release

This is used for manual release of guard locking from the danger zone without tools.

Accessories required

Actuator is not included.

Function drawing<br>Switching function
Function drawing
Switching function
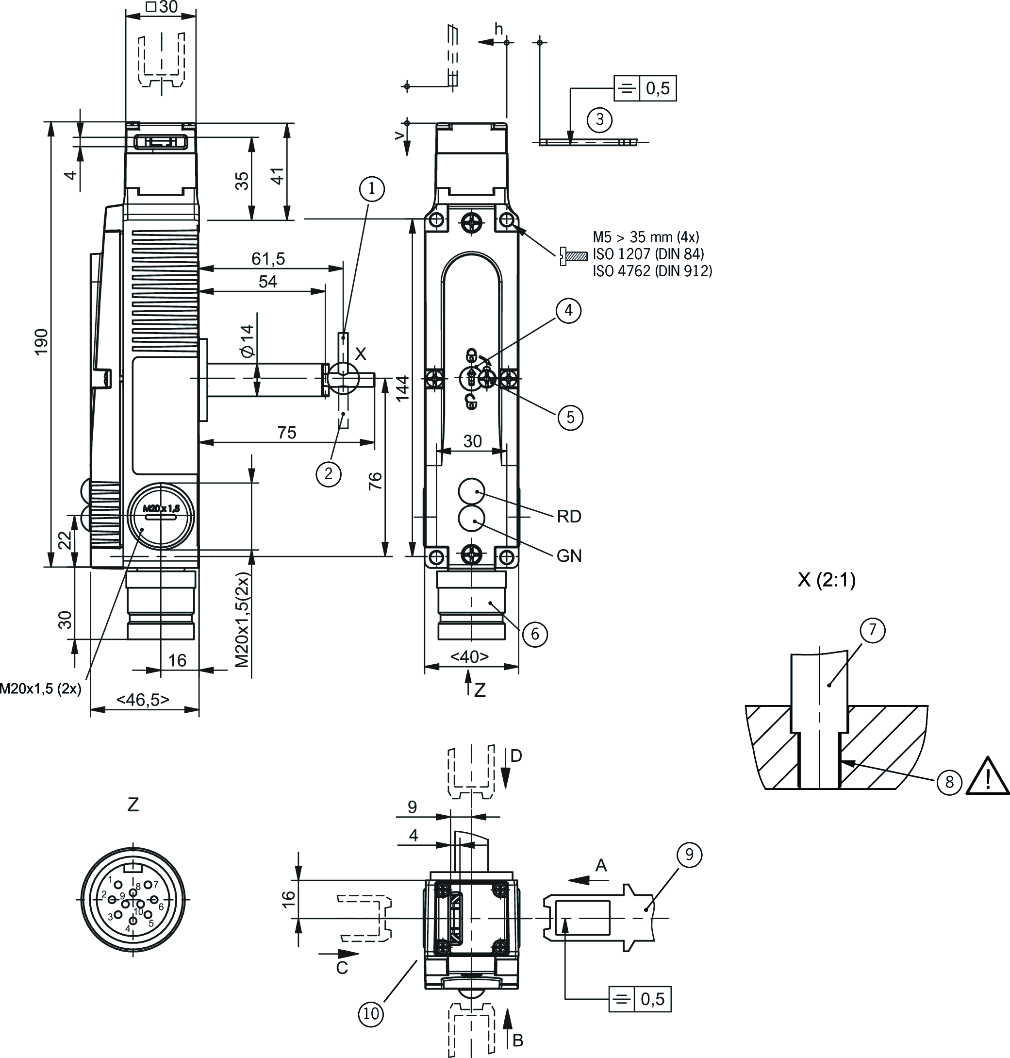
Dimension drawing
Dimension drawing
Wiring diagram<br>Wiring diagram 2131 C2398
Wiring diagram
Wiring diagram 2131 C2398
Electromechanical safety switches in use

Functional drawings

Functional drawings

Dimensional drawings

Dimensional drawings
1Escape release, basic position
10Actuating direction: After the fixing screws are unscrewed, the actuating head can be changed to the required approach direction.
2Escape release, unlocked position
3Safety switch and actuator must be placed together for mounting on the machine. Do not use actuating head as an end stop.
4Auxiliary release
5Locking screw
6Built-in connector: MIN-10MR-1-18-M20 not aligned
7Always install the escape release lever on the recessed side
8Establish a positive connection between the shaft and lever
9Order actuator separately

Connection examples

Connection examples

Technical data

Approvals

EAC_RU C-DE.MO05.B.00971/20DGUV_ET 21013_ET 21014CCC2024010305643586_SafetySwitch T_STc_UL_us_E155795_2/4

Electrical connection values

Fuse max. 4 A gG
Power consumption 8 W
Display module 24 V -15% ... +10%
Rated insulation voltage Ui 50 V
Rated impulse voltage Uimp 2.5 kV
Utilization category
AC-15 4 A 50 V
DC-13 4 A 24 V
Solenoid operating voltage
AC/DC 24 V -15% ... +10%
Solenoid duty cycle 100 %
Switching voltage
min. at 10 mA 12 V
Switching current
min. at 24 V 1 mA
thermal rated current Ith 4 A

Mechanical values and environment

Anfahrgeschwindigkeit max. 20 m/min
Approach direction A
Connection type
1 x Built-in connector BHA10 (9-pin + PE)
Number of door position NC contacts 1
Number of guard lock monitoring NO contacts 1
Number of guard lock monitoring positively driven contacts 2
Extraction force 30 N
Actuation frequency max. 1200 1/h
Actuating force 35 N
Installation orientation any
Insertion depth 24.5 mm
Storage temperature -25 ... 70 °C
Mechanical life 1 x 10⁶
Retention force 20 N
Switching principle Slow-action switching contact
Degree of protection IP65
Ambient temperature -20 ... 70 °C
Material
Housing Alloy - die-cast
Contact Silver alloy, gold flashed
Locking force Fmax 3000 N
Locking force FZh 2300 N
Guard locking principle Closed-circuit current principle

Characteristic values according to EN ISO 13849-1 and EN IEC 62061

B10DMission time
Monitoring of guard locking1.15x10720 y
Important! Values valid at DC-13 100 mA/24V


PLMaximum SILCategoryMission time
Control of guard lockingDepending on external control of guard locking20 y


Miscellaneous

C number
C2398 Special wiring, escape release long

In combination with actuator ACTUATOR-S-GT-SN

Overtravel 5 mm

Accessories

Downloads

Single Documents

Other Documents

Ordering data

Ordernumber 119366
Item designation STA3A-2131A024L024BHA10C2398
Gross weight 0,78kg
Customs tariff number 85365019000
ECLASS 27-27-26-03 Sicherheitsschalter mit Zuhaltung