STP safety switch TWIN, cable entry M20 x 1.5, contacts for door position
- TWIN function (two actuating heads)
- 3 x cable entry M20 x 1.5
- Contacts for the door position
- Auxiliary release
- Auxiliary key release
- Open-circuit current principle

Description
Approach direction
Horizontal and vertical
Can be adjusted in 90° steps
Increased overtravel for horizontal approach direction
If increased play is required when the door is closed, an actuator with overtravel is available. With this actuator the door can move slightly in the actuating direction when closed. This is important, for example, if safety doors have a rubber end stop. Using an actuator with overtravel, the continuous pressure from the compressed rubber can be reduced. In this way the load is reduced on the switch head and the door mechanism.
Guard locking principle
Open-circuit current (power on to lock): On a guard with guard locking based on the open-circuit current principle, the guard is locked until the power supply to the guard locking solenoid is interrupted. Unlocking is by spring force. The term electrical guard locking is also used.
Switching element
2131 | Slow-action switching contact |
Contacts for guard locking: 2 positively driven contacts | |
Contacts for door monitoring: 1 NC contact |
Auxiliary release
The auxiliary release on the front makes it possible to access the machine if there is a malfunction, e.g. a power failure. Unlocking is performed using a tool or a key. The auxiliary release must be protected against misuse (sealing, lacquer).
Auxiliary key release
Additional lock on the switch head. Same function as auxiliary release. The position of the mechanical key release is displayed in the viewing window.
Scope of delivery
Two keys for mechanical key release are included in the scope of delivery.
Accessories required
Actuator is not included.

Switching function


Wiring diagram 2131

Functional drawings

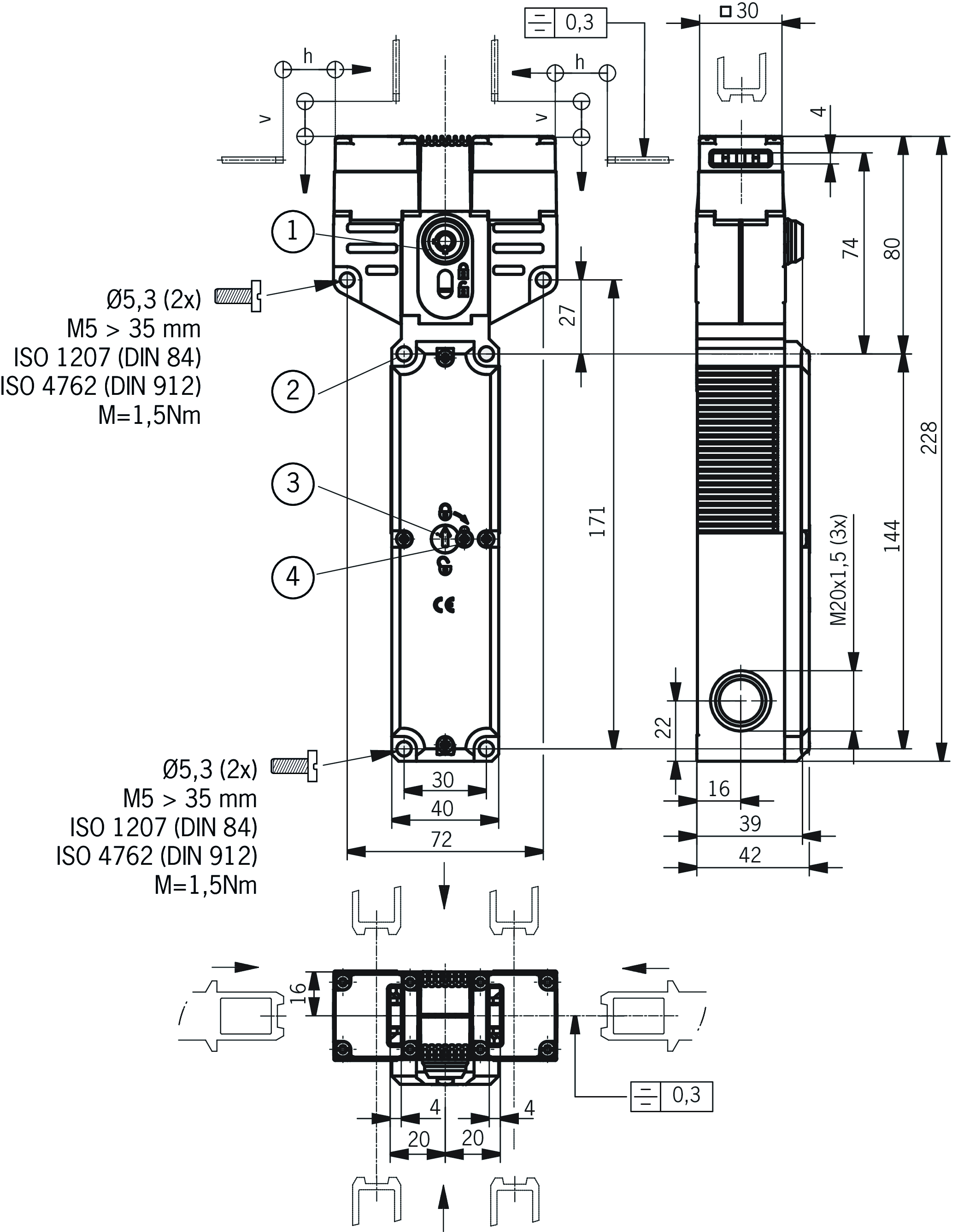
Dimensional drawings

| 1 | Auxiliary key release (identical locking) |
| 2 | Do not screw tight here (2x) |
| 3 | Auxiliary release |
| 4 | Locking screw |
Connection examples

| square_grey_dark.eps | Door monitoring |
| square_grey_light.eps | Solenoid monitoring |
Technical data
Approvals



Electrical connection values
| Fuse | max. 4 A gG |
| Power consumption | 8 W |
| Connection cross section | 0.34 ... 1.5 mm² |
| Rated insulation voltage Ui | 250 V |
| Rated impulse voltage Uimp | 2.5 kV |
| Utilization category | |
| AC-15 | 4 A 230 V |
| DC-13 | 4 A 24 V |
| Solenoid operating voltage | |
| AC/DC | 24 V -15% ... +10% |
| Solenoid duty cycle | 100 % |
| Switching voltage | |
| min. at 10 mA | 12 V |
| Switching current | |
| min. at 24 V | 1 mA |
| thermal rated current Ith | 4 A |
Mechanical values and environment
| Anfahrgeschwindigkeit | max. 20 m/min |
| Approach direction | A and C (two actuating heads) |
| Connection type | |
| 3 x | M20 x 1.5 |
| Number of door position NC contacts | 1 |
| Number of guard lock monitoring NO contacts | 1 |
| Number of guard lock monitoring positively driven contacts | 2 |
| Extraction force | 30 N |
| Actuation frequency | max. 1200 1/h |
| Actuating force | 35 N |
| Installation orientation | any |
| Insertion depth | 24.5 mm |
| Storage temperature | -25 ... 70 °C |
| Mechanical life | 1 x 10⁶ |
| Retention force | 20 N |
| Switching principle | Slow-action switching contact |
| Degree of protection | IP67 |
| Ambient temperature | -20 ... 55 °C |
| Material | |
| Contact | Silver alloy, gold flashed |
| Housing | Reinforced thermoplastic |
| Locking force Fmax | 2500 N |
| Locking force FZh | 2000 N |
| Guard locking principle | Open-circuit current principle |
Characteristic values according to EN ISO 13849-1 and EN IEC 62061
| B10D | Mission time | |
|---|---|---|
| Monitoring of guard locking | 4.5x106 | 20 y |
| Important! Values valid at DC-13 100 mA/24V | ||
Miscellaneous
| Additional feature | with auxiliary key release (identical locking) |
In combination with actuator ACTUATOR-S-GT-SN
| Overtravel | 5 mm |
Accessories

AE-K-A1-DULK1-84177
- Lock unique locking
- Key removable in “unlocked” and “locked” positions

AE-K-A1-IULK1-86236
- Identical locking
- Key removable in “unlocked” and “locked” positions

AE-K-A1-IUK2-109212
- Identical locking
- Key can be removed only in “unlocked” position

AE-K-A1-ILK1-121917
- Identical locking
- Key removable in “locked” position
AE-B-A1-02,0-096230
- Can be used as escape release or emergency release
- no automatic return
- Sheath length 2 m (rope length 6 m)
AE-B-A1-02,0-F-097747
- Can be used as escape release or emergency release
- automatic return
- Sheath length 2 m (rope length 6 m)
AE-B-A1-03,0-098313
- Can be used as escape release or emergency release
- no automatic return
- Sheath length 3 m (rope length 6 m)
AE-B-A1-04,0-098314
- Can be used as escape release or emergency release
- no automatic return
- Sheath length 4 m (rope length 6 m)
AE-B-A1-03,0-F-111233
- Can be used as escape release or emergency release
- automatic return
- Sheath length 3 m (rope length 6 m)
AE-B-A1-06,0-125582
- Can be used as escape release or emergency release
- no automatic return
- Rope length 6 m (without sheath)
AE-B-A1-06,0-F-124770
- Can be used as escape release or emergency release
- automatic return
- Rope length 6 m (without sheath)
Downloads
Single Documents
Déclaration UE de conformité
Declaración de conformidad UE
EU-Konformitätserklärung
Dichiarazione UE di conformità
Déclaration UE de conformité
Declaración de conformidad UE
EU-Konformitätserklärung
Dichiarazione UE di conformità
Other Documents
Ordering data
| Ordernumber | 100850 |
| Item designation | STP-TW-4A-2131AC024M-S1 |
| Gross weight | 0,697kg |
| Customs tariff number | 85365019000 |
| ECLASS | 27-27-26-03 Sicherheitsschalter mit Zuhaltung |
+ 1 NO contact












