HomeProdukteElectromechanical safety switches with guard lockingSTP plastic switch with metal headSTP3A-2131A024MC1743
Safety switch STP with door monitoring contact, escape release
- Actuating head made of metal
- Escape release on the rear side
- With door monitoring contact

Description
Solenoid operating voltage
- AC/DC 24 V +10%, -15%
Guard locking type
STP3 | Closed-circuit current principle, guard locking by spring force. Release by applying voltage to the guard locking solenoid. |
Switching element
2131 | Slow-action switching contact 2 NC |
Escape release (C1743, short actuator shaft)
This is used for manual release of guard locking from the danger zone without tools. With identification of On/Off position.

Switching function


Wiring diagram 2131

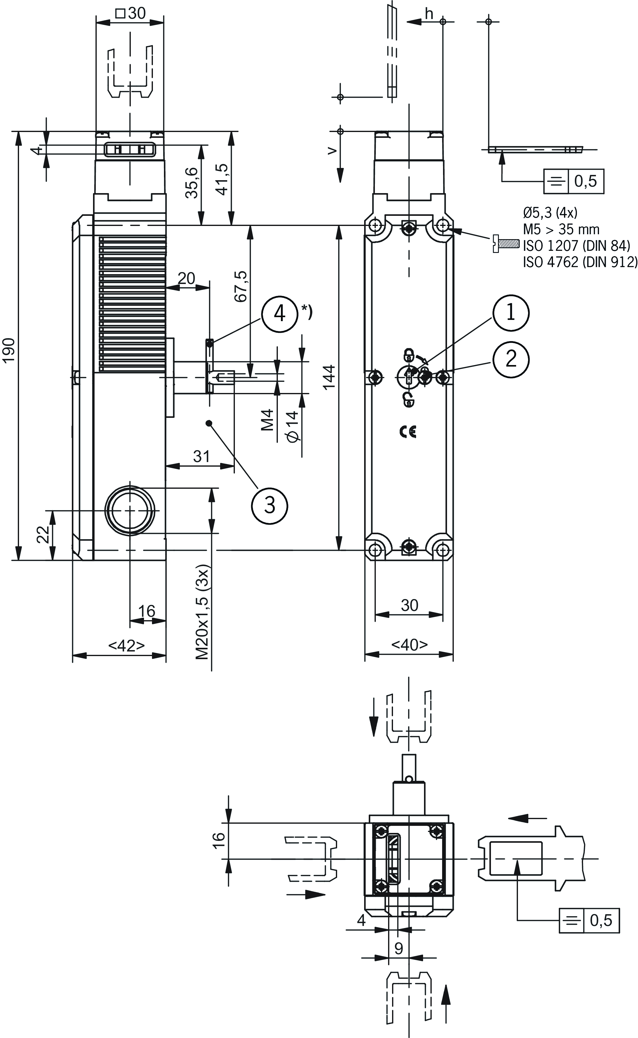
Functional drawings

Dimensional drawings

| *) | Basic position = ready to lock, unlock by turning by 180° (actuator must not be under tensile load) |
| 1 | Auxiliary release |
| 2 | Locking screw |
| 3 | Unlocked |
| 4 | Escape release (basic position) *) |
Connection examples

| square_grey_dark.eps | Door monitoring |
| square_grey_light.eps | Solenoid monitoring |
Technical data
Approvals



Electrical connection values
| Fuse | max. 4 A gG |
| Power consumption | 8 W |
| Connection cross section | 0.34 ... 1.5 mm² |
| Rated insulation voltage Ui | 50 V |
| Rated impulse voltage Uimp | 2.5 kV |
| Utilization category | |
| DC-13 | 4 A 24 V |
| AC-15 | 4 A 50 V |
| Solenoid operating voltage | |
| AC/DC | 24 V -15% ... +10% |
| Solenoid duty cycle | 100 % |
| Switching voltage | |
| min. at 10 mA | 12 V |
| Switching current | |
| min. at 24 V | 1 mA |
| thermal rated current Ith | 4 A |
Mechanical values and environment
| Anfahrgeschwindigkeit | max. 20 m/min |
| Approach direction | A |
| Connection type | |
| 3 x | M20 x 1.5 |
| Number of door position NC contacts | 1 |
| Number of guard lock monitoring NO contacts | 1 |
| Number of guard lock monitoring positively driven contacts | 2 |
| Extraction force | 30 N |
| Actuation frequency | max. 1200 1/h |
| Actuating force | 35 N |
| Installation orientation | any |
| Insertion depth | 24.5 mm |
| Storage temperature | -25 ... 70 °C |
| Mechanical life | 1 x 10⁶ |
| Retention force | 20 N |
| Switching principle | Slow-action switching contact |
| Degree of protection | IP67 |
| Ambient temperature | -20 ... 55 °C |
| Material | |
| Housing | Reinforced thermoplastic |
| Contact | Silver alloy, gold flashed |
| Locking force Fmax | 2500 N |
| Locking force FZh | 2000 N |
| Guard locking principle | Closed-circuit current principle |
Characteristic values according to EN ISO 13849-1 and EN IEC 62061
| B10D | Mission time | |
|---|---|---|
| Monitoring of guard locking | 5x106 | 20 y |
| Important! Values valid at DC-13 100 mA/24V | ||
| PL | Maximum SIL | Category | Mission time | |
|---|---|---|---|---|
| Control of guard locking | Depending on external control of guard locking | 20 y | ||
Miscellaneous
| C number | |
| C1743 | Escape release short |
In combination with actuator ACTUATOR-S-GT-SN
| Overtravel | 5 mm |
Accessories
Actuator
Function expansion
Lock for auxiliary release for safety switch CTP/CTA/TP/STP

084177
AE-K-A1-DULK1-84177
AE-K-A1-DULK1-84177
- Lock unique locking
- Key removable in “unlocked” and “locked” positions

086236
AE-K-A1-IULK1-86236
AE-K-A1-IULK1-86236
- Identical locking
- Key removable in “unlocked” and “locked” positions

109212
AE-K-A1-IUK2-109212
AE-K-A1-IUK2-109212
- Identical locking
- Key can be removed only in “unlocked” position

121917
AE-K-A1-ILK1-121917
AE-K-A1-ILK1-121917
- Identical locking
- Key removable in “locked” position
Wire front release (bowden)
096230
AE-B-A1-02,0-096230
AE-B-A1-02,0-096230
- Can be used as escape release or emergency release
- no automatic return
- Sheath length 2 m (rope length 6 m)
097747
AE-B-A1-02,0-F-097747
AE-B-A1-02,0-F-097747
- Can be used as escape release or emergency release
- automatic return
- Sheath length 2 m (rope length 6 m)
098313
AE-B-A1-03,0-098313
AE-B-A1-03,0-098313
- Can be used as escape release or emergency release
- no automatic return
- Sheath length 3 m (rope length 6 m)
098314
AE-B-A1-04,0-098314
AE-B-A1-04,0-098314
- Can be used as escape release or emergency release
- no automatic return
- Sheath length 4 m (rope length 6 m)
111233
AE-B-A1-03,0-F-111233
AE-B-A1-03,0-F-111233
- Can be used as escape release or emergency release
- automatic return
- Sheath length 3 m (rope length 6 m)
125582
AE-B-A1-06,0-125582
AE-B-A1-06,0-125582
- Can be used as escape release or emergency release
- no automatic return
- Rope length 6 m (without sheath)
124770
AE-B-A1-06,0-F-124770
AE-B-A1-06,0-F-124770
- Can be used as escape release or emergency release
- automatic return
- Rope length 6 m (without sheath)
Metal bolt
Downloads
Single Documents
Declarations of conformity
EU declaration of conformity
Doc. no.
Version
Language
Size
EU declaration of conformity
Déclaration UE de conformité
Declaración de conformidad UE
EU-Konformitätserklärung
Dichiarazione UE di conformità
Déclaration UE de conformité
Declaración de conformidad UE
EU-Konformitätserklärung
Dichiarazione UE di conformità
Doc. no.
EDC2539628
Version
Language
Size
0,2 MB
EU declaration of conformity
Déclaration UE de conformité
Declaración de conformidad UE
EU-Konformitätserklärung
Dichiarazione UE di conformità
Déclaration UE de conformité
Declaración de conformidad UE
EU-Konformitätserklärung
Dichiarazione UE di conformità
Doc. no.
EDC2539628
Version
Language
Size
0,2 MB
UKCA-Konformitätserklärung
Doc. no.
Version
Language
Size
UKCA-Konformitätserklärung
Doc. no.
EDC20001551
Version
Language
Size
0,1 MB
Instructions
Operating Instructions Safety Switch STP…
Doc. no.
Version
Language
Size
Operating Instructions Safety Switch STP…
Doc. no.
2095803
Version
04/25
Language
Size
1,9 MB
Mode d’emploi Interrupteur de sécurité STP…
Doc. no.
2095803
Version
04/25
Language
Size
1,9 MB
Manual de instrucciones Interruptor de seguridad STP…
Doc. no.
2095803
Version
04/25
Language
Size
1,9 MB
Betriebsanleitung Sicherheitsschalter STP…
Doc. no.
2095803
Version
04/25
Language
Size
1,9 MB
Istruzioni di impiego Finecorsa di sicurezza STP…
Doc. no.
2095803
Version
04/25
Language
Size
1,9 MB
Инструкция по эксплуатации Предохранительный выключатель STP…
Doc. no.
2095803
Version
04/25
Language
Size
2,4 MB
İşletim kılavuzu Emniyet şalteri STP…
Doc. no.
2095803
Version
04/25
Language
Size
2,3 MB
Other Documents
Approvals and certificates
AUCOTEAM
Doc. no.
Version
Language
Size
AUCOTEAM
Doc. no.
Version
Language
Size
1,6 MB
CCC
Doc. no.
Version
Language
Size
CCC
Doc. no.
20001753
Version
Language
Size
0,0 MB
c UL us
Doc. no.
Version
Language
Size
c UL us
Doc. no.
Version
Language
Size
0,3 MB
Sales documents
Safety Switches with Plastic Housing
Doc. no.
Version
Language
Size
Safety Switches with Plastic Housing
Doc. no.
096956
Version
11-03/18
Language
Size
6,5 MB
Interrupteurs de sécurité avec boîtier plastique
Doc. no.
100677
Version
11-03/18
Language
Size
6,6 MB
Interruptores de seguridad con carcasa plástica
Doc. no.
104855
Version
11-03/18
Language
Size
6,6 MB
Sicherheitsschalter mit Kunststoffgehäuse
Doc. no.
096955
Version
11-03/18
Language
Size
6,6 MB
塑料壳体 的安全开关
Doc. no.
116243
Version
11-03/18
Language
Size
6,1 MB
Bezpečnostní spínače s plastovým pouzdrem
Doc. no.
121649
Version
11-03/18
Language
Size
6,5 MB
Ordering data
| Ordernumber | 111064 |
| Item designation | STP3A-2131A024MC1743 |
| Gross weight | 0,523kg |
| Customs tariff number | 85365019000 |
| ECLASS | 27-27-26-03 Sicherheitsschalter mit Zuhaltung |
+ 1 NO + 1 NC (door monitoring contact)
























