HomeProdukteElectromechanical safety switches without guard lockingNZ.VZ robust safety switchNZ1VZ-528EL220-M
Safety switch NZ.VZ, cable entry M20 x 1.5
- Cable entry M20 x 1.5
- 1 pos. driven contact
- 1 NO contacts
- LED indicator

Description
LED indicator
The switch has one freely assignable LED indicator.
Switching element
528H | Slow-action switching contact 1 positively driven contact |
Accessories required
Actuator is not included.

Switching function


Wiring diagram 511

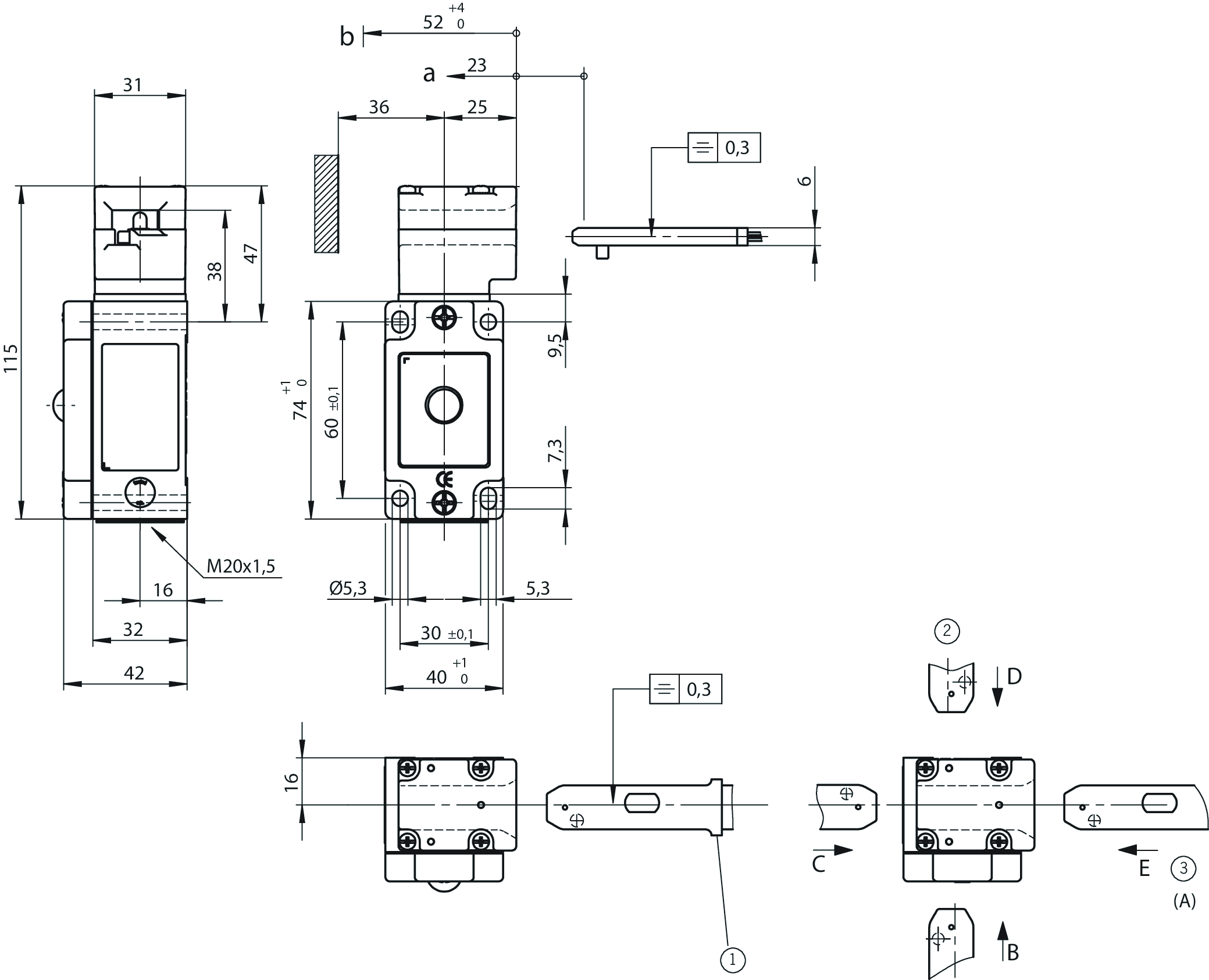
Functional drawings

Dimensional drawings

| 1 | Do not use as an end stop. Limit overtravel separately. |
| 2 | Actuating direction can be changed |
| 3 | Standard |
| a | Travel without operation: actuator is in the guide slot, but function is not triggered. |
| b | Switching operation completed: actuator must be inserted to this point to ensure safe switching. The actuator must be withdrawn at least to point a for switching off. |
Connection examples

Technical data
Approvals





Electrical connection values
| Fuse | max. 4 A gG |
| Connection cross section | 0.34 ... 0.75 mm² |
| Display module | |
| AC | 230 V (red) |
| Rated insulation voltage Ui | 250 V |
| Rated impulse voltage Uimp | 2.5 kV |
| Utilization category | |
| AC-15 | 4 A 230 V |
| DC-13 | 4 A 24 V |
| Switching voltage | |
| min. at 10 mA | 12 V |
| Switching current | |
| min. at 24 V | 1 mA |
| thermal rated current Ith | 4 A |
Mechanical values and environment
| Anfahrgeschwindigkeit | max. 20 m/min |
| Approach direction | A |
| Connection type | |
| 1 x | M20 x 1.5 |
| Number of door position NO contacts | 1 |
| Number of door position positively driven contacts | 1 |
| Extraction force | 35 N |
| Actuation frequency | max. 1200 1/h |
| Actuating force | 35 N |
| Installation orientation | any |
| Insertion depth | 52 mm |
| Storage temperature | -25 ... 80 °C |
| Mechanical life | 2 x 10⁶ |
| Retention force | 8 N |
| Switching principle | Slow-action switching contact |
| Degree of protection | IP67 |
| Ambient temperature | -25 ... 80 °C |
| Material | |
| Housing | Anodized die-cast alloy |
| Contact | Silver alloy, gold flashed |
Characteristic values according to EN ISO 13849-1 and EN IEC 62061
| B10D | Mission time | |
|---|---|---|
| Monitoring of the guard position | 4.5x106 | 20 y |
| Important! Values valid at DC-13 100 mA/24V | ||
In combination with actuator ACTUATOR-Z-G
| Overtravel | 4 mm |
In combination with actuator ACTUATOR-Z-GN
| Overtravel | 16 mm |
Accessories
Actuator
Actuator for safety switches NZ.VZ, NZ.VZ.VS and TZ

016849
BETAETIGER-Z-G
BETAETIGER-Z-G
- Two stainless-steel safety screws per actuator

074411
BETAETIGER-Z-G/V25
BETAETIGER-Z-G/V25
- Two stainless-steel safety screws per actuator
- Packaging unit 25 pieces

072251
BETAETIGER-Z-GN
BETAETIGER-Z-GN
- Two stainless-steel safety screws per actuator

097436
BETAETIGER-Z-GME
BETAETIGER-Z-GME
- Made of solid stainless steel
- Two stainless-steel safety screws per actuator
Metal bolt
Bolt for safety switches NZ.VZ and NZ.VZ.VS

057735
RIEGEL NZ-C
RIEGEL NZ-C
- Bolt for safety switches NZ.VZ and NZ.VZ.VS
- Steel bolt
- For doors hinged on the left
- Suitable for a door gap of approx. 15 mm

078455
RIEGEL NZ-AR2
RIEGEL NZ-AR2
- Bolt for safety switches NZ.VZ and NZ.VZ.VS
- Steel bolt
- For doors hinged on the right
- Detent knob in open position
- Detent knob mechanism in closed position
- Suitable for a door gap of approx. 15 mm

078456
RIEGEL NZ-CR2
RIEGEL NZ-CR2
- Bolt for safety switches NZ.VZ and NZ.VZ.VS
- Steel bolt
- For doors hinged on the left
- Detent knob in open position
- Detent knob mechanism in closed position
- Suitable for a door gap of approx. 15 mm

083890
RIEGEL NZ-AB
RIEGEL NZ-AB
- Bolt for safety switches NZ.VZ and NZ.VZ.VS
- Steel bolt
- For doors hinged on the right
- Ball detent mechanism in closed position
- Suitable for a door gap of approx. 15 mm

083892
RIEGEL NZ-CB
RIEGEL NZ-CB
- Bolt for safety switches NZ.VZ and NZ.VZ.VS
- Steel bolt
- For doors hinged on the left
- Ball detent mechanism in closed position
- Suitable for a door gap of approx. 15 mm

104398
BTC-NZVZ-S-TH-00-X
BTC-NZVZ-S-TH-00-X
- Bolt for safety switches NZ.VZ and NZ.VZ.VS
- Die-cast aluminum bolt
- For doors hinged on the left or right
- Suitable for a door gap of approx. 15 mm
Bolt for safety switches NZ.VZ, NZ.VZ.VS and TZ

028357
RIEGEL NZ/TZ-S1
RIEGEL NZ/TZ-S1
- Bolt for safety switches NZ.VZ, NZ.VZ.VS and TZ
- Aluminum bolt
- For doors hinged on the left or right.
- Spring catch in open position
- Suitable for a door gap of approx. 15 mm

028359
RIEGEL NZ/TZ-S2
RIEGEL NZ/TZ-S2
- Bolt for safety switches NZ.VZ, NZ.VZ.VS and TZ
- Aluminum bolt
- For doors hinged on the left or right.
- Spring catch in open position
- Suitable for a door gap of approx. 15 mm
Bolt for safety switches NZ.VZ, NZ.VZ.VS and TZ with escape release

079785
RIEGEL NZ/TZ-S1/CF
RIEGEL NZ/TZ-S1/CF
- Aluminum bolt
- For doors hinged on the left
- Bolt with escape lever
- Spring catch in open position
- Suitable for a door gap of approx. 5 mm

079786
RIEGEL NZ/TZ-S1/AF
RIEGEL NZ/TZ-S1/AF
- Aluminum bolt
- For doors hinged on the right
- Bolt with escape lever
- Spring catch in open position
- Suitable for a door gap of approx. 5 mm
Bolt with escape release for safety switch NZ.VZ

078451
RIEGEL NZ-AF
RIEGEL NZ-AF
- Bolt for safety switch NZ.VZ with escape release
- Steel bolt
- For doors hinged on the right
- Escape release
- Detent knob in open position
- Suitable for a door gap of approx. 15 mm

078452
RIEGEL NZ-CF
RIEGEL NZ-CF
- Bolt for safety switch NZ.VZ with escape release
- Steel bolt
- For doors hinged on the left
- Escape release
- Detent knob in open position
- Suitable for a door gap of approx. 15 mm
Mounting accessories
Downloads
Single Documents
Declarations of conformity
EU declaration of conformity
Doc. no.
Version
Language
Size
EU declaration of conformity
Déclaration UE de conformité
Declaración de conformidad UE
EU-Konformitätserklärung
Dichiarazione UE di conformità
Déclaration UE de conformité
Declaración de conformidad UE
EU-Konformitätserklärung
Dichiarazione UE di conformità
Doc. no.
EDC2539628
Version
Language
Size
0,2 MB
EU declaration of conformity
Déclaration UE de conformité
Declaración de conformidad UE
EU-Konformitätserklärung
Dichiarazione UE di conformità
Déclaration UE de conformité
Declaración de conformidad UE
EU-Konformitätserklärung
Dichiarazione UE di conformità
Doc. no.
EDC2539628
Version
Language
Size
0,2 MB
UKCA-Konformitätserklärung
Doc. no.
Version
Language
Size
UKCA-Konformitätserklärung
Doc. no.
EDC20001551
Version
Language
Size
0,1 MB
Instructions
Operating Instructions Safety Switch NZ.VZ
Doc. no.
Version
Language
Size
Operating Instructions Safety Switch NZ.VZ
Mode d’emploi Interrupteur de sécurité NZ.VZ
Manual de instrucciones Interruptor de seguridad NZ.VZ
Betriebsanleitung Sicherheitsschalter NZ.VZ
Mode d’emploi Interrupteur de sécurité NZ.VZ
Manual de instrucciones Interruptor de seguridad NZ.VZ
Betriebsanleitung Sicherheitsschalter NZ.VZ
Doc. no.
2094060
Version
08/24
Language
Size
2,8 MB
Betriebsanleitung Sicherheitsschalter NZ.VZ
Doc. no.
2094060
Version
08/24
Language
Size
0,7 MB
Istruzioni di impiego Finecorsa di sicurezza NZ.VZ
Doc. no.
2094060
Version
08/24
Language
Size
0,7 MB
Инструкция по эксплуатации Предохранительный выключатель NZ.VZ
Doc. no.
2094060
Version
08/24
Language
Size
1,2 MB
Käyttöohje Turvakytkimet NZ.VZ
Doc. no.
2094060
Version
08/24
Language
Size
0,7 MB
Instrukcja obsługi Wyłącznik bezpieczeństwa NZ.VZ
Doc. no.
2094060
Version
08/24
Language
Size
1,2 MB
Instruktionsbok Säkerhetsbrytare NZ.VZ
Doc. no.
2094060
Version
08/24
Language
Size
0,7 MB
Návod na prevádzku Bezpečnostný spínač NZ.VZ
Doc. no.
2094060
Version
08/24
Language
Size
1,2 MB
Other Documents
Approvals and certificates
CCC
Doc. no.
Version
Language
Size
CCC
Doc. no.
20001753
Version
Language
Size
0,0 MB
DGUV
Doc. no.
Version
Language
Size
DGUV
Doc. no.
Version
Language
Size
3,3 MB
DNV-GL
Doc. no.
Version
Language
Size
DNV-GL
Doc. no.
Version
Language
Size
0,2 MB
c UL us
Doc. no.
Version
Language
Size
c UL us
Doc. no.
Version
Language
Size
0,3 MB
Ordering data
| Ordernumber | 082121 |
| Item designation | NZ1VZ-528EL220-M |
| Gross weight | 0,351kg |
| Customs tariff number | 85365019000 |
| ECLASS | 27-27-26-02 Sicherheitsschalter mit getrenntem Betätiger (Bauart 2) |
+ 1 NO contact











