Read/write head CIT3 G05 with serial interface
- Serial interface RS232
- Active face can be adjusted to 5 different positions
- Standard housing according to EN 50041
- Connection terminals

Description
Serial interface
The individual commands for reading and writing the data carrier are in accordance with the common 3964R protocol and are described in the EUCHNER CIS3 system manual (order no. 071 652). For data carrier programming away from the system, a convenient WINDOWS®-compatible PC software application is available (Software Transponder Coding, see page 41).
Standard housing
The size of the robust housing in degree of protection IP65 is compliant with the standard EN 50041. The division into 3 assemblies permits easy mounting and straightforward replacement.
Mounting instructions
On mounting the read/write head and data carrier, it is to be ensured the crossing direction as per the direction of the arrow on the active face of the read/write head is observed.
Attention:
On the use of a screened cable the connecting cable for the serial interface is allowed to be max. 5 m long.


Pin assignment table
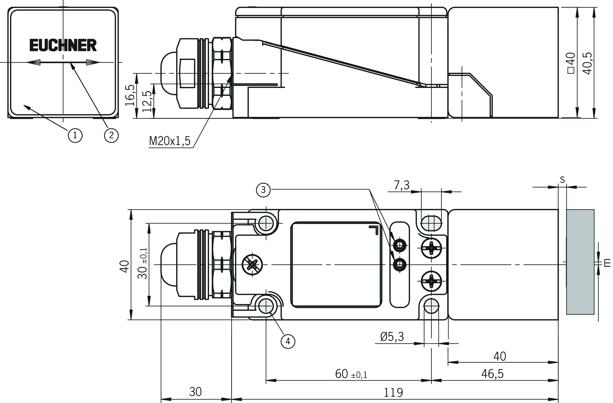
Dimensional drawings

| 1 | Active face |
| 2 | Crossing direction |
| 3 | LED status indication |
| 4 | shield spring |
| m | Center offset |
| s | Read distance |
Connection examples

Accessories
Downloads
Single Documents
Fiche technique
Ficha de datos
Datenblatt
Ficha de dados
数据表
データ シート
데이터 시트
Datový list
Fiche technique
Ficha de datos
Datenblatt
Ficha de dados
数据表
データ シート
데이터 시트
Datový list
Other Documents
Ordering data
| Ordernumber | 096560 |
| Item designation | CIT3SX1R1G05KX |
| Gross weight | 0,372kg |
| Customs tariff number | 85389099990 |
| ECLASS | 27-28-04-01 Identifikation, RFID Reader |





