Read heads CMS, design B - with NO contact combinations, PVC
- In combination with evaluation units ESM-BA...
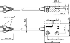
- Cube-shaped version, 36 x 26 mm
- Connecting cable
- Cable type: PVC

Description


Circuit diagram CMS-R-BZD… (not actuated)
Dimensional drawings

Connection examples

Technical data
Approvals


Workspace
| Operating distance off | |
| Monitoring contact | max. 20 mm |
| Operating distance on | |
| Monitoring contact | min. 6 mm |
Electrical connection values
| Fuse | |
| Power supply / safety contacts, external contact protection | Fuse 10 A gG (Parameter dependent on the evaluation units ESM-BA2.. and ESM-BA3..) |
| rated conditional short-circuit current | 100 A (Parameter dependent on the evaluation units ESM-BA2.. and ESM-BA3..) |
| Electrical switching frequency | |
| at I_min = 10 mA | max. 5 Hz (Parameter dependent on the evaluation units ESM-BA2.. and ESM-BA3..) |
| At nominal current 8 A | max. 0.1 Hz (Parameter dependent on the evaluation units ESM-BA2.. and ESM-BA3..) |
| Switching voltage | |
| Monitoring contact DC | max. 35 V |
| DC | 24 ... 35 V |
| Switching voltage according to UL | |
| according to UL Class 2 | max. 24 V AC/DC |
| Switching current | |
| max. 100 mA | |
| Monitoring contact | max. 100 mA |
| Switching characteristics | parallel |
| Switching delay from state change | max. 26 ms (Parameter dependent on the evaluation units ESM-BA2.. and ESM-BA3.. Corresponds to the risk time according to EN 60947-5-3. This is the maximum OFF time for the safety outputs following removal of the actuator) |
Mechanical values and environment
| Connection type | hard-wired encapsulated cable with cable end sleeves 0.25 mm2 |
| Number of NO contacts | 2 NO contacts with internal fuse, 100 mA each, 1 NO contact as monitoring contact |
| Tightening torque | 0.4 ... 0.5 Nm |
| Design | B |
| Installation orientation | any |
| Storage temperature | -25 ... 80 °C |
| Cable length | 5 m |
| Mechanical life | 100 x 10⁶ |
| Degree of protection | IP67 |
| Ambient temperature | -20 ... 80 °C |
| Material | |
| Cable material | PVC |
| Housing | Fiber glass reinforced PPS |
| Method of operation | magnetic, reed contact |
Characteristic values according to EN ISO 13849-1 and EN IEC 62061
| Monitoring of the guard position | |
| B10D | 20 x 10⁶ |
Miscellaneous
| in compliance with | EN ISO 13849-1: 2015; EN 62061: 2005 + AC: 2010 + A1: 2013 + A2: 2015; EN ISO 14119: 2013; EN 60947-5-3: 2013 |
In combination with read head ESM-BA201, ESM-BA202, ESM-BA203, ESM-BA301, ESM-BA302, ESM-BA303, ESM-BA201P, ESM-BA301P and actuator CMS-M-BH
| Secured switch-off distance sar | |
| with center offset m=0 | max. 20 mm (The assured release distance s_ar corresponds to the reset distance.) |
| Secured switching distance sao | |
| with center offset m=0 | min. 7 mm (Figure only applies if there is no ferromagnetic material in the vicinity of the read head and the actuator.) |
| Center offset | |
| at s = 3 mm read distance | 2.5 (Figure only applies if there is no ferromagnetic material in the vicinity of the read head and the actuator.) |
Accessories
Downloads
Single Documents
Declarations of conformity
UKCA-Konformitätserklärung
Doc. no.
Version
Language
Size
UKCA-Konformitätserklärung
Doc. no.
EDC20001502
Version
Language
Size
0,1 MB
Instructions
Operating Instructions Read Heads/Actuators CMS for Safety Relays ESM
Doc. no.
Version
Language
Size
Operating Instructions Read Heads/Actuators CMS for Safety Relays ESM
Mode d’emploi Têtes de lecture / actionneurs CMS pour relais de sécurité ESM
Manual de instrucciones Cabezas de lectura/actuadores CMS para relés de seguridad ESM
Betriebsanleitung Leseköpfe/Betätiger CMS für Sicherheitsrelais ESM
Mode d’emploi Têtes de lecture / actionneurs CMS pour relais de sécurité ESM
Manual de instrucciones Cabezas de lectura/actuadores CMS para relés de seguridad ESM
Betriebsanleitung Leseköpfe/Betätiger CMS für Sicherheitsrelais ESM
Doc. no.
2096881
Version
11/23
Language
Size
3,0 MB
Betriebsanleitung Leseköpfe/Betätiger CMS für Sicherheitsrelais ESM
Doc. no.
2096881
Version
11/23
Language
Size
0,8 MB
사용 설명서 CMS 계열 읽기 헤드/액추에이터, ESM 계열 안전 릴레이의 경우
Doc. no.
2096881
Version
11/23
Language
Size
1,2 MB
Other Documents
Approvals and certificates
TUEV Rheinland
Doc. no.
Version
Language
Size
TUEV Rheinland
Doc. no.
Version
Language
Size
0,6 MB
c UL us
Doc. no.
Version
Language
Size
c UL us
Doc. no.
Version
Language
Size
1,0 MB
Sales documents
Interrupteurs de sécurité à codage magnétique CMS
Doc. no.
Version
Language
Size
Interrupteurs de sécurité à codage magnétique CMS
Doc. no.
090606
Version
10-11/20
Language
Size
5,8 MB
Ordering data
| Ordernumber | 159518 |
| Item designation | CMS-R-BZD-05V |
| Gross weight | 0,264kg |
| Customs tariff number | 85389099990 |
| ECLASS | 27-27-24-02 Sicherheitsgerichteter magnetischer Näherungsschalter |

