Interruptor de seguridad TP ASi, conector M12
- AS-Interface
- Conector M12
- Desbloqueo auxiliar
- Indicador LED
- Principio del bloqueo con tensión

Descripción
Dirección de ataque
Horizontal y vertical
Regulable en intervalos de 90°
Recorrido prolongado en caso de dirección de ataque horizontal
Si se necesita que la puerta tenga más juego cuando está cerrada, hay disponible un actuador con recorrido por inercia. Con este actuador, la puerta puede moverse ligeramente en la dirección del actuador estando cerrada. Esto es importante, p. ej., cuando las puertas de protección disponen de un tope de goma. Mediante un actuador con recorrido es posible reducir la presión permanente del tope de goma comprimido. De esta forma se descarga tanto a la cabeza del interruptor como al mecanismo de la puerta.
Principio de bloqueo
Bloqueo con tensión (power to lock): En un resguardo con bloqueo según el principio del bloqueo con tensión, el resguardo permanece bloqueado hasta que se corta la alimentación eléctrica hacia el solenoide de bloqueo. El desbloqueo se produce por fuerza de resorte. También se conoce como bloqueo bajo tensión.
Accionamiento del solenoide de bloqueo
El solenoide de bloqueo se acciona por medio del bit D0 de AS-Interface. Para que el accionamiento del bloqueo sea seguro, la tensión auxiliar también debe conmutarse de forma segura.
Tensión auxiliar
La tensión auxiliar ASi es necesaria para alimentar el solenoide de bloqueo.
Entradas AS-Interface
D0, D1 | Supervisión de la posición del resguardo |
D2, D3 | Supervisión del bloqueo |
Salidas AS-Interface
D0 | Accionamiento del bloqueo |
D1 | LED rojo |
D2 | LED verde |
Indicador LED
El LED Power indica la tensión de servicio del bus.
El LED Fault indica que se ha detectado un error en el bus AS-Interface.
Los LED verde y rojo pueden ser activados indistintamente a través del bus desde el mando mediante los bits D1 y D2.
Desbloqueo auxiliar
El dispositivo de desbloqueo auxiliar en la parte frontal permite acceder a la máquina si se produce un fallo de funcionamiento (por ejemplo, si hay un corte de tensión). El desbloqueo se efectúa con una herramienta o una llave. El desbloqueo auxiliar debe estar protegido contra el uso indebido (precinto, sellado).
Accesorios necesarios
El actuador no está incluido.
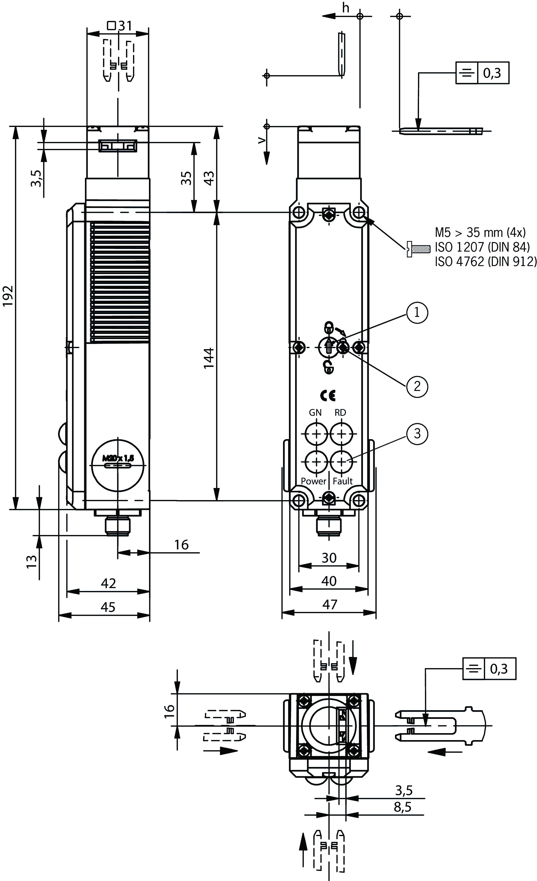
Dibujos acotados

| 1 | Desbloqueo auxiliar |
| 2 | Tornillo de protección |
| 3 | Indicador LED |
Ejemplos de conexión

| Vista del lado de conexión |
Datos técnicos
Homologaciones



Valores de conexión eléctrica
| Corriente de servicio ASI | max. 45 mA |
| Tensión auxiliar AS-Interface | 20.4 ... 24 ... 26.4 V |
| Corriente auxiliar AS-Interface | 300 mA |
| AS-Interface LED | |
| verde | Potencia |
| rojo | Fallo |
| Protocolo AS-Interface | ASi-3 |
| Salida de datos ASI | D0 = accionamiento del bloqueo, D1 = LED rojo, D2 = LED verde |
| Datos ASI en | D0, D1 = posición de la puerta, D2, D3 = bloqueo |
| Tipo de esclavo AS-Interface | ID-Code: B, EA-Code: 7 |
| Tensión ASI | 22.5 ... 30 ... 31.6 V |
| Ciclo de trabajo del solenoide ED | 100 % |
Valores mecánicos y entorno
| Anfahrgeschwindigkeit | max. 20 m/min |
| Dirección de ataque | A |
| Tipo de conexión | |
| 1 x | Conector M12 (4 polos) |
| Número de contactos de apertura positiva de posición de la puerta | |
| Según AS-i Safety at Work | 2 (D0,D1,D2,D3 / 1 = puerta cerrada) |
| Fuerza de extracción | 20 N |
| Frecuencia de accionamiento | max. 1200 1/h |
| Fuerza de actuación | 10 N |
| Posición de montaje | Cualquiera |
| Profundidad de inserción vertical | 29.5 mm |
| Temperatura de almacenamiento | -25 ... 70 °C |
| Vida mecánica | 1 x 10⁶ |
| Fuerza de retención | 10 N |
| Principio de conmutación | Contacto de conmutación de acción lenta |
| Clase de protección | IP67 |
| Temperatura ambiental | -20 ... 55 °C |
| Material | |
| Carcasa | Termoplástico reforzado con fibra de vidrio |
| Contacto | Aleación de plata dorada |
| Fuerza de bloqueo Fmáx. | 1300 N |
| Fuerza de bloqueo FZh | 1000 N |
| Principio de bloqueo | Principio del bloqueo con tensión |
Valores característicos según EN ISO 13849-1 y EN IEC 62061
| B10D | Tiempo de servicio | |
|---|---|---|
| Supervisión del bloqueo | 3x106 | 20 y |
| ¡Importante! Valores válidos a CC-13 100 mA/24 V | ||
En combinación con el actuador ACTUADOR-P-GNT
| Profundidad de inserción horizontal | 28 mm |
| Recorrido por inercia horizontal | 7 mm |
En combinación con el actuador ACTUADOR-P-GT
| Profundidad de inserción horizontal | 28 mm |
| Profundidad de inserción vertical | 29.5 mm |
| Recorrido por inercia horizontal | 2 mm |
| Recorrido por inercia vertical | 1.5 mm |
Accesorios

AE-K-A1-DULK1-84177
- Cerradura con cierre diverso
- La llave puede extraerse en la posición de bloqueo y de desbloqueo.

AE-K-A1-IULK1-86236
- Cerradura universal
- La llave puede extraerse en la posición de bloqueo y de desbloqueo.

AE-K-A1-IUK2-109212
- Cerradura universal
- La llave solo puede extraerse en la posición de desbloqueo.

AE-K-A1-ILK1-121917
- Cerradura universal
- La llave puede extraerse en la posición de bloqueo.
AE-B-A1-02,0-096230
- Uso como desbloqueo antipánico o desbloqueo de emergencia
- Sin reposicionamiento automático
- Longitud del revestimiento 2 m (longitud del cable 6 m)
AE-B-A1-02,0-F-097747
- Uso como desbloqueo antipánico o desbloqueo de emergencia
- Reposicionamiento automático
- Longitud del revestimiento 2 m (longitud del cable 6 m)
AE-B-A1-03,0-098313
- Uso como desbloqueo antipánico o desbloqueo de emergencia
- Sin reposicionamiento automático
- Longitud del revestimiento 3 m (longitud del cable 6 m)
AE-B-A1-04,0-098314
- Uso como desbloqueo antipánico o desbloqueo de emergencia
- Sin reposicionamiento automático
- Longitud del revestimiento 4 m (longitud del cable 6 m)
AE-B-A1-03,0-F-111233
- Uso como desbloqueo antipánico o desbloqueo de emergencia
- Reposicionamiento automático
- Longitud del revestimiento 3 m (longitud del cable 6 m)
AE-B-A1-06,0-125582
- Uso como desbloqueo antipánico o desbloqueo de emergencia
- Sin reposicionamiento automático
- Longitud del cable 6 m (sin revestimiento)
AE-B-A1-06,0-F-124770
- Uso como desbloqueo antipánico o desbloqueo de emergencia
- Reposicionamiento automático
- Longitud del cable 6 m (sin revestimiento)
RIEGEL TP-A
- Cerrojo para interruptores de seguridad GP y TP
- Cerrojo de acero
- Para puertas con sujeción a la derecha
- Adecuado para una apertura de puerta de aprox. 15 mm
RIEGEL TP-C
- Cerrojo para interruptores de seguridad GP y TP...A
- Cerrojo de acero
- Para puertas con sujeción a la izquierda
- Adecuado para una apertura de puerta de aprox. 15 mm
RIEGEL 0 NP/TP OHNE RASTUNG
- Cerrojo para interruptores de seguridad NP... y TP...A
- Cerrojo de acero
- Para puertas con sujeción a la derecha o a la izquierda
- Adecuado para una apertura de puerta de aprox. 6 mm

RIEGEL 1 NP/TP 1X RASTUNG ZU
- Cerrojo para interruptores de seguridad NP...AS, TP...A y GP
- Cerrojo de acero
- Para puertas con sujeción a la derecha o a la izquierda
- Adecuado para una apertura de puerta de aprox. 15 mm
Descargas
Documentos sueltos
EU declaration of conformity
Déclaration UE de conformité
EU-Konformitätserklärung
Dichiarazione UE di conformità
EU declaration of conformity
Déclaration UE de conformité
EU-Konformitätserklärung
Dichiarazione UE di conformità
Otros documentos
CAD-Data
Datos de pedido
| N.º de pedido | 091676 |
| Nombre de artículo | TP4-4141A024SEM4AS2 |
| Peso bruto | 0,469kg |
| Partida arancelaria | 85365019000 |
| ECLASS | 27-27-26-03 Safety switch with guard control |


























