ZSE, 3 positions
- Fonction à 3 positions
- Cote de montage 30,5 mm
- Appropriée par exemple pour être intégrée aux pupitres portables HBL ou aux boîtiers G2 ou G3

Description
Élément de commutation
210 | 2F + 1O |
Fonction à 3 positions
La fonction d’assentiment n’est active qu’à la deuxième position (position centrale, point de déclenchement). Lorsque le bouton est relâché ou complètement enfoncé (fonction de crispation), l’assentiment est annulé (dépend du câblage, voir le fonctionnement).




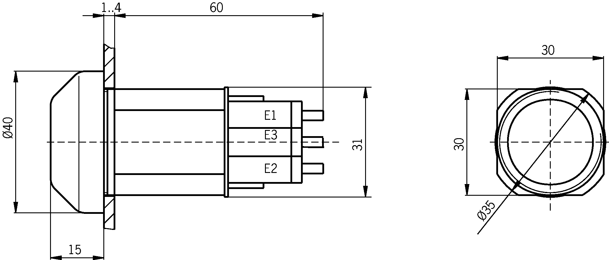
Dessins cotés

Dessins cotés

Exemples de connexion

Diagrammes de commutation

| square_grey_dark.eps | fermé, assentiment |
| square_grey_light.eps | fermé |
| square_white.eps | ouvert |
Caractéristiques techniques
Autorisations


Puissance électrique connectée
| Couverture | max. 4 A gG |
| Courant conditionnel de court-circuit | 100 A |
| Tension assignée d’isolement Ui | 250 V |
| Tension de choc assignée Uimp | 2.5 kV |
| Catégorie d’emploi | |
| DC-13 | 3 A 24 V |
| AC-15 | 4 A 230 V |
| Tension de commutation | |
| à 10 mA | min. 12 V |
| Courant de commutation | |
| à 24 V | min. 1 mA |
| Degré de pollution (externe, selon EN 60947-1) | 3 |
Valeurs mécaniques et environnement
| Type de connexion | Connecteur plat 2,8 x 0,8 IEC 760 |
| Nombre de contacts à fermeture | 2 |
| Nombre de contacts à ouverture positive | 1 |
| Position de montage | Au choix |
| Température de stockage | -25 ... 70 °C |
| Durée de vie mécanique | |
| Position 1-2-3-1 | 0.1 x 10⁶ |
| Position 1-2-1 | 0.1 x 10⁶ |
| Principe de commutation | Élément de contact à action dépendante |
| Indice de protection | |
| IP65 (à l’état monté) | |
| IP00 (Raccordements) | |
| Température ambiante | -5 ... 60 °C |
| Matériau | |
| Boîtier | Matière plastique, couleur noire |
| Capuchon | Élastomère à faible teneur en PAK, noir |
Valeurs caractéristiques selon EN ISO 13849-1 et EN IEC 62061
| Commande d’assentiment | |
| B10D | 0.5 x 10⁶ |
Divers
| Numéro C | |
| C1692 | pour intégration dans un boîtier HBL, trou de fixation Ø30,5 + 0,5, sans ergot antitorsion, longueur totale diminuée de 3 mm |
| Normes respectées | 60947-5-8 |
Téléchargements
Documents individuels
Déclarations de conformité
EU-Konformitätserklärung
N° doc.
Version
Langue
Taille
EU-Konformitätserklärung
N° doc.
EDC2109392
Version
Langue
Taille
0,2 MB
UKCA-Konformitätserklärung
N° doc.
Version
Langue
Taille
UKCA-Konformitätserklärung
N° doc.
EDC20001579
Version
Langue
Taille
0,1 MB
Instructions
Mode d’emploi de la commande d’assentiment ZSE
N° doc.
Version
Langue
Taille
Mode d’emploi de la commande d’assentiment ZSE
Operating Instructions Enabling Switch ZSE
Manual de instrucciones del pulsador de validación ZSE
Betriebsanleitung Zustimmtaster ZSE
Istruzioni di impiego del pulsante di consenso ZSE
Operating Instructions Enabling Switch ZSE
Manual de instrucciones del pulsador de validación ZSE
Betriebsanleitung Zustimmtaster ZSE
Istruzioni di impiego del pulsante di consenso ZSE
N° doc.
2092780
Version
03-12/13
Langue
Taille
0,4 MB
Návod k použití potvrzovacího tlačítka ZSE
N° doc.
2092780
Version
03-12/13
Langue
Taille
0,1 MB
Autres documents
Agréments et certificats
CCC
N° doc.
Version
Langue
Taille
CCC
N° doc.
20001753
Version
Langue
Taille
0,0 MB
Documents de vente
Commandes d’Assentiment ZS
N° doc.
Version
Langue
Taille
Commandes d’Assentiment ZS
N° doc.
097367
Version
09-02/21
Langue
Taille
10,2 MB
Enabling switches ZS
N° doc.
Version
Langue
Taille
Enabling switches ZS
N° doc.
095690
Version
09-02/21
Langue
Taille
10,1 MB
Zustimmtaster ZS
N° doc.
Version
Langue
Taille
Zustimmtaster ZS
N° doc.
095689
Version
09-02/21
Langue
Taille
10,2 MB
Données de commande
| N° de commande | 070752 |
| Désignation article | ZSE2-2C1692 |
| Poids brut | 0,11kg |
| Global Trade Item Number (GTIN) | 4047048000520 |
| Code douanier | 85365019000 |
| ECLASS | 27-37-12-38 Agreement switch |

