AccueilProdukteInterrupteurs de sécurité à codage magnétiqueTêtes de lecture CMS avec capteurs à effet HallCMS-RH-BYB-03VL
Têtes de lecture CMS avec capteurs à effet Hall - Modèle B
- En combinaison avec les analyseurs CMS-E-ER/CMS-E-FR
- Version à forme rectangulaire 36 x 26 mm
- 1 LED
- Câble surmoulé en PVC, 3 m

Description
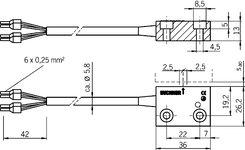
Dessins cotés

Caractéristiques techniques
Autorisations

Espace de travail
| Distance de déconnexion sécurisée sar | max. 13 mm (La distance de déconnexion assurée s_ar correspond à la distance de remise à zéro.) |
| Distance de commutation assurée sao | |
| avec désaxage m=0 | min. 6 mm (Valeur applicable uniquement si aucun matériau ferromagnétique n’est placé à proximité de la tête de lecture et de l’actionneur.) |
Eléments de commande et d'affichage
| Indicateur LED | 1 LED verte |
Puissance électrique connectée
| Tension de commutation | |
| DC | 20 ... 35 V |
| Courant de commutation | max. 15 mA |
| Schéma de commutation | antivalent |
| Consommation | max. 35 mA |
Valeurs mécaniques et environnement
| Type de connexion | Câble surmoulé avec embouts 0,25 mm2 |
| Nombre de contacts à ouverture | 1 contact O |
| Nombre de contacts à fermeture | 1 contact F |
| Couple de serrage | 0.4 ... 0.5 Nm |
| Modèle | B |
| Position de montage | Au choix |
| Température de stockage | -25 ... 70 °C |
| Longueur de câble | 3 m |
| Durée de vie mécanique | 100 x 10⁶ |
| Indice de protection | IP67 |
| Température ambiante | -5 ... 55 °C |
| Matériau | |
| Matériau du câble | PVC |
| Boîtier | PPS renforcé avec des fibres de verre |
| Mode de fonctionnement | Capteur à effet Hall |
Divers
| Normes respectées | EN ISO 13849-1:2015; EN 50178:1997; EN 60204-1:2006/A1:2009; EN ISO 14119:2013; EN 61000-6-2:2005; EN 61000-6-3:2007/A1:2011; EN 60947-5-3:2013 |
Accessoires
Téléchargements
Documents individuels
Déclarations de conformité
EU-Konformitätserklärung
N° doc.
Version
Langue
Taille
EU-Konformitätserklärung
N° doc.
EDC2112987
Version
Langue
Taille
0,2 MB
UKCA-Konformitätserklärung
N° doc.
Version
Langue
Taille
UKCA-Konformitätserklärung
N° doc.
EDC20001569
Version
Langue
Taille
0,1 MB
Instructions
Mode d’emploi Têtes de lecture / actionneurs avec capteurs à effet Hall pour analyseurs CMS
N° doc.
Version
Langue
Taille
Mode d’emploi Têtes de lecture / actionneurs avec capteurs à effet Hall pour analyseurs CMS
Operating Instructions Read Heads/Actuators with Hall Sensors for Evaluation Units CMS
Manual de instrucciones Cabezas de lectura/actuadores con sensores Hall para unidades de evaluación CMS
Betriebsanleitung Leseköpfe/Betätiger mit Hall-Sensoren für Auswertegeräte CMS
Operating Instructions Read Heads/Actuators with Hall Sensors for Evaluation Units CMS
Manual de instrucciones Cabezas de lectura/actuadores con sensores Hall para unidades de evaluación CMS
Betriebsanleitung Leseköpfe/Betätiger mit Hall-Sensoren für Auswertegeräte CMS
N° doc.
2113226
Version
07-11/23
Langue
Taille
1,9 MB
Betriebsanleitung Leseköpfe/Betätiger mit Hall-Sensoren für Auswertegeräte CMS
N° doc.
2113226
Version
07-11/23
Langue
Taille
0,5 MB
Autres documents
Données de commande
| N° de commande | 113209 |
| Désignation article | CMS-RH-BYB-03VL |
| Poids brut | 0,18kg |
| Code douanier | 85389099990 |
| ECLASS | 27-27-24-02 Safety-related magnetic proximity switch |


