AccueilProdukteInterrupteurs de sécurité à codage magnétiqueTêtes de lecture CMS avec contacts ReedCMS-R-AZA-ST0,2VL
Têtes de lecture modèle A pour ESM, PVC, connecteur M12
- En combinaison avec les analyseurs ESM-BA...
- Version à forme rectangulaire 88 x 25 mm
- Connecteur M12
- 1 LED
- Type de câble : PVC

Description
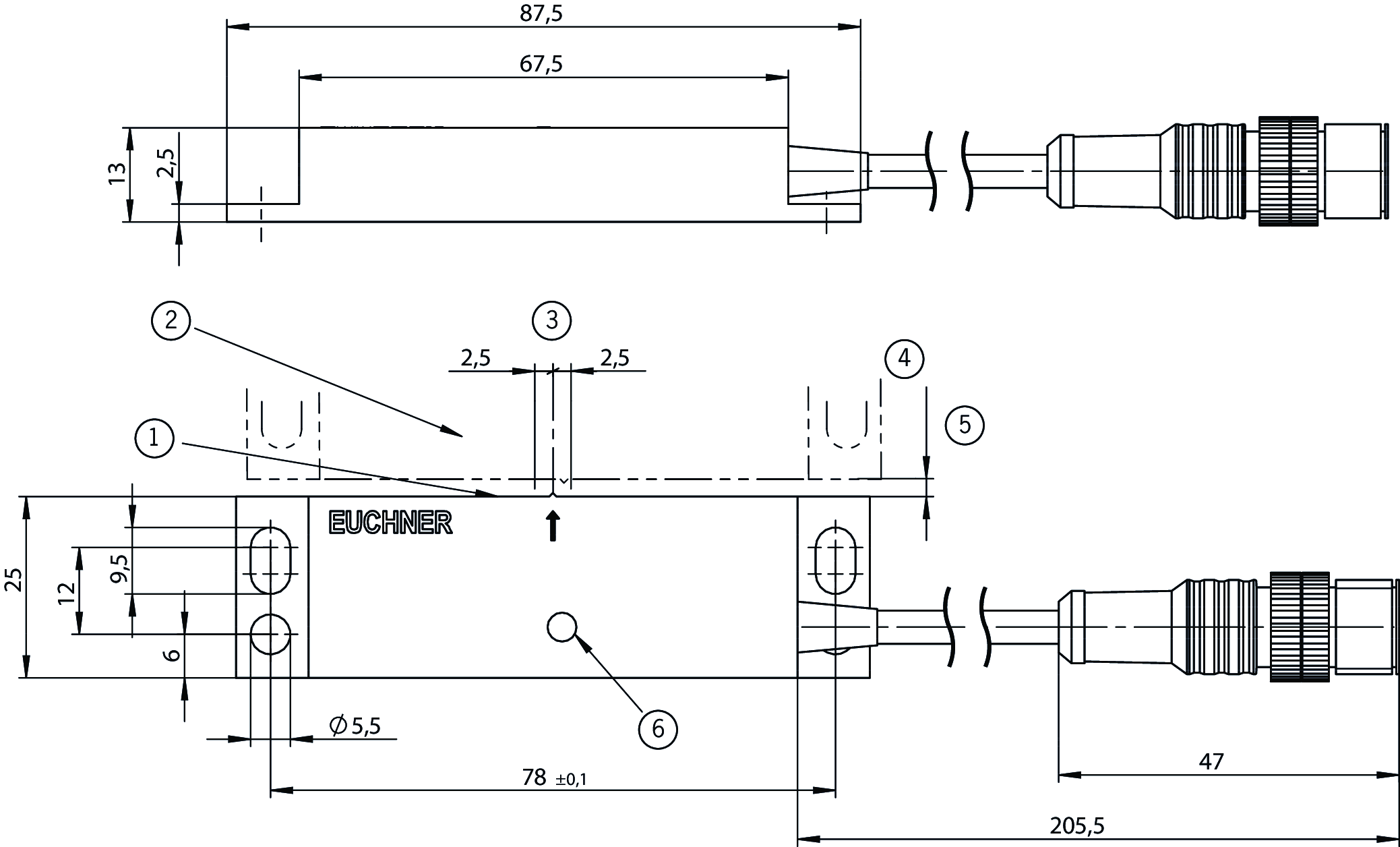
Dessins cotés

| 1 | Face active |
| 2 | Actionneur |
| 3 | Désaxage m avec s=3 mm |
| 4 | Sao |
| 5 | Distance de détection assurée |
| 6 | LED |
Exemples de connexion

Exemples de connexion

Caractéristiques techniques
Autorisations


Puissance électrique connectée
| Couverture | |
| Alimentation / Contacts de sécurité, protection externe contre les contacts | Fusible 10 A gG (Paramètre dépendant des analyseurs ESM-BA2.. et ESM-BA3..) |
| Courant conditionnel de court-circuit | 100 A (Paramètre dépendant des analyseurs ESM-BA2.. et ESM-BA3..) |
| Fréquence de commutation électrique | |
| à I_min = 10 mA | max. 5 Hz (Paramètre dépendant des analyseurs ESM-BA2.. et ESM-BA3..) |
| à une intensité nominale de 8 A | max. 0.1 Hz (Paramètre dépendant des analyseurs ESM-BA2.. et ESM-BA3..) |
| Tension de commutation | |
| 24 ... 35 V (DC) | |
| Indication de l’état des contacts | 24 ... 35 V (DC) |
| Tension de commutation selon UL | |
| Selon UL Class 2 | max. 24 V AC/DC |
| Courant de commutation | |
| DC | max. 100 mA |
| Indication de l’état des contacts (DC) | max. 15 mA |
| Retard de commutation à partir du changement d’état | max. 26 ms |
| Résistance série LED | |
| LED indication de l’état des contacts | 1.5 kΩ |
Valeurs mécaniques et environnement
| Type de connexion | Câble surmoulé avec connecteur M12 |
| Nombre d’indicateurs LED | 1 LED d’indication de l’état des contacts |
| Nombre de contacts à fermeture | 2 contacts à fermeture avec fusible de resp. 100 mA et 1 contact à fermeture avec LED |
| Couple de serrage | 0.4 ... 0.5 Nm |
| Modèle | A |
| Position de montage | Au choix |
| Température de stockage | -25 ... 70 °C |
| Longueur de câble | 0.2 m |
| Durée de vie mécanique | 100 x 10⁶ |
| Indice de protection | IP67 |
| Température ambiante | -20 ... 60 °C |
| Matériau | |
| Boîtier | PPS renforcé avec des fibres de verre |
| Matériau du câble | PVC |
| Mode de fonctionnement | magnétique, par contact Reed |
Valeurs caractéristiques selon EN ISO 13849-1 et EN IEC 62061
| Surveillance de la position du protecteur | |
| B10D | 20 x 10⁶ |
Divers
| Normes respectées | EN ISO 13849-1: 2015; EN 62061: 2005 + AC: 2010 + A1: 2013 + A2: 2015; EN ISO 14119: 2013; IEC 60947-5-3: 2013 |
En combinaison avec les têtes de lecture ESM-BA201, ESM-BA202, ESM-BA203, ESM-BA301, ESM-BA302, ESM-BA303, ESM-BA201P, ESM-BA301P et l’actionneur CMS-M-AI
| Distance de déconnexion sécurisée sar | |
| max. 20 mm (La distance de déconnexion assurée s_ar correspond à la distance de remise à zéro.) | |
| Indication de l’état des contacts par LED | max. 15 mm (avec une direction d'attaque X, désaxage m = 0) |
| Distance de commutation assurée sao | |
| Indication de l’état des contacts par LED | min. 7 mm (avec une direction d'attaque X, désaxage m = 0) |
| avec désaxage m=0 | min. 9 mm (Valeur applicable uniquement si aucun matériau ferromagnétique n’est placé à proximité de la tête de lecture et de l’actionneur.) |
| Déport du centre | |
| avec distance de lecture s = 3 mm | 2,5 mm (Valeur applicable uniquement si aucun matériau ferromagnétique n’est placé à proximité de la tête de lecture et de l’actionneur.) |
Accessoires
Téléchargements
Documents individuels
Instructions
Mode d’emploi Têtes de lecture / actionneurs CMS pour relais de sécurité ESM
N° doc.
Version
Langue
Taille
Mode d’emploi Têtes de lecture / actionneurs CMS pour relais de sécurité ESM
Operating Instructions Read Heads/Actuators CMS for Safety Relays ESM
Manual de instrucciones Cabezas de lectura/actuadores CMS para relés de seguridad ESM
Betriebsanleitung Leseköpfe/Betätiger CMS für Sicherheitsrelais ESM
Operating Instructions Read Heads/Actuators CMS for Safety Relays ESM
Manual de instrucciones Cabezas de lectura/actuadores CMS para relés de seguridad ESM
Betriebsanleitung Leseköpfe/Betätiger CMS für Sicherheitsrelais ESM
N° doc.
2096881
Version
11/23
Langue
Taille
3,0 MB
Betriebsanleitung Leseköpfe/Betätiger CMS für Sicherheitsrelais ESM
N° doc.
2096881
Version
11/23
Langue
Taille
0,8 MB
사용 설명서 CMS 계열 읽기 헤드/액추에이터, ESM 계열 안전 릴레이의 경우
N° doc.
2096881
Version
11/23
Langue
Taille
1,2 MB
Autres documents
Agréments et certificats
TUEV Rheinland
N° doc.
Version
Langue
Taille
TUEV Rheinland
N° doc.
Version
Langue
Taille
0,6 MB
c UL us
N° doc.
Version
Langue
Taille
c UL us
N° doc.
Version
Langue
Taille
0,2 MB
Documents de vente
Interrupteurs de sécurité à codage magnétique CMS
N° doc.
Version
Langue
Taille
Interrupteurs de sécurité à codage magnétique CMS
N° doc.
090606
Version
10-11/20
Langue
Taille
5,8 MB
Données de commande
| N° de commande | 106738 |
| Désignation article | CMS-R-AZA-ST0,2VL |
| Poids brut | 0,094kg |
| Code douanier | 85389099990 |
| ECLASS | 27-27-24-02 Safety-related magnetic proximity switch |






