Interrupteur de sécurité avec interverrouillage CET-AP-..., RFID, connecteur(s) M12, pour le raccordement à des systèmes de périphérie décentralisés
- Verrouillage hors tension
- Unicode
- Sortie de signalisation position de la porte OUT D
- 2 x connecteur(s) M12, 5 broches (à) 2 broches
- pour le raccordement à des systèmes périphériques décentralisés

Description
Connexion directe à des systèmes périphériques décentralisés
Le raccordement via des connecteurs(s) M12 est optimisé pour le raccordement direct à des modules IO IP67, comme par exemple ET200pro et ET200eco de SIEMENS, MVK de MURR et EP1957 de BECKHOFF.
Principe d’interverrouillage
Verrouillage hors tension (Power to unlock) : pour un protecteur avec système d’interverrouillage fonctionnant en mode hors tension, le protecteur reste verrouillé mécaniquement jusqu’à ce que l’électroaimant de verrouillage soit alimenté en courant. Le déblocage s'effectue au moyen d'une force magnétique. On parle également d'interverrouillage mécanique.
Analyse Unicode
Chaque actionneur possède un niveau de codage élevé (unicode). L’interrupteur ne reconnaît que les actionneurs appris. L’apprentissage d’autres actionneurs est possible.
L’actionneur reconnu est toujours celui qui a été appris en dernier.
Valeurs caractéristiques de sécurité
Grâce à deux sorties de sécurité redondantes (sorties à semi-conducteur ) avec contrôle interne, l'appareil convient pour :
- Catégorie 4 /PL e selon EN 13849-1
- SIL 3 selon EN IEC 62061 Tableau 4
Les sorties OSSD utilisées vérifient leur fonction à l'aide d'impulsions de test pour les courts-circuits et les courts-circuits (entre deux conducteurs).
Indication par LED
LED STATE | LED d’état |
LED DIA | LED de diagnostic |
LED 1 rd | S’allume en présence de tension au niveau de l’électroaimant |
LED 2 gn | S’allume lorsque la porte est fermée |
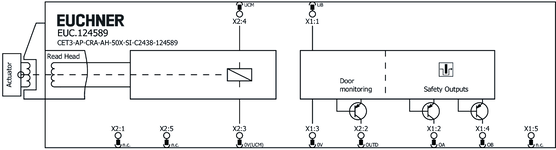
Affectation des broches
Accessoires nécessaires
L’actionneur n'est pas fourni.
L'interrupteur de sécurité ne peut être actionné qu'en liaison avec les actionneurs prévus à cet effet.




Dessins cotés

Exemples de connexion

Exemples de connexion

Caractéristiques techniques
Autorisations


Espace de travail
| Répétabilité R | 10 % |
Puissance électrique connectée
| Couverture | |
| externe (tension de service UB) | 0.25 ... 8 A |
| externe (tension de service de l’électroaimant UCM) | 0.5 ... 8 A |
| Puissance absorbée | |
| Électroaimant | 11 W |
| Câble de raccordement | 30 V DC, 2 A (pour l’exigence UL code catégorie (CYJV/CYJV7)) |
| Tension de service DC | |
| LED | 24 V DC -15% V DC ... +10% V DC |
| UB | 24 V DC -15% ... +15% protégée contre les inversions de polarité, stabilisée, ondulation résiduelle<5 %, PELV |
| Exigences de protection CEM | selon EN IEC 60947-5-3 |
| Catégorie d’emploi | |
| DC-13 | 24 V 200 mA (Attention : les sorties doivent être protégées par une diode de roue libre en cas de charges inductives) |
| Tension de service de l’électroaimant DC | |
| UCM | 24 V DC -15% ... +10% protégée contre les inversions de polarité, stabilisée, ondulation résiduelle<5 %, PELV |
| Facteur de marche de l’électroaimant ED | 100 % |
| Durée du risque selon EN 60947-5-3 | max. 400 ms |
| Charge de commutation | |
| selon UL | 24 V DC, Class 2 (Alternatives, voir mode d’emploi) |
| Classe de protection | III |
| Consommation | |
| ICM | 450 mA |
| IB | 80 mA |
| Durée de l'impulsion de test | max. 0.3 ms (Valable pour une charge avec C<= 30 nF et R<= 20 kΩ) |
| Degré de pollution (externe, selon EN 60947-1) | 3 |
| Sortie de signalisation OUT D | |
| Type de sortie | PNP, protégées contre les courts-circuits |
| Tension de sortie | |
| OUT D | 0.8xUB ... UB V DC |
| Courant de commutation | |
| OUT D | 1 ... 50 mA |
| Retard de commutation à partir du changement d’état | max. 700 ms |
| Sorties de sécurité OA / OB | |
| Type de sortie | 2 sorties à semi-conducteurs, PNP, protégées contre les courts-circuits |
| Tension de sortie | |
| BAS U(OA,OB) | 0 ... 1 V DC |
| HAUT U(OA,OB) | UB-1.5V ... UB V DC |
| Temps différentiel | |
| entre les deux sorties de sécurité | max. 10 ms |
| Temps d’activation | 400 ms |
| Courant résiduel Ir | max. 0.25 mA |
| Courant de commutation | |
| par sortie de sécurité OA / OB | 1 ... 200 mA |
Valeurs mécaniques et environnement
| Anfahrgeschwindigkeit | max. 20 m/min |
| Type de connexion | 2 connecteur M12, 5 broches |
| Temporisation avant l’état prêt | 1 s |
| Position de montage | Au choix |
| Fréquence de commutation | max. 0.5 Hz |
| Mobilité X | ±5 mm |
| Mobilité Y | ±5 mm |
| Mobilité Z | ±4 mm |
| Température de stockage | -25 ... 70 °C |
| Durée de vie mécanique | 2 x 10⁶ |
| Résistance aux chocs et aux vibrations | selon EN IEC 60947-5-3 |
| Indice de protection | IP67 (À l'état connecté et sécurisé) |
| Température ambiante | |
| avec UB = 24 V DC | -20 ... 55 °C |
| Matériau | |
| Rampe | acier inoxydable |
| Boîtier d’interrupteur de sécurité | aluminium moulé sous pression |
| Force de retenue Fmax | 6500 N |
| Force de retenue FZh | 5000 N |
| Principe d’interverrouillage | Verrouillage hors tension |
Valeurs caractéristiques selon EN ISO 13849-1 et EN IEC 62061
| PL | SIL maximal | PFHD | Catégorie | Durée d’utilisation | |
|---|---|---|---|---|---|
| Surveillance de l’interverrouillage | PL e | - | 3.1x10-9 | 4 | 20 y |
| PL | SIL maximal | Catégorie | Durée d’utilisation | |
|---|---|---|---|---|
| Commande de l’interverrouillage | Fonction de la commande extérieure de l’interverrouillage | 20 y | ||
Divers
| Avis pour l'homologation UL | Fonctionnement uniquement avec alimentation UL-Class 2 ou mesures équivalentes, voir mode d’emploi |
Accessoires

AM-C-SW4-V3-161344
- Inserts plastiques pour vis à six pans creux de 4 mm
- Protection efficace contre les manipulations abusives pour la fixation des interrupteurs de sécurité
- L’emballage contient des inserts pour 18 vis

AM-C-SW5-V3-161348
- Inserts plastiques pour vis à six pans creux de 5 mm
- Protection efficace contre les manipulations abusives pour la fixation des interrupteurs de sécurité
- L’emballage contient des inserts pour 18 vis

C-M12F05-05X034PV10,0-M12M05-100181
- Connecteur femelle M12 sur connecteur M12, 5 broches
- Connecteurs femelle et mâle droits
- Câble PVC
- Longueur de câble 10 m

C-M12F05-05X034PU10,0-M12M05-119947
- Connecteur femelle M12 sur connecteur M12, 5 broches
- Connecteurs femelle et mâle droits
- Câble PUR
- Longueur de câble 10 m

C-M12F05-05X034PV20,0-M12M05-100182
- Connecteur femelle M12 sur connecteur M12, 5 broches
- Connecteurs femelle et mâle droits
- Câble PVC
- Longueur de câble 20 m

C-M12F05-05X034PU20,0-M12M05-119971
- Connecteur femelle M12 sur connecteur M12, 5 broches
- Connecteurs femelle et mâle droits
- Câble PUR
- Longueur de câble 20 m

C-M12F05-05X034PV05,0-M12M05-100180
- Connecteur femelle M12 sur connecteur M12, 5 broches
- Connecteurs femelle et mâle droits
- Câble PVC
- Longueur de câble 5 m

C-M12F05-05X034PU05,0-M12M05-119932
- Connecteur femelle M12 sur connecteur M12, 5 broches
- Connecteurs femelle et mâle droits
- Câble PUR
- Longueur de câble 5 m

C-M12F05-05X025PU10,0-MA-113187
- Connecteur femelle M12, 5 broches
- Connecteur coudé
- Câble PUR
- Longueur de câble 10 m
- Sortie de câble A (côté droit)
- Avec extrémité de câble libre

C-M12F05-05X025PU10,0-MA-113190
- Connecteur femelle M12, 5 broches
- Connecteur coudé
- Câble PUR
- Longueur de câble 10 m
- Sortie de câble C (côté gauche)
- Avec extrémité de câble libre

C-M12F05-05X025PU10,0-M12M05-115565
- Connecteur femelle M12, 5 broches (coudé) sur connecteur M12 (droit)
- connecteur aux deux extrémités
- Câble PUR
- Longueur de câble 10 m
- avec sortie de câble A (côté droit)

C-M12F05-05X025PU10,0-M12M05-115566
- Connecteur femelle M12, 5 broches (coudé) sur connecteur M12 (droit)
- connecteur aux deux extrémités
- Câble PUR
- Longueur de câble 10 m
- avec sortie de câble C (côté gauche)

RIEGEL CET-A-C
- Verrou-targette pour famille d’interrupteurs CET
- Verrou-targette en acier
- Pour portes sur charnières à gauche ou à droite
- Avec butée de porte
- Convient pour un jeu de porte d’env. 15 mm

RIEGEL CET-A-C-C2308
- Verrou-targette pour famille d’interrupteurs CET
- Verrou-targette en acier
- Pour portes sur charnières à gauche ou à droite
- Sans butée de porte
- Convient pour un jeu de porte de 15 mm
Téléchargements
Documents individuels
Autres documents
Données de commande
| N° de commande | 124589 |
| Désignation article | CET3-AP-CRA-AH-50X-SI-C2438-124589 |
| Poids brut | 1,24kg |
| Code douanier | 85365019000 |
| ECLASS | 27-27-24-05 Safety-related transponder switch with guardlocking |






















