Interrupteur de sécurité avec interverrouillage CET-AR-..., RFID, connecteur(s) M12
- Verrouillage hors tension
- Multicode
- Boucle de retour Y
- Sortie de signalisation interverrouillage OUT, (système d'interverrouillage)
- 2 x connecteur(s) M12, à 5 broches et à 8 broches

Description
Principe d’interverrouillage
Verrouillage hors tension (Power to unlock) : pour un protecteur avec système d’interverrouillage fonctionnant en mode hors tension, le protecteur reste verrouillé mécaniquement jusqu’à ce que l’électroaimant de verrouillage soit alimenté en courant. Le déblocage s'effectue au moyen d'une force magnétique. On parle également d'interverrouillage mécanique.
Analyse Multicode
Il est vérifié s'il s'agit d'un type d'actionneur qui peut être reconnu par le système (évaluation multicode). Le système a un faible niveau de codage. Tout actionneur approprié est reconnu par l'interrupteur.
Valeurs caractéristiques de sécurité
Grâce à deux sorties de sécurité redondantes (sorties à semi-conducteur ) avec contrôle interne, l'appareil convient pour :
- Catégorie 4 /PL e selon EN 13849-1
- SIL 3 selon EN IEC 62061 Tableau 4
Les sorties OSSD utilisées vérifient leur fonction à l'aide d'impulsions de test pour les courts-circuits et les courts-circuits (entre deux conducteurs).
Indication par LED
LED STATE | LED d’état |
LED DIA | LED de diagnostic |
LED 1 rd | attribution libre |
LED 2 gn | attribution libre |
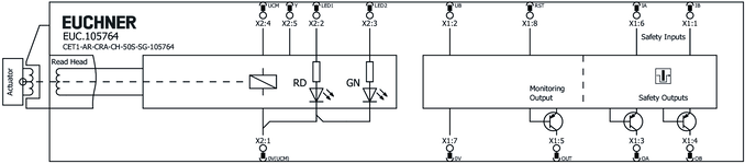
Affectation des broches
Accessoires nécessaires
L’actionneur n'est pas fourni.
L'interrupteur de sécurité ne peut être actionné qu'en liaison avec les actionneurs prévus à cet effet.



Dessins cotés

Exemples de connexion

Caractéristiques techniques
Autorisations


Espace de travail
| Répétabilité R | 10 % |
Puissance électrique connectée
| Couverture | |
| externe (tension de service UB) | 0.25 ... 8 A |
| externe (tension de service UCM) | 0.5 ... 8 A |
| Puissance absorbée | |
| Électroaimant | 11 W |
| Tension de service DC | |
| LED1,LED2 | 24 V DC -15% V DC ... +10% V DC |
| UB | 24 V DC -15% ... +15% protégée contre les inversions de polarité, stabilisée, ondulation résiduelle<5 %, PELV |
| Exigences de protection CEM | selon EN IEC 60947-5-3 |
| Catégorie d’emploi | |
| DC-13 | 24 V 200 mA (Attention : les sorties doivent être protégées par une diode de roue libre en cas de charges inductives) |
| Tension de service de l’électroaimant DC | |
| UCM | 24 V DC -15% ... +10% protégée contre les inversions de polarité, stabilisée, ondulation résiduelle<5 %, PELV |
| Facteur de marche de l’électroaimant ED | 100 % |
| Durée du risque selon EN 60947-5-3 | max. 400 ms |
| Durée du risque selon EN 60947-5-3, Rallonge pour chaque appareil supplémentaire | max. 5 ms |
| Charge de commutation | |
| selon UL | 24 V DC, Class 2 (Alternatives, voir mode d’emploi) |
| Classe de protection | III |
| Consommation | |
| ICM | 450 mA |
| IB | 80 mA |
| Durée de l'impulsion de test | max. 1 ms |
| Degré de pollution (externe, selon EN 60947-1) | 3 |
| Boucle de retour Y | |
| Tension d'entrée | |
| HAUT | 15 ... 27.6 V DC Boucle de retour Y |
| BAS | 0 ... 1 V DC Boucle de retour Y |
| Sortie de signalisation OUT | |
| Type de sortie | Sortie à semi-conducteurs, PNP, protégée contre les courts-circuits |
| Tension de sortie | |
| OUT | 0.8xUB ... UB V DC |
| Courant de sortie | |
| OUT | 1 ... 50 mA |
| Sorties de sécurité OA / OB | |
| Type de sortie | Sorties à semi-conducteurs, PNP, protégées contre les courts-circuits |
| Tension de sortie | |
| BAS U(OA,OB) | 0 ... 1 V DC |
| HAUT U(OA,OB) | UB-1.5V ... UB V DC (Valeurs pour un courant de 50 mA sans prise en compte de la longueur de câble.) |
| Courant de sortie | |
| par sortie de sécurité | 1 ... 200 mA |
| Temps différentiel | |
| entre les deux sorties de sécurité | max. 10 ms |
| Temps d’activation | |
| Sorties de sécurité | 400 ms |
| Courant résiduel Ir | max. 0.25 mA |
Valeurs mécaniques et environnement
| Anfahrgeschwindigkeit | max. 20 m/min |
| Type de connexion | 2 connecteurs M12, 5 et 8 broches |
| Temporisation avant l’état prêt | 10 s |
| Position de montage | Au choix |
| Fréquence de commutation | max. 0.5 Hz |
| Mobilité X | ±5 mm |
| Mobilité Y | ±5 mm |
| Mobilité Z | ±4 mm |
| Température de stockage | -25 ... 70 °C |
| Durée de vie mécanique | 2 x 10⁶ |
| Résistance aux chocs et aux vibrations | selon EN IEC 60947-5-3 |
| Indice de protection | IP67 (À l'état connecté et sécurisé) |
| Température ambiante | |
| avec UB = 24 V DC | -20 ... 55 °C |
| Matériau | |
| Boîtier d’interrupteur de sécurité | aluminium moulé sous pression |
| Rampe | acier inoxydable |
| Force de retenue Fmax | 6500 N |
| Force de retenue FZh | 5000 N |
| Principe d’interverrouillage | Verrouillage hors tension |
Valeurs caractéristiques selon EN ISO 13849-1 et EN IEC 62061
| PL | SIL maximal | PFHD | Catégorie | Durée d’utilisation | |
|---|---|---|---|---|---|
| Surveillance de l’interverrouillage | PL e | - | 3.1x10-9 | 4 | 20 y |
| PL | SIL maximal | Catégorie | Durée d’utilisation | |
|---|---|---|---|---|
| Commande de l’interverrouillage | Fonction de la commande extérieure de l’interverrouillage | 20 y | ||
Divers
| Avis pour l'homologation UL | Fonctionnement uniquement avec alimentation UL-Class 2 ou mesures équivalentes, voir mode d’emploi |
Accessoires

AM-C-SW4-V3-161344
- Inserts plastiques pour vis à six pans creux de 4 mm
- Protection efficace contre les manipulations abusives pour la fixation des interrupteurs de sécurité
- L’emballage contient des inserts pour 18 vis

AM-C-SW5-V3-161348
- Inserts plastiques pour vis à six pans creux de 5 mm
- Protection efficace contre les manipulations abusives pour la fixation des interrupteurs de sécurité
- L’emballage contient des inserts pour 18 vis

AC-YD-V0,2-SBB-111696
- Pour le raccordement en série d’interrupteurs de sécurité AR / BR sans analyse IO-Link
- Connecteur en Y M12 avec câble de raccordement, 2 x 5 broches, 1 x 8 broches
- Connecteur droit
- Câble PVC
- Longueur de câble 0,2 m

AC-YD-V1,0-SBB-112395
- Pour le raccordement en série d’interrupteurs de sécurité AR / BR sans analyse IO-Link
- Connecteur en Y M12 avec câble de raccordement, 2 x 5 broches, 1 x 8 broches
- Connecteur droit
- Câble PVC
- Longueur de câble 1 m

C-M12F05-05X034PU01,5-M12M05-159356
- Connecteur femelle M12 sur connecteur M12, 5 broches
- Connecteurs femelle et mâle droits
- Câble de raccordement conforme au standard AIDA
- Câble PUR, couleur de la gaine : gris
- Longueur de câble 1,5 m

C-M12F05-05X034PU01,5-M12M05-159363
- Connecteur femelle M12 sur connecteur M12, 5 broches
- Connecteurs femelle et mâle droits
- Câble de raccordement conforme au standard AIDA
- Câble PUR, couleur de la gaine : jaune
- Longueur de câble 1,5 m

C-M12F05-05X034PV10,0-M12M05-100181
- Connecteur femelle M12 sur connecteur M12, 5 broches
- Connecteurs femelle et mâle droits
- Câble PVC
- Longueur de câble 10 m

C-M12F05-05X034PU10,0-M12M05-119947
- Connecteur femelle M12 sur connecteur M12, 5 broches
- Connecteurs femelle et mâle droits
- Câble PUR
- Longueur de câble 10 m

C-M12F05-05X034PU10,0-M12M05-159360
- Connecteur femelle M12 sur connecteur M12, 5 broches
- Connecteurs femelle et mâle droits
- Câble de raccordement conforme au standard AIDA
- Câble PUR, couleur de la gaine : gris
- Longueur de câble 10 m

C-M12F05-05X034PU10,0-M12M05-159920
- Connecteur femelle M12 sur connecteur M12, 5 broches
- Connecteurs femelle et mâle droits
- Câble de raccordement conforme au standard AIDA
- Câble PUR, couleur de la gaine : jaune
- Longueur de câble 10 m

C-M12F05-05X034PU15,0-M12M05-159361
- Connecteur femelle M12 sur connecteur M12, 5 broches
- Connecteurs femelle et mâle droits
- Câble de raccordement conforme au standard AIDA
- Câble PUR, couleur de la gaine : gris
- Longueur de câble 15 m

C-M12F05-05X034PU15,0-M12M05-159921
- Connecteur femelle M12 sur connecteur M12, 5 broches
- Connecteurs femelle et mâle droits
- Câble de raccordement conforme au standard AIDA
- Câble PUR, couleur de la gaine : jaune
- Longueur de câble 15 m

C-M12F05-05X034PU01,0-M12M05-159355
- Connecteur femelle M12 sur connecteur M12, 5 broches
- Connecteurs femelle et mâle droits
- Câble de raccordement conforme au standard AIDA
- Câble PUR, couleur de la gaine : gris
- Longueur de câble 1 m

C-M12F05-05X034PU01,0-M12M05-159362
- Connecteur femelle M12 sur connecteur M12, 5 broches
- Connecteurs femelle et mâle droits
- Câble de raccordement conforme au standard AIDA
- Câble PUR, couleur de la gaine : jaune
- Longueur de câble 1 m

C-M12F05-05X034PV20,0-M12M05-100182
- Connecteur femelle M12 sur connecteur M12, 5 broches
- Connecteurs femelle et mâle droits
- Câble PVC
- Longueur de câble 20 m

C-M12F05-05X034PU20,0-M12M05-119971
- Connecteur femelle M12 sur connecteur M12, 5 broches
- Connecteurs femelle et mâle droits
- Câble PUR
- Longueur de câble 20 m

C-M12F05-05X034PU03,0-M12M05-159357
- Connecteur femelle M12 sur connecteur M12, 5 broches
- Connecteurs femelle et mâle droits
- Câble de raccordement conforme au standard AIDA
- Câble PUR, couleur de la gaine : gris
- Longueur de câble 3 m

C-M12F05-05X034PU03,0-M12M05-159364
- Connecteur femelle M12 sur connecteur M12, 5 broches
- Connecteurs femelle et mâle droits
- Câble de raccordement conforme au standard AIDA
- Câble PUR, couleur de la gaine : jaune
- Longueur de câble 3 m

C-M12F05-05X034PV05,0-M12M05-100180
- Connecteur femelle M12 sur connecteur M12, 5 broches
- Connecteurs femelle et mâle droits
- Câble PVC
- Longueur de câble 5 m

C-M12F05-05X034PU05,0-M12M05-119932
- Connecteur femelle M12 sur connecteur M12, 5 broches
- Connecteurs femelle et mâle droits
- Câble PUR
- Longueur de câble 5 m

C-M12F05-05X034PU05,0-M12M05-159358
- Connecteur femelle M12 sur connecteur M12, 5 broches
- Connecteurs femelle et mâle droits
- Câble de raccordement conforme au standard AIDA
- Câble PUR, couleur de la gaine : gris
- Longueur de câble 5 m

C-M12F05-05X034PU05,0-M12M05-159365
- Connecteur femelle M12 sur connecteur M12, 5 broches
- Connecteurs femelle et mâle droits
- Câble de raccordement conforme au standard AIDA
- Câble PUR, couleur de la gaine : jaune
- Longueur de câble 5 m

C-M12F05-05X034PU08,0-M12M05-159359
- Connecteur femelle M12 sur connecteur M12, 5 broches
- Connecteurs femelle et mâle droits
- Câble de raccordement conforme au standard AIDA
- Câble PUR, couleur de la gaine : gris
- Longueur de câble 8 m

C-M12F05-05X034PU08,0-M12M05-159919
- Connecteur femelle M12 sur connecteur M12, 5 broches
- Connecteurs femelle et mâle droits
- Câble de raccordement conforme au standard AIDA
- Câble PUR, couleur de la gaine : jaune
- Longueur de câble 8 m

C-M12F05-05X025PU10,0-MA-113187
- Connecteur femelle M12, 5 broches
- Connecteur coudé
- Câble PUR
- Longueur de câble 10 m
- Sortie de câble A (côté droit)
- Avec extrémité de câble libre

C-M12F05-05X025PU10,0-MA-113190
- Connecteur femelle M12, 5 broches
- Connecteur coudé
- Câble PUR
- Longueur de câble 10 m
- Sortie de câble C (côté gauche)
- Avec extrémité de câble libre

C-M12F08-08X025PU10,0-MA-113188
- Connecteur femelle M12, 8 broches
- Connecteur coudé
- Orientation A (côté droit)
- Câble PUR
- Longueur de câble 10 m
- Avec extrémité de câble libre

C-M12F08-08X025PU10,0-MA-113189
- Connecteur femelle M12, 8 broches
- Connecteur coudé
- Orientation C (côté gauche)
- Câble PUR
- Longueur de câble 10 m
- Avec extrémité de câble libre

C-M12F08-08X025PU20,0-MA-120998
- Connecteur femelle M12, 8 broches
- Connecteur coudé
- Orientation A (côté droit)
- Câble PUR
- Longueur de câble 20 m
- Avec extrémité de câble libre

C-M12F08-08X025PU20,0-MA-120999
- Connecteur femelle M12, 8 broches
- Connecteur coudé
- Orientation C (côté gauche)
- Câble PUR
- Longueur de câble 20 m
- Avec extrémité de câble libre

C-M12F05-05X025PU10,0-M12M05-115565
- Connecteur femelle M12, 5 broches (coudé) sur connecteur M12 (droit)
- connecteur aux deux extrémités
- Câble PUR
- Longueur de câble 10 m
- avec sortie de câble A (côté droit)

C-M12F05-05X025PU10,0-M12M05-115566
- Connecteur femelle M12, 5 broches (coudé) sur connecteur M12 (droit)
- connecteur aux deux extrémités
- Câble PUR
- Longueur de câble 10 m
- avec sortie de câble C (côté gauche)

RIEGEL CET-A-C
- Verrou-targette pour famille d’interrupteurs CET
- Verrou-targette en acier
- Pour portes sur charnières à gauche ou à droite
- Avec butée de porte
- Convient pour un jeu de porte d’env. 15 mm

RIEGEL CET-A-C-C2308
- Verrou-targette pour famille d’interrupteurs CET
- Verrou-targette en acier
- Pour portes sur charnières à gauche ou à droite
- Sans butée de porte
- Convient pour un jeu de porte de 15 mm
Téléchargements
Documents individuels
Autres documents
Données de commande
| N° de commande | 105764 |
| Désignation article | CET1-AR-CRA-CH-50S-SG-105764 |
| Poids brut | 1,135kg |
| Code douanier | 85365019000 |
| ECLASS | 27-27-24-05 Safety-related transponder switch with guardlocking |





















