Interrupteur de sécurité avec interverrouillage CET-AR-..., RFID, connecteur(s) M23 (RC18), déverrouillage interne
- Verrouillage sous tension
- Unicode
- Entrée d’apprentissage J
- Sortie de signalisation interverrouillage OUT, (système d'interverrouillage)
- Sortie de signalisation position de la porte OUT D
- Connecteur(s) M23 (RC18), 19 broches
- Déverrouillage interne, 75 mm de long

Description
Principe d’interverrouillage
Verrouillage sous tension (Power on to lock) : pour un protecteur avec système d'interverrouillage fonctionnant en mode sous tension (courant de travail), le dispositif de protection reste verrouillé tant que l’électroaimant de verrouillage est alimenté en courant. Le déverrouillage s'effectue au moyen d'une force mécanique (effet ressort). On parle également d'interverrouillage électrique.
Analyse Unicode
Chaque actionneur possède un niveau de codage élevé (unicode). L’interrupteur ne reconnaît que les actionneurs appris. L’apprentissage d’autres actionneurs est possible.
L’actionneur reconnu est toujours celui qui a été appris en dernier.
Valeurs caractéristiques de sécurité
Grâce à deux sorties de sécurité redondantes (sorties à semi-conducteur ) avec contrôle interne, l'appareil convient pour :
- Catégorie 4 /PL e selon EN 13849-1
- SIL 3 selon EN IEC 62061 Tableau 4
Les sorties OSSD utilisées vérifient leur fonction à l'aide d'impulsions de test pour les courts-circuits et les courts-circuits (entre deux conducteurs).
Déverrouillage interne
Permet, en cas de danger, de débloquer l’interverrouillage sans outillage complémentaire depuis la zone de danger.
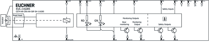
Indication par LED
LED STATE | LED d’état |
LED DIA | LED de diagnostic |
LED 1 rd | attribution libre |
LED 2 gn | attribution libre |
Affectation des broches
Accessoires nécessaires
L’actionneur n'est pas fourni.
L'interrupteur de sécurité ne peut être actionné qu'en liaison avec les actionneurs prévus à cet effet.



Dessins cotés

Exemples de connexion

Caractéristiques techniques
Autorisations


Espace de travail
| Répétabilité R | 10 % |
Puissance électrique connectée
| Couverture | |
| externe (tension de service UB) | 0.25 ... 8 A |
| externe (tension de service de l’électroaimant UCM) | 0.5 ... 8 A |
| Puissance absorbée | |
| Électroaimant | 11 W |
| Câble de raccordement | 30 V DC, 2 A (pour l’exigence UL code catégorie (CYJV2/CYJV8) ou (CYJV/CYJV7)) |
| Tension de service DC | |
| LED | 24 V DC -15% V DC ... +10% V DC |
| UB | 24 V DC -15% ... +15% protégée contre les inversions de polarité, stabilisée, ondulation résiduelle<5 %, PELV |
| Exigences de protection CEM | selon EN IEC 60947-5-3 |
| Catégorie d’emploi | |
| DC-13 | 24 V 200 mA (Attention : les sorties doivent être protégées par une diode de roue libre en cas de charges inductives) |
| Tension de service de l’électroaimant DC | |
| UCM | 24 V DC -15% ... +10% protégée contre les inversions de polarité, stabilisée, ondulation résiduelle<5 %, PELV |
| Facteur de marche de l’électroaimant ED | 100 % |
| Durée du risque selon EN 60947-5-3 | max. 400 ms |
| Durée du risque selon EN 60947-5-3, Rallonge pour chaque appareil supplémentaire | max. 5 ms |
| Charge de commutation | |
| selon UL | 24 V DC, Class 2 (Alternatives, voir mode d’emploi) |
| Classe de protection | III |
| Consommation | |
| IB | 80 mA |
| ICM | 450 mA |
| Durée de l'impulsion de test | max. 1 ms |
| Degré de pollution (externe, selon EN 60947-1) | 3 |
| Entrée d’apprentissage | |
| Tension d'entrée | |
| BAS | 0 ... 1 V DC |
| HAUT | 15 ... 27.6 V DC |
| Sortie de signalisation OUT D | |
| Type de sortie | PNP, protégées contre les courts-circuits |
| Tension de sortie | |
| OUT D | 0.8xUB ... UB V DC |
| Courant de commutation | |
| OUT D | 1 ... 50 mA |
| Retard de commutation à partir du changement d’état | max. 700 ms |
| Sortie de signalisation OUT | |
| Type de sortie | PNP, protégées contre les courts-circuits |
| Tension de sortie | |
| OUT | 0.8xUB ... UB V DC |
| Courant de commutation | |
| OUT | 1 ... 50 mA |
| Retard de commutation à partir du changement d’état | max. 400 ms |
| Sorties de sécurité OA / OB | |
| Type de sortie | 2 sorties à semi-conducteurs, PNP, protégées contre les courts-circuits |
| Tension de sortie | |
| HAUT U(OA,OB) | UB-1.5V ... UB V DC |
| BAS U(OA,OB) | 0 ... 1 V DC |
| Temps différentiel | |
| entre les deux sorties de sécurité | max. 10 ms |
| Temps d’activation | 400 ms |
| Courant résiduel Ir | max. 0.25 mA |
| Courant de commutation | |
| par sortie de sécurité OA / OB | 1 ... 200 mA |
Valeurs mécaniques et environnement
| Anfahrgeschwindigkeit | max. 20 m/min |
| Type de connexion | 1 connecteur M23, 19 broches, RC18 |
| Temporisation avant l’état prêt | 10 s |
| Position de montage | Au choix |
| Fréquence de commutation | max. 0.5 Hz |
| Mobilité X | ±5 mm |
| Mobilité Y | ±5 mm |
| Mobilité Z | ±4 mm |
| Température de stockage | -25 ... 70 °C |
| Durée de vie mécanique | 2 x 10⁶ |
| Résistance aux chocs et aux vibrations | selon EN IEC 60947-5-3 |
| Indice de protection | IP65 / IP67 (À l'état connecté et sécurisé) |
| Température ambiante | |
| avec UB = 24 V DC | -20 ... 55 °C |
| Matériau | |
| Rampe | acier inoxydable |
| Boîtier d’interrupteur de sécurité | aluminium moulé sous pression |
| Force de retenue Fmax | 6500 N |
| Force de retenue FZh | 5000 N (FZH = FMAX/1,3) |
| Principe d’interverrouillage | Verrouillage sous tension |
Valeurs caractéristiques selon EN ISO 13849-1 et EN IEC 62061
| PL | SIL maximal | PFHD | Catégorie | Durée d’utilisation | |
|---|---|---|---|---|---|
| Surveillance de l’interverrouillage | PL e | - | 3.1x10-9 | 4 | 20 y |
Divers
| Avis pour l'homologation UL | Fonctionnement uniquement avec alimentation UL-Class 2 ou mesures équivalentes, voir mode d’emploi |
Accessoires

AM-C-SW4-V3-161344
- Inserts plastiques pour vis à six pans creux de 4 mm
- Protection efficace contre les manipulations abusives pour la fixation des interrupteurs de sécurité
- L’emballage contient des inserts pour 18 vis

AM-C-SW5-V3-161348
- Inserts plastiques pour vis à six pans creux de 5 mm
- Protection efficace contre les manipulations abusives pour la fixation des interrupteurs de sécurité
- L’emballage contient des inserts pour 18 vis
C-M23F19-19XDIFPU01,5-MA-092906
- Connecteur M23, 18 broches + PE
- Connecteur coudé
- Sortie de câble C (côté gauche)
- Câble PUR
- Longueur de câble 1,5 m
- Avec extrémité de câble libre
- Conducteurs individuels avec codage de couleur
C-M23F19-19XDIFPU01,5-MA-092907
- Connecteur M23, 18 broches + PE
- Connecteur coudé
- Sortie de câble A (côté droit)
- Câble PUR
- Longueur de câble 1,5 m
- Avec extrémité de câble libre
- Conducteurs individuels avec codage de couleur
C-M23F19-19XDIFPU10,0-MA-092901
- Connecteur M23, 18 broches + PE
- Connecteur coudé
- Sortie de câble C (côté gauche)
- Câble PUR
- Longueur de câble 10 m
- Avec extrémité de câble libre
- Conducteurs individuels avec codage de couleur
C-M23F19-19XDIFPU10,0-MA-092902
- Connecteur M23, 18 broches + PE
- Connecteur coudé
- Sortie de câble A (côté droit)
- Câble PUR
- Longueur de câble 10 m
- Avec extrémité de câble libre
- Conducteurs individuels avec codage de couleur
C-M23F19-19XDIFPU15,0-MA-077020
- Connecteur M23, 18 broches + PE
- Connecteur coudé
- Sortie de câble C (côté gauche)
- Câble PUR
- Longueur de câble 15 m
- Avec extrémité de câble libre
- Conducteurs individuels avec codage de couleur
C-M23F19-19XDIFPU15,0-MA-085196
- Connecteur M23, 18 broches + PE
- Connecteur coudé
- Sortie de câble A (côté droit)
- Câble PUR
- Longueur de câble 15 m
- Avec extrémité de câble libre
- Conducteurs individuels avec codage de couleur
C-M23F19-19XDIFPU20,0-MA-092910
- Connecteur M23, 18 broches + PE
- Connecteur coudé
- Sortie de câble C (côté gauche)
- Câble PUR
- Longueur de câble 20 m
- Avec extrémité de câble libre
- Conducteurs individuels avec codage de couleur
C-M23F19-19XDIFPU20,0-MA-092911
- Connecteur M23, 18 broches + PE
- Connecteur coudé
- Sortie de câble A (côté droit)
- Câble PUR
- Longueur de câble 20 m
- Avec extrémité de câble libre
- Conducteurs individuels avec codage de couleur
C-M23F19-19XDIFPU25,0-MA-092912
- Connecteur M23, 18 broches + PE
- Connecteur coudé
- Sortie de câble C (côté gauche)
- Câble PUR
- Longueur de câble 25 m
- Avec extrémité de câble libre
- Conducteurs individuels avec codage de couleur
C-M23F19-19XDIFPU25,0-MA-092913
- Connecteur M23, 18 broches + PE
- Connecteur coudé
- Sortie de câble A (côté droit)
- Câble PUR
- Longueur de câble 25 m
- Avec extrémité de câble libre
- Conducteurs individuels avec codage de couleur
C-M23F19-19XDIFPU03,0-MA-092908
- Connecteur M23, 18 broches + PE
- Connecteur coudé
- Sortie de câble C (côté gauche)
- Câble PUR
- Longueur de câble 3 m
- Avec extrémité de câble libre
- Conducteurs individuels avec codage de couleur
C-M23F19-19XDIFPU03,0-MA-092909
- Connecteur M23, 18 broches + PE
- Connecteur coudé
- Sortie de câble A (côté droit)
- Câble PUR
- Longueur de câble 3 m
- Avec extrémité de câble libre
- Conducteurs individuels avec codage de couleur
C-M23F19-19XDIFPU06,0-MA-077018
- Connecteur M23, 18 broches + PE
- Connecteur coudé
- Sortie de câble C (côté gauche)
- Câble PUR
- Longueur de câble 6 m
- Avec extrémité de câble libre
- Conducteurs individuels avec codage de couleur
C-M23F19-19XDIFPU06,0-MA-085194
- Connecteur M23, 18 broches + PE
- Connecteur coudé
- Sortie de câble A (côté droit)
- Câble PUR
- Longueur de câble 6 m
- Avec extrémité de câble libre
- Conducteurs individuels avec codage de couleur
C-M23F19-19XDIFPU08,0-MA-077019
- Connecteur RC18, 18 broches + PE
- Connecteur coudé
- Sortie de câble C (côté gauche)
- Câble PUR
- Longueur de câble 8 m
- Avec extrémité de câble libre
- Conducteurs individuels avec codage de couleur
C-M23F19-19XDIFPU08,0-MA-085195
- Connecteur M23, 18 broches + PE
- Connecteur coudé
- Sortie de câble A (côté droit)
- Câble PUR
- Longueur de câble 8 m
- Avec extrémité de câble libre
- Conducteurs individuels avec codage de couleur
Téléchargements
Documents individuels
Autres documents
Données de commande
| N° de commande | 116285 |
| Désignation article | CET4-AR-CRA-AH-50F-SH-116285 |
| Poids brut | 1,319kg |
| Code douanier | 85365019000 |
| ECLASS | 27-27-24-05 Safety-related transponder switch with guardlocking |























