AccueilProdukteInterrupteurs de sécurité à codage par transpondeur avec interverrouillageCTPCTP-APCTP-L1-AP-U-HA-AZ-SII-124468
Interrupteur de sécurité à codage par transpondeur CTP-AP, 2 x M12
- Interrupteur de sécurité avec interverrouillage et système d’analyse électronique intégré
- Raccordement direct à des modules d’interfaces décentralisées (par ex. ET200pro)
- Détection des courts-circuits entre conducteurs
- 2 sorties de sécurité (sorties à semi-conducteur)
- Jusqu’à la catégorie 4 / PL e selon EN ISO 13849-1
- Avec 2 connecteurs M12
- Unicode
- Sens d’attaque A, B et C (état d’origine)

Description
Analyse Unicode
Chaque actionneur possède un niveau de codage élevé (unicode). L’interrupteur ne reconnaît que les actionneurs appris. L’apprentissage d’autres actionneurs est possible. L’actionneur reconnu est toujours celui qui a été appris en dernier.
Mode d’interverrouillage
CTP‑L1 | Interverrouillage mécanique et déblocage par énergie ON (principe de verrouillage hors tension). |
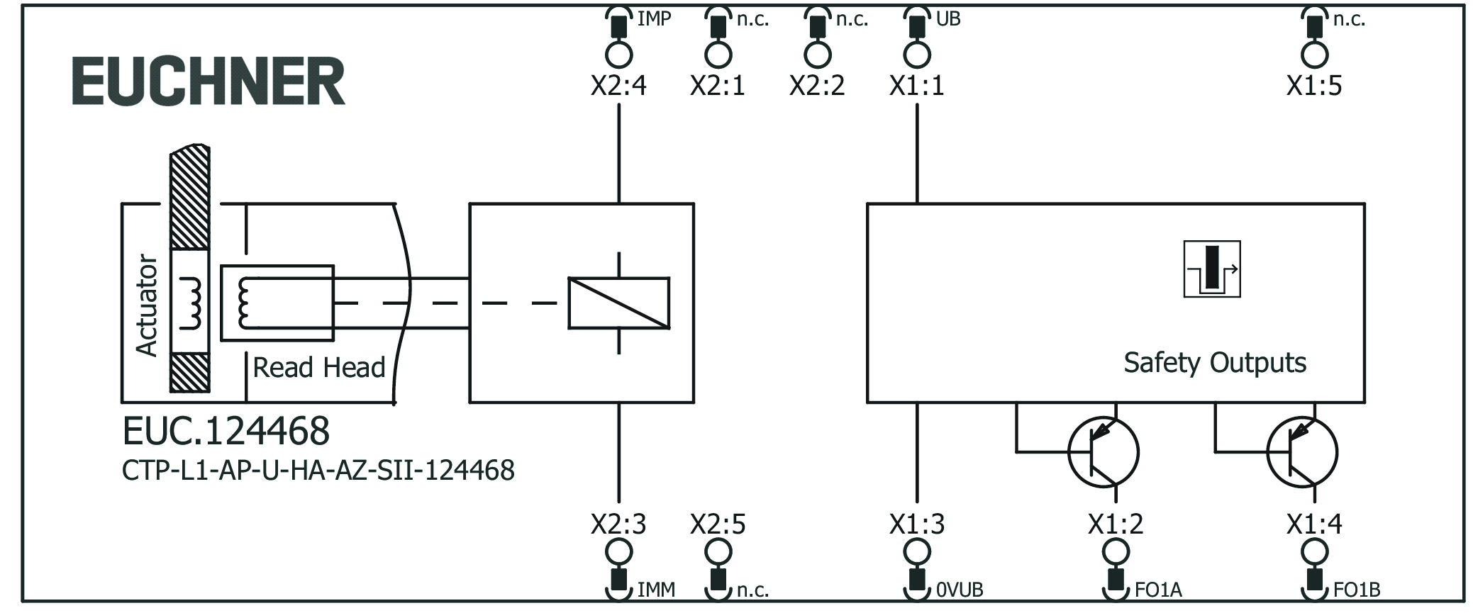
Affectation des broches
Dessins cotés

| 1 | Déverrouillage auxiliaire |
| 2 | Vis de protection |
| 3 | LED |
Exemples de connexion

Caractéristiques techniques
Autorisations




Espace de travail
| Répétabilité R | 10 % |
Puissance électrique connectée
| Couverture | |
| externe (tension de service UB) | 0.25 ... 8 A |
| externe (tension de service de l’électroaimant IMP) | 0.5 ... 8 A |
| Puissance absorbée | 6 W |
| Tension assignée d’isolement Ui | 50 V |
| Tension de choc assignée Uimp | 0.5 kV |
| Tension de service DC | |
| UUB | 24 V DC -15% ... +15% protégée contre les inversions de polarité, stabilisée, ondulation résiduelle<5 %, PELV |
| Exigences de protection CEM | selon EN IEC 60947-5-3 |
| Catégorie d’emploi | |
| DC-13 | 24 V 150 mA (Attention : les sorties doivent être protégées par une diode de roue libre en cas de charges inductives) |
| Tension de service de l’électroaimant DC | |
| UIMP | 24 V DC -15% ... +10% protégée contre les inversions de polarité, stabilisée, ondulation résiduelle<5 %, PELV |
| Facteur de marche de l’électroaimant ED | 100 % |
| Charge de commutation | |
| selon UL | 24 V DC, Class 2 (Alternative, voir mode d’emploi) |
| Classe de protection | III |
| Consommation | |
| IIMP | 400 mA |
| IUB | 40 mA |
| Durée de l'impulsion de test | max. 0.3 ms (Valable pour une charge avec C<= 30 nF et R<= 20 kΩ) |
| Intervalle des impulsions de test | min. 100 ms |
| Degré de pollution (externe, selon EN 60947-1) | 3 |
| Sorties de sécurité FO1A / FO1B | |
| Type de sortie | 2 sorties à semi-conducteurs, PNP, protégées contre les courts-circuits |
| Tension de sortie | |
| HAUT U(FO1A) / U(FO1B) | UB-1.5 ... UB V DC |
| BAS U(FO1A) / U(FO1B) | 0 ... 1 V DC |
| Temps différentiel | |
| entre les deux sorties de sécurité | max. 10 ms selon EN IEC 60947-5-3 |
| Temps d’activation | max. 400 ms |
| Courant résiduel Ir | max. 0.25 mA |
| Courant de commutation | |
| par sortie de sécurité FO1A/FO1B | 1 ... 150 mA |
Valeurs mécaniques et environnement
| Anfahrgeschwindigkeit | max. 20 m/min |
| Type de connexion | 2 connecteurs M12, 5 broches+BROCHE 5 non utilisée |
| Force de retrait | 20 N |
| Temporisation avant l’état prêt | max. 1 s |
| Force d’actionnement | 10 N |
| Position de montage | Au choix |
| Fréquence de commutation | max. 0.5 Hz |
| Température de stockage | -25 ... 70 °C |
| Durée de vie mécanique | 1 x 10⁶ |
| Surcourse | 5 mm |
| Force de retenue | 20 N |
| Résistance aux chocs et aux vibrations | selon EN IEC 60947-5-3 |
| Indice de protection | IP67 / IP69 / IP69K (À l'état connecté et sécurisé) |
| Température ambiante | |
| avec UB = 24 V DC | -20 ... 55 °C |
| Matériau | |
| Protection tête d’interrupteur | Zinc moulé sous pression |
| Boîtier d’interrupteur de sécurité | Thermoplastique renforcé avec des fibres de verre |
| Force de retenue Fmax | 3900 N |
| Force de retenue FZh | 3000 N (Fzh = Fmax/1,3 En fonction de l’actionneur utilisé) |
| Principe d’interverrouillage | Verrouillage hors tension |
Valeurs caractéristiques selon EN ISO 13849-1 et EN IEC 62061
| PL | SIL maximal | PFHD | Catégorie | Durée d’utilisation | |
|---|---|---|---|---|---|
| Surveillance de l’interverrouillage | PL e | - | 4.1x10-9 | 4 | 20 y |
| PL | SIL maximal | Catégorie | Durée d’utilisation | |
|---|---|---|---|---|
| Commande de l’interverrouillage | Fonction de la commande extérieure de l’interverrouillage | 20 y | ||
Divers
| Avis pour l'homologation UL | Fonctionnement uniquement avec alimentation UL-Class 2 ou mesures équivalentes, voir mode d’emploi |
Accessoires
Accessoires de montage
Protection efficace contre les manipulations abusives pour la fixation des interrupteurs de sécurité

161344
AM-C-SW4-V3-161344
AM-C-SW4-V3-161344
- Inserts plastiques pour vis à six pans creux de 4 mm
- Protection efficace contre les manipulations abusives pour la fixation des interrupteurs de sécurité
- L’emballage contient des inserts pour 18 vis

161348
AM-C-SW5-V3-161348
AM-C-SW5-V3-161348
- Inserts plastiques pour vis à six pans creux de 5 mm
- Protection efficace contre les manipulations abusives pour la fixation des interrupteurs de sécurité
- L’emballage contient des inserts pour 18 vis
Actionneur
Languette articulée pour interrupteurs de sécurité CTP/CTA

122671
A-C-H-RL-LS-122671
A-C-H-RL-LS-122671
- Languette articulée pour portes sur charnières à gauche
- Deux vis de sécurité fournies

122672
A-C-H-RR-LS-122672
A-C-H-RR-LS-122672
- Languette articulée pour portes sur charnières à droite
- Deux vis de sécurité fournies

122675
A-C-H-RO-LS-122675
A-C-H-RO-LS-122675
- Languette articulée pour portes sur charnières en haut
- Deux vis de sécurité fournies

122676
A-C-H-RU-LS-122676
A-C-H-RU-LS-122676
- Languette articulée pour portes sur charnières en bas
- Deux vis de sécurité fournies
Fonctions supplémentaires
Déverrouillage par câble
096230
AE-B-A1-02,0-096230
AE-B-A1-02,0-096230
- Utilisable comme déverrouillage interne ou déverrouillage de secours
- Sans auto-réarmement
- Longueur de gaine 2 m (longueur de câble 6 m)
097747
AE-B-A1-02,0-F-097747
AE-B-A1-02,0-F-097747
- Utilisable comme déverrouillage interne ou déverrouillage de secours
- Auto-réarmement
- Longueur de gaine 2 m (longueur de câble 6 m)
098313
AE-B-A1-03,0-098313
AE-B-A1-03,0-098313
- Utilisable comme déverrouillage interne ou déverrouillage de secours
- Sans auto-réarmement
- Longueur de gaine 3 m (longueur de câble 6 m)
098314
AE-B-A1-04,0-098314
AE-B-A1-04,0-098314
- Utilisable comme déverrouillage interne ou déverrouillage de secours
- Sans auto-réarmement
- Longueur de gaine 4 m (longueur de câble 6 m)
111233
AE-B-A1-03,0-F-111233
AE-B-A1-03,0-F-111233
- Utilisable comme déverrouillage interne ou déverrouillage de secours
- Auto-réarmement
- Longueur de gaine 3 m (longueur de câble 6 m)
125582
AE-B-A1-06,0-125582
AE-B-A1-06,0-125582
- Utilisable comme déverrouillage interne ou déverrouillage de secours
- Sans auto-réarmement
- Longueur de câble 6 m (sans gaine)
124770
AE-B-A1-06,0-F-124770
AE-B-A1-06,0-F-124770
- Utilisable comme déverrouillage interne ou déverrouillage de secours
- Auto-réarmement
- Longueur de câble 6 m (sans gaine)
Serrure pour déverrouillage auxiliaire pour interrupteurs de sécurité CTP/CTA/TP/STP

084177
AE-K-A1-DULK1-84177
AE-K-A1-DULK1-84177
- Serrure à fermeture différenciée
- Clé retirable en position "déverrouillée", "verrouillée"

086236
AE-K-A1-IULK1-86236
AE-K-A1-IULK1-86236
- Serrure universelle
- Clé retirable en position "déverrouillée", "verrouillée"

109212
AE-K-A1-IUK2-109212
AE-K-A1-IUK2-109212
- Serrure universelle
- Clé retirable uniquement en position "déverrouillée"

121917
AE-K-A1-ILK1-121917
AE-K-A1-ILK1-121917
- Serrure universelle
- Clé retirable en position "verrouillée"
Matériel de raccordement
Câble de raccordement avec 2 connecteurs M12, 5 broches, 1,5 m, standard AIDA

159356
C-M12F05-05X034PU01,5-M12M05-159356
C-M12F05-05X034PU01,5-M12M05-159356
- Connecteur femelle M12 sur connecteur M12, 5 broches
- Connecteurs femelle et mâle droits
- Câble de raccordement conforme au standard AIDA
- Câble PUR, couleur de la gaine : gris
- Longueur de câble 1,5 m

159363
C-M12F05-05X034PU01,5-M12M05-159363
C-M12F05-05X034PU01,5-M12M05-159363
- Connecteur femelle M12 sur connecteur M12, 5 broches
- Connecteurs femelle et mâle droits
- Câble de raccordement conforme au standard AIDA
- Câble PUR, couleur de la gaine : jaune
- Longueur de câble 1,5 m
Câble de raccordement avec 2 connecteurs M12, 5 broches, 10 m

100181
C-M12F05-05X034PV10,0-M12M05-100181
C-M12F05-05X034PV10,0-M12M05-100181
- Connecteur femelle M12 sur connecteur M12, 5 broches
- Connecteurs femelle et mâle droits
- Câble PVC
- Longueur de câble 10 m

119947
C-M12F05-05X034PU10,0-M12M05-119947
C-M12F05-05X034PU10,0-M12M05-119947
- Connecteur femelle M12 sur connecteur M12, 5 broches
- Connecteurs femelle et mâle droits
- Câble PUR
- Longueur de câble 10 m
Câble de raccordement avec 2 connecteurs M12, 5 broches, 10 m, standard AIDA

159360
C-M12F05-05X034PU10,0-M12M05-159360
C-M12F05-05X034PU10,0-M12M05-159360
- Connecteur femelle M12 sur connecteur M12, 5 broches
- Connecteurs femelle et mâle droits
- Câble de raccordement conforme au standard AIDA
- Câble PUR, couleur de la gaine : gris
- Longueur de câble 10 m

159920
C-M12F05-05X034PU10,0-M12M05-159920
C-M12F05-05X034PU10,0-M12M05-159920
- Connecteur femelle M12 sur connecteur M12, 5 broches
- Connecteurs femelle et mâle droits
- Câble de raccordement conforme au standard AIDA
- Câble PUR, couleur de la gaine : jaune
- Longueur de câble 10 m
Câble de raccordement avec 2 connecteurs M12, 5 broches, 15 m, standard AIDA

159361
C-M12F05-05X034PU15,0-M12M05-159361
C-M12F05-05X034PU15,0-M12M05-159361
- Connecteur femelle M12 sur connecteur M12, 5 broches
- Connecteurs femelle et mâle droits
- Câble de raccordement conforme au standard AIDA
- Câble PUR, couleur de la gaine : gris
- Longueur de câble 15 m

159921
C-M12F05-05X034PU15,0-M12M05-159921
C-M12F05-05X034PU15,0-M12M05-159921
- Connecteur femelle M12 sur connecteur M12, 5 broches
- Connecteurs femelle et mâle droits
- Câble de raccordement conforme au standard AIDA
- Câble PUR, couleur de la gaine : jaune
- Longueur de câble 15 m
Câble de raccordement avec 2 connecteurs M12, 5 broches, 1 m, standard AIDA

159355
C-M12F05-05X034PU01,0-M12M05-159355
C-M12F05-05X034PU01,0-M12M05-159355
- Connecteur femelle M12 sur connecteur M12, 5 broches
- Connecteurs femelle et mâle droits
- Câble de raccordement conforme au standard AIDA
- Câble PUR, couleur de la gaine : gris
- Longueur de câble 1 m

159362
C-M12F05-05X034PU01,0-M12M05-159362
C-M12F05-05X034PU01,0-M12M05-159362
- Connecteur femelle M12 sur connecteur M12, 5 broches
- Connecteurs femelle et mâle droits
- Câble de raccordement conforme au standard AIDA
- Câble PUR, couleur de la gaine : jaune
- Longueur de câble 1 m
Câble de raccordement avec 2 connecteurs M12, 5 broches, 20 m

100182
C-M12F05-05X034PV20,0-M12M05-100182
C-M12F05-05X034PV20,0-M12M05-100182
- Connecteur femelle M12 sur connecteur M12, 5 broches
- Connecteurs femelle et mâle droits
- Câble PVC
- Longueur de câble 20 m

119971
C-M12F05-05X034PU20,0-M12M05-119971
C-M12F05-05X034PU20,0-M12M05-119971
- Connecteur femelle M12 sur connecteur M12, 5 broches
- Connecteurs femelle et mâle droits
- Câble PUR
- Longueur de câble 20 m
Câble de raccordement avec 2 connecteurs M12, 5 broches, 3 m, standard AIDA

159357
C-M12F05-05X034PU03,0-M12M05-159357
C-M12F05-05X034PU03,0-M12M05-159357
- Connecteur femelle M12 sur connecteur M12, 5 broches
- Connecteurs femelle et mâle droits
- Câble de raccordement conforme au standard AIDA
- Câble PUR, couleur de la gaine : gris
- Longueur de câble 3 m

159364
C-M12F05-05X034PU03,0-M12M05-159364
C-M12F05-05X034PU03,0-M12M05-159364
- Connecteur femelle M12 sur connecteur M12, 5 broches
- Connecteurs femelle et mâle droits
- Câble de raccordement conforme au standard AIDA
- Câble PUR, couleur de la gaine : jaune
- Longueur de câble 3 m
Câble de raccordement avec 2 connecteurs M12, 5 broches, 5 m

100180
C-M12F05-05X034PV05,0-M12M05-100180
C-M12F05-05X034PV05,0-M12M05-100180
- Connecteur femelle M12 sur connecteur M12, 5 broches
- Connecteurs femelle et mâle droits
- Câble PVC
- Longueur de câble 5 m

119932
C-M12F05-05X034PU05,0-M12M05-119932
C-M12F05-05X034PU05,0-M12M05-119932
- Connecteur femelle M12 sur connecteur M12, 5 broches
- Connecteurs femelle et mâle droits
- Câble PUR
- Longueur de câble 5 m
Câble de raccordement avec 2 connecteurs M12, 5 broches, 5 m, standard AIDA

159358
C-M12F05-05X034PU05,0-M12M05-159358
C-M12F05-05X034PU05,0-M12M05-159358
- Connecteur femelle M12 sur connecteur M12, 5 broches
- Connecteurs femelle et mâle droits
- Câble de raccordement conforme au standard AIDA
- Câble PUR, couleur de la gaine : gris
- Longueur de câble 5 m

159365
C-M12F05-05X034PU05,0-M12M05-159365
C-M12F05-05X034PU05,0-M12M05-159365
- Connecteur femelle M12 sur connecteur M12, 5 broches
- Connecteurs femelle et mâle droits
- Câble de raccordement conforme au standard AIDA
- Câble PUR, couleur de la gaine : jaune
- Longueur de câble 5 m
Câble de raccordement avec 2 connecteurs M12, 5 broches, 8 m, standard AIDA

159359
C-M12F05-05X034PU08,0-M12M05-159359
C-M12F05-05X034PU08,0-M12M05-159359
- Connecteur femelle M12 sur connecteur M12, 5 broches
- Connecteurs femelle et mâle droits
- Câble de raccordement conforme au standard AIDA
- Câble PUR, couleur de la gaine : gris
- Longueur de câble 8 m

159919
C-M12F05-05X034PU08,0-M12M05-159919
C-M12F05-05X034PU08,0-M12M05-159919
- Connecteur femelle M12 sur connecteur M12, 5 broches
- Connecteurs femelle et mâle droits
- Câble de raccordement conforme au standard AIDA
- Câble PUR, couleur de la gaine : jaune
- Longueur de câble 8 m
Câble de raccordement avec connecteur M12 coudé, 5 broches, 10 m

113187
C-M12F05-05X025PU10,0-MA-113187
C-M12F05-05X025PU10,0-MA-113187
- Connecteur femelle M12, 5 broches
- Connecteur coudé
- Câble PUR
- Longueur de câble 10 m
- Sortie de câble A (côté droit)
- Avec extrémité de câble libre

113190
C-M12F05-05X025PU10,0-MA-113190
C-M12F05-05X025PU10,0-MA-113190
- Connecteur femelle M12, 5 broches
- Connecteur coudé
- Câble PUR
- Longueur de câble 10 m
- Sortie de câble C (côté gauche)
- Avec extrémité de câble libre
Rallonge PUR M12, 5 conducteurs, connecteur aux deux extrémités, 10 m

115565
C-M12F05-05X025PU10,0-M12M05-115565
C-M12F05-05X025PU10,0-M12M05-115565
- Connecteur femelle M12, 5 broches (coudé) sur connecteur M12 (droit)
- connecteur aux deux extrémités
- Câble PUR
- Longueur de câble 10 m
- avec sortie de câble A (côté droit)

115566
C-M12F05-05X025PU10,0-M12M05-115566
C-M12F05-05X025PU10,0-M12M05-115566
- Connecteur femelle M12, 5 broches (coudé) sur connecteur M12 (droit)
- connecteur aux deux extrémités
- Câble PUR
- Longueur de câble 10 m
- avec sortie de câble C (côté gauche)
Verrou-targette en métal
Verrou-targette pour interrupteurs de sécurité CTP, CTA

123653
RIEGEL CTP-AC-123653
RIEGEL CTP-AC-123653
- Verrou-targette en acier
- Pour portes sur charnières à droite et à gauche
- Condamnation possible par cadenas en position ouverte
- Actionneur fourni

137354
RIEGEL CTP-AC-C2308-137354
RIEGEL CTP-AC-C2308-137354
- Verrou-targette en acier
- Pour portes sur charnières à droite et à gauche
- Condamnation possible par cadenas en position ouverte
- Actionneur fourni
- Verrou-targette sans butée de porte, adapté aux portes va-et-vient
Téléchargements
Documents individuels
Déclarations de conformité
EU-Konformitätserklärung
N° doc.
Version
Langue
Taille
EU-Konformitätserklärung
N° doc.
EDC2123042
Version
Langue
Taille
0,2 MB
UKCA-Konformitätserklärung
N° doc.
Version
Langue
Taille
UKCA-Konformitätserklärung
N° doc.
EDC20001501
Version
Langue
Taille
0,1 MB
Instructions
Interrupteur de sécurité à codage par transpondeur avec interverrouillage CTP-AP Uni-/multicode
N° doc.
Version
Langue
Taille
Interrupteur de sécurité à codage par transpondeur avec interverrouillage CTP-AP Uni-/multicode
N° doc.
2124217
Version
08-06/21
Langue
Taille
4,4 MB
Transponder-Coded Safety Switch With Guard Locking CTP-AP Unicode/Multicode
N° doc.
2124217
Version
08-06/21
Langue
Taille
4,4 MB
Interruptor de seguridad con codificación por transponder con bloqueo CTP-AP Unicode/Multicode
N° doc.
2124217
Version
08-06/21
Langue
Taille
4,4 MB
Transpondercodierter Sicherheitsschalter mit Zuhaltung CTP-AP Uni-/Multicode
N° doc.
2124217
Version
08-06/21
Langue
Taille
4,4 MB
Finecorsa di sicurezza con codifica a transponder con meccanismo di ritenuta CTP-AP Unicode/Multicode
N° doc.
2124217
Version
08-06/21
Langue
Taille
4,4 MB
トランスポンダー コーデッド安全スイッチ ガードロックあり CTP-AP ユニコード/マルチコード
N° doc.
2124217
Version
08-06/21
Langue
Taille
4,5 MB
Bezpečnostní spínač s kódovaným transpondérem a jištěním ochranného krytu CTP-AP Unicode/Multicode
N° doc.
2124217
Version
08-06/21
Langue
Taille
4,5 MB
Autres documents
Agréments et certificats
DGUV
N° doc.
Version
Langue
Taille
DGUV
N° doc.
Version
Langue
Taille
2,4 MB
FCC
N° doc.
Version
Langue
Taille
FCC
N° doc.
Version
Langue
Taille
0,1 MB
IC
N° doc.
Version
Langue
Taille
IC
N° doc.
Version
Langue
Taille
1,8 MB
c UL us
N° doc.
Version
Langue
Taille
c UL us
N° doc.
Version
Langue
Taille
0,3 MB
Documents de vente
Interrupteur de sécurité à codage par transpondeur CTP avec interverrouillage
N° doc.
Version
Langue
Taille
Interrupteur de sécurité à codage par transpondeur CTP avec interverrouillage
N° doc.
123245
Version
12-02/18
Langue
Taille
2,3 MB
transponder-coded safety switch CTP with guard locking
N° doc.
123244
Version
12-02/18
Langue
Taille
2,3 MB
Interruptor de seguridad CTP codifi cado por transponder con bloqueo
N° doc.
123246
Version
12-02/18
Langue
Taille
2,3 MB
Transpondercodierter Sicherheitsschalter CTP mit Zuhaltung
N° doc.
123243
Version
12-02/18
Langue
Taille
2,3 MB
Fiches info
Info sheets
Ficha informativa
Fichas de informação
信息表
情報シート
정보 시트
Informační listy
Info sheets
Ficha informativa
Fichas de informação
信息表
情報シート
정보 시트
Informační listy
N° doc.
126214
Version
12-02/18
Langue
Taille
2,3 MB
Finecorsa di sicurezza con codifi ca a transponder CTP con meccanismo di ritenuta
N° doc.
126042
Version
12-02/18
Langue
Taille
2,3 MB
Fiches info
Info sheets
Ficha informativa
Fichas de informação
信息表
情報シート
정보 시트
Informační listy
Info sheets
Ficha informativa
Fichas de informação
信息表
情報シート
정보 시트
Informační listy
N° doc.
158439
Version
12-02/18
Langue
Taille
2,4 MB
ガード・ロック付き トランスポンダー・ コード化 安全スイッ チCTP
N° doc.
136411
Version
12-02/18
Langue
Taille
4,3 MB
Bezpecnostní spínac CTP s kódovaným transpondérem a jištením ochranného krytu
N° doc.
126604
Version
12-02/18
Langue
Taille
2,3 MB
Kodowany RFID - wyłącznik bezpieczeństwa CTP z ryglowaniem
N° doc.
160884
Version
12-02/18
Langue
Taille
2,2 MB
Kilitli RFID kodlu emniyet salteri CTP
N° doc.
126076
Version
12-02/18
Langue
Taille
2,3 MB
Données de commande
| N° de commande | 124468 |
| Désignation article | CTP-L1-AP-U-HA-AZ-SII-124468 |
| Poids brut | 0,591kg |
| Code douanier | 85365019000 |
| ECLASS | 27-27-24-05 Safety-related transponder switch with guardlocking |


















