AccueilProdukteInterrupteurs de sécurité à codage par transpondeur avec interverrouillageCTSCTS-BPCTS-C1-BP-CC-FLX-AP-VBB-173730
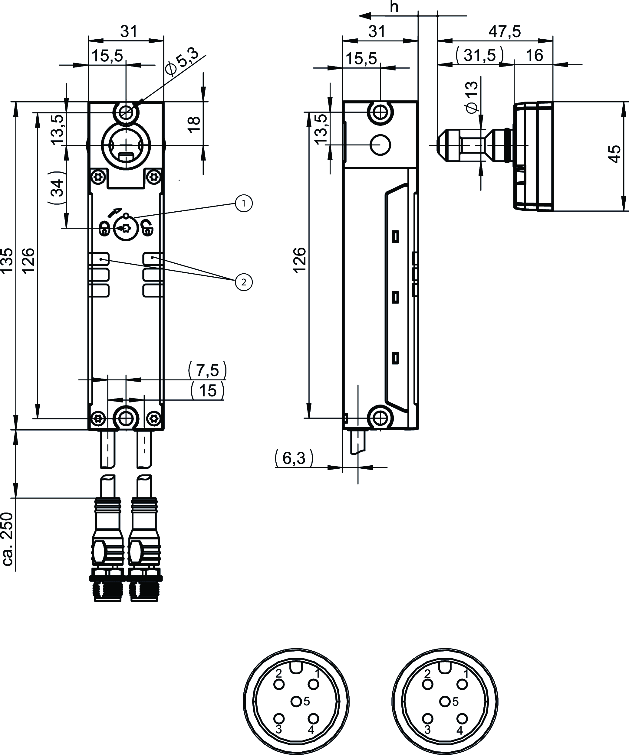
Interrupteur de sécurité à codage par transpondeur CTS-C1- BP avec FlexFunction, 2 x M12
- Jusqu’à la catégorie 4 / PL e selon EN ISO 13849-1
- Verrouillage hors tension
- Raccordement à des modules d’interfaces décentralisées (par ex. ET200pro) par connecteur en Y
- Câble de raccordement, PVC, 25 cm, connecteur 2 x M12
- Sortie de signalisation position porte 1 / interverrouillage

Description
Mode d’interverrouillage
CTS-C1 | Interverrouillage mécanique et déblocage par énergie ON (principe de verrouillage hors tension). |
FlexFunction
L’interrupteur est configuré par l’actionneur lors de la mise en service. En fonction du choix de l’actionneur, le contrôle d’interverrouillage de l’interrupteur de sécurité est actif ou inactif et l’analyse à haut ou bas niveau de codage.
Déverrouillage auxiliaire / déverrouillage interne
- Déverrouillage auxiliaire en face avant et arrière
- Déverrouillage interne montable ultérieurement, en face arrière
Affectation des broches
Affectation de la broche X2.2 en fonction de l'actionneur de configuration



Dessins cotés

| 1 | Déverrouillage auxiliaire |
| 2 | LED |
Exemples de connexion

Exemples de connexion

Caractéristiques techniques
Autorisations


Puissance électrique connectée
| Couverture | |
| IMP | 1 ... 8 A externe |
| UB | 1 ... 8 A externe |
| Puissance absorbée | 9 W |
| Courant conditionnel de court-circuit | 100 A |
| Tension assignée d’isolement Ui | 32 V |
| Tension de choc assignée Uimp | 0.8 kV |
| Tension de service DC | |
| UB | 24 V DC -15% ... +20% (protégée contre les inversions de polarité, stabilisée, ondulation résiduelle<5 %, SELV) |
| Temps différentiel | max. 10 ms |
| Temps d’activation | max. 400 ms |
| Exigences de protection CEM | selon EN IEC 60947-5-3 |
| Tension de service de l’électroaimant DC | 24 V DC -15% ... +20% protégée contre les inversions de polarité, stabilisée, ondulation résiduelle<5 %, SELV |
| Facteur de marche de l’électroaimant ED | 100 % |
| Durée du risque selon EN 60947-5-3 | max. 200 ms |
| Durée du risque selon EN 60947-5-3, Rallonge pour chaque appareil supplémentaire | max. 10 ms |
| Charge de commutation | |
| selon UL | DC 24 V, Class 2 |
| Classe de protection | III |
| Consommation | |
| IIMP | 500 mA |
| IUB | 50 mA |
| Degré de pollution (externe, selon EN 60947-1) | 3 |
| Sorties de signalisation Ox/C | |
| Type de sortie | PNP, protégées contre les courts-circuits |
| Tension de sortie | 0.8xUB ... UB V DC |
| Courant de sortie | |
| Configuration I (contrôle d’interverrouillage inactif) | 1 ... 10 mA |
| Configuration L (contrôle d’interverrouillage actif) | 1 ... 20 mA |
| Sorties de sécurité FO1A/FO1B | |
| Type de sortie | Sorties à semi-conducteurs, PNP, protégées contre les courts-circuits |
| Tension de sortie | |
| UFO1A /UFO1B BAS | 0 ... 1 V DC |
| UFO1A /UFO1B HAUT | UB-4V ... UB V DC (Valeur pour un courant de 50 mA sans prise en compte de la longueur de câble) |
| Courant de sortie | |
| Configuration I (contrôle d’interverrouillage inactif) | 1 ... 75 mA |
| Configuration L (contrôle d’interverrouillage actif) | 1 ... 80 mA |
| Catégorie d’emploi | |
| DC-13 Configuration L (contrôle d'interverrouillage actif) | 24 V 80 mA (Attention : les sorties doivent être protégées par une diode de roue libre en cas de charges inductives) |
| DC-13 Configuration I (contrôle d'interverrouillage inactif) | 24 V 75 mA (Attention : les sorties doivent être protégées par une diode de roue libre en cas de charges inductives) |
| Durée de l'impulsion de test | max. 0.3 ms |
| Intervalle des impulsions de test | min. 96 ms |
Valeurs mécaniques et environnement
| Anfahrgeschwindigkeit | max. 20 m/min |
| Force de retrait | 25 N |
| Temporisation avant l’état prêt | max. 1 s |
| Force d’actionnement | 25 N |
| Position de montage | Au choix |
| Température de stockage | -25 ... 70 °C |
| Durée de vie mécanique | 1 x 10⁶ |
| Force de retenue | 10 N |
| Résistance aux chocs et aux vibrations | selon EN IEC 60947-5-3 |
| Indice de protection | IP65 / IP67 / IP69 / IP69K |
| Température ambiante | -20 ... 55 °C (En configuration I de l’interrupteur (contrôle d’interverrouillage inactif), la valeur max. est de +50 °C) |
| Matériau | |
| Protection tête d’interrupteur | Zinc moulé sous pression |
| Boîtier d’interrupteur de sécurité | Thermoplastique renforcé avec des fibres de verre |
| câble de raccordement | PVC |
| Force de retenue Fmax | 3900 N |
| Force de retenue FZh | 3000 N |
| Principe d’interverrouillage | Verrouillage hors tension |
| Connexion X1/X2 | |
| Type de connexion | Câble de raccordement avec connecteur M12 |
| Rayon de courbure statique | 8x diamètre de câble |
| Départ de ligne | droite |
| Longueur de câble | 0.25 m |
| Nombre de broches | 5 |
| Sorties de sécurité FO1A/FO1B | |
| Fréquence de commutation | max. 0.2 Hz |
Valeurs caractéristiques selon EN ISO 13849-1 et EN IEC 62061
| PL | SIL maximal | PFHD | Catégorie | Durée d’utilisation | |
|---|---|---|---|---|---|
| Surveillance de la position du protecteur | PL e | 3 | 6.44x10-9 | 4 | 20 y |
| Surveillance de l’interverrouillage | PL e | 3 | 6.44x10-9 | 4 | 20 y |
| Ne s’applique qu’avec le contrôle d’interverrouillage actif (interverrouillage pour la protection des personnes). Selon l’élément d’actionnement utilisé. | |||||
| PL | SIL maximal | Catégorie | Durée d’utilisation | |
|---|---|---|---|---|
| Commande de l’interverrouillage | Fonction de la commande extérieure de l’interverrouillage | 20 y | ||
Divers
| Avis pour l'homologation UL | Fonctionnement uniquement avec alimentation UL-Class 2 ou mesures équivalentes, voir mode d’emploi |
Accessoires
Accessoires de montage
Actionneur
Actionneur pour interrupteur de sécurité CTS

167919
A-FLX-D-0C-167919
A-FLX-D-0C-167919
- Actionneur pour la configuration de l’interrupteur de sécurité CTS
- Configuration : surveillance de l’état verrouillé, haut niveau de codage (L+HC)

169045
A-FLX-D-0E-169045
A-FLX-D-0E-169045
- Actionneur pour la configuration de l’interrupteur de sécurité CTS
- Configuration : surveillance de l’état verrouillé, bas niveau de codage (L+LC)

169044
A-FLX-D-0D-169044
A-FLX-D-0D-169044
- Actionneur pour la configuration de l’interrupteur de sécurité CTS
- Configuration : surveillance de la position de la porte, haut niveau de codage (I+HC)

169046
A-FLX-D-0F-169046
A-FLX-D-0F-169046
- Actionneur pour la configuration de l’interrupteur de sécurité CTS
- Configuration : surveillance de la position de la porte, bas niveau de codage(I+LC)
Fonctions supplémentaires
Matériel de raccordement
Câble de raccordement avec 2 connecteurs M12, 5 broches, 1,5 m, standard AIDA

159356
C-M12F05-05X034PU01,5-M12M05-159356
C-M12F05-05X034PU01,5-M12M05-159356
- Connecteur femelle M12 sur connecteur M12, 5 broches
- Connecteurs femelle et mâle droits
- Câble de raccordement conforme au standard AIDA
- Câble PUR, couleur de la gaine : gris
- Longueur de câble 1,5 m

159363
C-M12F05-05X034PU01,5-M12M05-159363
C-M12F05-05X034PU01,5-M12M05-159363
- Connecteur femelle M12 sur connecteur M12, 5 broches
- Connecteurs femelle et mâle droits
- Câble de raccordement conforme au standard AIDA
- Câble PUR, couleur de la gaine : jaune
- Longueur de câble 1,5 m
Câble de raccordement avec 2 connecteurs M12, 5 broches, 10 m

100181
C-M12F05-05X034PV10,0-M12M05-100181
C-M12F05-05X034PV10,0-M12M05-100181
- Connecteur femelle M12 sur connecteur M12, 5 broches
- Connecteurs femelle et mâle droits
- Câble PVC
- Longueur de câble 10 m

119947
C-M12F05-05X034PU10,0-M12M05-119947
C-M12F05-05X034PU10,0-M12M05-119947
- Connecteur femelle M12 sur connecteur M12, 5 broches
- Connecteurs femelle et mâle droits
- Câble PUR
- Longueur de câble 10 m
Câble de raccordement avec 2 connecteurs M12, 5 broches, 10 m, standard AIDA

159360
C-M12F05-05X034PU10,0-M12M05-159360
C-M12F05-05X034PU10,0-M12M05-159360
- Connecteur femelle M12 sur connecteur M12, 5 broches
- Connecteurs femelle et mâle droits
- Câble de raccordement conforme au standard AIDA
- Câble PUR, couleur de la gaine : gris
- Longueur de câble 10 m

159920
C-M12F05-05X034PU10,0-M12M05-159920
C-M12F05-05X034PU10,0-M12M05-159920
- Connecteur femelle M12 sur connecteur M12, 5 broches
- Connecteurs femelle et mâle droits
- Câble de raccordement conforme au standard AIDA
- Câble PUR, couleur de la gaine : jaune
- Longueur de câble 10 m
Câble de raccordement avec 2 connecteurs M12, 5 broches, 15 m, standard AIDA

159361
C-M12F05-05X034PU15,0-M12M05-159361
C-M12F05-05X034PU15,0-M12M05-159361
- Connecteur femelle M12 sur connecteur M12, 5 broches
- Connecteurs femelle et mâle droits
- Câble de raccordement conforme au standard AIDA
- Câble PUR, couleur de la gaine : gris
- Longueur de câble 15 m

159921
C-M12F05-05X034PU15,0-M12M05-159921
C-M12F05-05X034PU15,0-M12M05-159921
- Connecteur femelle M12 sur connecteur M12, 5 broches
- Connecteurs femelle et mâle droits
- Câble de raccordement conforme au standard AIDA
- Câble PUR, couleur de la gaine : jaune
- Longueur de câble 15 m
Câble de raccordement avec 2 connecteurs M12, 5 broches, 1 m, standard AIDA

159355
C-M12F05-05X034PU01,0-M12M05-159355
C-M12F05-05X034PU01,0-M12M05-159355
- Connecteur femelle M12 sur connecteur M12, 5 broches
- Connecteurs femelle et mâle droits
- Câble de raccordement conforme au standard AIDA
- Câble PUR, couleur de la gaine : gris
- Longueur de câble 1 m

159362
C-M12F05-05X034PU01,0-M12M05-159362
C-M12F05-05X034PU01,0-M12M05-159362
- Connecteur femelle M12 sur connecteur M12, 5 broches
- Connecteurs femelle et mâle droits
- Câble de raccordement conforme au standard AIDA
- Câble PUR, couleur de la gaine : jaune
- Longueur de câble 1 m
Câble de raccordement avec 2 connecteurs M12, 5 broches, 20 m

100182
C-M12F05-05X034PV20,0-M12M05-100182
C-M12F05-05X034PV20,0-M12M05-100182
- Connecteur femelle M12 sur connecteur M12, 5 broches
- Connecteurs femelle et mâle droits
- Câble PVC
- Longueur de câble 20 m

119971
C-M12F05-05X034PU20,0-M12M05-119971
C-M12F05-05X034PU20,0-M12M05-119971
- Connecteur femelle M12 sur connecteur M12, 5 broches
- Connecteurs femelle et mâle droits
- Câble PUR
- Longueur de câble 20 m
Câble de raccordement avec 2 connecteurs M12, 5 broches, 3 m, standard AIDA

159357
C-M12F05-05X034PU03,0-M12M05-159357
C-M12F05-05X034PU03,0-M12M05-159357
- Connecteur femelle M12 sur connecteur M12, 5 broches
- Connecteurs femelle et mâle droits
- Câble de raccordement conforme au standard AIDA
- Câble PUR, couleur de la gaine : gris
- Longueur de câble 3 m

159364
C-M12F05-05X034PU03,0-M12M05-159364
C-M12F05-05X034PU03,0-M12M05-159364
- Connecteur femelle M12 sur connecteur M12, 5 broches
- Connecteurs femelle et mâle droits
- Câble de raccordement conforme au standard AIDA
- Câble PUR, couleur de la gaine : jaune
- Longueur de câble 3 m
Câble de raccordement avec 2 connecteurs M12, 5 broches, 5 m

100180
C-M12F05-05X034PV05,0-M12M05-100180
C-M12F05-05X034PV05,0-M12M05-100180
- Connecteur femelle M12 sur connecteur M12, 5 broches
- Connecteurs femelle et mâle droits
- Câble PVC
- Longueur de câble 5 m

119932
C-M12F05-05X034PU05,0-M12M05-119932
C-M12F05-05X034PU05,0-M12M05-119932
- Connecteur femelle M12 sur connecteur M12, 5 broches
- Connecteurs femelle et mâle droits
- Câble PUR
- Longueur de câble 5 m
Câble de raccordement avec 2 connecteurs M12, 5 broches, 5 m, standard AIDA

159358
C-M12F05-05X034PU05,0-M12M05-159358
C-M12F05-05X034PU05,0-M12M05-159358
- Connecteur femelle M12 sur connecteur M12, 5 broches
- Connecteurs femelle et mâle droits
- Câble de raccordement conforme au standard AIDA
- Câble PUR, couleur de la gaine : gris
- Longueur de câble 5 m

159365
C-M12F05-05X034PU05,0-M12M05-159365
C-M12F05-05X034PU05,0-M12M05-159365
- Connecteur femelle M12 sur connecteur M12, 5 broches
- Connecteurs femelle et mâle droits
- Câble de raccordement conforme au standard AIDA
- Câble PUR, couleur de la gaine : jaune
- Longueur de câble 5 m
Câble de raccordement avec 2 connecteurs M12, 5 broches, 8 m, standard AIDA

159359
C-M12F05-05X034PU08,0-M12M05-159359
C-M12F05-05X034PU08,0-M12M05-159359
- Connecteur femelle M12 sur connecteur M12, 5 broches
- Connecteurs femelle et mâle droits
- Câble de raccordement conforme au standard AIDA
- Câble PUR, couleur de la gaine : gris
- Longueur de câble 8 m

159919
C-M12F05-05X034PU08,0-M12M05-159919
C-M12F05-05X034PU08,0-M12M05-159919
- Connecteur femelle M12 sur connecteur M12, 5 broches
- Connecteurs femelle et mâle droits
- Câble de raccordement conforme au standard AIDA
- Câble PUR, couleur de la gaine : jaune
- Longueur de câble 8 m
Téléchargements
Documents individuels
Déclarations de conformité
EU-Konformitätserklärung
N° doc.
Version
Langue
Taille
EU-Konformitätserklärung
N° doc.
EDC20001628
Version
Langue
Taille
0,2 MB
UKCA-Konformitätserklärung
N° doc.
Version
Langue
Taille
UKCA-Konformitätserklärung
N° doc.
EDC20001651
Version
Langue
Taille
0,2 MB
Instructions
Mode d’emploi Interrupteur de sécurité à codage par transpondeur avec interverrouillage CTS-C1-BP/BR-FLX Haut / Bas niveau de codage
N° doc.
Version
Langue
Taille
Mode d’emploi Interrupteur de sécurité à codage par transpondeur avec interverrouillage CTS-C1-BP/BR-FLX Haut / Bas niveau de codage
N° doc.
MAN20001587
Version
11/24
Langue
Taille
7,3 MB
Operating Instructions Transponder-Coded Safety Switch with Guard Locking CTS-C1-BP/BR-FLX High/Low Coding Level
N° doc.
MAN20001587
Version
11/24
Langue
Taille
7,3 MB
Manual de instrucciones Interruptor de seguridad codificado por transponder con bloqueo CTS-C1-BP/BR-FLX con alto/bajo nivel de codificación
N° doc.
MAN20001587
Version
11/24
Langue
Taille
7,3 MB
Betriebsanleitung Transpondercodierter Sicherheitsschalter mit Zuhaltung CTS-C1-BP/BR-FLX Hoch-/Niedrigcodiert
N° doc.
MAN20001587
Version
11/24
Langue
Taille
7,3 MB
使用说明书 应答机编码安全开关 配有门锁功能 CTS-C1-BP/BR-FLX 高/低编码等级
N° doc.
MAN20001587
Version
11/24
Langue
Taille
7,6 MB
操作説明書 トランスポンダー コーデッド安全スイッチ ガードロック付き CTS-C1-BP/BR-FLX 高 / 低コーディングレベル
N° doc.
MAN20001587
Version
11/24
Langue
Taille
7,6 MB
Autres documents
Agréments et certificats
FCC
N° doc.
Version
Langue
Taille
FCC
N° doc.
20001625
Version
Langue
Taille
0,2 MB
ISED_CTS
N° doc.
Version
Langue
Taille
ISED_CTS
N° doc.
20001626
Version
Langue
Taille
0,1 MB
UL
N° doc.
Version
Langue
Taille
UL
N° doc.
Version
Langue
Taille
0,3 MB
UQS CTS-C1, CTS-C2
N° doc.
Version
Langue
Taille
UQS CTS-C1, CTS-C2
N° doc.
ECO20001630
Version
Langue
Taille
0,2 MB
Documents de vente
1 つですべてに対応
FlexFunction 付き安全スイッチ CTS
N° doc.
Version
Langue
Taille
1 つですべてに対応
FlexFunction 付き安全スイッチ CTS
N° doc.
171724
Version
02-05/22
Langue
Taille
6,6 MB
Communication du futur – industrie 4.0
N° doc.
Version
Langue
Taille
Communication du futur – industrie 4.0
N° doc.
159044
Version
08-03/23
Langue
Taille
4,7 MB
Future-proof Communication – Industry 4.0
N° doc.
Version
Langue
Taille
Future-proof Communication – Industry 4.0
N° doc.
159043
Version
08-03/23
Langue
Taille
5,8 MB
La comunicación del futuro: la industria 4.0
N° doc.
Version
Langue
Taille
La comunicación del futuro: la industria 4.0
N° doc.
159045
Version
08-03/23
Langue
Taille
5,8 MB
One fits all
Finecorsa di sicurezza CTS con FlexFunction
N° doc.
Version
Langue
Taille
One fits all
Finecorsa di sicurezza CTS con FlexFunction
N° doc.
169847
Version
02-05/22
Langue
Taille
2,8 MB
One fits all
Safety switch CTS with FlexFunction
N° doc.
Version
Langue
Taille
One fits all
Safety switch CTS with FlexFunction
N° doc.
169642
Version
02-05/22
Langue
Taille
2,8 MB
Données de commande
| N° de commande | 173730 |
| Désignation article | CTS-C1-BP-CC-FLX-AP-VBB-173730 |
| Poids brut | 0,575kg |
| Code douanier | 85365019000 |
| ECLASS | 27-27-24-05 Safety-related transponder switch with guardlocking |







