AccueilProdukteInterrupteurs de sécurité à codage par transpondeur avec interverrouillageCEM-C60CEM-M2-C60-PZ-SE-161320
Interverrouillage magnétique variable CEM-C60 avec aimant permanent, connecteur à gauche
- Interverrouillage magnétique pour la protection du process
- Électroaimant d’interverrouillage avec force de maintien de 650 N
- Fonctions supplémentaires pour interrupteur de sécurité CES-C04 / CES-C07
- Flexibilité grâce à un large choix d’interrupteurs de sécurité
- Niveau de sécurité maximum PL e / catégorie 4 pour la détection de la position de la porte en combinaison avec CES-C04 / CES-C07
- Codage par transpondeur permettant un niveau élevé d’infraudabilité
- Raccordement aisé de l’électroaimant par connecteur M12, 5 broches
- LED jaune, pour indication de la tension sur l’électroaimant
- Électroaimant à surface nickelée et haute résistance à la corrosion
- Aimant permanent intégré, force de maintien de 30 N

Description
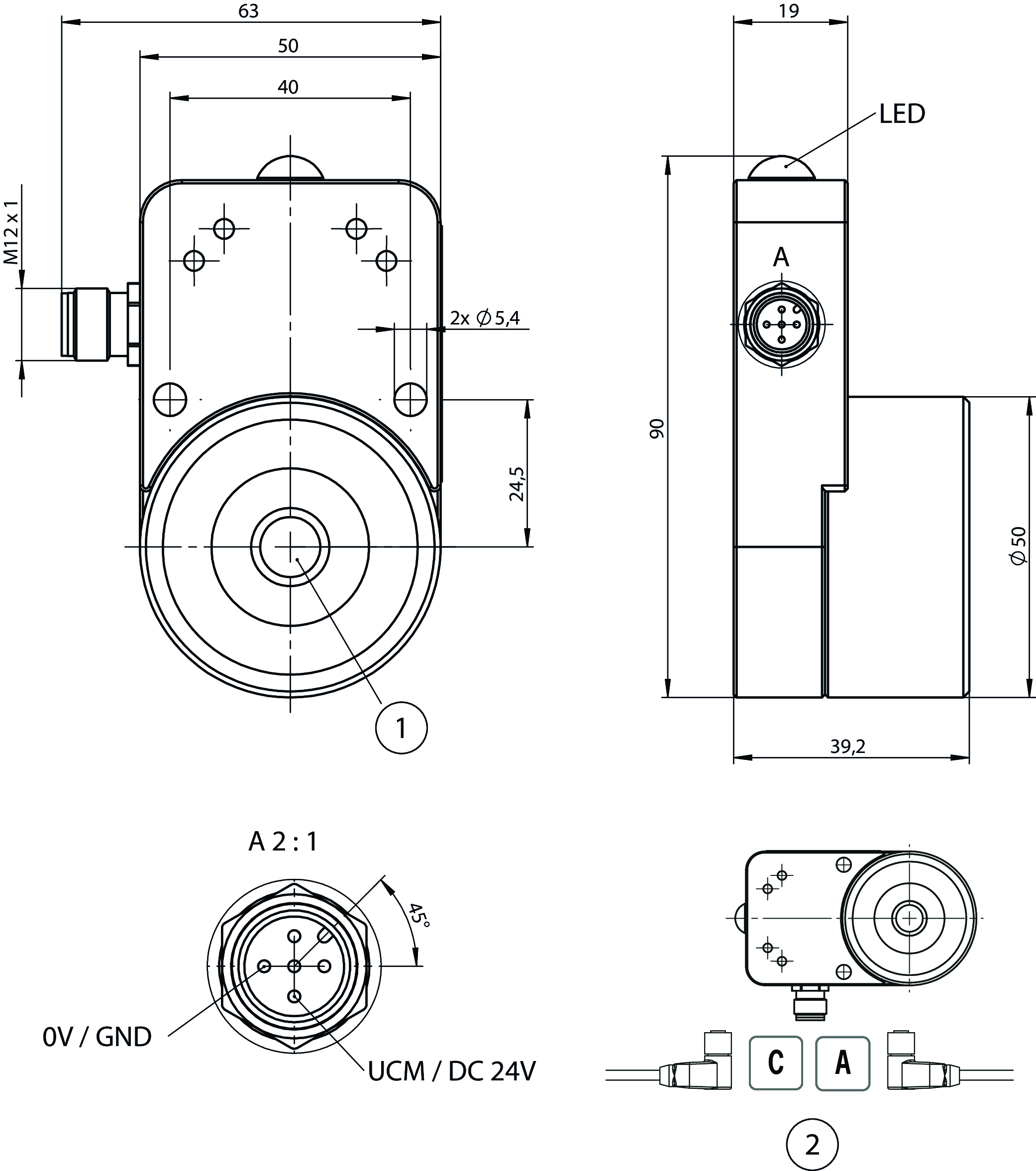
Dessins cotés

| 1 | Aimant permanent |
| 2 | Avec la position de montage représentée : départ de ligne à gauche ou à droite |
Exemples de connexion

Exemples de connexion

Caractéristiques techniques
Autorisations


Espace de travail
| Déport du centre | |
| Détection par transpondeur (valeur typique à température ambiante) | -10 ... +10 mm |
| Électroaimant | -2.5 ... +2.5 mm |
Puissance électrique connectée
| Puissance absorbée | 2.4 W |
| Tension de service DC | |
| UCM | 24 V DC -15% ... +10% |
| Facteur de marche de l’électroaimant ED | 100 % |
| Consommation | 100 mA |
Valeurs mécaniques et environnement
| Type de connexion | M12, 5 broches |
| Position de montage | Au choix |
| Force de maintien | |
| par aimant permanent | 30 N 0 ... +15 |
| Température de stockage | -25 ... 70 °C |
| Durée de vie mécanique | |
| en cas d’utilisation comme butée de porte et énergie d’impact d’1 joule | 1 x 10⁶ |
| Indice de protection | IP65 / IP67 |
| Température ambiante | -25 ... 50 °C |
| Matériau | |
| Boîtier | Aluminium |
| Électroaimant | Acier, nickelé |
| Force de retenue F | |
| (non surveillée, dans la direction axiale) avec UCM=24 V | 650 N |
| Principe d’interverrouillage | Verrouillage sous tension |
En combinaison avec les interrupteurs de sécurité CES-I-BP-M-C07-SB-160076, CES-I-BP-U-C07-SB-160080, CES-I-BR-U-C07-SA-157920, CES-I-BP-M-C07-SI-162813, CES-I-BP-U-C07-SI-162815, CES-I-BR-M-C07-SA-156233, CES-I-BR-S-C07-SA-165914
| Distance de déconnexion sécurisée sar | max. 17 mm |
| Distance de commutation assurée sao | |
| avec désaxage m=0 | min. 2 mm |
En combinaison avec les interrupteurs de sécurité CES-I-AP-U-C04-USI-115150, CES-I-AP-U-C04-SK-115324, CES-I-AP-U-C04-USB-116502, CES-I-AP-U-C04-U05-116503, CES-I-AP-U-C04-U10-116504, CES-I-AP-U-C04-U20-116505, CES-I-AP-M-C04-USI-117323, CES-I-AP-M-C04-USB-117324, CES-I-AP-M-C04-SK-117325, CES-I-AP-M-C04-U05-117328, CES-I-AP-M-C04-U10-117329, CES-I-AP-M-C04-U20-117330, CES-I-AR-U-C04-SG-119469, CES-I-AR-U-C04-U05-119470, CES-I-AR-U-C04-U10-119471, CES-I-AR-U-C04-U20-119472, CES-I-AR-U-C04-USA-119473, CES-I-AR-M-C04-SG-119474, CES-I-AR-M-C04-U05-119475, CES-I-AR-M-C04-U10-119476, CES-I-AR-M-C04-U20-119477, CES-I-AR-M-C04-USA-119479, CES-I-AP-M-C04-USI-160832, CES-I-AR-F-C04-SG-161679, CES-I-AP-M-C04-USI-162592
| Distance de déconnexion sécurisée sar | max. 40 mm |
| Distance de commutation assurée sao | |
| avec désaxage m=0 | min. 5 mm |
Accessoires
Actionneur
Matériel de raccordement
Câble de raccordement avec connecteur M12 coudé, 5 broches, 10 m

113187
C-M12F05-05X025PU10,0-MA-113187
C-M12F05-05X025PU10,0-MA-113187
- Connecteur femelle M12, 5 broches
- Connecteur coudé
- Câble PUR
- Longueur de câble 10 m
- Sortie de câble A (côté droit)
- Avec extrémité de câble libre

113190
C-M12F05-05X025PU10,0-MA-113190
C-M12F05-05X025PU10,0-MA-113190
- Connecteur femelle M12, 5 broches
- Connecteur coudé
- Câble PUR
- Longueur de câble 10 m
- Sortie de câble C (côté gauche)
- Avec extrémité de câble libre
Rallonge PUR M12, 5 conducteurs, connecteur aux deux extrémités, 10 m

115565
C-M12F05-05X025PU10,0-M12M05-115565
C-M12F05-05X025PU10,0-M12M05-115565
- Connecteur femelle M12, 5 broches (coudé) sur connecteur M12 (droit)
- connecteur aux deux extrémités
- Câble PUR
- Longueur de câble 10 m
- avec sortie de câble A (côté droit)

115566
C-M12F05-05X025PU10,0-M12M05-115566
C-M12F05-05X025PU10,0-M12M05-115566
- Connecteur femelle M12, 5 broches (coudé) sur connecteur M12 (droit)
- connecteur aux deux extrémités
- Câble PUR
- Longueur de câble 10 m
- avec sortie de câble C (côté gauche)
Téléchargements
Documents individuels
Déclarations de conformité
EU-Konformitätserklärung
N° doc.
Version
Langue
Taille
EU-Konformitätserklärung
N° doc.
Version
Langue
Taille
0,1 MB
UKCA-Konformitätserklärung
N° doc.
Version
Langue
Taille
UKCA-Konformitätserklärung
N° doc.
EDC20001469
Version
Langue
Taille
0,1 MB
Autres documents
Agréments et certificats
c UL us
N° doc.
Version
Langue
Taille
c UL us
N° doc.
Version
Langue
Taille
0,3 MB
Documents de vente
Données de commande
| N° de commande | 161320 |
| Désignation article | CEM-M2-C60-PZ-SE-161320 |
| Poids brut | 0,505kg |
| Code douanier | 85389099990 |
| ECLASS | 27-27-24-05 Safety-related transponder switch with guardlocking |






