Interrupteur de sécurité CES-AP-C01-..., RFID, connecteur(s) M12, pour le raccordement à des systèmes de périphérie décentralisés
- Unicode
- Connecteur(s) M12, 5 broches, broche 5 non utilisée
- pour le raccordement à des systèmes périphériques décentralisés

Description
Connexion directe à des systèmes périphériques décentralisés
Le raccordement via des connecteurs(s) M12 est optimisé pour le raccordement direct à des modules IO IP67, comme par exemple ET200pro et ET200eco de SIEMENS, MVK de MURR et EP1957 de BECKHOFF.
Sens d'attaque et position de montage
1 surface active, modifiable dans 5 directions
Zones de détection typiques
Avec actionneurs CES-A-BBA et CES-A-BCA
Afin de ne pas entrer dans la zone de détection des lobes secondaires, une distance minimale s = 4 mm doit être respectée entre l’actionneur et l’interrupteur de sécurité pour une approche latérale.
Avec actionneur CES-A-BPA
Afin de ne pas entrer dans la zone de détection des lobes secondaires, une distance minimale s = 6 mm doit être respectée entre l’actionneur et l’interrupteur de sécurité pour une approche latérale.
Attention :
La zone de détection peut varier en fonction de l'actionneur, du matériau du support et de l'emplacement de montage. Vous trouverez d'autres zones de détection dans le mode d'emploi.
Analyse Unicode
Chaque actionneur possède un niveau de codage élevé (unicode). L’interrupteur ne reconnaît que les actionneurs appris. L’apprentissage d’autres actionneurs est possible.
L’actionneur reconnu est toujours celui qui a été appris en dernier.
Valeurs caractéristiques de sécurité
Grâce à deux sorties de sécurité redondantes (sorties à semi-conducteur ) avec contrôle interne, l'appareil convient pour :
- Catégorie 4 /PL e selon EN 13849-1
- SIL 3 selon EN IEC 62061 Tableau 4
Les sorties OSSD utilisées vérifient leur fonction à l'aide d'impulsions de test pour les courts-circuits et les courts-circuits (entre deux conducteurs).
Indication par LED
STATE | LED d’état |
DIA | LED de diagnostic |
Affectation des broches
Connecteur(s) aligné(s) C01
Connecteur(s) réglable(s) en 6 alignements.
Accessoires nécessaires
L’actionneur n'est pas fourni.


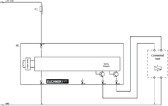
Exemples de connexion

Exemples de connexion

| 1 | Indication d’état par LED |
| 2 | Face active |
Caractéristiques techniques
Autorisations


Espace de travail
| Répétabilité R | 10 % |
Puissance électrique connectée
| Couverture | |
| externe (tension de service) | 0.25 ... 8 A |
| Tension assignée d’isolement Ui | 75 V (Contrôlé jusqu’à 75 V par BG.) |
| Tension de choc assignée Uimp | 1.5 kV |
| Tension de service DC | |
| UB | 24 V DC -15% ... +15% protégée contre les inversions de polarité, stabilisée, ondulation résiduelle<5 %, PELV |
| Temps d’activation | |
| Sorties de sécurité | max. 400 ms |
| Exigences de protection CEM | selon EN IEC 60947-5-3 |
| Durée du risque selon EN 60947-5-3 | max. 260 ms |
| Classe de protection | III |
| Consommation | |
| sorties hors charge | max. 50 mA |
| Degré de pollution (externe, selon EN 60947-1) | 3 |
| Sorties de sécurité OA / OB | |
| Type de sortie | Sorties à semi-conducteurs, PNP, protégées contre les courts-circuits |
| Tension de sortie | |
| BAS U(OA,OB) | 0 ... 1 V DC |
| HAUT U(OA,OB) | UB-1.5 ... UB V DC (Valeurs pour un courant de 50 mA sans prise en compte de la longueur de câble.) |
| Courant conditionnel de court-circuit | 100 A |
| Temps différentiel | max. 10 ms |
| Catégorie d’emploi | |
| DC-13 | 24 V 400 mA (Attention : les sorties doivent être protégées par une diode de roue libre en cas de charges inductives.) |
| Courant résiduel Ir | max. 0.25 mA |
| Courant de commutation | |
| par sortie de sécurité | 1 ... 400 mA |
| Durée de l'impulsion de test | max. 0.4 ms |
Valeurs mécaniques et environnement
| Type de connexion | Connecteur M12, 5 broches, broche 5 non utilisée |
| Couple de serrage | |
| Vis de fixation | max. 1 Nm |
| Temporisation avant l’état prêt | 0.5 s |
| Position de montage | Au choix |
| Fréquence de commutation | max. 1 Hz |
| Température de stockage | -25 ... 70 °C |
| Distance de montage | min. 40 mm |
| Résistance aux chocs et aux vibrations | selon EN IEC 60947-5-3 |
| Indice de protection | IP67 |
| Température ambiante | -20 ... 55 °C |
| Matériau | |
| Boîtier | Plastique, PBT |
Valeurs caractéristiques selon EN ISO 13849-1 et EN IEC 62061
| PL | SIL maximal | PFHD | Catégorie | Durée d’utilisation | |
|---|---|---|---|---|---|
| Surveillance de la position du protecteur | PL e | - | 2.1x10-9 | 4 | 20 y |
Divers
| Avis pour l'homologation UL | Fonctionnement uniquement avec alimentation UL-Class 2 ou mesures équivalentes |
En combinaison avec l’actionneur CES-A-BPA-098775
| Distance de connexion | 22 mm (en cas de montage non affleurant sur aluminium. Dans un environnement non métallisé, la distance de connexion typique augmente à 30 mm) |
| Distance de déconnexion sécurisée sar | max. 58 mm |
| Distance de commutation assurée sao | min. 18 mm |
| Hystérésis de commutation | 1 ... 2 mm |
En combinaison avec l’actionneur CES-A-BRN-100251
| Distance de connexion | 27 mm |
| Distance de déconnexion sécurisée sar | max. 75 mm |
| Distance de commutation assurée sao | min. 20 mm (Les valeurs s’appliquent au montage non affleurant de l’actionneur sur l’acier.) |
| Hystérésis de commutation | 3 mm (Les valeurs s’appliquent au montage non affleurant de l’actionneur sur l’acier.) |
En combinaison avec l’actionneur CES-A-BBA-071840
| Distance de connexion | 18 mm |
| Distance de déconnexion sécurisée sar | max. 45 mm (en cas de montage non affleurant) |
| Distance de commutation assurée sao | min. 15 mm (en cas de montage non affleurant) |
| Hystérésis de commutation | 1 ... 3 mm (en cas de montage non affleurant) |
En combinaison avec l’actionneur CES-A-BDA-18-156935
| Distance de connexion | 19 mm (en cas de montage non affleurant) |
| Distance de déconnexion sécurisée sar | max. 45 mm (en cas de montage non affleurant) |
| Distance de commutation assurée sao | min. 10 mm (en cas de montage non affleurant) |
| Hystérésis de commutation | 1 ... 3 mm (en cas de montage non affleurant) |
Accessoires

C-M12F05-05X025PU10,0-MA-113187
- Connecteur femelle M12, 5 broches
- Connecteur coudé
- Câble PUR
- Longueur de câble 10 m
- Sortie de câble A (côté droit)
- Avec extrémité de câble libre

C-M12F05-05X025PU10,0-MA-113190
- Connecteur femelle M12, 5 broches
- Connecteur coudé
- Câble PUR
- Longueur de câble 10 m
- Sortie de câble C (côté gauche)
- Avec extrémité de câble libre

C-M12F05-05X025PU10,0-M12M05-115565
- Connecteur femelle M12, 5 broches (coudé) sur connecteur M12 (droit)
- connecteur aux deux extrémités
- Câble PUR
- Longueur de câble 10 m
- avec sortie de câble A (côté droit)

C-M12F05-05X025PU10,0-M12M05-115566
- Connecteur femelle M12, 5 broches (coudé) sur connecteur M12 (droit)
- connecteur aux deux extrémités
- Câble PUR
- Longueur de câble 10 m
- avec sortie de câble C (côté gauche)

RIEGEL CES-AR-C/F
- Verrou-targette pour interrupteur CES-C01
- Verrou-targette en acier
- Pour portes sur charnières à gauche ou à droite
- Verrou-targette avec levier de déverrouillage interne
- Bouton d’arrêt en position ouverte
- Loqueteau à billes en position fermée
- Convient pour un jeu de porte d’env. 15 mm
- Plaque de protection pour interrupteur de sécurité

RIEGEL CES-AC/F-AP-C01-AH-SB-116246
- Verrou-targette pour interrupteur CES-C01
- Verrou-targette en acier
- Pour portes sur charnières à gauche ou à droite
- Verrou-targette avec levier de déverrouillage interne
- Bouton-poussoir en position ouverte
- Loqueteau à billes en position fermée
- Convient pour un jeu de porte d’env. 15 mm
- Plaque de protection pour interrupteur de sécurité

RIEGEL CES-AC-AP-C01-AH-SB-C2296
- Verrou-targette pour interrupteur CES-C01
- Interrupteur de sécurité prémonté
- Pour portes sur charnières à gauche ou à droite
- Loqueteau à billes en position fermée
- Convient pour un jeu de porte d’env. 7 mm
- Plaque de protection pour interrupteur de sécurité

RIEGEL CES-AC/F-AP-C01-AH-SB-C2296
- Verrou-targette pour interrupteur CES-C01
- Verrou-targette en acier
- Pour portes sur charnières à gauche ou à droite
- Verrou-targette avec levier de déverrouillage interne
- Bouton d’arrêt en position ouverte
- Loqueteau à billes en position fermée
- Convient pour un jeu de porte d’env. 7 mm
- Plaque de protection pour interrupteur de sécurité
Téléchargements
Documents individuels
Autres documents
Données de commande
| N° de commande | 111145 |
| Désignation article | CES-AP-C01-AH-SB-111145 |
| Poids brut | 0,147kg |
| Global Trade Item Number (GTIN) | 4047048006737 |
| Code douanier | 85365019000 |
| ECLASS | 27-27-24-03 Safety-related transponder switch |










