Interrupteur de sécurité STP, entrée de câble M20 x 1,5, avec contact d'état de porte
- 3 x entrée de câble M20 x 1,5
- Contacts pour la position de la porte
- Déverrouillage auxiliaire
- Module d’insertion
- Verrouillage hors tension

Description
Direction d’attaque
Horizontale et verticale
Réglable par pas de 90°
Surcourse dans le sens d’attaque horizontal
Au cas où le jeu devrait être augmenté lorsque la porte est fermée, une languette à surcourse est disponible. Lorsqu'elle est fermée, la porte peut, avec cette languette, se déplacer légèrement en suivant la direction d'actionnement. Cela est par ex. important lorsque les portes de protection sont munies d'une butée en caoutchouc. Grâce à une languette à surcourse, la pression continue exercée sur la butée en caoutchouc comprimée peut être atténuée. Ainsi, la tête d'interrupteur et le mécanisme de la porte sont soumis à une contrainte moindre.
Principe d’interverrouillage
Verrouillage hors tension (Power to unlock) : pour un protecteur avec système d’interverrouillage fonctionnant en mode hors tension, le protecteur reste verrouillé mécaniquement jusqu’à ce que l’électroaimant de verrouillage soit alimenté en courant. Le déblocage s'effectue au moyen d'une force magnétique. On parle également d'interverrouillage mécanique.
Élément de commutation
4141 | Élément de contact à action dépendante |
Contacts pour l’interverrouillage : 2 contacts à ouverture positive | |
Contacts pour la surveillance de la porte : 2 contacts à ouverture positive |
Déverrouillage auxiliaire
Le déverrouillage auxiliaire en face avant permet l'accès à la machine en cas de dysfonctionnement, par ex. une panne de courant. Le déblocage s'effectue alors à d'aide d'un outil ou d'une clé. Le déverrouillage auxiliaire doit être protégé contre les usages abusifs (plomb, vernis).
Accessoires nécessaires
L’actionneur n'est pas fourni.




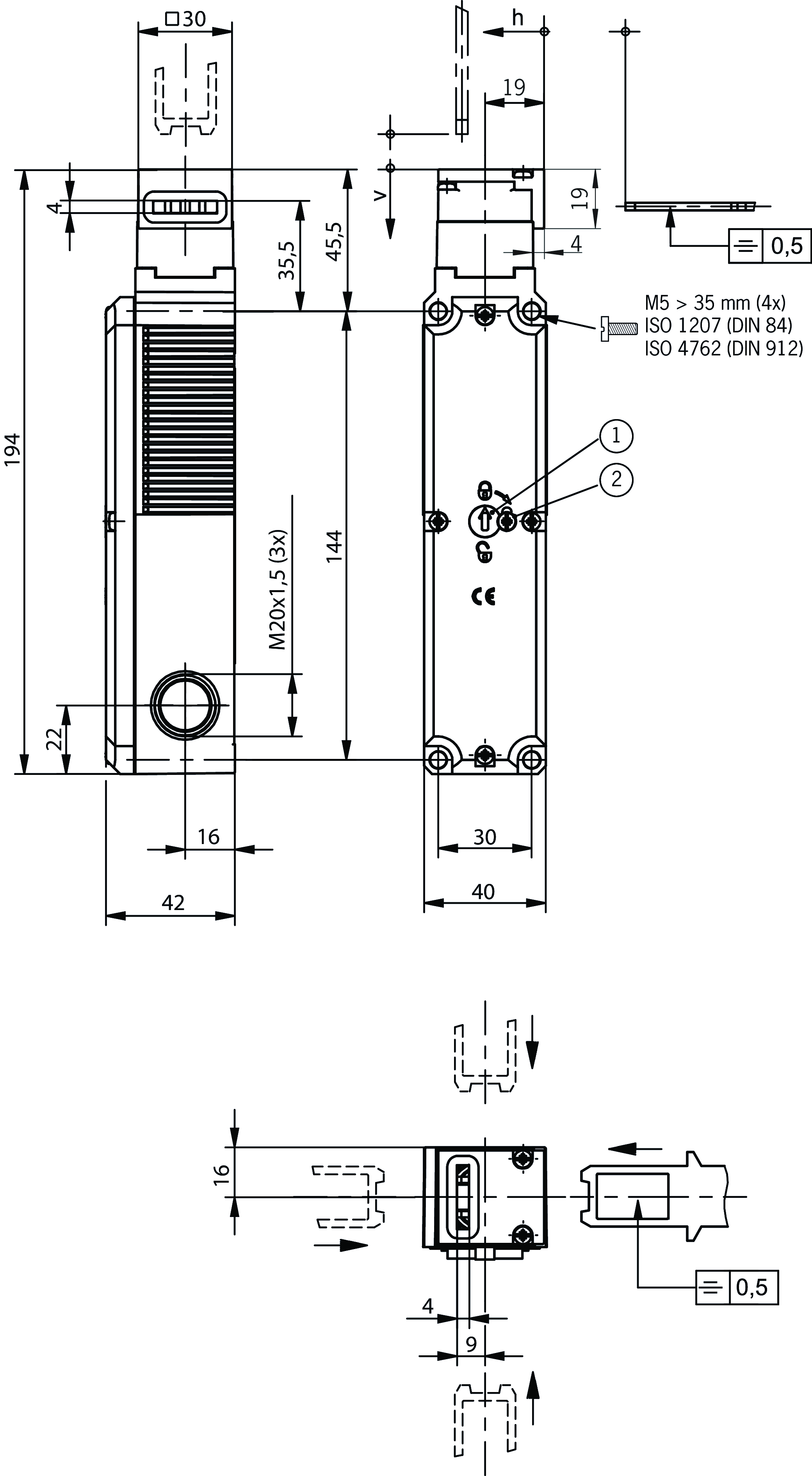
Dessins fonctionnels

Dessins cotés

| 1 | Déverrouillage auxiliaire |
| 2 | Vis de protection |
Exemples de connexion

| square_grey_dark.eps | Contrôle de porte |
| square_grey_light.eps | Contrôle électroaimant |
Caractéristiques techniques
Autorisations



Puissance électrique connectée
| Couverture | max. 4 A gG |
| Puissance absorbée | 8 W |
| Section de raccordement | 0.34 ... 1.5 mm² |
| Tension assignée d’isolement Ui | 250 V |
| Tension de choc assignée Uimp | 2.5 kV |
| Catégorie d’emploi | |
| AC-15 | 4 A 230 V |
| DC-13 | 4 A 24 V |
| Tension de service de l’électroaimant | |
| AC/DC | 24 V -15% ... +10% |
| Facteur de marche de l’électroaimant ED | 100 % |
| Tension de commutation | |
| min. à 10 mA | 12 V |
| Courant de commutation | |
| min. à 24 V | 1 mA |
| Courant assigné thermique Ith | 4 A |
Valeurs mécaniques et environnement
| Anfahrgeschwindigkeit | max. 20 m/min |
| Direction d’attaque | A |
| Type de connexion | |
| 3 x | M20 x 1,5 |
| Nombre de contacts à ouverture positive position de porte | 2 |
| Nombre de contacts à ouverture positive contrôle d’interverrouillage | 2 |
| Force de retrait | 30 N |
| Fréquence d’actionnement | max. 1200 1/h |
| Force d’actionnement | 35 N |
| Position de montage | Au choix |
| Profondeur d’insertion | 28.5 mm |
| Température de stockage | -25 ... 70 °C |
| Durée de vie mécanique | 1 x 10⁶ |
| Force de retenue | 20 N |
| Principe de commutation | Élément de contact à action dépendante |
| Indice de protection | IP67 |
| Température ambiante | -20 ... 55 °C |
| Matériau | |
| Contact | Alliage argent, doré par soufflage |
| Boîtier | Thermoplastique renforcé avec des fibres de verre |
| Force de retenue Fmax | 2500 N |
| Force de retenue FZh | 2000 N |
| Principe d’interverrouillage | Verrouillage hors tension |
Valeurs caractéristiques selon EN ISO 13849-1 et EN IEC 62061
| B10D | Durée d’utilisation | |
|---|---|---|
| Surveillance de la position du protecteur | 5x106 | 20 y |
| Important ! Valeurs pour DC-13 100 mA/24 V | ||
| Surveillance de l’interverrouillage | 5x106 | 20 y |
| Important ! Valeurs pour DC-13 100 mA/24 V | ||
| PL | SIL maximal | Catégorie | Durée d’utilisation | |
|---|---|---|---|---|
| Commande de l’interverrouillage | Fonction de la commande extérieure de l’interverrouillage | 20 y | ||
En combinaison avec l’actionneur LANGUETTE-S-GT-LN
| Surcourse | 5 mm |
Accessoires

BETAETIGER-S-WQT-SN
- Deux vis de sécurité fournies

BETAETIGER-S-WT-SN-C2115
- Deux vis de sécurité en acier inoxydable par languette
- Languette avec silent blocks
- Rayon de porte minimum 300 mm

BETAETIGER-S-W-SN-C2115
- Deux vis de sécurité en acier inoxydable par languette
- Rayon de porte minimum 300 mm
AE-B-A1-02,0-096230
- Utilisable comme déverrouillage interne ou déverrouillage de secours
- Sans auto-réarmement
- Longueur de gaine 2 m (longueur de câble 6 m)
AE-B-A1-02,0-F-097747
- Utilisable comme déverrouillage interne ou déverrouillage de secours
- Auto-réarmement
- Longueur de gaine 2 m (longueur de câble 6 m)
AE-B-A1-03,0-098313
- Utilisable comme déverrouillage interne ou déverrouillage de secours
- Sans auto-réarmement
- Longueur de gaine 3 m (longueur de câble 6 m)
AE-B-A1-04,0-098314
- Utilisable comme déverrouillage interne ou déverrouillage de secours
- Sans auto-réarmement
- Longueur de gaine 4 m (longueur de câble 6 m)
AE-B-A1-03,0-F-111233
- Utilisable comme déverrouillage interne ou déverrouillage de secours
- Auto-réarmement
- Longueur de gaine 3 m (longueur de câble 6 m)
AE-B-A1-06,0-125582
- Utilisable comme déverrouillage interne ou déverrouillage de secours
- Sans auto-réarmement
- Longueur de câble 6 m (sans gaine)
AE-B-A1-06,0-F-124770
- Utilisable comme déverrouillage interne ou déverrouillage de secours
- Auto-réarmement
- Longueur de câble 6 m (sans gaine)

AE-K-A1-DULK1-84177
- Serrure à fermeture différenciée
- Clé retirable en position "déverrouillée", "verrouillée"

AE-K-A1-IULK1-86236
- Serrure universelle
- Clé retirable en position "déverrouillée", "verrouillée"

AE-K-A1-IUK2-109212
- Serrure universelle
- Clé retirable uniquement en position "déverrouillée"

AE-K-A1-ILK1-121917
- Serrure universelle
- Clé retirable en position "verrouillée"
RIEGEL S-A
- Verrou-targette pour interrupteurs de sécurité STA, STP, SGP et SGA
- Verrou-targette en acier
- Pour portes sur charnières à droite
- Convient pour un jeu de porte d’env. 15 mm
RIEGEL S-C
- Verrou-targette pour interrupteurs de sécurité STA, STP, SGP et SGA
- Verrou-targette en acier
- Pour portes sur charnières à gauche
- Convient pour un jeu de porte d’env. 15 mm
Téléchargements
Documents individuels
EU declaration of conformity
Declaración de conformidad UE
EU-Konformitätserklärung
Dichiarazione UE di conformità
EU declaration of conformity
Declaración de conformidad UE
EU-Konformitätserklärung
Dichiarazione UE di conformità
Autres documents
Données de commande
| N° de commande | 097891 |
| Désignation article | STP3D-4141A024M |
| Poids brut | 0,515kg |
| Code douanier | 85365019000 |
| ECLASS | 27-27-26-03 Safety switch with guard control |






















