AccueilProdukteInterrupteurs de sécurité électromécaniques sans interverrouillageGP Interrupteur plastiqueGP3-2131A-C2307
Interrupteur de sécurité GP, connecteur M12
- Connecteur M12, 8 broches
- 3 contacts à ouverture positive
- 1 contact F

Description
Élément de commutation
2131 | Élément de contact à action dépendante 3 contacts à manœuvre positive d'ouverture |
Accessoires nécessaires
L’actionneur n'est pas fourni.
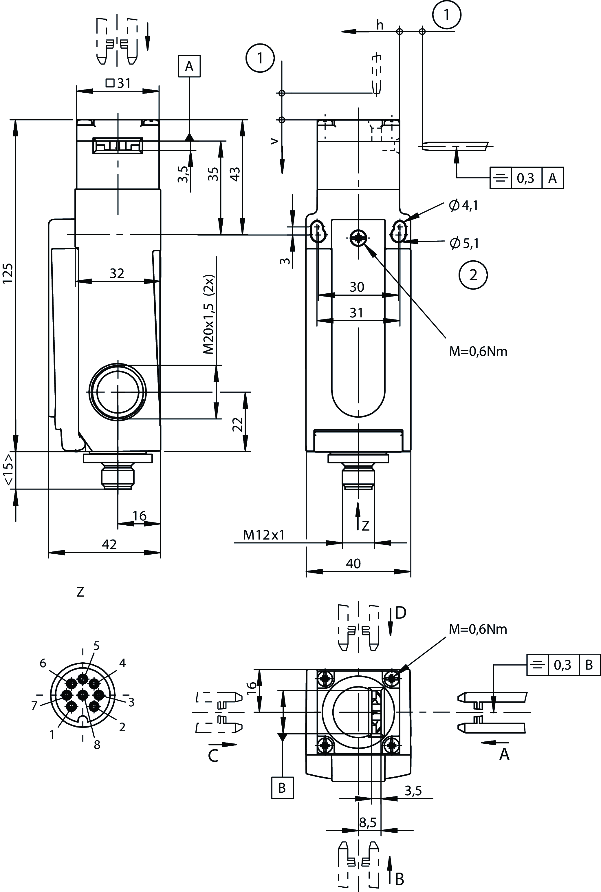
Dessins cotés

| 1 | Profondeur d’insertion |
| 2 | Positionnement fixe pour applications de sécurité (vis M5) |
| Z | Connecteur incorporé non aligné |
Exemples de connexion

Caractéristiques techniques
Autorisations




Puissance électrique connectée
| Couverture | max. 1 A gG |
| Tension assignée d’isolement Ui | 30 V |
| Tension de choc assignée Uimp | 1.5 kV |
| Catégorie d’emploi | |
| AC-15 | 1 A 24 V |
| DC-13 | 1 A 24 V |
| Tension de commutation | |
| min. à 10 mA | 12 V |
| Courant de commutation | |
| min. à 24 V | 1 mA |
| Courant assigné thermique Ith | 1 A |
Valeurs mécaniques et environnement
| Anfahrgeschwindigkeit | max. 20 m/min |
| Direction d’attaque | A |
| Type de connexion | |
| 1 x | Connecteur M12 (8 broches sans PE) |
| Nombre de contacts à fermeture position de porte | 1 |
| Nombre de contacts à ouverture positive position de porte | 3 |
| Force de retrait | 20 N |
| Fréquence d’actionnement | max. 6700 1/h |
| Force d’actionnement | 10 N |
| Position de montage | Au choix |
| Profondeur d’insertion en sens horizontal | 28 mm |
| Profondeur d’insertion en sens vertical | 29.5 mm |
| Température de stockage | -25 ... 80 °C |
| Durée de vie mécanique | 2 x 10⁶ |
| Force de retenue | 2 N |
| Principe de commutation | Élément de contact à action dépendante |
| Indice de protection | IP65 |
| Température ambiante | -20 ... 80 °C |
| Matériau | |
| Boîtier | Thermoplastique renforcé avec des fibres de verre |
| Contact | Alliage argent, doré par soufflage |
Valeurs caractéristiques selon EN ISO 13849-1 et EN IEC 62061
| B10D | Durée d’utilisation | |
|---|---|---|
| Surveillance de la position du protecteur | 3x106 | 20 y |
| Important ! Valeurs pour DC-13 100 mA/24 V | ||
Divers
| Numéro C | |
| C2307 | Connecteur M12 8 broches avec câblage spécial |
En combinaison avec l’actionneur LANGUETTE-P-GNT
| Surcourse horizontale | 7 mm |
| Surcourse verticale | 7 mm |
En combinaison avec l’actionneur LANGUETTE-P-GT
| Surcourse horizontale | 2 mm |
| Surcourse verticale | 1.5 mm |
Accessoires
Actionneur
Verrou-targette en métal
Verrou-targette avec déverrouillage interne pour interrupteurs de sécurité GP et TP

086186
RIEGEL TP-AF
RIEGEL TP-AF
- Verrou-targette pour interrupteurs de sécurité avec déverrouillage interne GP et TP
- Verrou-targette en acier
- Pour portes sur charnières à droite
- Levier de déverrouillage interne
- Bouton d’arrêt en position ouverte
- Convient pour un jeu de porte d’env. 15 mm

086188
RIEGEL TP-CF
RIEGEL TP-CF
- Verrou-targette pour interrupteurs de sécurité GP et TP avec déverrouillage interne
- Verrou-targette en acier
- Pour portes sur charnières à gauche
- Levier de déverrouillage interne
- Verrouillage en position ouverte
- Convient pour un jeu de porte d’env. 15 mm
Verrou-targette pour interrupteurs de sécurité GP et TP
084430
RIEGEL TP-A
RIEGEL TP-A
- Verrou-targette pour interrupteurs de sécurité GP et TP
- Verrou-targette en acier
- Pour portes sur charnières à droite
- Convient pour un jeu de porte d’env. 15 mm
084432
RIEGEL TP-C
RIEGEL TP-C
- Verrou-targette pour interrupteurs de sécurité GP et TP...A
- Verrou-targette en acier
- Pour portes sur charnières à gauche
- Convient pour un jeu de porte d’env. 15 mm
Verrou-targette pour interrupteurs de sécurité NP, GP et TP
073535
RIEGEL 0 NP/TP OHNE RASTUNG
RIEGEL 0 NP/TP OHNE RASTUNG
- Verrou-targette pour interrupteurs de sécurité NP... et TP...A
- Verrou-targette en acier
- Pour portes sur charnières à gauche ou à droite
- Convient pour un jeu de porte d’env. 6 mm

073536
RIEGEL 1 NP/TP 1X RASTUNG ZU
RIEGEL 1 NP/TP 1X RASTUNG ZU
- Verrou-targette pour interrupteurs de sécurité NP...AS,TP...A et GP
- Verrou-targette en acier
- Pour portes sur charnières à gauche ou à droite
- Convient pour un jeu de porte d’env. 15 mm
Téléchargements
Documents individuels
Déclarations de conformité
Déclaration UE de conformité
N° doc.
Version
Langue
Taille
Déclaration UE de conformité
EU declaration of conformity
Declaración de conformidad UE
EU-Konformitätserklärung
Dichiarazione UE di conformità
EU declaration of conformity
Declaración de conformidad UE
EU-Konformitätserklärung
Dichiarazione UE di conformità
N° doc.
EDC2539628
Version
Langue
Taille
0,2 MB
Déclaration UE de conformité
EU declaration of conformity
Declaración de conformidad UE
EU-Konformitätserklärung
Dichiarazione UE di conformità
EU declaration of conformity
Declaración de conformidad UE
EU-Konformitätserklärung
Dichiarazione UE di conformità
N° doc.
EDC2539628
Version
Langue
Taille
0,2 MB
UKCA-Konformitätserklärung
N° doc.
Version
Langue
Taille
UKCA-Konformitätserklärung
N° doc.
EDC20001551
Version
Langue
Taille
0,1 MB
Instructions
Mode d’emploi Interrupteur de sécurité GP...
N° doc.
Version
Langue
Taille
Mode d’emploi Interrupteur de sécurité GP...
N° doc.
2090205
Version
07/25
Langue
Taille
0,8 MB
Operating Instructions Safety Switch GP...
N° doc.
2090205
Version
07/25
Langue
Taille
0,8 MB
Manual de instrucciones Interruptor de seguridad GP...
N° doc.
2090205
Version
07/25
Langue
Taille
0,8 MB
Betriebsanleitung Sicherheitsschalter GP...
N° doc.
2090205
Version
07/25
Langue
Taille
0,8 MB
Istruzioni di impiego Finecorsa di sicurezza GP...
N° doc.
2090205
Version
07/25
Langue
Taille
0,8 MB
Autres documents
Agréments et certificats
Zulassung
N° doc.
Version
Langue
Taille
Zulassung
N° doc.
20001753
Version
Langue
Taille
0,0 MB
c UL us
N° doc.
Version
Langue
Taille
c UL us
N° doc.
Version
Langue
Taille
0,3 MB
Documents de vente
Interrupteurs de sécurité avec boîtier plastique
N° doc.
Version
Langue
Taille
Interrupteurs de sécurité avec boîtier plastique
N° doc.
100677
Version
11-03/18
Langue
Taille
6,6 MB
Safety Switches with Plastic Housing
N° doc.
096956
Version
11-03/18
Langue
Taille
6,5 MB
Interruptores de seguridad con carcasa plástica
N° doc.
104855
Version
11-03/18
Langue
Taille
6,6 MB
Sicherheitsschalter mit Kunststoffgehäuse
N° doc.
096955
Version
11-03/18
Langue
Taille
6,6 MB
塑料壳体 的安全开关
N° doc.
116243
Version
11-03/18
Langue
Taille
6,1 MB
Bezpečnostní spínače s plastovým pouzdrem
N° doc.
121649
Version
11-03/18
Langue
Taille
6,5 MB
Données de commande
| N° de commande | 109621 |
| Désignation article | GP3-2131A-C2307 |
| Poids brut | 0,216kg |
| Code douanier | 85365019000 |
| ECLASS | 27-27-26-02 Safety switch with separate actuator (Type 2) |
+ 1 contact F

















