AccueilProdukteInterrupteurs de sécurité électromécaniques sans interverrouillageNP Interrupteur plastique compactNP1-638AB-M-173014
Interrupteur de sécurité NP, montage avec entraxe de 40 mm, entrée de câble M20 x 1,5
- Montage avec entraxe de 40 mm
- Entrée de câble M20 x 1,5
- 2 contacts à ouverture positive

Description
Élément de commutation
638 | Élément de contact à action dépendante 2 contacts à manœuvre positive d'ouverture |
Accessoires nécessaires
L’actionneur n'est pas fourni.
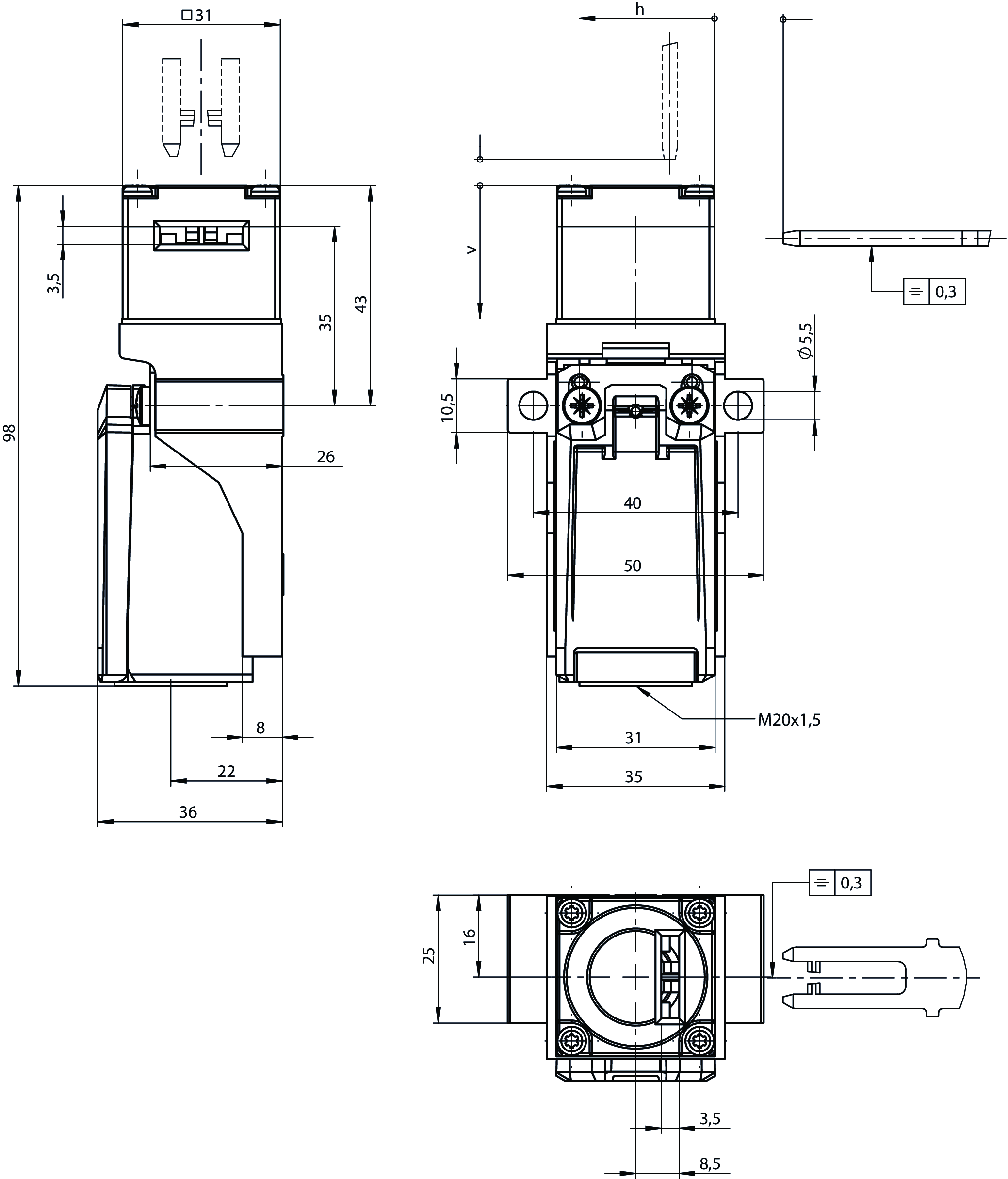
Dessins cotés

Exemples de connexion

Caractéristiques techniques
Autorisations



Puissance électrique connectée
| Couverture | max. 4 A gG |
| Section de raccordement | 0.34 ... 1.5 mm² |
| Tension assignée d’isolement Ui | 250 V |
| Tension de choc assignée Uimp | 2.5 kV |
| Catégorie d’emploi | |
| DC-13 | 1,5 A 24 V |
| AC-15 | 3 A 230 V |
| Tension de commutation | |
| min. à 10 mA | 24 V |
| Courant de commutation | |
| min. à 24 V | 1 mA |
| Courant assigné thermique Ith | 4 A |
Valeurs mécaniques et environnement
| Anfahrgeschwindigkeit | max. 20 m/min |
| Direction d’attaque | A |
| Type de connexion | |
| 1 x | M20 x 1,5 |
| Nombre de contacts à ouverture positive position de porte | 2 |
| Force de retrait | 15 N |
| Fréquence d’actionnement | max. 3600 1/h |
| Force d’actionnement | 5 N |
| Position de montage | Au choix |
| Profondeur d’insertion en sens horizontal | 28 mm |
| Profondeur d’insertion en sens vertical | 29.5 mm |
| Température de stockage | -25 ... 75 °C |
| Durée de vie mécanique | 1 x 10⁶ |
| Type de montage | Montage avec entraxe de 40 mm |
| Force de retenue | 2 N |
| Principe de commutation | Élément de contact à action dépendante |
| Indice de protection | IP67 |
| Température ambiante | -20 ... 75 °C |
| Matériau | |
| Contact | Alliage argent, doré par soufflage |
| Boîtier | Thermoplastique renforcé avec des fibres de verre |
Valeurs caractéristiques selon EN ISO 13849-1 et EN IEC 62061
| B10D | Durée d’utilisation | |
|---|---|---|
| Surveillance de la position du protecteur | 3x106 | 20 y |
| Important ! Valeurs pour DC-13 100 mA/24 V | ||
En combinaison avec l’actionneur LANGUETTE-P-GT
| Surcourse horizontale | 2 mm |
| Surcourse verticale | 1.5 mm |
En combinaison avec l’actionneur LANGUETTE-P-GNT
| Surcourse horizontale | 7 mm |
Accessoires
Actionneur
Verrou-targette en métal
Verrou-targette pour interrupteurs de sécurité NP, GP et TP
073535
RIEGEL 0 NP/TP OHNE RASTUNG
RIEGEL 0 NP/TP OHNE RASTUNG
- Verrou-targette pour interrupteurs de sécurité NP... et TP...A
- Verrou-targette en acier
- Pour portes sur charnières à gauche ou à droite
- Convient pour un jeu de porte d’env. 6 mm

073536
RIEGEL 1 NP/TP 1X RASTUNG ZU
RIEGEL 1 NP/TP 1X RASTUNG ZU
- Verrou-targette pour interrupteurs de sécurité NP...AS,TP...A et GP
- Verrou-targette en acier
- Pour portes sur charnières à gauche ou à droite
- Convient pour un jeu de porte d’env. 15 mm
Téléchargements
Documents individuels
Déclarations de conformité
Déclaration UE de conformité
N° doc.
Version
Langue
Taille
Déclaration UE de conformité
EU declaration of conformity
Declaración de conformidad UE
EU-Konformitätserklärung
Dichiarazione UE di conformità
EU declaration of conformity
Declaración de conformidad UE
EU-Konformitätserklärung
Dichiarazione UE di conformità
N° doc.
EDC2539628
Version
Langue
Taille
0,2 MB
Déclaration UE de conformité
EU declaration of conformity
Declaración de conformidad UE
EU-Konformitätserklärung
Dichiarazione UE di conformità
EU declaration of conformity
Declaración de conformidad UE
EU-Konformitätserklärung
Dichiarazione UE di conformità
N° doc.
EDC2539628
Version
Langue
Taille
0,2 MB
UKCA-Konformitätserklärung
N° doc.
Version
Langue
Taille
UKCA-Konformitätserklärung
N° doc.
EDC20001551
Version
Langue
Taille
0,1 MB
Instructions
Mode d’emploi Interrupteur de sécurité NP...
N° doc.
Version
Langue
Taille
Mode d’emploi Interrupteur de sécurité NP...
N° doc.
MAN20001739
Version
07/25
Langue
Taille
0,8 MB
Operating Instructions Safety Switch NP...
N° doc.
MAN20001739
Version
07/25
Langue
Taille
0,8 MB
Manual de instrucciones Interruptor de seguridad NP...
N° doc.
MAN20001739
Version
07/25
Langue
Taille
0,8 MB
Betriebsanleitung Sicherheitsschalter NP...
N° doc.
MAN20001739
Version
07/25
Langue
Taille
0,8 MB
Istruzioni di impiego Finecorsa di sicurezza NP...
N° doc.
MAN20001739
Version
07/25
Langue
Taille
0,8 MB
Autres documents
Agréments et certificats
CCC
N° doc.
Version
Langue
Taille
CCC
N° doc.
20001753
Version
Langue
Taille
0,0 MB
c UL us
N° doc.
Version
Langue
Taille
c UL us
N° doc.
Version
Langue
Taille
0,3 MB
Documents de vente
Interrupteurs de sécurité avec boîtier plastique
N° doc.
Version
Langue
Taille
Interrupteurs de sécurité avec boîtier plastique
N° doc.
100677
Version
11-03/18
Langue
Taille
6,6 MB
Safety Switches with Plastic Housing
N° doc.
096956
Version
11-03/18
Langue
Taille
6,5 MB
Interruptores de seguridad con carcasa plástica
N° doc.
104855
Version
11-03/18
Langue
Taille
6,6 MB
Sicherheitsschalter mit Kunststoffgehäuse
N° doc.
096955
Version
11-03/18
Langue
Taille
6,6 MB
塑料壳体 的安全开关
N° doc.
116243
Version
11-03/18
Langue
Taille
6,1 MB
Bezpečnostní spínače s plastovým pouzdrem
N° doc.
121649
Version
11-03/18
Langue
Taille
6,5 MB
Données de commande
| N° de commande | 173014 |
| Désignation article | NP1-638AB-M-173014 |
| Poids brut | 0,14kg |
| Code douanier | 85365019000 |
| ECLASS | 27-27-26-02 Safety switch with separate actuator (Type 2) |




















