AccueilProdukteMultifunctional Gate Box MGBSModules d’interverrouillage MGBS-P-L.-APMGBS-P-L1-AP-U-R-AZ-SII-161693
MGBS-AP, 2 x M12, butée de porte à droite
- Module d’interverrouillage (module de poignée à commander séparément)
- Butée de porte réglable, réglage usine : à droite
- Détection des courts-circuits entre conducteurs
- 2 sorties de sécurité (sorties à semi-conducteur)
- Jusqu’à la catégorie 4 / PL e selon EN ISO 13849-1
- Avec 2 connecteurs M12
- Unicode

Description
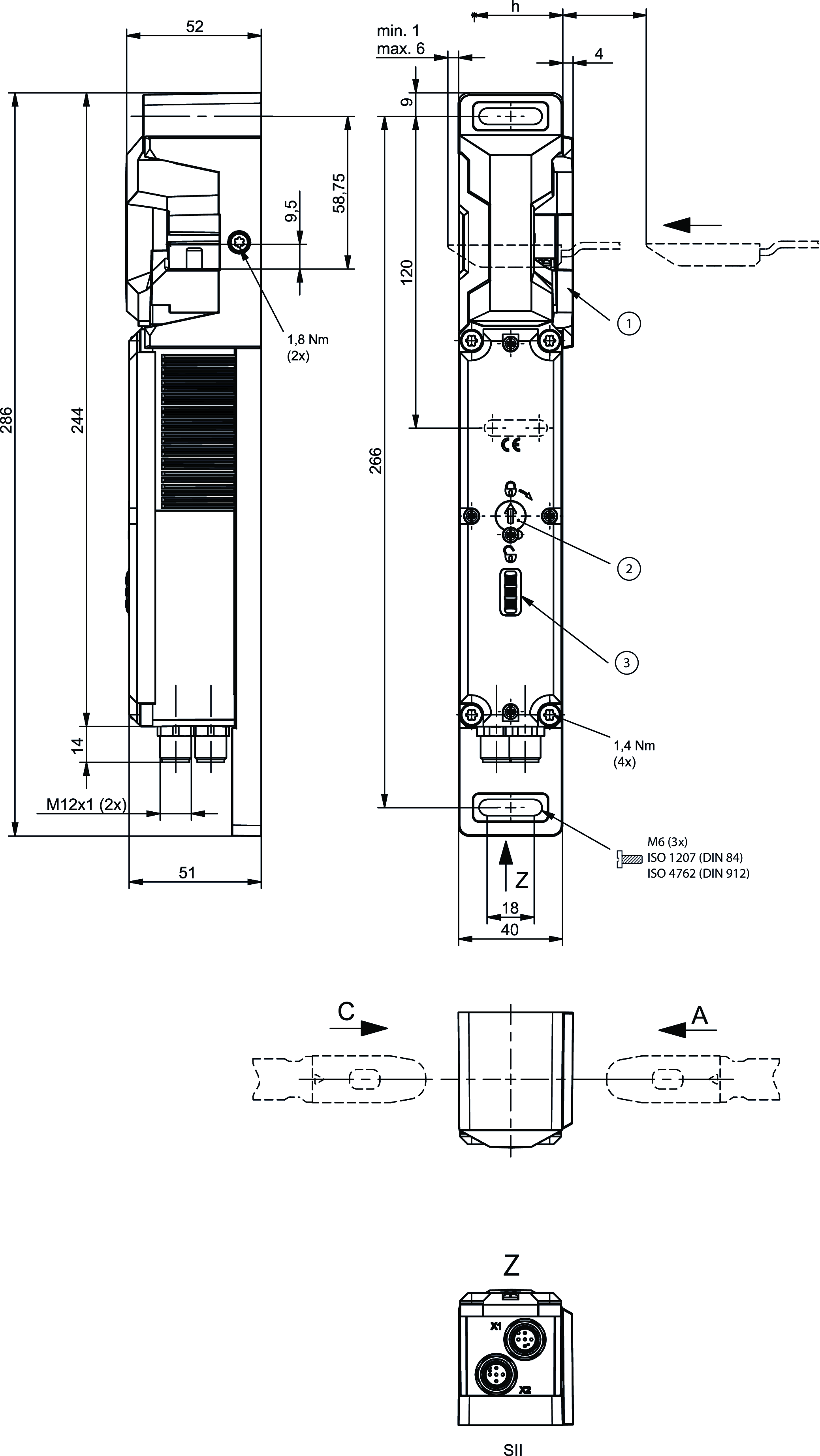
Butée de porte
La position de la butée de porte peut être modifiée.
Analyse Unicode
Chaque module de poignée possède un niveau de codage élevé (unicode). Le module d’interverrouillage ne reconnaît que les modules de poignée appris. L’apprentissage d’autres modules de poignée est possible. Le module de poignée reconnu est toujours celui qui a été appris en dernier.
Mode d’interverrouillage
MGBS-L1 | Interverrouillage mécanique et déblocage par énergie ON (principe de verrouillage hors tension). |
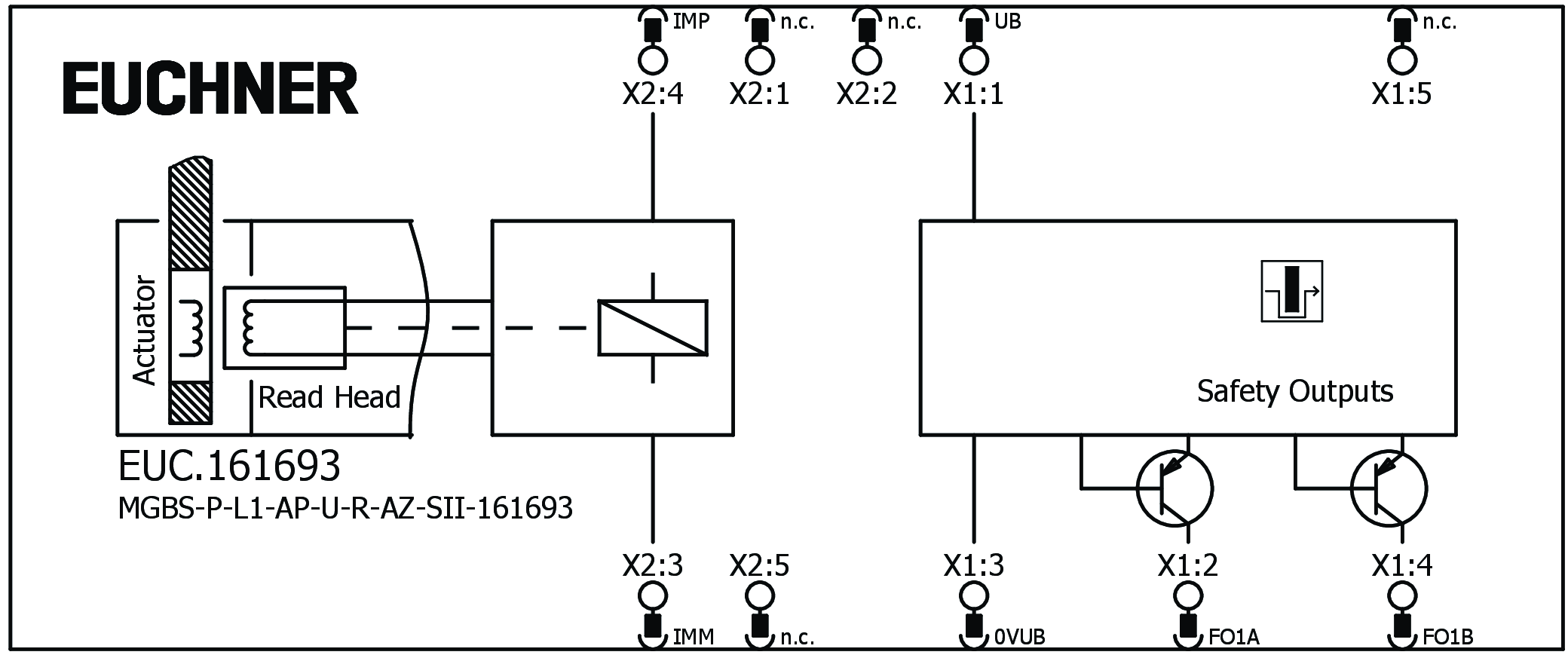
Affectation des broches
Dessins cotés

| 1 | Butée de porte à gauche / à droite |
| 2 | Déverrouillage auxiliaire |
| 3 | LED |
Exemples de connexion

Caractéristiques techniques
Autorisations


Espace de travail
| Répétabilité R | 10 % |
Puissance électrique connectée
| Couverture | |
| externe (tension de service de l’électroaimant IMP) | 0.5 ... 8 A |
| externe (tension de service UB) | 0.25 ... 8 A |
| Puissance absorbée | 6 W |
| Tension assignée d’isolement Ui | 50 V |
| Tension de choc assignée Uimp | 0.5 kV |
| Tension de service DC | |
| UUB | 24 V DC -15% ... +15% protégée contre les inversions de polarité, stabilisée, ondulation résiduelle<5 %, PELV |
| Exigences de protection CEM | selon EN IEC 60947-5-3 |
| Catégorie d’emploi | |
| DC-13 | 24 V 150 mA (Attention : les sorties doivent être protégées par une diode de roue libre en cas de charges inductives) |
| Tension de service de l’électroaimant DC | |
| UIMP | 24 V DC -15% ... +10% protégée contre les inversions de polarité, stabilisée, ondulation résiduelle<5 %, PELV |
| Facteur de marche de l’électroaimant ED | 100 % |
| Charge de commutation | |
| selon UL | 24 V DC, Class 2 (Alternative, voir mode d’emploi) |
| Classe de protection | III |
| Consommation | |
| IUB | 40 mA |
| IIMP | 400 mA |
| Durée de l'impulsion de test | max. 0.3 ms (Valable pour une charge avec C<= 30 nF et R<= 20 kΩ) |
| Intervalle des impulsions de test | min. 100 ms |
| Degré de pollution (externe, selon EN 60947-1) | 3 |
| Sorties de sécurité FO1A / FO1B | |
| Type de sortie | 2 sorties à semi-conducteurs, PNP, protégées contre les courts-circuits |
| Tension de sortie | |
| HAUT U(FO1A) / U(FO1B) | UB-1.5 ... UB V DC |
| BAS U(FO1A) / U(FO1B) | 0 ... 1 V DC |
| Temps différentiel | |
| entre les deux sorties de sécurité | max. 10 ms selon EN IEC 60947-5-3 |
| Temps d’activation | max. 400 ms |
| Courant résiduel Ir | max. 0.25 mA |
| Courant de commutation | |
| par sortie de sécurité FO1A/FO1B | 1 ... 150 mA |
Valeurs mécaniques et environnement
| Anfahrgeschwindigkeit | max. 20 m/min |
| Type de connexion | 2 connecteur M12, 5 broches |
| Force de retrait | 20 N |
| Temporisation avant l’état prêt | max. 1 s |
| Force d’actionnement | 10 N |
| Position de montage | Charnières DIN à droite |
| Fréquence de commutation | max. 0.5 Hz |
| Température de stockage | -25 ... 70 °C |
| Durée de vie mécanique | 1 x 10⁶ |
| Surcourse | 5 mm |
| Force de retenue | 20 N |
| Résistance aux chocs et aux vibrations | selon EN IEC 60947-5-3 |
| Indice de protection | IP67 / IP69 / IP69K (À l'état connecté et sécurisé) |
| Température ambiante | |
| avec UB = 24 V DC | -20 ... 55 °C |
| Matériau | |
| Protection tête d’interrupteur | Zinc moulé sous pression |
| Support de l’interrupteur | Zinc moulé sous pression |
| Boîtier d’interrupteur de sécurité | Thermoplastique renforcé avec des fibres de verre |
| Force de retenue Fmax | 3900 N |
| Force de retenue FZh | 3000 N (Fzh = Fmax/1,3 En fonction de l’actionneur utilisé) |
| Principe d’interverrouillage | Verrouillage hors tension |
Valeurs caractéristiques selon EN ISO 13849-1 et EN IEC 62061
| PL | SIL maximal | PFHD | Catégorie | Durée d’utilisation | |
|---|---|---|---|---|---|
| Surveillance de l’interverrouillage | PL e | - | 4.1x10-9 | 4 | 20 y |
| PL | SIL maximal | Catégorie | Durée d’utilisation | |
|---|---|---|---|---|
| Commande de l’interverrouillage | Fonction de la commande extérieure de l’interverrouillage | 20 y | ||
Divers
| Avis pour l'homologation UL | Fonctionnement uniquement avec alimentation UL-Class 2 ou mesures équivalentes, voir mode d’emploi |
Accessoires
Fonctions supplémentaires
Déverrouillage par câble
096230
AE-B-A1-02,0-096230
AE-B-A1-02,0-096230
- Utilisable comme déverrouillage interne ou déverrouillage de secours
- Sans auto-réarmement
- Longueur de gaine 2 m (longueur de câble 6 m)
097747
AE-B-A1-02,0-F-097747
AE-B-A1-02,0-F-097747
- Utilisable comme déverrouillage interne ou déverrouillage de secours
- Auto-réarmement
- Longueur de gaine 2 m (longueur de câble 6 m)
098313
AE-B-A1-03,0-098313
AE-B-A1-03,0-098313
- Utilisable comme déverrouillage interne ou déverrouillage de secours
- Sans auto-réarmement
- Longueur de gaine 3 m (longueur de câble 6 m)
098314
AE-B-A1-04,0-098314
AE-B-A1-04,0-098314
- Utilisable comme déverrouillage interne ou déverrouillage de secours
- Sans auto-réarmement
- Longueur de gaine 4 m (longueur de câble 6 m)
111233
AE-B-A1-03,0-F-111233
AE-B-A1-03,0-F-111233
- Utilisable comme déverrouillage interne ou déverrouillage de secours
- Auto-réarmement
- Longueur de gaine 3 m (longueur de câble 6 m)
125582
AE-B-A1-06,0-125582
AE-B-A1-06,0-125582
- Utilisable comme déverrouillage interne ou déverrouillage de secours
- Sans auto-réarmement
- Longueur de câble 6 m (sans gaine)
124770
AE-B-A1-06,0-F-124770
AE-B-A1-06,0-F-124770
- Utilisable comme déverrouillage interne ou déverrouillage de secours
- Auto-réarmement
- Longueur de câble 6 m (sans gaine)
Serrure pour déverrouillage auxiliaire pour interrupteurs de sécurité CTP/CTA/TP/STP

084177
AE-K-A1-DULK1-84177
AE-K-A1-DULK1-84177
- Serrure à fermeture différenciée
- Clé retirable en position "déverrouillée", "verrouillée"

086236
AE-K-A1-IULK1-86236
AE-K-A1-IULK1-86236
- Serrure universelle
- Clé retirable en position "déverrouillée", "verrouillée"

109212
AE-K-A1-IUK2-109212
AE-K-A1-IUK2-109212
- Serrure universelle
- Clé retirable uniquement en position "déverrouillée"
Matériel de raccordement
Câble de raccordement avec 2 connecteurs M12, 5 broches, 1,5 m, standard AIDA

159356
C-M12F05-05X034PU01,5-M12M05-159356
C-M12F05-05X034PU01,5-M12M05-159356
- Connecteur femelle M12 sur connecteur M12, 5 broches
- Connecteurs femelle et mâle droits
- Câble de raccordement conforme au standard AIDA
- Câble PUR, couleur de la gaine : gris
- Longueur de câble 1,5 m

159363
C-M12F05-05X034PU01,5-M12M05-159363
C-M12F05-05X034PU01,5-M12M05-159363
- Connecteur femelle M12 sur connecteur M12, 5 broches
- Connecteurs femelle et mâle droits
- Câble de raccordement conforme au standard AIDA
- Câble PUR, couleur de la gaine : jaune
- Longueur de câble 1,5 m
Câble de raccordement avec 2 connecteurs M12, 5 broches, 10 m

100181
C-M12F05-05X034PV10,0-M12M05-100181
C-M12F05-05X034PV10,0-M12M05-100181
- Connecteur femelle M12 sur connecteur M12, 5 broches
- Connecteurs femelle et mâle droits
- Câble PVC
- Longueur de câble 10 m

119947
C-M12F05-05X034PU10,0-M12M05-119947
C-M12F05-05X034PU10,0-M12M05-119947
- Connecteur femelle M12 sur connecteur M12, 5 broches
- Connecteurs femelle et mâle droits
- Câble PUR
- Longueur de câble 10 m
Câble de raccordement avec 2 connecteurs M12, 5 broches, 10 m, standard AIDA

159360
C-M12F05-05X034PU10,0-M12M05-159360
C-M12F05-05X034PU10,0-M12M05-159360
- Connecteur femelle M12 sur connecteur M12, 5 broches
- Connecteurs femelle et mâle droits
- Câble de raccordement conforme au standard AIDA
- Câble PUR, couleur de la gaine : gris
- Longueur de câble 10 m

159920
C-M12F05-05X034PU10,0-M12M05-159920
C-M12F05-05X034PU10,0-M12M05-159920
- Connecteur femelle M12 sur connecteur M12, 5 broches
- Connecteurs femelle et mâle droits
- Câble de raccordement conforme au standard AIDA
- Câble PUR, couleur de la gaine : jaune
- Longueur de câble 10 m
Câble de raccordement avec 2 connecteurs M12, 5 broches, 15 m, standard AIDA

159361
C-M12F05-05X034PU15,0-M12M05-159361
C-M12F05-05X034PU15,0-M12M05-159361
- Connecteur femelle M12 sur connecteur M12, 5 broches
- Connecteurs femelle et mâle droits
- Câble de raccordement conforme au standard AIDA
- Câble PUR, couleur de la gaine : gris
- Longueur de câble 15 m

159921
C-M12F05-05X034PU15,0-M12M05-159921
C-M12F05-05X034PU15,0-M12M05-159921
- Connecteur femelle M12 sur connecteur M12, 5 broches
- Connecteurs femelle et mâle droits
- Câble de raccordement conforme au standard AIDA
- Câble PUR, couleur de la gaine : jaune
- Longueur de câble 15 m
Câble de raccordement avec 2 connecteurs M12, 5 broches, 1 m, standard AIDA

159355
C-M12F05-05X034PU01,0-M12M05-159355
C-M12F05-05X034PU01,0-M12M05-159355
- Connecteur femelle M12 sur connecteur M12, 5 broches
- Connecteurs femelle et mâle droits
- Câble de raccordement conforme au standard AIDA
- Câble PUR, couleur de la gaine : gris
- Longueur de câble 1 m

159362
C-M12F05-05X034PU01,0-M12M05-159362
C-M12F05-05X034PU01,0-M12M05-159362
- Connecteur femelle M12 sur connecteur M12, 5 broches
- Connecteurs femelle et mâle droits
- Câble de raccordement conforme au standard AIDA
- Câble PUR, couleur de la gaine : jaune
- Longueur de câble 1 m
Câble de raccordement avec 2 connecteurs M12, 5 broches, 20 m

100182
C-M12F05-05X034PV20,0-M12M05-100182
C-M12F05-05X034PV20,0-M12M05-100182
- Connecteur femelle M12 sur connecteur M12, 5 broches
- Connecteurs femelle et mâle droits
- Câble PVC
- Longueur de câble 20 m

119971
C-M12F05-05X034PU20,0-M12M05-119971
C-M12F05-05X034PU20,0-M12M05-119971
- Connecteur femelle M12 sur connecteur M12, 5 broches
- Connecteurs femelle et mâle droits
- Câble PUR
- Longueur de câble 20 m
Câble de raccordement avec 2 connecteurs M12, 5 broches, 3 m, standard AIDA

159357
C-M12F05-05X034PU03,0-M12M05-159357
C-M12F05-05X034PU03,0-M12M05-159357
- Connecteur femelle M12 sur connecteur M12, 5 broches
- Connecteurs femelle et mâle droits
- Câble de raccordement conforme au standard AIDA
- Câble PUR, couleur de la gaine : gris
- Longueur de câble 3 m

159364
C-M12F05-05X034PU03,0-M12M05-159364
C-M12F05-05X034PU03,0-M12M05-159364
- Connecteur femelle M12 sur connecteur M12, 5 broches
- Connecteurs femelle et mâle droits
- Câble de raccordement conforme au standard AIDA
- Câble PUR, couleur de la gaine : jaune
- Longueur de câble 3 m
Câble de raccordement avec 2 connecteurs M12, 5 broches, 5 m

100180
C-M12F05-05X034PV05,0-M12M05-100180
C-M12F05-05X034PV05,0-M12M05-100180
- Connecteur femelle M12 sur connecteur M12, 5 broches
- Connecteurs femelle et mâle droits
- Câble PVC
- Longueur de câble 5 m

119932
C-M12F05-05X034PU05,0-M12M05-119932
C-M12F05-05X034PU05,0-M12M05-119932
- Connecteur femelle M12 sur connecteur M12, 5 broches
- Connecteurs femelle et mâle droits
- Câble PUR
- Longueur de câble 5 m
Câble de raccordement avec 2 connecteurs M12, 5 broches, 5 m, standard AIDA

159358
C-M12F05-05X034PU05,0-M12M05-159358
C-M12F05-05X034PU05,0-M12M05-159358
- Connecteur femelle M12 sur connecteur M12, 5 broches
- Connecteurs femelle et mâle droits
- Câble de raccordement conforme au standard AIDA
- Câble PUR, couleur de la gaine : gris
- Longueur de câble 5 m

159365
C-M12F05-05X034PU05,0-M12M05-159365
C-M12F05-05X034PU05,0-M12M05-159365
- Connecteur femelle M12 sur connecteur M12, 5 broches
- Connecteurs femelle et mâle droits
- Câble de raccordement conforme au standard AIDA
- Câble PUR, couleur de la gaine : jaune
- Longueur de câble 5 m
Câble de raccordement avec 2 connecteurs M12, 5 broches, 8 m, standard AIDA

159359
C-M12F05-05X034PU08,0-M12M05-159359
C-M12F05-05X034PU08,0-M12M05-159359
- Connecteur femelle M12 sur connecteur M12, 5 broches
- Connecteurs femelle et mâle droits
- Câble de raccordement conforme au standard AIDA
- Câble PUR, couleur de la gaine : gris
- Longueur de câble 8 m

159919
C-M12F05-05X034PU08,0-M12M05-159919
C-M12F05-05X034PU08,0-M12M05-159919
- Connecteur femelle M12 sur connecteur M12, 5 broches
- Connecteurs femelle et mâle droits
- Câble de raccordement conforme au standard AIDA
- Câble PUR, couleur de la gaine : jaune
- Longueur de câble 8 m
Câble de raccordement avec connecteur M12 coudé, 5 broches, 10 m

113187
C-M12F05-05X025PU10,0-MA-113187
C-M12F05-05X025PU10,0-MA-113187
- Connecteur femelle M12, 5 broches
- Connecteur coudé
- Câble PUR
- Longueur de câble 10 m
- Sortie de câble A (côté droit)
- Avec extrémité de câble libre

113190
C-M12F05-05X025PU10,0-MA-113190
C-M12F05-05X025PU10,0-MA-113190
- Connecteur femelle M12, 5 broches
- Connecteur coudé
- Câble PUR
- Longueur de câble 10 m
- Sortie de câble C (côté gauche)
- Avec extrémité de câble libre
Rallonge PUR M12, 5 conducteurs, connecteur aux deux extrémités, 10 m

115565
C-M12F05-05X025PU10,0-M12M05-115565
C-M12F05-05X025PU10,0-M12M05-115565
- Connecteur femelle M12, 5 broches (coudé) sur connecteur M12 (droit)
- connecteur aux deux extrémités
- Câble PUR
- Longueur de câble 10 m
- avec sortie de câble A (côté droit)

115566
C-M12F05-05X025PU10,0-M12M05-115566
C-M12F05-05X025PU10,0-M12M05-115566
- Connecteur femelle M12, 5 broches (coudé) sur connecteur M12 (droit)
- connecteur aux deux extrémités
- Câble PUR
- Longueur de câble 10 m
- avec sortie de câble C (côté gauche)
Téléchargements
Documents individuels
Déclarations de conformité
EU-Konformitätserklärung
N° doc.
Version
Langue
Taille
EU-Konformitätserklärung
N° doc.
EDC2518511
Version
Langue
Taille
0,2 MB
UKCA-Konformitätserklärung
N° doc.
Version
Langue
Taille
UKCA-Konformitätserklärung
N° doc.
EDC20001509
Version
Langue
Taille
0,1 MB
Instructions
Mode d’emploi MGBS-P-L.-AP… Uni-/multicode
N° doc.
Version
Langue
Taille
Mode d’emploi MGBS-P-L.-AP… Uni-/multicode
N° doc.
2527245
Version
06/23
Langue
Taille
4,3 MB
Operating Instructions MGBS-P-L.-AP… Unicode/Multicode
N° doc.
2527245
Version
06/23
Langue
Taille
4,3 MB
Manual de instrucciones MGBS-P-L.-AP… Unicode/Multicode
N° doc.
2527245
Version
06/23
Langue
Taille
4,3 MB
Betriebsanleitung MGBS-P-L.-AP… Uni-/Multicode
N° doc.
2527245
Version
06/23
Langue
Taille
4,3 MB
Istruzioni di impiego MGBS-P-L.-AP… Unicode/Multicode
N° doc.
2527245
Version
06/23
Langue
Taille
4,3 MB
操作説明書 MGBS-P‑L.‑AP… ユニコード/マルチコード
N° doc.
2527245
Version
06/23
Langue
Taille
4,8 MB
Autres documents
Agréments et certificats
FCC
N° doc.
Version
Langue
Taille
FCC
N° doc.
Version
Langue
Taille
0,1 MB
IC
N° doc.
Version
Langue
Taille
IC
N° doc.
Version
Langue
Taille
1,8 MB
c UL us
N° doc.
Version
Langue
Taille
c UL us
N° doc.
Version
Langue
Taille
0,3 MB
Documents de vente
Multifunctional Gate Box MGBS Slimline
N° doc.
Version
Langue
Taille
Multifunctional Gate Box MGBS Slimline
N° doc.
163692
Version
03-03/20
Langue
Taille
13,4 MB
Multifunctional Gate Box MGBS Slimline
N° doc.
163691
Version
03-03/20
Langue
Taille
13,3 MB
Multifunctional Gate Box MGBS Slimline
N° doc.
163693
Version
03-03/20
Langue
Taille
13,4 MB
Multifunctional Gate Box MGBS Slimline
N° doc.
163690
Version
03-03/20
Langue
Taille
13,3 MB
製品/マルチファンクション-ゲート-ボックス- MGBS Slimline
N° doc.
164508
Version
03-03/20
Langue
Taille
4,8 MB
Données de commande
| N° de commande | 161693 |
| Désignation article | MGBS-P-L1-AP-U-R-AZ-SII-161693 |
| Poids brut | 2,kg |
| Code douanier | 85365019000 |
| ECLASS | 27-27-24-05 Safety-related transponder switch with guardlocking |











