AccueilProdukteSystèmes de sécurité avec AS-InterfaceInterrupteurs de sécurité à codage par transpondeur avec AS-InterfaceCTM-L2-AS1B-U-AZ-SJ-163977
Interrupteur de sécurité CTM-AS – avec connexion AS-i, connecteur M12 (verrouillage sous tension)
- Interverrouillage adapté uniquement à la protection du process : les sorties de sécurité sont activées lorsque l’interverrouillage est actif.
- Force de maintien jusqu’à 1000 N
- Jusqu’à la catégorie 4 / PL e selon EN ISO 13849-1
- Force d’insertion / de retrait / de retenue : 35/30/15 N
- Déverrouillage auxiliaire
- Unicode

Description
Mode d’interverrouillage
CTM-L2 | Verrouillage sous tension : interverrouillage par commande de la sortie 0 As-i et déverrouillage mécanique. |
Commande de l’électroaimant d’interverrouillage
L’électroaimant d’interverrouillage peut être commandé via le bit D0 du bus AS-Interface ou via l’énergie auxiliaire.
Entrées AS-Interface
D0, D1 | Contrôle de porte |
D2, D3 | Contrôle d’interverrouillage |
L’analyse est réalisée via un moniteur de sécurité.
Sorties AS-Interface
D0 | Interverrouillage |
Indication de fonctionnement par LED
- La LED ASI indique l’état du bus ASi.
- La LED LOCK indique l’état de l’interverrouillage.
- La LED STATE/DIA indique l’état de l’interrupteur et les éventuels défauts.
Déverrouillage auxiliaire
Permet de débloquer l’interverrouillage à l’aide d’un outil. Le déverrouillage auxiliaire doit être scellé pour empêcher toute tentative de manipulation (p. ex. au moyen d’un vernis de protection).



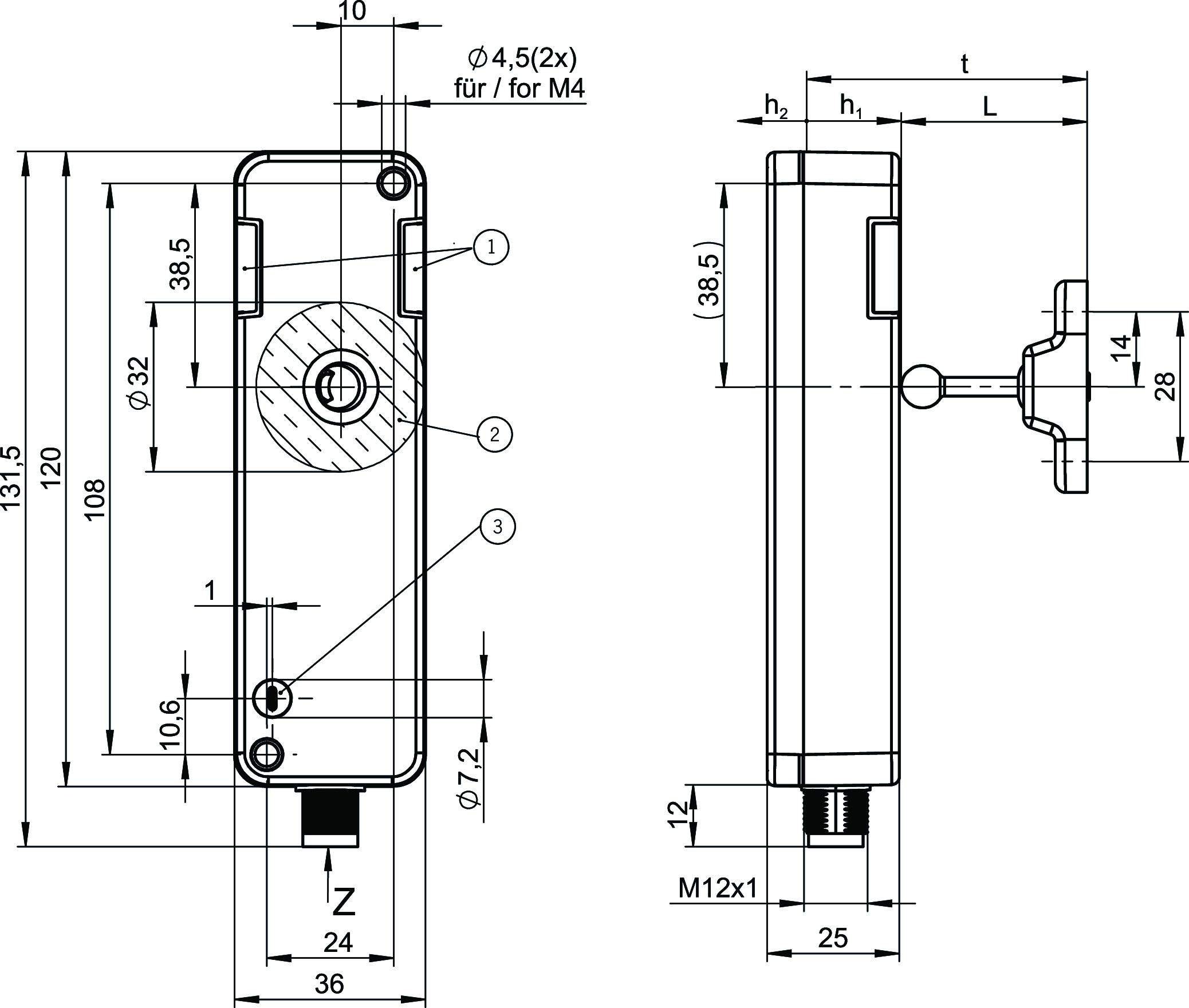
Dessins cotés

| 1 | LED |
| 2 | Face active tête de lecture |
| 3 | Déverrouillage auxiliaire |
Exemples de connexion

| Vue du côté connecteur |
Exemples de connexion

Caractéristiques techniques
Autorisations



Espace de travail
| Répétabilité R | 10 % |
Puissance électrique connectée
| Courant de service ASI | max. 50 mA |
| Tension auxiliaire AS-Interface | 20.4 ... 24 ... 26.4 V |
| Courant auxiliaire AS-Interface | 650 mA |
| Protocole AS-Interface | ASi-3 |
| Données ASI out | D0 = Commande de l’interverrouillage |
| Données ASI en | D0, D1 = Position de la porte, D2, D3 = Interverrouillage |
| Type d'esclave AS-Interface | ID-Code: B, EA-Code: 7 |
| Tension ASI | 26.5 ... 30 ... 31.6 V |
| Exigences de protection CEM | selon EN IEC 60947-5-3 |
| Facteur de marche de l’électroaimant ED | 100 % |
| Charge de commutation | DC 24V, UL Class 2 (Alternative, voir mode d’emploi) |
| Classe de protection | III |
| Degré de pollution (externe, selon EN 60947-1) | 3 |
Valeurs mécaniques et environnement
| Anfahrgeschwindigkeit | max. 20 m/min |
| Type de connexion | Connecteur M12, 4 broches |
| Force de retrait | 30 N |
| Temporisation avant l’état prêt | 3 s |
| Force d’actionnement | 35 N |
| Position de montage | Au choix |
| Fréquence de commutation | max. 0.25 Hz |
| Température de stockage | -25 ... 70 °C |
| Durée de vie mécanique | 1 x 10⁶ |
| Surcourse | 2 mm |
| Force de retenue | 15 N |
| Résistance aux chocs et aux vibrations | selon EN IEC 60947-5-3 |
| Indice de protection | IP65 / IP67 (À l'état connecté et sécurisé) |
| Température ambiante | |
| avec UB = 24 V DC | -20 ... 60 °C |
| Matériau | |
| Joints | Fluoroélastomère (FKM) |
| Boîtier d’interrupteur de sécurité | Thermoplastique renforcé avec des fibres de verre |
| Force de retenue Fmax | 1300 N |
| Force de retenue FZh | 1000 N |
| Principe d’interverrouillage | Verrouillage sous tension |
Valeurs caractéristiques selon EN ISO 13849-1 et EN IEC 62061
| PL | SIL maximal | PFHD | Catégorie | Durée d’utilisation | |
|---|---|---|---|---|---|
| Surveillance de la position du protecteur | PL e | 3 | 4.83x10-9 | 4 | 20 y |
Divers
| Avis pour l'homologation UL | Fonctionnement uniquement avec alimentation UL-Class 2 ou mesures équivalentes, voir mode d’emploi |
Accessoires
Téléchargements
Documents individuels
Déclarations de conformité
EU-Konformitätserklärung
N° doc.
Version
Langue
Taille
EU-Konformitätserklärung
N° doc.
EDC2525461
Version
Langue
Taille
0,5 MB
UKCA-Konformitätserklärung
N° doc.
Version
Langue
Taille
UKCA-Konformitätserklärung
N° doc.
EDC20001477
Version
Langue
Taille
0,1 MB
Instructions
Mode d’emploi Interrupteur de sécurité à codage par transpondeur avec interverrouillage pour la protection du process CTM-L2-AS1B Uni-/multicode
N° doc.
Version
Langue
Taille
Mode d’emploi Interrupteur de sécurité à codage par transpondeur avec interverrouillage pour la protection du process CTM-L2-AS1B Uni-/multicode
N° doc.
2539116
Version
04/24
Langue
Taille
1,5 MB
Operating Instructions Transponder-Coded Safety Switch with Guard Locking for Process Protection CTM-L2-AS1B Unicode/Multicode
N° doc.
2539116
Version
04/24
Langue
Taille
1,5 MB
Manual de instrucciones Interruptor de seguridad codificado por transponder con bloqueo para la protección de procesos CTM-L2-AS1B Unicode/Multicode
N° doc.
2539116
Version
04/24
Langue
Taille
1,5 MB
Betriebsanleitung Transpondercodierter Sicherheitsschalter mit Zuhaltung für den Prozessschutz CTM-L2-AS1B Uni-/Multicode
N° doc.
2539116
Version
04/24
Langue
Taille
1,4 MB
Návod k použití Bezpečnostní spínač s kódovaným transpondérem a jištěním ochranného krytu pro ochranu procesů CTM-L2-AS1B Unicode/Multicode
N° doc.
2539116
Version
04/24
Langue
Taille
2,0 MB
Autres documents
Agréments et certificats
Asi Zertifikat CTM
N° doc.
Version
Langue
Taille
Asi Zertifikat CTM
N° doc.
20001493
Version
Langue
Taille
0,6 MB
FCC
N° doc.
Version
Langue
Taille
FCC
N° doc.
Version
Langue
Taille
0,1 MB
ISED
N° doc.
Version
Langue
Taille
ISED
N° doc.
Version
Langue
Taille
1,2 MB
UQS CTM-.2-…
N° doc.
Version
Langue
Taille
UQS CTM-.2-…
N° doc.
ECO20001482
Version
Langue
Taille
0,2 MB
Documents de vente
Communication du futur – industrie 4.0
N° doc.
Version
Langue
Taille
Communication du futur – industrie 4.0
N° doc.
159044
Version
08-03/23
Langue
Taille
4,7 MB
Future-proof Communication – Industry 4.0
N° doc.
Version
Langue
Taille
Future-proof Communication – Industry 4.0
N° doc.
159043
Version
08-03/23
Langue
Taille
5,8 MB
La comunicación del futuro: la industria 4.0
N° doc.
Version
Langue
Taille
La comunicación del futuro: la industria 4.0
N° doc.
159045
Version
08-03/23
Langue
Taille
5,8 MB
Zukunftsfähige Kommunikation – Industrie 4.0
N° doc.
Version
Langue
Taille
Zukunftsfähige Kommunikation – Industrie 4.0
N° doc.
159042
Version
08-03/23
Langue
Taille
5,8 MB
小型ながら大 きなメリット - ガードロック付きトランスポンダ ー・コーデッド安全スイッチ CTM
N° doc.
Version
Langue
Taille
小型ながら大 きなメリット - ガードロック付きトランスポンダ ー・コーデッド安全スイッチ CTM
N° doc.
166084
Version
03-07/21
Langue
Taille
4,7 MB
面向未来的通信 – 工业4.0
N° doc.
Version
Langue
Taille
面向未来的通信 – 工业4.0
N° doc.
164814
Version
06-05/21
Langue
Taille
6,2 MB
Données de commande
| N° de commande | 163977 |
| Désignation article | CTM-L2-AS1B-U-AZ-SJ-163977 |
| Poids brut | 0,26kg |
| Code douanier | 85365019000 |
| ECLASS | 27-27-24-05 Safety-related transponder switch with guardlocking |


