アダプター NP-K

Description
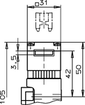
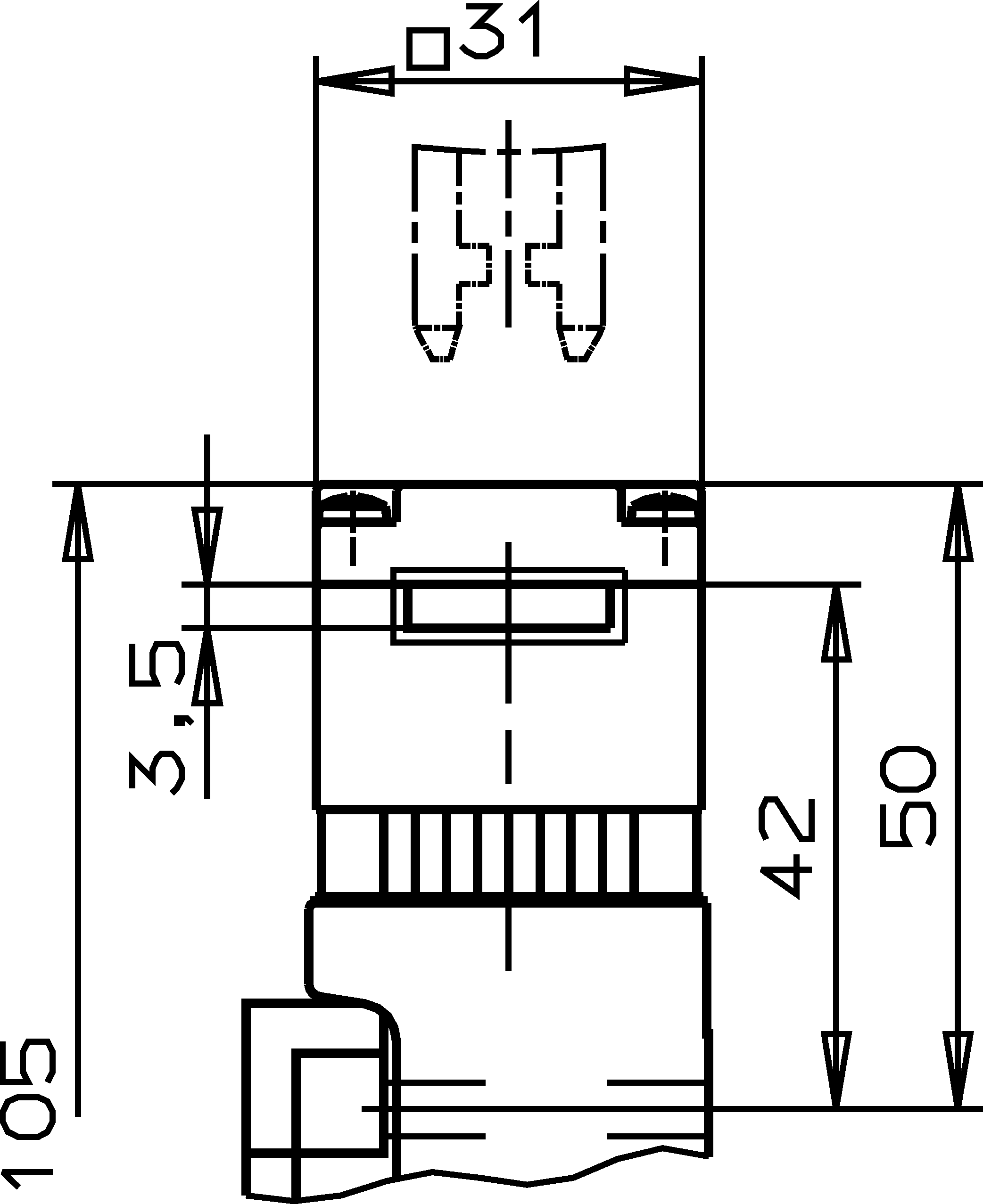
アダプター NP-K は、NP シリーズのトップ・エントリー・オーバートラベル・アプリケーションに使用します。
- GP/TP シリーズの安全スイッチには使用できません。
- 3x38 のネジ 4 個が付属 (セーフティ・ネジではありません)

寸法図

Technical data
機械的価値と環境
| 保管温度 | -25 ... 70 °C |
| 素材 | |
| スペーサー | プラスチック |
| 延長 | ステンレス鋼 |
| ネジ | ステンレス鋼 |
Downloads
営業資料
Safety Switches with Plastic Housing
Doc. no.
Version
Language
Size
Safety Switches with Plastic Housing
Doc. no.
096956
Version
11-03/18
Language
Size
6,5 MB
Interrupteurs de sécurité avec boîtier plastique
Doc. no.
100677
Version
11-03/18
Language
Size
6,6 MB
Interruptores de seguridad con carcasa plástica
Doc. no.
104855
Version
11-03/18
Language
Size
6,6 MB
Sicherheitsschalter mit Kunststoffgehäuse
Doc. no.
096955
Version
11-03/18
Language
Size
6,6 MB
塑料壳体 的安全开关
Doc. no.
116243
Version
11-03/18
Language
Size
6,1 MB
Bezpečnostní spínače s plastovým pouzdrem
Doc. no.
121649
Version
11-03/18
Language
Size
6,5 MB
CAD data
Ordering data
| Ordernumber | 074578 |
| Item designation | ADAPTER NP-K |
| Gross weight | 0,013kg |
| Customs tariff number | 85389099990 |
