ボルツ NZ-GFK 用スイッチ ブラケット
- ガラス繊維強化プラスチック製スイッチ・ブラケット
- 左側または右側ヒンジドア用

Description
メリット
- 頑丈な構造
- 標準アルミニウム・プロファイルやマシンカバーにネジにて簡単取り付け
- 左右ヒンジドア用に左右対称なデザイン

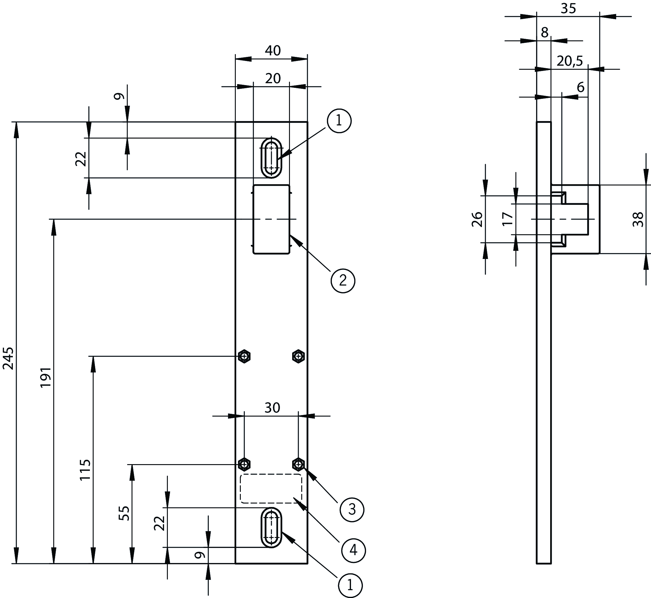
寸法図

| 1 | シリンダー・ヘッド・ネジ M6 用スロット |
| 2 | 挿入補助: 面取り約 2 mm |
| 3 | ネジ付きブッシング B-M5 (4×) |
| 4 | 型式ラベル |
Technical data
機械的価値と環境
| 保管温度 | -25 ... 70 °C |
| 素材 | プラスチック |
Downloads
営業資料
Safety Switches with Metal Housing
Doc. no.
Version
Language
Size
Safety Switches with Metal Housing
Doc. no.
100369
Version
11-03/18
Language
Size
7,8 MB
Interrupteurs de sécurité avec boîtier métallique
Doc. no.
100676
Version
11-03/18
Language
Size
7,9 MB
Interruptores de seguridad con carcasa metálica
Doc. no.
104856
Version
11-03/18
Language
Size
14,0 MB
Sicherheitsschalter mit Metallgehäuse
Doc. no.
100319
Version
11-03/18
Language
Size
7,9 MB
金属壳体 的安全开关
Doc. no.
102453
Version
11-03/18
Language
Size
8,2 MB
Bezpečnostní spínače s kovovým pouzdrem
Doc. no.
121650
Version
11-03/18
Language
Size
7,8 MB
CAD data
Ordering data
| Ordernumber | 096614 |
| Item designation | SCHALTERAUFNAHME NZ-GFK |
| Gross weight | 0,095kg |
| Customs tariff number | 85389099990 |
