ZSE、3 段階
- 3 段階機能
- 30.5 mm 取り付け寸法
- ハンドヘル ド・ペンダント・ステーション HBL、ハウジング G2、G3 またはコントロール・パネルへの取り付けなどに適合

Description
3 段階機能
作動許可機能は第 2 段階でのみ働きます (中央位置、アクチュエーティング・ポイント)。押ボタンを放すか、さらに押し込むと (パニック機能)、作動許可が解除されます (配線による、機能シーケンス参照)。
スイッチ素子
220 | 2 NO + 2 NC |




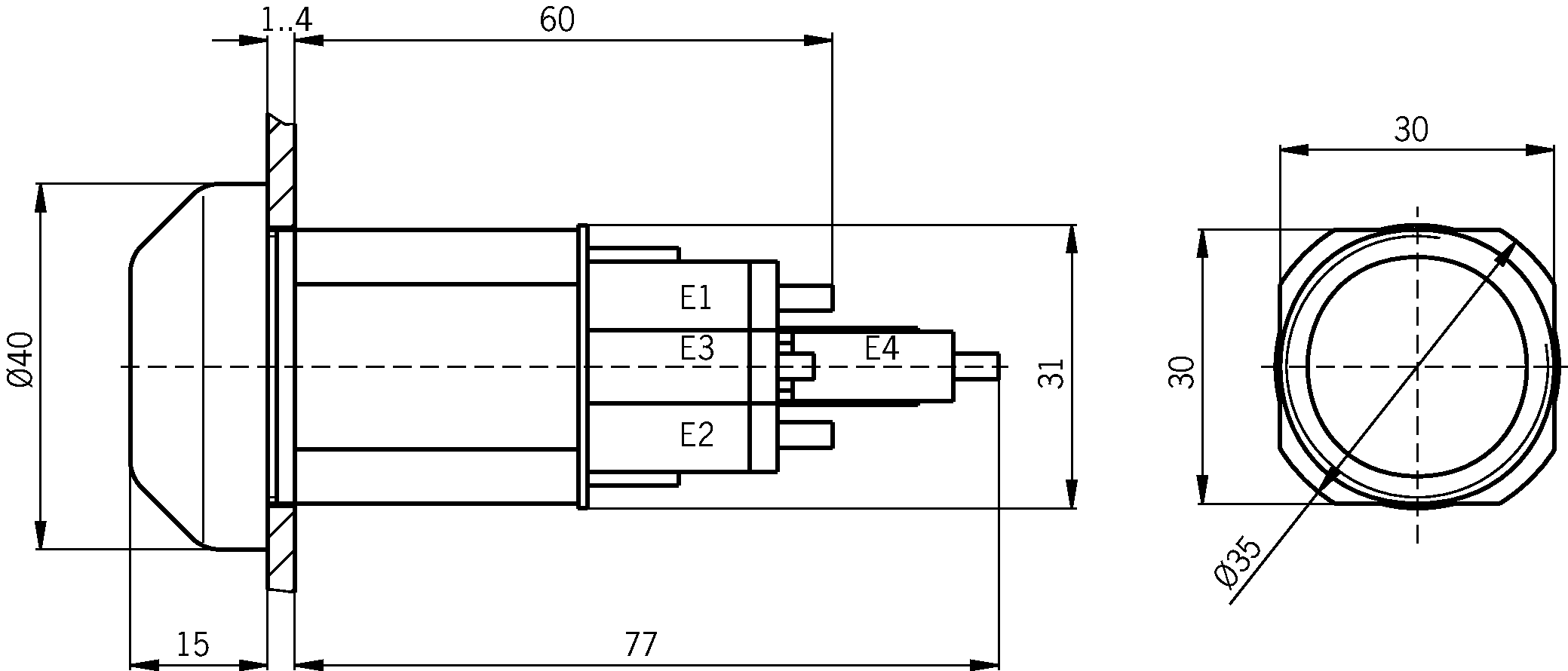
寸法図

寸法図

接続例

シフトトラベルダイアグラム

| square_grey_dark.eps | クローズ、イネーブル |
| square_grey_light.eps | 閉 |
| square_white.eps | 開 |
Technical data
認証取得状況


電気的接続値
| ヘッジ | max. 4 A ジー |
| 定格条件付き短絡電流 | 100 A |
| 定格絶縁電圧 Ui | 250 V |
| 定格インパルス電圧 Uimp | 2.5 kV |
| 利用区分 | |
| DC-13 | 3A 24V |
| AC-15 | 4A 230V |
| スイッチング電圧 | |
| 10 mA で | min. 12 V |
| スイッチング電流 | |
| 24V で | min. 1 mA |
| 汚染度 (外部、EN 60947-1 準拠) | 3 |
機械的価値と環境
| 接続形態 | タブ コネクター 2.8 x 0.8 IEC 760 + はんだ接続 |
| NO 接点の数 | 2 |
| 強制開離コンタクトの数 | 2 |
| 取り付け向き | すべて |
| 保管温度 | -25 ... 70 °C |
| 機械的寿命 | |
| ポジション 1-2-1 | 0.1 x 10⁶ |
| ポジション 1-2-3-1 | 0.1 x 10⁶ |
| スイッチング原理 | スローアクション・コンタクト・エレメント |
| 保護等級 | |
| アイピーゼロ (接続) | |
| IP65 (組み付け状態) | |
| 周囲温度 | -5 ... 60 °C |
| 素材 | |
| ハウジング | プラスチック、黒 |
| キャップ | エラストマー、低 PAH、黒 |
EN ISO 13849-1およびEN IEC 62061に準拠した特性値。
| イネーブル・スイッチ | |
| B10D | 0.5 x 10⁶ |
その他
| C 番号 | |
| C1943 | HBL での取り付け用、締結孔径 30.5 +0.5、ねじれに対する保護用ピンなし、全長 8mm 短縮 |
| 準拠 | 60947-5-8 |
Downloads
Single Documents
使用方法
Operating Instructions Enabling Switch ZSE
Doc. no.
Version
Language
Size
Operating Instructions Enabling Switch ZSE
Mode d’emploi de la commande d’assentiment ZSE
Manual de instrucciones del pulsador de validación ZSE
Betriebsanleitung Zustimmtaster ZSE
Istruzioni di impiego del pulsante di consenso ZSE
Mode d’emploi de la commande d’assentiment ZSE
Manual de instrucciones del pulsador de validación ZSE
Betriebsanleitung Zustimmtaster ZSE
Istruzioni di impiego del pulsante di consenso ZSE
Doc. no.
2092780
Version
03-12/13
Language
Size
0,4 MB
Návod k použití potvrzovacího tlačítka ZSE
Doc. no.
2092780
Version
03-12/13
Language
Size
0,1 MB
適合宣言
EU-Konformitätserklärung
Doc. no.
Version
Language
Size
EU-Konformitätserklärung
Doc. no.
EDC2109392
Version
Language
Size
0,2 MB
UKCA-Konformitätserklärung
Doc. no.
Version
Language
Size
UKCA-Konformitätserklärung
Doc. no.
EDC20001579
Version
Language
Size
0,1 MB
Other Documents
営業資料
Commandes d’Assentiment ZS
Doc. no.
Version
Language
Size
Commandes d’Assentiment ZS
Doc. no.
097367
Version
09-02/21
Language
Size
10,2 MB
Enabling switches ZS
Doc. no.
Version
Language
Size
Enabling switches ZS
Doc. no.
095690
Version
09-02/21
Language
Size
10,1 MB
Zustimmtaster ZS
Doc. no.
Version
Language
Size
Zustimmtaster ZS
Doc. no.
095689
Version
09-02/21
Language
Size
10,2 MB
認証・証明書
CCC
Doc. no.
Version
Language
Size
CCC
Doc. no.
20001753
Version
Language
Size
0,0 MB
CAD data
Ordering data
| Ordernumber | 083477 |
| Item designation | ZSE2-4C1943 |
| Gross weight | 0,096kg |
| Global Trade Item Number (GTIN) | 4047048000803 |
| Customs tariff number | 85365019000 |
| ECLASS | 27-37-12-38 Agreement switch |

