안전 스위치 CES-C01용 볼트
- 스위치 CES-C01용 볼트
- 강철제 볼트
- 좌측 또는 우측에 경첩으로 연결된 도어용
- 닫힌 위치에 있는 볼 디텐트 매커니즘
- 약 15 mm의 도어 틈새에 적합
- 안전 스위치용 보호판

Description
인도 품목
- 사전에 조립된 안전 스위치 CES-AP-C01-CH-SB-106798
- 사전에 조립된, 볼트 텅 내의 CES 액추에이터
- 사전에 조립된 안전 스위치용 보호판
닫힌 위치에서 걸림
볼트가 닫힌 위치에서 걸려 볼트가 의도치 않게 열리는 것을 방지합니다. 볼 또는 스프링 디텐트 메카니즘은 스프링의 힘을 극복함으로써 열립니다.
도어 타입 및 도어 경첩
경첩형 및 슬라이딩 도어에 적합, 좌측 및 우측에서 경첩으로 연결된 도어에 적합, 도어 스톱을 장착한 경우 도어를 내측으로 열 수 없습니다.
보호판
보호판은 스위치가 손상되지 않도록 보호합니다.
잠금 바 내장
내장된 잠금 바를 이용하여, 예를 들어 자물쇠를 사용하여 볼트를 열린 위치에서 잠글 수 있습니다. 이를 통해 작업자가 위험 구역 내에 의도치 않게 갇히는 것을 방지할 수 있습니다.

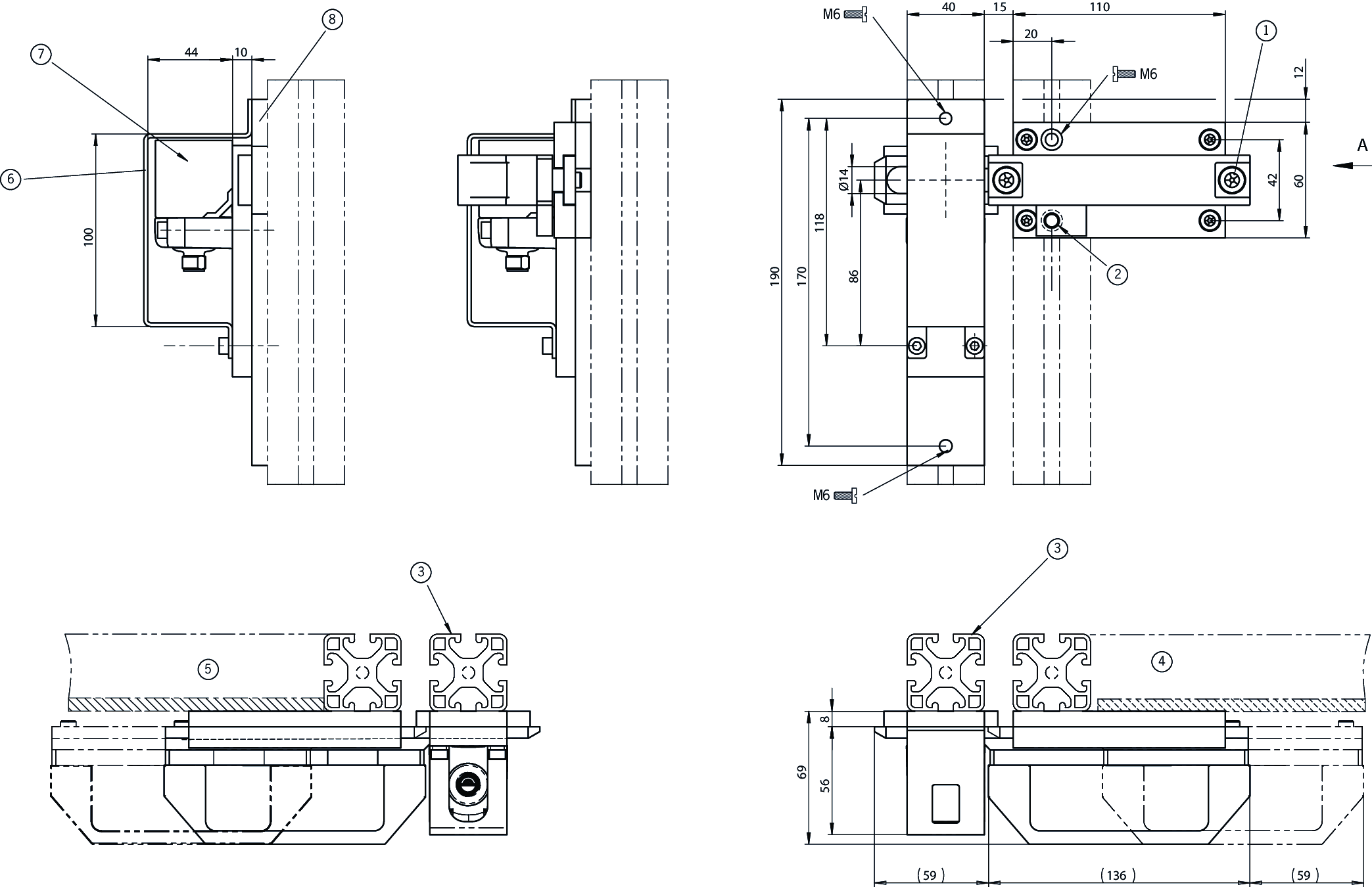
치수 도면

| 1 | 느슨해지 않도록 고정한 스크루 |
| 2 | 사고로 열리는 것을 방지하는 디텐트 매커니즘(진동) |
| 3 | 안전 가드 프레임(40x40) |
| 4 | 우측에 경첩이 부착된 도어 |
| 5 | 좌측에 경첩이 부착된 도어 |
| 6 | 스위치 브래킷에 장착한 보호판 |
| 7 | 스위치 브래킷에 장착한 안전 스위치 |
| 8 | 스톱 플레이트 |
Technical data
기계적 가치 및 환경
| 접근 방향 | A 또는 C |
| 장착할 수 있는 안전 스위치의 수량 | 1 |
| 탈출 릴리스 | 예 |
| 보관 온도 | -25 ... 70 °C |
| 재질 | |
| 기판 | 아연 도금 강철 |
| 가이드 스트립 | 플라스틱 |
| 스위치 브래킷 | 분말 코팅 강철 |
| 핸들 | 플라스틱 |
기타
| 디텐트 메카니즘 닫힌 위치 | 볼 디텐트 메커니즘 |
스위치 CES-AP-C01-CH-SB-106798 (주문. 아니요. 106798)
작업 공간
| 반복 정밀성 R | 10 % |
전기 연결 값
| 헤징 | |
| 외부(작동 전압) | 0.25 ... 8 A |
| 정격 절연 전압 Ui | 75 V (고용자책임보험협회가 최고 75V까지 테스트함.) |
| 정격 임펄스 전압 Uimp | 1.5 kV |
| 작동 전압 DC | |
| UB | 24 V DC -15% ... +15% 역극 방지, 조절형, 잔류 리플<5%, PELV |
| 켜짐 시간 | |
| 안전 출력부 | max. 400 ms |
| EMC 방호 요건 | EN IEC 60947-5-3에 의거 |
| EN 60947-5-3에 따른 위험 시간 | max. 260 ms |
| 안전 등급 | III |
| 전류 소비 | |
| 출력부 무부하 | max. 50 mA |
| 오염 등급(외부, EN 60947-1에 의거) | 3 |
| 모니터링 출력부 DIA | |
| 출력 타입 | p-스위칭, 내단락성 |
| 출력 전압 | 0.8 x UB ... UB V DC (케이블의 길이를 고려하지 않고 스위칭 전류가 50mA일 때의 값.) |
| 스위칭 전류 | max. 200 mA |
| 안전 출력부 OA / OB | |
| 출력 타입 | 반도체 출력부, p-스위칭, 내단락성 |
| 출력 전압 | |
| HIGH U(OA,OB) | UB-1.5 ... UB V DC (케이블의 길이를 고려하지 않고 스위칭 전류가 50mA일 때의 값.) |
| LOW U(OA,OB) | 0 ... 1 V DC |
| 정격 조건부 단락 전류 | 100 A |
| 불일치 시간 | max. 10 ms |
| 활용 범주 | |
| DC-13 | 24V 400mA (주의: 유도 부하의 경우 환류 다이오드를 사용하여 출력부를 보호해야 합니다.) |
| 오프 상태 전류 Ir | max. 0.25 mA |
| 스위칭 전류 | |
| 안전 출력부 하나당 | 1 ... 400 mA |
| 테스트 펄스 지속 시간 | max. 0.4 ms |
기계적 가치 및 환경
| 연결 유형 | M12 플러그 커넥터, 5-핀 |
| 조임 토크 | |
| 고정 스크루 | max. 1 Nm |
| 대기 지연 | 0.5 s |
| 설치 방향 | 임의 |
| 스위칭 주파수 | max. 1 Hz |
| 보관 온도 | -25 ... 70 °C |
| 장착 거리 | min. 40 mm |
| 내충격성 및 내진동성 | EN IEC 60947-5-3에 의거 |
| 보호 등급 | IP67 |
| 주변 온도 | -20 ... 55 °C |
| 재질 | |
| 하우징 | 플라스틱, PBT |
EN ISO 13849-1 및 EN IEC 62061에 따른 특성 값
| PL | 최대 SIL | PFHD | 범주 | 임무 시간 | |
|---|---|---|---|---|---|
| 가드 위치의 모니터링 | PL e | - | 2.1x10-9 | 4 | 20 y |
기타
| UL 승인에 대한 참고 사항 | UL 2등급 전원장치 또는 그에 상응하는 조치를 통해서만 작동 |
Accessories
Downloads
Single Documents
지침
Operating Instructions Non-Contact Safety Switch CES-AP-C01-… (Unicode/Multicode)
Doc. no.
Version
Language
Size
Operating Instructions Non-Contact Safety Switch CES-AP-C01-… (Unicode/Multicode)
Doc. no.
2112663
Version
09-07/23
Language
Size
1,4 MB
Mode d’emploi Interrupteur de sécurité sans contact CES-AP-C01-… (unicode / multicode)
Doc. no.
2112663
Version
09-07/23
Language
Size
1,4 MB
Manual de instrucciones Interruptor de seguridad sin contacto CES-AP-C01-… (Unicode/Multicode)
Doc. no.
2112663
Version
09-07/23
Language
Size
1,4 MB
Betriebsanleitung Berührungsloser Sicherheitsschalter CES-AP-C01-… (Uni-/Multicode)
Doc. no.
2112663
Version
09-07/23
Language
Size
1,4 MB
Manual de instruções Chaves de segurança sem contato CES-AP-C01-… (Unicode/Multicode)
Doc. no.
2112663
Version
09-07/23
Language
Size
1,4 MB
Istruzioni di impiego Finecorsa di sicurezza senza contatto CES-AP-C01-… (Unicode/Multicode)
Doc. no.
2112663
Version
09-07/23
Language
Size
1,4 MB
使用说明书 非接触式安全开关 CES-AP-C01-… (特殊/通用编码)
Doc. no.
2112663
Version
09-07/23
Language
Size
1,9 MB
Инструкция по эксплуатации Бесконтактный предохранительный выключатель CES-AP-C01-… (Uni-/Multicode)
Doc. no.
2112663
Version
09-07/23
Language
Size
1,9 MB
Návod k použití Bezkontaktní bezpečnostní spínač CES-AP-C01-… (Unicode/Multicode)
Doc. no.
2112663
Version
09-07/23
Language
Size
1,9 MB
Instrukcja obsługi Bezstykowy wyłącznik bezpieczeństwa CES-AP-C01-… (Uni-/Multicode)
Doc. no.
2112663
Version
09-07/23
Language
Size
1,9 MB
Návod na prevádzku Bezdotykový bezpečnostný spínač CES-AP-C01-… (Uni-/Multicode)
Doc. no.
2112663
Version
09-07/23
Language
Size
1,9 MB
Safety Information for Bolts
Doc. no.
Version
Language
Size
Safety Information for Bolts
Information de sécurité pour verrous-targettes
Información de seguridad para cerrojos
Sicherheitsinformation für Riegel
Information de sécurité pour verrous-targettes
Información de seguridad para cerrojos
Sicherheitsinformation für Riegel
Doc. no.
2530033
Version
04-03/24
Language
Size
0,2 MB
Sicherheitsinformation für Riegel
Doc. no.
2530033
Version
04-03/24
Language
Size
0,2 MB
Informação de segurança referente ao trinco
Doc. no.
2530033
Version
04-03/24
Language
Size
0,4 MB
Informazioni sulla sicurezza per il chiavistello
Doc. no.
2530033
Version
04-03/24
Language
Size
0,1 MB
Bezpečnostní informace pro petlice
Doc. no.
2530033
Version
04-03/24
Language
Size
0,5 MB
Tolózár biztonsági információi
Doc. no.
2530033
Version
04-03/24
Language
Size
0,5 MB
Информация за безопасност за ригели
Doc. no.
2530033
Version
04-03/24
Language
Size
0,5 MB
Sikkerhedsinformation for bolte
Doc. no.
2530033
Version
04-03/24
Language
Size
0,4 MB
Ohutusalane teave riivistuste kohta
Doc. no.
2530033
Version
04-03/24
Language
Size
0,5 MB
Turvallisuustietoja salvalle
Doc. no.
2530033
Version
04-03/24
Language
Size
0,4 MB
Πληροφορίες ασφαλείας για μάνδαλα
Doc. no.
2530033
Version
04-03/24
Language
Size
0,5 MB
Sigurnosne informacije za brave
Doc. no.
2530033
Version
04-03/24
Language
Size
0,5 MB
Aizbīdņu drošības informācija
Doc. no.
2530033
Version
04-03/24
Language
Size
0,5 MB
Saugos informacija skląsčiui
Doc. no.
2530033
Version
04-03/24
Language
Size
0,5 MB
Veiligheidsinformatie voor grendels
Doc. no.
2530033
Version
04-03/24
Language
Size
0,4 MB
Sikkerhetsinformasjon for låser
Doc. no.
2530033
Version
04-03/24
Language
Size
0,4 MB
Informacje o bezpieczeństwie dotyczące użytkowania zasuw
Doc. no.
2530033
Version
04-03/24
Language
Size
0,5 MB
Säkerhetsinformation för regeln
Doc. no.
2530033
Version
04-03/24
Language
Size
0,4 MB
Varnostne informacije o zapahu
Doc. no.
2530033
Version
04-03/24
Language
Size
0,5 MB
Bezpečnostná informácia pre závory
Doc. no.
2530033
Version
04-03/24
Language
Size
0,5 MB
Sürgüler için güvenlik bilgisi
Doc. no.
2530033
Version
04-03/24
Language
Size
0,5 MB
Informații de siguranță privind zăvoarele
Doc. no.
2530033
Version
04-03/24
Language
Size
0,5 MB
Other Documents
CAD data
Ordering data
| Ordernumber | 110355 |
| Item designation | RIEGEL CES-AC-AP-C01-CH-SB-110355 |
| Gross weight | 2,233kg |
| Customs tariff number | 83014090000 |



