안전 스위치 STP 트윈, 케이블 인입구 M20 x 1.5, 도어 위치용 접점
- TWIN 기능(두 개의 구동 헤드)
- 케이블 인입구 3개, M20 x 1.5
- 도어 위치용 접점
- 보조 릴리스
- 개방회로 전류 원리

Description
TWIN 버전
스위치에는 두 개의 구동 헤드가 있습니다. 이 헤드는 두 개의 이동식 가드가 동시에 고정되도록 합니다.
접근 방향
수평 및 수직
90° 단계로 조정할 수 있습니다
수평으로 접근하는 방향에 대해 오버 트래블 증가.
도어를 닫았을 때 더 큰 유격이 필요한 경우, 오버트래블이 있는 액추에이터를 사용할 수 있습니다. 이러한 액추에이터를 사용하면 도어가 닫혔을 때 그 도어를 구동 방향으로 약간 움직일 수 있습니다. 이는 예를 들어 안전 도어에 고무 엔드 스톱이 있는 경우 중요합니다. 오버트래블이 있는 액추에이터를 사용하면 압축 고무에서 발생하는 지속적인 압력을 줄일 수 있습니다. 이렇게 하면 스위치 헤드와 도어 메커니즘에 가해지는 부하가 감소합니다.
가드 잠금 원리
개방회로 전류(전원을 켜서 잠금): 개방회로 전류 원리를 기반으로 한 가드 잠금 기능이 있는 가드의 경우, 가드 잠금 솔레노이드로의 전원 공급이 중단될 때까지 가드가 잠깁니다. 잠금은 스프링 힘에 의해 해제됩니다. 전기적 가드 잠금이라는 용어도 사용됩니다.
스위칭 부재
2131 | 느린 동작 스위칭 접점 |
가드 잠금용 점점: 2개의 순방향 구동 접점 | |
도어 모니터링용 접점: 1 NC 접점 |
보조 릴리스
전면에 위치한 보조 릴리스는 정전과 같은 고장 발생 시 장비에 접근할 수 있도록 합니다. 잠금 해제는 공구나 키를 사용하여 수행합니다. 보조 릴리스는 오용(실링, 래커)으로부터 보호되어야 합니다.
액세서리 필요
액추에이터가 포함되지 않았습니다.
기능 도면

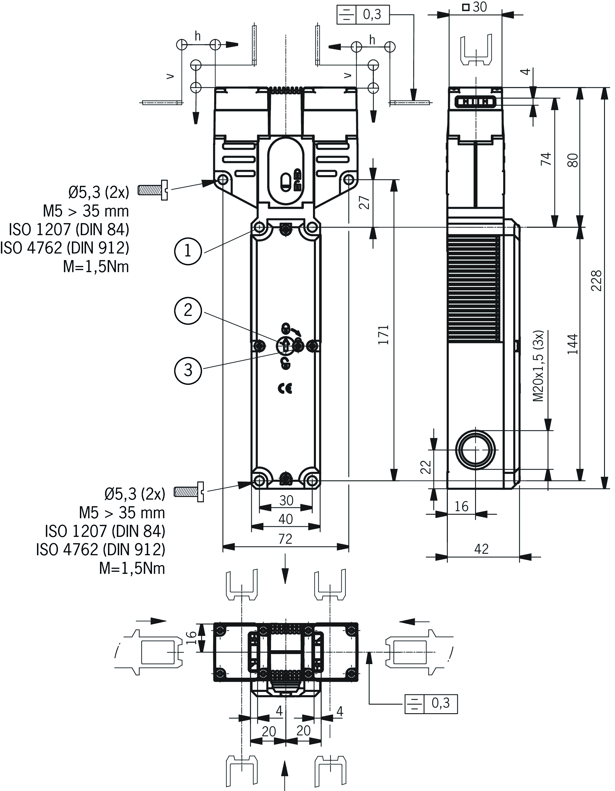
치수 도면

| 1 | 여기서는 나사를 단단히 죄지 마십시오(2개) |
| 2 | 보조 릴리스 |
| 3 | 잠금 스크루 |
연결 예시

| square_grey_dark.eps | 도어 모니터링 |
| square_grey_light.eps | 솔레노이드 모니터링 |
Technical data
승인



전기 연결 값
| 헤징 | max. 4 A gG |
| 전력 소비량 | 8 W |
| 연결 단면도 | 0.34 ... 1.5 mm² |
| 정격 절연 전압 Ui | 250 V |
| 정격 임펄스 전압 Uimp | 2.5 kV |
| 활용 범주 | |
| DC-13 | 4A 24V |
| AC-15 | 4A 230V |
| 솔레노이드 작동 전압 | |
| AC/DC | 24 V -15% ... +10% |
| 솔레노이드 듀티 사이클 | 100 % |
| 스위칭 전압 | |
| 최소 10mA에서 | 12 V |
| 스위칭 전류 | |
| 최소 24V에서 | 1 mA |
| 정격 열전류 Ith | 4 A |
기계적 가치 및 환경
| Anfahrgeschwindigkeit | max. 20 m/min |
| 접근 방향 | A와 C (두 개의 구동 헤드) |
| 연결 유형 | |
| 3번 | M20 x 1.5 |
| 도어 위치 NC 접점의 수량 | 1 |
| 도어 잠금 모니터링 NO 접점의 수량 | 1 |
| 가드 로크 모니터링 순방향 구동 접점의 수량 | 2 |
| 인출력 | 30 N |
| 구동 주파수 | max. 1200 1/h |
| 구동력 | 35 N |
| 설치 방향 | 임의 |
| 삽입 깊이 | 24.5 mm |
| 보관 온도 | -25 ... 70 °C |
| 기계적 수명 | 1 x 10⁶ |
| 유지력 | 20 N |
| 전환 원리 | 느린 동작 스위칭 접점 |
| 보호 등급 | IP67 |
| 주변 온도 | -20 ... 55 °C |
| 재질 | |
| 접점 | 은합금, 금 도금 |
| 하우징 | 강화 열가소성 플라스틱 |
| 잠금력 Fmax | 2500 N |
| 잠금력 FZh | 2000 N |
| 가드 잠금 원리 | 개방회로 전류 원리 |
EN ISO 13849-1 및 EN IEC 62061에 따른 특성 값
| B10D | 임무 시간 | |
|---|---|---|
| 가드 잠금의 모니터링 | 4.5x106 | 20 y |
| 중요! DC-13 100 mA/24V에서 유효한 값 | ||
액추에이터 ACTUATOR-S-GT-SN과 결합하여
| 오버트래블 | 5 mm |
Accessories
기능 확장
와이어 전면 릴리스(보우덴)
096230
AE-B-A1-02,0-096230
AE-B-A1-02,0-096230
- 탈출 릴리스 또는 비상 릴리스로서 사용될 수 있습니다
- 자동 복귀 아님
- 덮개 길이 2m(로프 길이 6m)
097747
AE-B-A1-02,0-F-097747
AE-B-A1-02,0-F-097747
- 탈출 릴리스 또는 비상 릴리스로서 사용될 수 있습니다
- 자동 복귀
- 덮개 길이 2m(로프 길이 6m)
098313
AE-B-A1-03,0-098313
AE-B-A1-03,0-098313
- 탈출 릴리스 또는 비상 릴리스로서 사용될 수 있습니다
- 자동 복귀 아님
- 덮개 길이 3m(로프 길이 6m)
098314
AE-B-A1-04,0-098314
AE-B-A1-04,0-098314
- 탈출 릴리스 또는 비상 릴리스로서 사용될 수 있습니다
- 자동 복귀 아님
- 덮개 길이 4m(로프 길이 6m)
111233
AE-B-A1-03,0-F-111233
AE-B-A1-03,0-F-111233
- 탈출 릴리스 또는 비상 릴리스로서 사용될 수 있습니다
- 자동 복귀
- 덮개 길이 3m(로프 길이 6m)
125582
AE-B-A1-06,0-125582
AE-B-A1-06,0-125582
- 탈출 릴리스 또는 비상 릴리스로서 사용될 수 있습니다
- 자동 복귀 아님
- 로프 길이 6m(덮개 제외)
124770
AE-B-A1-06,0-F-124770
AE-B-A1-06,0-F-124770
- 탈출 릴리스 또는 비상 릴리스로서 사용될 수 있습니다
- 자동 복귀
- 로프 길이 6m(덮개 제외)
Downloads
Single Documents
적합성 선언
EU declaration of conformity
Doc. no.
Version
Language
Size
EU declaration of conformity
Déclaration UE de conformité
Declaración de conformidad UE
EU-Konformitätserklärung
Dichiarazione UE di conformità
Déclaration UE de conformité
Declaración de conformidad UE
EU-Konformitätserklärung
Dichiarazione UE di conformità
Doc. no.
EDC2539628
Version
Language
Size
0,2 MB
EU declaration of conformity
Déclaration UE de conformité
Declaración de conformidad UE
EU-Konformitätserklärung
Dichiarazione UE di conformità
Déclaration UE de conformité
Declaración de conformidad UE
EU-Konformitätserklärung
Dichiarazione UE di conformità
Doc. no.
EDC2539628
Version
Language
Size
0,2 MB
UKCA-Konformitätserklärung
Doc. no.
Version
Language
Size
UKCA-Konformitätserklärung
Doc. no.
EDC20001551
Version
Language
Size
0,1 MB
지침
Operating Instructions Safety Switch STP-TW… (Twin)
Doc. no.
Version
Language
Size
Operating Instructions Safety Switch STP-TW… (Twin)
Doc. no.
2100047
Version
04/25
Language
Size
2,0 MB
Mode d’emploi Interrupteur de sécurité STP-TW… (Twin)
Doc. no.
2100047
Version
04/25
Language
Size
2,1 MB
Manual de instrucciones Interruptor de seguridad STP-TW… (Twin)
Doc. no.
2100047
Version
04/25
Language
Size
2,0 MB
Betriebsanleitung Sicherheitsschalter STP-TW… (Twin)
Doc. no.
2100047
Version
04/25
Language
Size
2,1 MB
Istruzioni di impiego Finecorsa di sicurezza STP-TW… (Twin)
Doc. no.
2100047
Version
04/25
Language
Size
2,0 MB
Other Documents
승인 및 인증서
AUCOTEAM
Doc. no.
Version
Language
Size
AUCOTEAM
Doc. no.
Version
Language
Size
1,6 MB
CCC
Doc. no.
Version
Language
Size
CCC
Doc. no.
20001753
Version
Language
Size
0,0 MB
c UL us
Doc. no.
Version
Language
Size
c UL us
Doc. no.
Version
Language
Size
0,3 MB
영업 문서
Safety Switches with Plastic Housing
Doc. no.
Version
Language
Size
Safety Switches with Plastic Housing
Doc. no.
096956
Version
11-03/18
Language
Size
6,5 MB
Interrupteurs de sécurité avec boîtier plastique
Doc. no.
100677
Version
11-03/18
Language
Size
6,6 MB
Interruptores de seguridad con carcasa plástica
Doc. no.
104855
Version
11-03/18
Language
Size
6,6 MB
Sicherheitsschalter mit Kunststoffgehäuse
Doc. no.
096955
Version
11-03/18
Language
Size
6,6 MB
塑料壳体 的安全开关
Doc. no.
116243
Version
11-03/18
Language
Size
6,1 MB
Bezpečnostní spínače s plastovým pouzdrem
Doc. no.
121649
Version
11-03/18
Language
Size
6,5 MB
Ordering data
| Ordernumber | 100849 |
| Item designation | STP-TW-4A-2131AC024M |
| Gross weight | 0,671kg |
| Customs tariff number | 85365019000 |
| ECLASS | 27-27-26-03 Safety switch with guard control |
+ 1 NO 접점




















