안전 스위치 SGP, 플러그 커넥터 SR11
- 플러그 커넥터 SR11, 11-핀(PE 제외)
- 순방향 구동 접점 3개
- NO 접점 1개

Description
스위칭 부재
2131 | 느린 동작 스위칭 접점 순방향 구동 접점 3개 |
액세서리 필요
액추에이터가 포함되지 않았습니다.
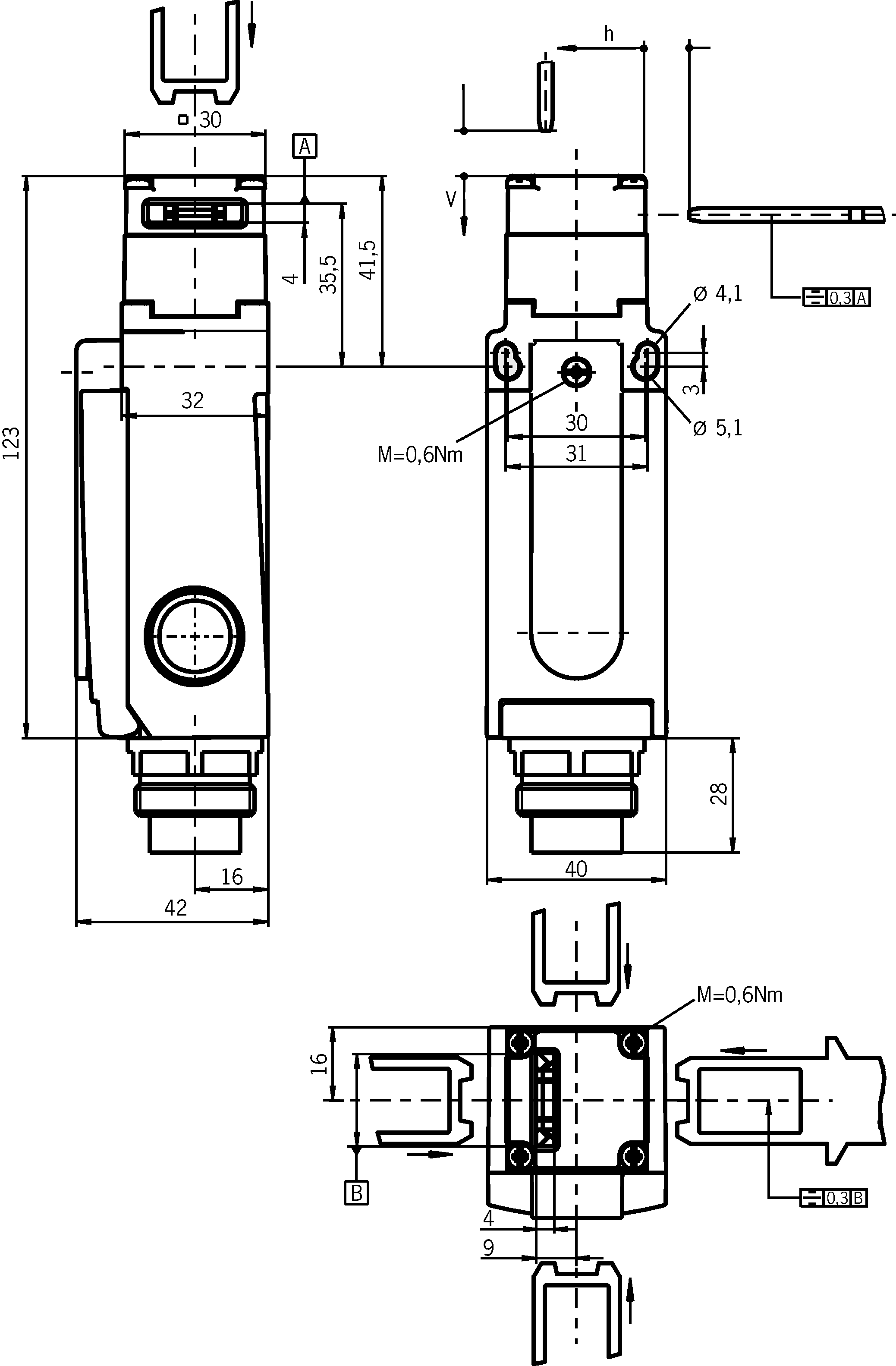
치수 도면

연결 예시

Technical data
승인




전기 연결 값
| 헤징 | max. 4 A gG (> 70 °C => 2 A gG) |
| 정격 절연 전압 Ui | 50 V |
| 정격 임펄스 전압 Uimp | 1.5 kV |
| 활용 범주 | |
| AC-15 | 4A 50V (>70 °C =>2 A) |
| DC-13 | 4A 24V (>70 °C =>2 A) |
| 스위칭 전압 | |
| 최소 10mA에서 | 12 V |
| 스위칭 전류 | |
| 최소 24V에서 | 1 mA |
| 정격 열전류 Ith | 4 A (>70 °C =>2 A) |
기계적 가치 및 환경
| Anfahrgeschwindigkeit | max. 20 m/min |
| 접근 방향 | A |
| 연결 유형 | |
| 1번 | 플러그 커넥터 SR11 (11-핀(PE 제외)) |
| 도어 위치 NO 접점의 수량 | 1 |
| 도어 위치 순방향 구동 접점의 수량 | 3 |
| 인출력 | 25 N |
| 구동 주파수 | max. 6700 1/h |
| 구동력 | 25 N |
| 설치 방향 | 임의 |
| 삽입 깊이 | 24.5 mm |
| 보관 온도 | -25 ... 80 °C |
| 기계적 수명 | 2 x 10⁶ |
| 유지력 | 10 N |
| 전환 원리 | 느린 동작 스위칭 접점 |
| 보호 등급 | IP65 |
| 주변 온도 | -20 ... 80 °C |
| 재질 | |
| 접점 | 은합금, 금 도금 |
| 하우징 | 강화 열가소성 플라스틱 |
EN ISO 13849-1 및 EN IEC 62061에 따른 특성 값
| B10D | 임무 시간 | |
|---|---|---|
| 가드 위치의 모니터링 | 3x106 | 20 y |
| 중요! DC-13 100 mA/24V에서 유효한 값 | ||
액추에이터 ACTUATOR-S-GT-SN과 결합하여
| 오버트래블 | 5 mm |
Accessories
금속제 볼트
액추에이터
Downloads
Single Documents
적합성 선언
EU declaration of conformity
Doc. no.
Version
Language
Size
EU declaration of conformity
Déclaration UE de conformité
Declaración de conformidad UE
EU-Konformitätserklärung
Dichiarazione UE di conformità
Déclaration UE de conformité
Declaración de conformidad UE
EU-Konformitätserklärung
Dichiarazione UE di conformità
Doc. no.
EDC2539628
Version
Language
Size
0,2 MB
EU declaration of conformity
Déclaration UE de conformité
Declaración de conformidad UE
EU-Konformitätserklärung
Dichiarazione UE di conformità
Déclaration UE de conformité
Declaración de conformidad UE
EU-Konformitätserklärung
Dichiarazione UE di conformità
Doc. no.
EDC2539628
Version
Language
Size
0,2 MB
UKCA-Konformitätserklärung
Doc. no.
Version
Language
Size
UKCA-Konformitätserklärung
Doc. no.
EDC20001551
Version
Language
Size
0,1 MB
지침
Operating Instructions Safety Switch SGP...
Doc. no.
Version
Language
Size
Operating Instructions Safety Switch SGP...
Doc. no.
2097700
Version
06/25
Language
Size
0,8 MB
Mode d’emploi Interrupteur de sécurité SGP...
Doc. no.
2097700
Version
06/25
Language
Size
0,8 MB
Manual de instrucciones Interruptor de seguridad SGP...
Doc. no.
2097700
Version
06/25
Language
Size
0,8 MB
Betriebsanleitung Sicherheitsschalter SGP...
Doc. no.
2097700
Version
06/25
Language
Size
0,8 MB
Istruzioni di impiego Finecorsa di sicurezza SGP...
Doc. no.
2097700
Version
06/25
Language
Size
0,8 MB
Other Documents
승인 및 인증서
TÜV Rheinland
Doc. no.
Version
Language
Size
TÜV Rheinland
Doc. no.
Version
Language
Size
0,8 MB
Zulassung
Doc. no.
Version
Language
Size
Zulassung
Doc. no.
20001753
Version
Language
Size
0,0 MB
c UL us
Doc. no.
Version
Language
Size
c UL us
Doc. no.
Version
Language
Size
0,3 MB
영업 문서
Safety Switches with Plastic Housing
Doc. no.
Version
Language
Size
Safety Switches with Plastic Housing
Doc. no.
096956
Version
11-03/18
Language
Size
6,5 MB
Interrupteurs de sécurité avec boîtier plastique
Doc. no.
100677
Version
11-03/18
Language
Size
6,6 MB
Interruptores de seguridad con carcasa plástica
Doc. no.
104855
Version
11-03/18
Language
Size
6,6 MB
Sicherheitsschalter mit Kunststoffgehäuse
Doc. no.
096955
Version
11-03/18
Language
Size
6,6 MB
塑料壳体 的安全开关
Doc. no.
116243
Version
11-03/18
Language
Size
6,1 MB
Bezpečnostní spínače s plastovým pouzdrem
Doc. no.
121649
Version
11-03/18
Language
Size
6,5 MB
CAD data
Ordering data
| Ordernumber | 099084 |
| Item designation | SGP2E-2131ASR11 |
| Gross weight | 0,239kg |
| Customs tariff number | 85365019000 |
| ECLASS | 27-27-26-02 Safety switch with separate actuator (Type 2) |
+ 1 NO 접점





















