ZXE, 3단계, 클릭하여 작동
- 3 단계 기능
- 이중 채널 버전
- 22.5mm 설치 치수
- 스냅 동작 스위칭 접점
- 클릭하여 작동
- 스크루 단자

Description
비고
- 하우징 HBA/HBM을 사용하기 위한 인에이블링 스위치 ZXE-104833
- 단계 1에서 단계 2로 전환하는 동안 및 단계 2에서 단계 1로 복귀하는 동안 클릭하는 소리가 들립니다.
스위칭 부재
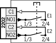
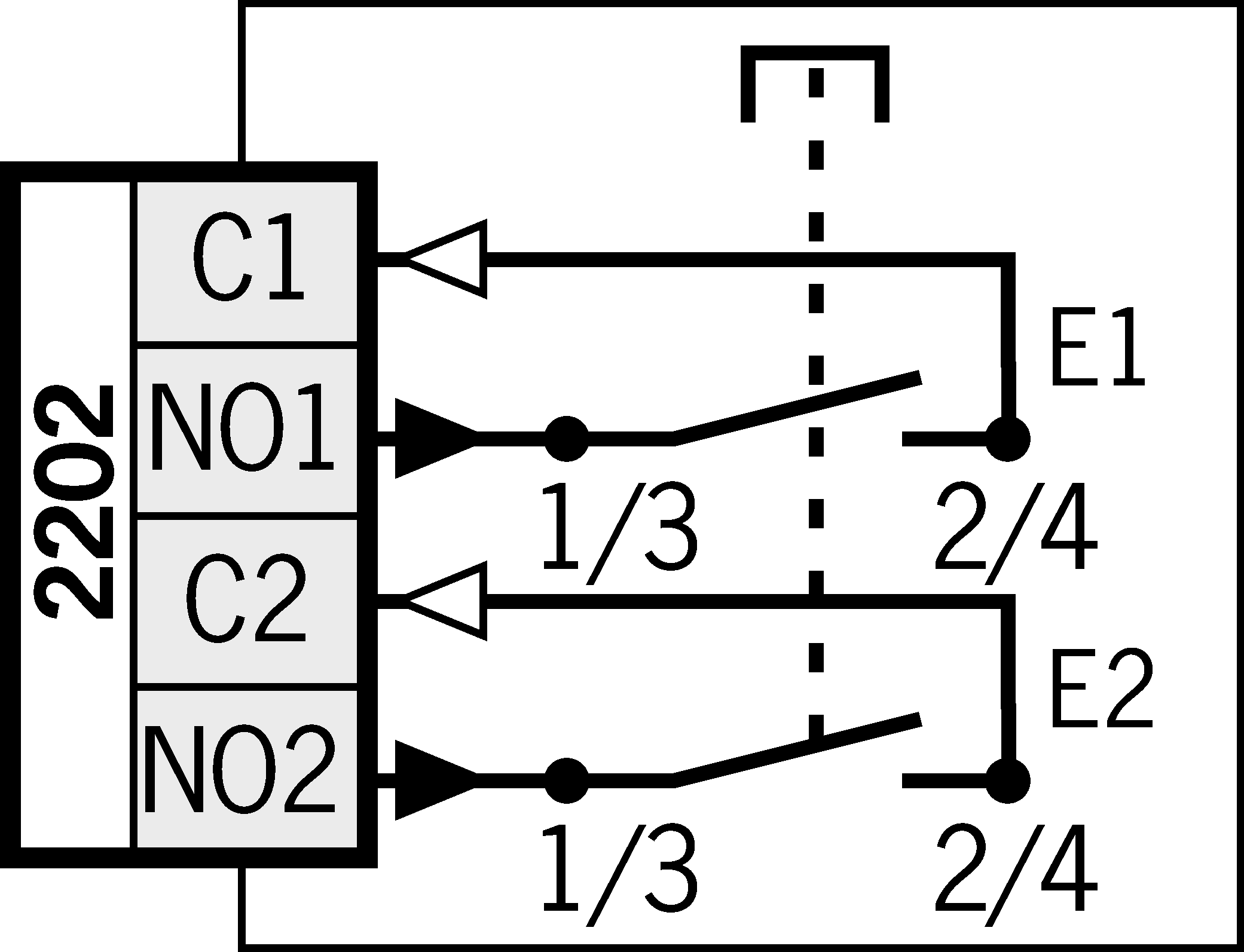
2202 | 2개의 NO/NC 1) 위치 1에서 위치 2까지 –>NO 접점; 위치 2에서 위치 3까지 –>NC 접점. |
3 단계 기능
인에이블링 기능은 두 번째 단계(중앙 위치, 구동 지점)에서만 작동합니다. 푸시버튼에서 손을 떼거나 계속 더 누르면(비상 기능), 인에이블링 기능이 제거됩니다(배선에 따라 다름, 기능 순서 참조).



치수 도면

연결 예시

교대근무 이동 다이어그램

| square_grey_dark.eps | 닫힘, 활성화 |
| square_grey_light.eps | 닫힘 |
| square_white.eps | 열림 |
Technical data
승인


전기 연결 값
| 헤징 | |
| 외부 | 0.1 A 중간 정도의 느린 송풍 |
| 연결 단면도 | |
| 단일 전도체 | 0.33 ... 1.5 mm² |
| 다중 도체 | 0.33 ... 0.75 mm² |
| 연결 단면적 AWG | |
| 다중 도체 | 22 ... 18 AWG |
| 단일 전도체 | 22 ... 16 AWG |
| 정격 조건부 단락 전류 | 100 A |
| 정격 절연 전압 Ui | 30 V |
| 정격 임펄스 전압 Uimp | 1.5 kV |
| 활용 범주 | |
| DC-13 | 0.1A 24V |
| 차단 용량 | max. 0.25 W |
| 스위칭 전류 | 5 ... 100 mA |
| 오염 등급(외부, EN 60947-1에 의거) | 3 |
기계적 가치 및 환경
| 박리 길이 | 5 mm |
| 연결 유형 | 스크루 단자, 4-핀 |
| 스위칭 부재의 수량 | 2 상시개방접점 |
| 조임 토크 | |
| 스크루 단자 | max. 0.15 Nm |
| EN 60947-5-8에 따른 정격 구동력 | 100 |
| 구동력 | max. 50 N (2단계에서 3단계까지) |
| 설치 방향 | 임의 |
| 보관 온도 | -25 ... 70 °C |
| 기계적 수명 | |
| 위치 1-2-1 | 0.1 x 10⁶ |
| 위치 1-2-3-1 | 0.1 x 10⁶ |
| 보호 등급 | |
| IP00 (연결부) | |
| IP65 (설치된 상태에서) | |
| 주변 온도 | -5 ... 60 °C |
| 재질 | |
| 보호 캡 | CR |
| 하우징 | 폴리아미드 |
EN ISO 13849-1 및 EN IEC 62061에 따른 특성 값
| B10D | 0.75 x 10⁶ |
기타
| 다음에 따라 | DIN EN 60947-5-8 |
| 색 | |
| 보호 캡 | 검은색 |
| 하우징 | 검은색 |
| 추가 기능 | 클릭 |
Downloads
Single Documents
적합성 선언
EU-Konformitätserklärung
Doc. no.
Version
Language
Size
EU-Konformitätserklärung
Doc. no.
EDC2109392
Version
Language
Size
0,2 MB
UKCA-Konformitätserklärung
Doc. no.
Version
Language
Size
UKCA-Konformitätserklärung
Doc. no.
EDC20001579
Version
Language
Size
0,1 MB
지침
Operating Instructions Enabling Switch ZXE
Doc. no.
Version
Language
Size
Operating Instructions Enabling Switch ZXE
Mode d’emploi Commande d’assentiment ZXE
Betriebsanleitung Zustimmtaster ZXE
Istruzioni di impiego Pulsanti di consenso ZXE
Mode d’emploi Commande d’assentiment ZXE
Betriebsanleitung Zustimmtaster ZXE
Istruzioni di impiego Pulsanti di consenso ZXE
Doc. no.
2091418
Version
07-10/24
Language
Size
1,5 MB
Manual de instrucciones Pulsador de validación ZXE
Doc. no.
2091418
Version
07-10/24
Language
Size
0,4 MB
Betriebsanleitung Zustimmtaster ZXE
Doc. no.
2091418
Version
07-10/24
Language
Size
0,4 MB
Инструкция по эксплуатации Выключатель подтверждения ZXE
Doc. no.
2091418
Version
07-10/24
Language
Size
0,9 MB
Other Documents
승인 및 인증서
c UL us
Doc. no.
Version
Language
Size
c UL us
Doc. no.
Version
Language
Size
0,3 MB
영업 문서
Commandes d’Assentiment ZS
Doc. no.
Version
Language
Size
Commandes d’Assentiment ZS
Doc. no.
097367
Version
09-02/21
Language
Size
10,2 MB
Enabling switches ZS
Doc. no.
Version
Language
Size
Enabling switches ZS
Doc. no.
095690
Version
09-02/21
Language
Size
10,1 MB
Zustimmtaster ZS
Doc. no.
Version
Language
Size
Zustimmtaster ZS
Doc. no.
095689
Version
09-02/21
Language
Size
10,2 MB
CAD data
Ordering data
| Ordernumber | 104833 |
| Item designation | ZXE-104833 |
| Gross weight | 0,053kg |
| Customs tariff number | 85365019000 |
| ECLASS | 27-37-12-38 Agreement switch |
