비접촉식 안전 스위치 CES-A-W5...
- 전자식 평가장치가 내장된 안전 스위치
- 펄스된 신호가 스위칭될 수 있습니다
- 2개의 안전 출력부(반도체 출력부)
- EN ISO 13849-1에 따른 범주 4 / PL e
- 멀티코드

Description
접근 방향
90° 단계로 조정할 수 있습니다
멀티코드 평가
적절한 액추에이터는 모두 평가장치에 의해 감지됩니다.
EN ISO 13849-1에 따른 범주
내부에 모니터링장치가 장착된, 두 개의 중복적으로 설계된 반도체 출력부(안전 출력부)로 인해 다음에 적합합니다:
- EN ISO 13849-1에 따른 범주 4 / PL e
LED 인디케이터
상태 | 상태 LED |
OUT/ERROR | 안전 출력부 상태 / 진단 LED (결합됨) |
추가 연결부
OUT | 모니터링 출력부(반도체) |



치수 도면

| 1 | LED 상태 표시 |
| 2 | LED 상태 표시 |
| 3 | 액티브 페이스 |
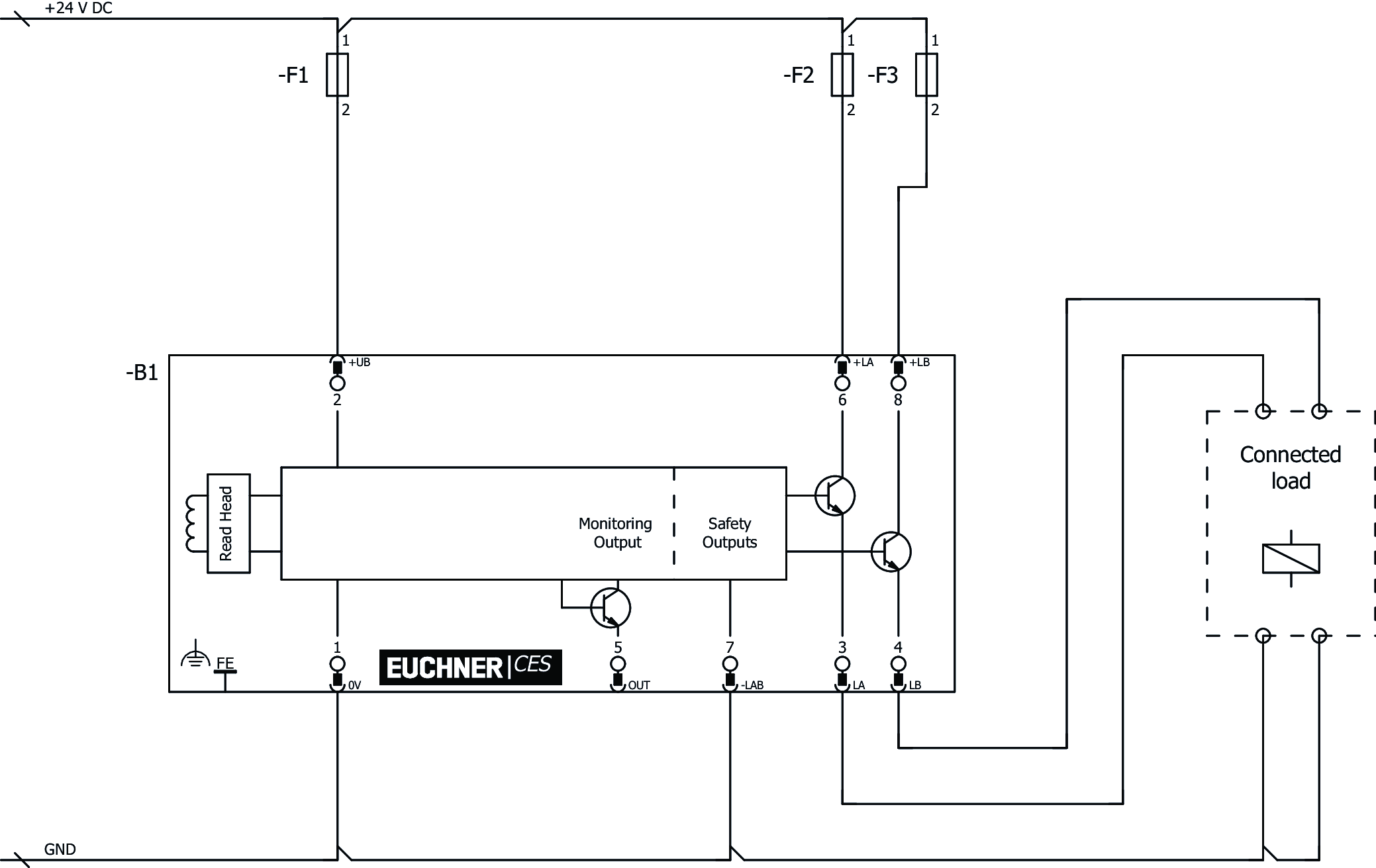
연결 예시

연결 예시

Technical data
승인



작업 공간
| 반복 정밀성 R | |
| EN 60947-5-2에 의거 | 10 % |
작동 및 디스플레이 요소
| LED 디스플레이 | |
| 안전 출력부 상태 / 진단 (결합됨) | |
| 상태 - LED |
전기 연결 값
| 헤징 | |
| (외부) 작동 전압 | 0.25 ... 8 A |
| 정격 절연 전압 Ui | 75 V (고용자책임보험협회가 최고 75V까지 테스트함.) |
| 정격 임펄스 전압 Uimp | 1.5 kV |
| 작동 전압 DC | 18 ... 24 ... 27 V DC 조절됨, 잔류 니플<5 % |
| EMC 방호 요건 | EN IEC 60947-5-3에 의거 |
| 전류 소비 | 80 mA |
| 오염 등급(외부, EN 60947-1에 의거) | 3 |
| 모니터링 출력부 OUT | |
| 출력 타입 | 반도체 출력부, p-스위칭, 내단락성 |
| 출력 전압 | 0.8 x UB ... UB V DC |
| 스위칭 전류 | max. 20 mA |
| 안전 출력부 LA / LB | |
| 헤징 | |
| 외부, 안전 회로 U(+LA) / U(+LB) | 0.4A 중간 정도의 느린 송풍 |
| 출력 타입 | 반도체 출력부, p-스위칭, 내단락성, 전기적으로 디커플링됨 (안전을 확보하기 위해 두 안전 출력부(LA 및 LB)를 평가해야 합니다.) |
| 출력 전압 | |
| HIGH U(LB) | U(+LB) - 1.5 ... U(+LB) V DC |
| HIGH U(LA) | U(+LA) - 1.5 ... U(+LA) V DC |
| LOW U(LA) / U(LB) | 0 ... 1 V DC |
| 정격 조건부 단락 전류 | 100 A |
| 불일치 시간 | |
| (두 안전 출력부의 작동점 사이) | max. 120 ms |
| 활용 범주 | |
| DC-13 안전 출력부 LA / LB | 24V 400mA |
| 스위칭 부하 | |
| UL에 의거 | 최대 DC 24V, 등급 2 |
| 스위칭 전류 | |
| 안전 출력부 하나당 | 1 ... 400 mA |
| 전원장치 출력 부하 | |
| U(+LA) / U(+LB) | 18 ... 24 ... 27 V DC |
기계적 가치 및 환경
| 치수 | EN 60947-5-2에 의거: (LxWxH) 131x40x40 |
| 연결 유형 | M12 플러그 커넥터, 8-핀; 실드를 연결할 수 있습니다 |
| 조임 토크 | |
| 고정 스크루, 하우징 | max. 1 Nm |
| 스크루, 읽기 헤드 장착 브래킷 | max. 0.6 Nm |
| 대기 지연 | max. 3 s (작동 전압이 걸린 후, 반도체 출력부가 꺼지고 대기가 지연되는 동안 모니터링 출력부가 LOW 레벨로 설정됩니다.) |
| 설치 방향 | 임의 |
| 스위칭 주파수 | max. 1 Hz |
| 보관 온도 | -25 ... 70 °C |
| 장착 거리 | |
| 스위치 간 | min. 80 mm |
| 응답 시간 | |
| 구동 상태로 변경 후 | max. 180 ms (EN 60947-5-3에 따른 위험 시간에 해당됩니다. 이것은 액추에이터를 제거한 후 안전 출력부에 대한 최대 OFF 시간입니다.) |
| 보호 등급 | IP65/IP67 |
| 주변 온도 | |
| UB = 24V DC에서 | -20 ... 55 °C |
| 체류 시간 | min. 0.5 s (구동 범위의 안과 밖에서 액추에이터의 체류 시간이 최소한 0.5초여야 평가 장치의 내부 고장을 안전하게 감지할 수 있습니다(자가 모니터링).) |
| 재질 | |
| 하우징 | 플라스틱, PBT |
EN ISO 13849-1 및 EN IEC 62061에 따른 특성 값
| PL | 최대 SIL | PFHD | 범주 | 임무 시간 | |
|---|---|---|---|---|---|
| 가드 위치의 모니터링 | PL e | - | 3.7x10-9 | 4 | 20 y |
기타
| UL 승인에 대한 참고 사항 | UL 2등급 전원장치 또는 그에 상응하는 조치를 통해서만 작동 |
액추에이터 CES-A-BPA-098775와 결합하여
| 액추에이터 거리 s | |
| 측면 접근 방향에 대한 최소 거리 | min. 6 mm |
| 스위치 켜기 거리 | |
| 중심점 옵셋 m=0 포함 | 22 mm (알루미늄의 표면 장착의 경우, 비금속 환경에서 전형적인 작동 거리가 30 mm로 증가합니다) |
| 보안 스위치 끄기 거리 sar | max. 58 mm |
| 보안 스위칭 거리 sao | |
| 중심점 옵셋 m=0 포함 | min. 15 mm (알루미늄의 표면에 설치하는 경우) |
| 스위칭 히스테리시스 | 1 ... 2 mm (알루미늄의 표면에 설치하는 경우) |
액추에이터 CES-A-BBA-071840, CES-A-BCA와 결합하여
| 액추에이터 거리 s | |
| 측면 접근 방향에 대한 최소 거리 | min. 3 mm |
| 스위치 켜기 거리 | |
| 중심점 옵셋 m=0 포함 | 20 mm (액추에이터를 표면에 장착하는 경우) |
| 보안 스위치 끄기 거리 sar | max. 40 mm |
| 보안 스위칭 거리 sao | |
| 중심점 옵셋 m=0 포함 | min. 18 mm (액추에이터를 표면에 장착하는 경우) |
| 스위칭 히스테리시스 | 2 ... 3 mm (액추에이터를 표면에 장착하는 경우) |
액추에이터 CES-A-BDA-20와 결합하여
| 액추에이터 거리 s | |
| 측면 접근 방향에 대한 최소 거리 | min. 4 mm |
| 스위치 켜기 거리 | |
| 중심점 옵셋 m=0 포함 | 21 mm (비금속 환경에서) |
| 보안 스위치 끄기 거리 sar | max. 41 mm |
| 보안 스위칭 거리 sao | |
| 중심점 옵셋 m=0 포함 | min. 19 mm (비금속 환경에서) |
| 스위칭 히스테리시스 | 2 ... 3 mm (비금속 환경에서) |
Accessories
Downloads
Single Documents
적합성 선언
EU-Konformitätserklärung
Doc. no.
Version
Language
Size
EU-Konformitätserklärung
Doc. no.
EDC2110270
Version
Language
Size
0,2 MB
UKCA-Konformitätserklärung
Doc. no.
Version
Language
Size
UKCA-Konformitätserklärung
Doc. no.
EDC20001473
Version
Language
Size
0,2 MB
지침
Operating Instructions Non-Contact Safety Switch CES-A-.5 Unicode/Multicode
Doc. no.
Version
Language
Size
Operating Instructions Non-Contact Safety Switch CES-A-.5 Unicode/Multicode
Doc. no.
2096580
Version
16-11/22
Language
Size
1,7 MB
Mode d’emploi Interrupteur de sécurité sans contact CES-A-.5 Unicode/Multicode
Doc. no.
2096580
Version
16-11/22
Language
Size
1,7 MB
Manual de instrucciones Interruptor de seguridad sin contacto CES-A-.5 Unicode/Multicode
Doc. no.
2096580
Version
16-11/22
Language
Size
1,7 MB
Betriebsanleitung Berührungsloser Sicherheitsschalter CES-A-.5 Unicode/Multicode
Doc. no.
2096580
Version
16-11/22
Language
Size
1,8 MB
Istruzioni di impiego Finecorsa di sicurezza senza contatto CES-A-.5 Unicode/Multicode
Doc. no.
2096580
Version
16-11/22
Language
Size
1,7 MB
Other Documents
승인 및 인증서
c UL us
Doc. no.
Version
Language
Size
c UL us
Doc. no.
Version
Language
Size
0,2 MB
영업 문서
Flexibel sicher - Transpondercodierte Sicherheitssysteme CES
Doc. no.
Version
Language
Size
Flexibel sicher - Transpondercodierte Sicherheitssysteme CES
Doc. no.
119922
Version
06-06/22
Language
Size
8,4 MB
Flexibly safe - Transponder-coded safety systems CES
Doc. no.
Version
Language
Size
Flexibly safe - Transponder-coded safety systems CES
Doc. no.
120233
Version
06-06/22
Language
Size
7,3 MB
CAD data
Ordering data
| Ordernumber | 097525 |
| Item designation | CES-A-W5H-01 |
| Gross weight | 0,349kg |
| Customs tariff number | 85365019000 |
| ECLASS | 27-27-24-03 Safety-related transponder switch |






