안전 스위치 CES-AP-CL2-..., RFID, 스냅인 연결부가 있는 플러그 커넥터
- 유니코드
- 도어 위치 OUT 신호 출력
- 걸림 연결부가 장착된 플러그 커넥터, 6-핀
- 낮은 주변 온도에 적합
- 도어 경첩, 좌측

Description
일반적인 작동 거리
(플라스틱에 장착하는 경우, 안전 스위치 CES-AP-C.2-...와 결합된 액추에이터 CES-A-BLN...)
측면에서 액추에이터와 안전 스위치에 접근하기 위해서는 최소 거리 s = 6mm를 유지하여 측면 로브의 구동 범위에 들어가지 않도록 해야 합니다.
주의:
응답 범위는 액추에이터, 기판 재질 및 설치 상황에 따라 달라질 수 있습니다. 자세한 작동 범위는 사용 설명서에서 확인할 수 있습니다.
유니코드 평가
각 액추에이터는 높은 수준으로 코딩되어 있습니다(유니코드). 스위치는 길들이기가 완료된 액추에이터만 감지합니다. 추가 액추에이터를 길들일 수 있습니다.
액추에이터의 마지막 Teach-In만 감지됩니다.
안전 특성
내부 모니터링 기능이 있는 두 개의 중복 안전 출력부(반도체 출력부) 덕분에 이 장치는 다음과 같은 용도에 적합합니다.
- EN 13849-1에 따른 카테고리 4 /PL e
- EN IEC 62061 표 4에 따른 SIL 3
사용된 OSSD 출력은 테스트 펄스를 통해 단락 및 교차 회로에 대한 기능을 확인합니다.
LED 인디케이터
상태 | 상태 LED |
DIA | 진단 LED |
단자 할당
인도 품목
- 안전 나사 M4x14 2개
액세서리 필요
액추에이터가 포함되지 않았습니다.


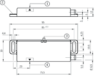
치수 도면

| 1 | 액티브 페이스 |
| 2 | 강화판이 장착된 고정 러그 |
| 3 | LED 상태 표시 |
| 4 | 액티브 페이스 |
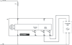
연결 예시

Technical data
승인


작업 공간
| 반복 정밀성 R | |
| EN 60947-5-2에 의거 | 10 % |
전기 연결 값
| 헤징 | |
| 외부(작동 전압) | 0.25 ... 8 A |
| 정격 절연 전압 Ui | 75 V |
| 정격 임펄스 전압 Uimp | 1.5 kV |
| 작동 전압 DC | |
| UB | 24 V DC -15% ... +15% 조절됨, 잔류 니플<5 % |
| 켜짐 시간 | |
| 안전 출력부 | max. 300 ms |
| EMC 방호 요건 | EN IEC 60947-5-3에 의거 |
| 활용 범주 | |
| DC-13 | 24V 150mA (주의: 유도 부하의 경우 환류 다이오드를 사용하여 출력부를 보호해야 합니다.) |
| EN 60947-5-3에 따른 위험 시간 | max. 260 ms |
| 안전 등급 | III |
| 전류 소비 | max. 30 mA (모니터링 출력부와 안전 출력부에 흐르는 부하 전류 고려하지 않음) |
| 오염 등급(외부, EN 60947-1에 의거) | 3 |
| 모니터링 출력부 OUT | |
| 출력 타입 | p-스위칭, 내단락성 |
| 출력 전압 | 0.8 x UB ... UB V DC |
| 스위칭 전류 | max. 50 mA |
| 안전 출력부 OA / OB | |
| 출력 타입 | 반도체 출력부, p-스위칭, 내단락성 |
| 출력 전압 | |
| LOW U(OA,OB) | 0 ... 1 V DC |
| HIGH U(OA,OB) | UB-1.5V ... UB V DC (케이블의 길이를 고려하지 않고 스위칭 전류가 50mA일 때의 값.) |
| 정격 조건부 단락 전류 | 100 A |
| 불일치 시간 | max. 10 ms |
| 오프 상태 전류 Ir | max. 0.25 mA |
| 스위칭 전류 | |
| 안전 출력부 하나당 | 1 ... 150 mA |
| 테스트 펄스 지속 시간 | max. 0.3 ms (부하에 C<= 30 nF 및 R<= 20 kohm을 적용합니다) |
| 테스트 펄스 간격 | min. 100 ms |
기계적 가치 및 환경
| 연결 유형 | 걸림 연결부가 장착된 플러그 커넥터, Ø8, 6-핀 |
| 조임 토크 | |
| 고정 스크루 | max. 1 Nm |
| 대기 지연 | 0.5 s |
| 설치 방향 | 임의 |
| 스위칭 주파수 | max. 1 Hz |
| 보관 온도 | -30 ... 70 °C |
| 장착 거리 | |
| 스위치 간 | min. 400 mm |
| 장착 타입 | 금속 표면 장착 |
| 내충격성 및 내진동성 | EN IEC 60947-5-3에 의거 |
| 보호 등급 | IP67/IP69K |
| 주변 온도 | -30 ... 65 °C |
| 재질 | |
| 하우징 | 플라스틱, PBT |
EN ISO 13849-1 및 EN IEC 62061에 따른 특성 값
| PL | 최대 SIL | PFHD | 범주 | 임무 시간 | |
|---|---|---|---|---|---|
| 가드 위치의 모니터링 | PL e | - | 1.8x10-9 | 4 | 20 y |
기타
| UL 승인에 대한 참고 사항 | UL 2등급 전원장치 또는 그에 상응하는 조치를 통해서만 작동 |
액추에이터 CES-A-BDN-06-104730와 결합하여
| 스위치 켜기 거리 | 19 mm |
| 보안 스위치 끄기 거리 sar | |
| y 방향에서 | max. 60 mm |
| x/z 방향에서 | max. 40 mm |
| 보안 스위칭 거리 sao | min. 14 mm |
| 스위칭 히스테리시스 | 1 ... 2 mm |
액추에이터 CES-A-BLN-R2-100776, CES-A-BLN-U2-103450, CES-A-BLN-L2-104510, CES-A-BLN-U2-112710과 결합하여
| 스위치 켜기 거리 | 15 mm |
| 보안 스위치 끄기 거리 sar | |
| x/z 방향에서 | max. 40 mm |
| y 방향에서 | max. 60 mm |
| 보안 스위칭 거리 sao | min. 10 mm |
| 스위칭 히스테리시스 | 1 ... 2 mm |
Accessories
연결부 재료
CES-AP-C.2...용 플러그 커넥터 M8이 부착된 연결 케이블

103556
C-R08F06-06X014PV05,0-ES-103556
C-R08F06-06X014PV05,0-ES-103556
- CES-AP-C.2-...용 연결 케이블
- 암플러그, 6-핀
- 스냅 온
- PVC 케이블, 직선형
- 케이블 길이 5 m
- 플라잉 리드 장착

103557
C-R08F06-06X014PV10,0-ES-103557
C-R08F06-06X014PV10,0-ES-103557
- CES-AP-C.2-...용 연결 케이블
- 암플러그, 6-핀
- 스냅 온
- PVC 케이블, 직선형
- 케이블 길이 10 m
- 플라잉 리드 장착

103558
C-R08F06-06X014PV15,0-ES-103558
C-R08F06-06X014PV15,0-ES-103558
- CES-AP-C.2-...용 연결 케이블
- 암플러그, 6-핀
- 스냅 온
- PVC 케이블, 직선형
- 케이블 길이 15 m
- 플라잉 리드 장착

103559
C-R08F06-06X014PV20,0-ES-103559
C-R08F06-06X014PV20,0-ES-103559
- CES-AP-C.2-...용 연결 케이블
- 암플러그, 6-핀
- 스냅 온
- PVC 케이블, 직선형
- 케이블 길이 20 m
- 플라잉 리드 장착

103560
C-R08F06-06X014PV25,0-ES-103560
C-R08F06-06X014PV25,0-ES-103560
- CES-AP-C.2-...용 연결 케이블
- 암플러그, 6-핀
- 스냅 온
- PVC 케이블, 직선형
- 케이블 길이 25 m
- 플라잉 리드 장착
Downloads
Single Documents
적합성 선언
지침
Operating Instructions Non-Contact Safety Switch CES-AP-C.2-… (Unicode/Multicode)
Doc. no.
Version
Language
Size
Operating Instructions Non-Contact Safety Switch CES-AP-C.2-… (Unicode/Multicode)
Doc. no.
2105360
Version
13-08/23
Language
Size
1,0 MB
Mode d’emploi Interrupteur de sécurité sans contact CES-AP-C.2-… (unicode / multicode)
Doc. no.
2105360
Version
13-08/23
Language
Size
1,0 MB
Manual de instrucciones Interruptor de seguridad sin contacto CES-AP-C.2-… (Unicode/Multicode)
Doc. no.
2105360
Version
13-08/23
Language
Size
1,0 MB
Betriebsanleitung Berührungsloser Sicherheitsschalter CES-AP-C.2-… (Uni-/Multicode)
Doc. no.
2105360
Version
13-08/23
Language
Size
1,0 MB
Manual de instruções Chaves de segurança sem contato CES-AP-C.2-… (Unicode/Multicode)
Doc. no.
2105360
Version
13-08/23
Language
Size
1,0 MB
Istruzioni di impiego Finecorsa di sicurezza senza contatto CES-AP-C.2-… (Unicode/Multicode)
Doc. no.
2105360
Version
13-08/23
Language
Size
1,0 MB
使用说明书 非接触式安全开关 CES-AP-C.2-… (特殊/通用编码)
Doc. no.
2105360
Version
13-08/23
Language
Size
1,5 MB
Návod k použití Bezkontaktní bezpečnostní spínač CES-AP-C.2-… (Unicode/Multicode)
Doc. no.
2105360
Version
13-08/23
Language
Size
1,5 MB
Other Documents
승인 및 인증서
c UL us
Doc. no.
Version
Language
Size
c UL us
Doc. no.
Version
Language
Size
0,3 MB
c UL us
Doc. no.
Version
Language
Size
0,2 MB
영업 문서
Flexibel sicher - Transpondercodierte Sicherheitssysteme CES
Doc. no.
Version
Language
Size
Flexibel sicher - Transpondercodierte Sicherheitssysteme CES
Doc. no.
119922
Version
06-06/22
Language
Size
8,4 MB
Flexibly safe - Transponder-coded safety systems CES
Doc. no.
Version
Language
Size
Flexibly safe - Transponder-coded safety systems CES
Doc. no.
120233
Version
06-06/22
Language
Size
7,3 MB
CAD data
Ordering data
| Ordernumber | 105294 |
| Item designation | CES-AP-CL2-AH-SF-105294 |
| Gross weight | 0,079kg |
| Customs tariff number | 85365019000 |
| ECLASS | 27-27-24-03 Safety-related transponder switch |



