HomeProdukteChaves de segurança eletromecânicas sem bloqueioN1A / NB01 Chave de fim de curso simples, chave de posição NZ e chave de fim de curso embutida EGZNZ1PS-538L060-M
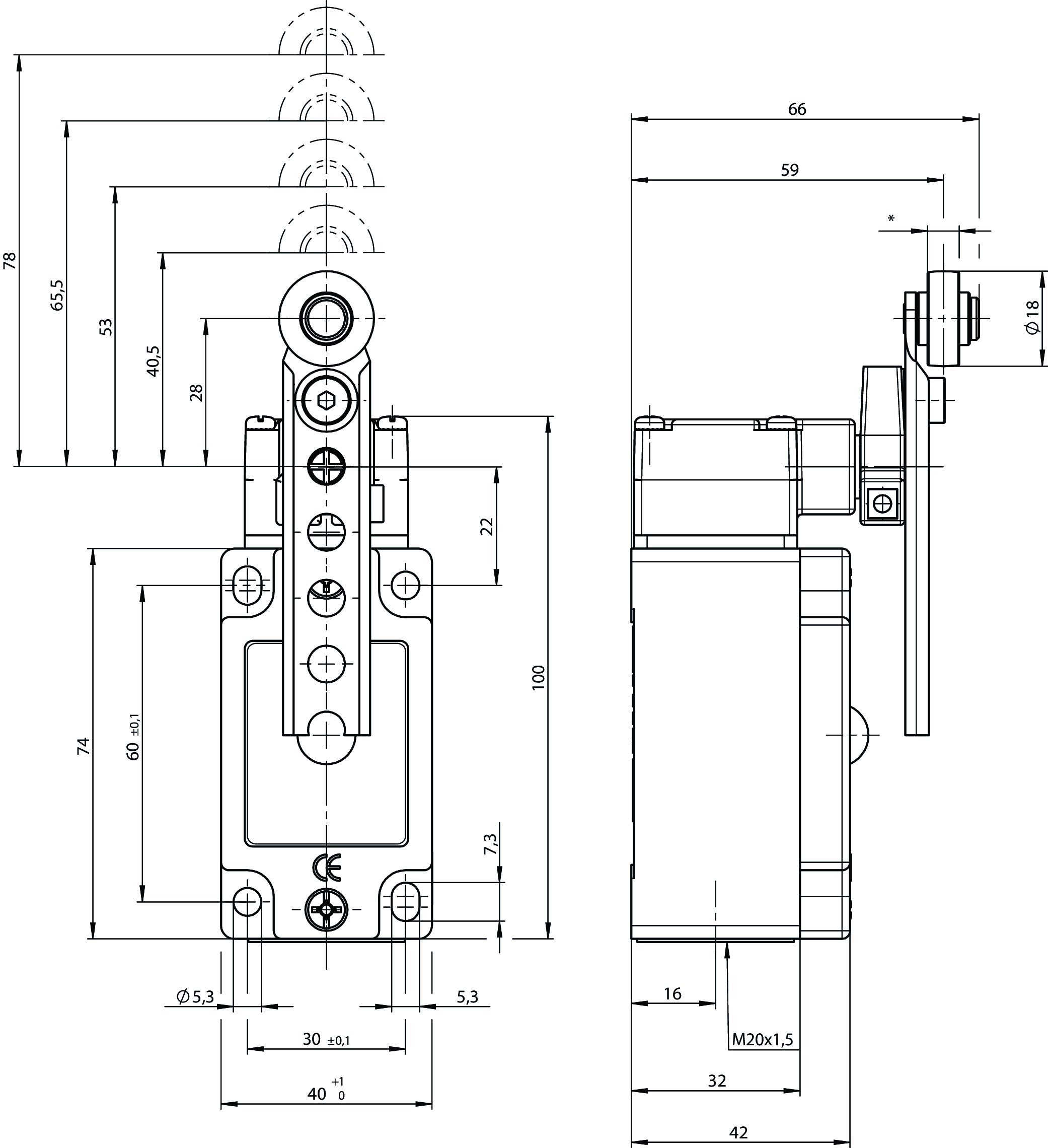
Chave de segurança NZ.PS, alavanca giratória ajustável com rolete de aço, entrada de cabo M20 x 1,5
- Alavanca giratória, rolete de aço ø 18 mm
- Entrada de cabos M20 x 1,5
- 2 contato normalmente fechado
- Indicação de LED: CA/CC 12-60 V vermelho

Description
Direção de comutação variável
À direita, à esquerda ou ambos os lados
Deslocamento da alavanca giratória
Comprimento ajustável da alavanca giratória de 28 mm até 78 mm em etapas de 12,5 mm.
Indicação de LED
A chave tem um LED indicador livremente atribuível.
Elemento de comutação
538H | Elemento de comutação lenta 2 contatos de abertura forçada |




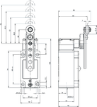
Desenhos dimensionais

Exemplos de conexão

Diagramas de viagem por turnos

| g_Kontakte_geschlossen_sw.eps | Contatos fechados |
| g_Kontakte_offen_sw.eps | Contatos abertos |
| g_Kontakte_zwangsgeoeffnet_sw.eps | Contatos com abertura forçada |
Technical data
Aprovações





Valores de conexão elétrica
| Hedging | max. 4 A gG |
| Seção transversal da conexão | 0.34 ... 0.75 mm² |
| Módulo de indicação | |
| AC/DC | 12 ... 60 ... 60 V LED vermelho |
| Tensão nominal de isolamento Ui | 250 V |
| Tensão nominal de impulso Uimp | 2.5 kV |
| Categoria de uso | |
| DC-13 | 4 A 24 V |
| AC-15 | 4 A 230 V |
| Corrente de comutação | |
| No mín. a CC 24 V | 1 mA |
| Corrente nominal térmica Ith | 4 A |
Valores mecânicos e ambiente
| Anfahrgeschwindigkeit | 0.5 ... 30 m/min |
| Tipo de conexão | |
| 1 x | M20 x 1,5 |
| Quantidade de contatos de abertura forçada da posição da porta | 2 |
| Elemento de acionamento | |
| Mancal deslizante de metal | Alavanca giratória ajustável (d Rolo = 18 mm comprimento = 28 - 78 mm) |
| Força de acionamento | min. 15 N |
| Posição de montagem | qualquer |
| Temperatura de armazenamento | -25 ... 80 °C |
| Vida mecânica | 30 x 10⁶ |
| Princípio de troca | Elemento de comutação lenta |
| Classe de proteção | IP67 |
| Temperatura ambiente | -25 ... 80 °C |
| Material | |
| Caixa | Metal leve anodizado fundido |
| Contato | Liga de prata, flash de ouro |
Valores característicos de acordo com EN ISO 13849-1 e EN IEC 62061
| B10D | Duração de uso | |
|---|---|---|
| Detecção de posição confiável | 2x107 | 20 y |
| Importante! Valores válidos com CC-13 100 mA/24V | ||
Accessories
Downloads
Einzeldokumente
Declarações de conformidade
EU declaration of conformity
Doc. Nr.
Version
Language
Size
EU declaration of conformity
Déclaration UE de conformité
Declaración de conformidad UE
EU-Konformitätserklärung
Dichiarazione UE di conformità
Déclaration UE de conformité
Declaración de conformidad UE
EU-Konformitätserklärung
Dichiarazione UE di conformità
Doc. Nr.
EDC2539628
Version
Language
Size
0,2 MB
EU declaration of conformity
Déclaration UE de conformité
Declaración de conformidad UE
EU-Konformitätserklärung
Dichiarazione UE di conformità
Déclaration UE de conformité
Declaración de conformidad UE
EU-Konformitätserklärung
Dichiarazione UE di conformità
Doc. Nr.
EDC2539628
Version
Language
Size
0,2 MB
UKCA-Konformitätserklärung
Doc. Nr.
Version
Language
Size
UKCA-Konformitätserklärung
Doc. Nr.
EDC20001551
Version
Language
Size
0,1 MB
Instruções
Operating Instructions Safety Switch NZ.H/P
Doc. Nr.
Version
Language
Size
Operating Instructions Safety Switch NZ.H/P
Betriebsanleitung Sicherheitsschalter NZ.H/P
Betriebsanleitung Sicherheitsschalter NZ.H/P
Doc. Nr.
2074550
Version
04/24
Language
Size
1,4 MB
Mode d’emploi Interrupteur de sécurité NZ.H/P
Doc. Nr.
2074550
Version
04/24
Language
Size
0,7 MB
Manual de instrucciones Interruptor de seguridad NZ.H/P
Doc. Nr.
2074550
Version
04/24
Language
Size
0,7 MB
Betriebsanleitung Sicherheitsschalter NZ.H/P
Doc. Nr.
2074550
Version
04/24
Language
Size
0,7 MB
Istruzioni di impiego Finecorsa di sicurezza NZ.H/P
Doc. Nr.
2074550
Version
04/24
Language
Size
0,7 MB
Инструкция по эксплуатации Предохранительный выключатель NZ.H/P
Doc. Nr.
2074550
Version
04/24
Language
Size
1,2 MB
Instrukcja obsługi Wyłącznik bezpieczeństwa NZ.H/P
Doc. Nr.
2074550
Version
04/24
Language
Size
1,2 MB
Návod na prevádzku Bezpečnostný spínač NZ.H/P
Doc. Nr.
2074550
Version
04/24
Language
Size
1,2 MB
İşletim kılavuzu Emniyet şalteri NZ.H/P
Doc. Nr.
2074550
Version
04/24
Language
Size
1,2 MB
Sonstige Dokumente
Aprovações e certificados
CCC
Doc. Nr.
Version
Language
Size
CCC
Doc. Nr.
20001753
Version
Language
Size
0,0 MB
DGUV
Doc. Nr.
Version
Language
Size
DGUV
Doc. Nr.
Version
Language
Size
3,4 MB
DNV-GL
Doc. Nr.
Version
Language
Size
DNV-GL
Doc. Nr.
Version
Language
Size
0,2 MB
c UL us
Doc. Nr.
Version
Language
Size
c UL us
Doc. Nr.
Version
Language
Size
0,3 MB
Documentos de venda
Safety Switches with Metal Housing
Doc. Nr.
Version
Language
Size
Safety Switches with Metal Housing
Doc. Nr.
100369
Version
11-03/18
Language
Size
7,8 MB
Interrupteurs de sécurité avec boîtier métallique
Doc. Nr.
100676
Version
11-03/18
Language
Size
7,9 MB
Interruptores de seguridad con carcasa metálica
Doc. Nr.
104856
Version
11-03/18
Language
Size
14,0 MB
Sicherheitsschalter mit Metallgehäuse
Doc. Nr.
100319
Version
11-03/18
Language
Size
7,9 MB
金属壳体 的安全开关
Doc. Nr.
102453
Version
11-03/18
Language
Size
8,2 MB
Bezpečnostní spínače s kovovým pouzdrem
Doc. Nr.
121650
Version
11-03/18
Language
Size
7,8 MB
Orderdata
| Ordernumber | 104364 |
| Articlename | NZ1PS-538L060-M |
| Weight | 0,386kg |
| Customsclass | 85365019000 |
| ECLASS | 27-27-26-01 Safety position switch (Type 1) |


