HomeProdukteChaves de segurança eletromecânicas sem bloqueioN1A / NB01 Chave de fim de curso simples, chave de posição NZ e chave de fim de curso embutida EGZNZ2HB-511SVM5
Chave de segurança NZ.HB, alavanca giratória com rolete de plástico, conector de encaixe M12
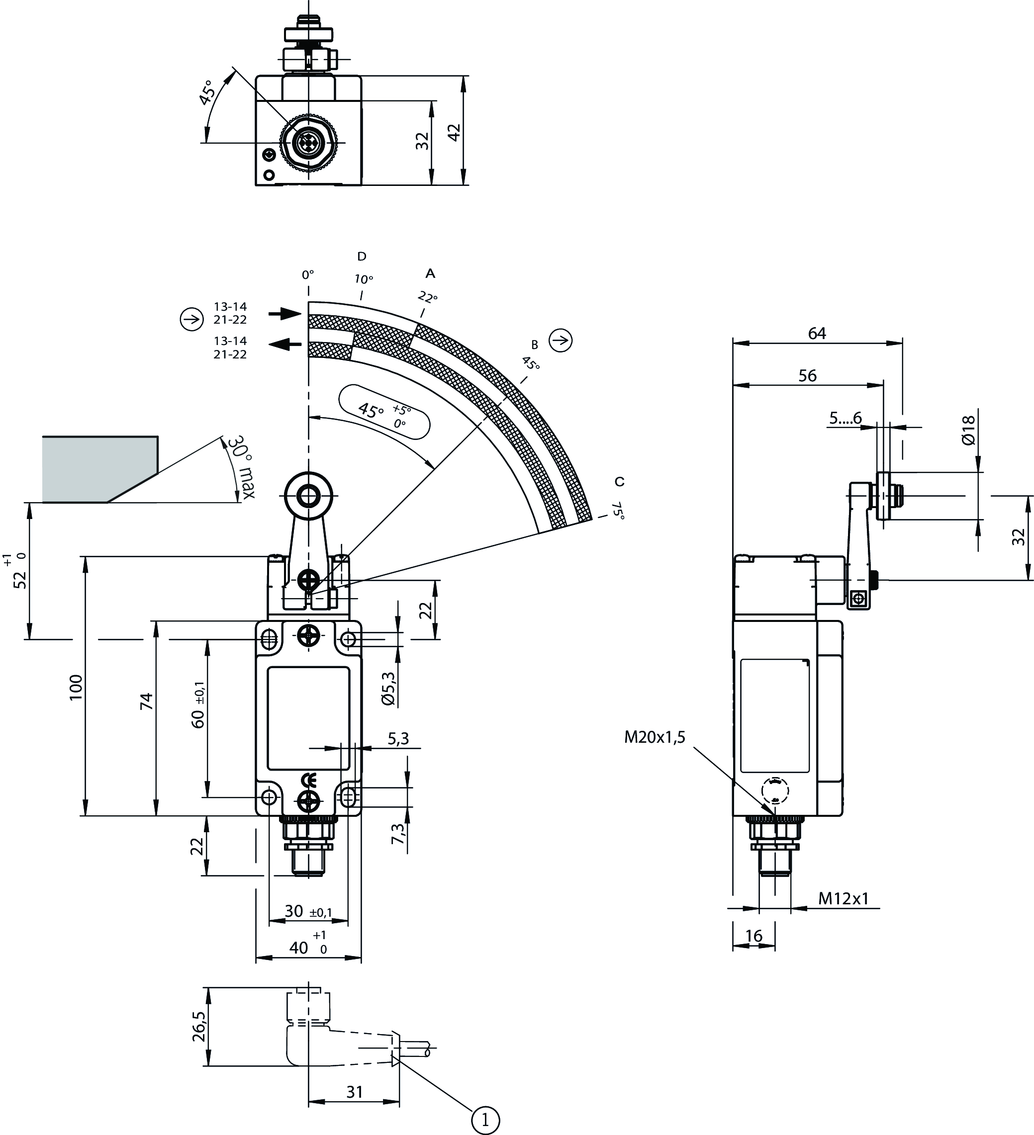
- Alavanca giratória, rolete de plástico ø 18 mm
- Versão A conforme EN 50041
- Conector de encaixe M12, 5 pinos
- 1 contato normalmente fechado
- 1 Contatos de trabalho

Description
Direção de comutação variável
À direita, à esquerda ou ambos os lados
Elemento de comutação
511 | Elemento de comutação rápida 1 contato de abertura forçada |




Desenhos dimensionais

| 1 | Conector de encaixe angular: Saída do cabo ajustável no máx. em 270°, ajuste padrão para a saída do cabo para a direita. |
| A | =Ponto de comutação |
| B | =Abertura forçada |
| C | =Posição final |
| D | =Ponto de comutação de retorno |
Exemplos de conexão

Diagramas de viagem por turnos

| g_Kontakte_geschlossen_sw.eps | Contatos fechados |
| g_Kontakte_offen_sw.eps | Contatos abertos |
| g_Kontakte_zwangsgeoeffnet_sw.eps | Contatos com abertura forçada |
Technical data
Aprovações




Valores de conexão elétrica
| Hedging | max. 4 A gG |
| Tensão nominal de isolamento Ui | 50 V |
| Tensão nominal de impulso Uimp | 1.5 kV |
| Categoria de uso | |
| DC-13 | 4 A 24 V |
| AC-15 | 4 A 30 V |
| Corrente de comutação | |
| No mín. a CC 24 V | 10 mA |
| Corrente nominal térmica Ith | 4 A |
Valores mecânicos e ambiente
| Anfahrgeschwindigkeit | 0.1 ... 300 m/min |
| Tipo de conexão | |
| 1 x | Conector M12 (5 pinos) |
| Quantidade de contatos de trabalho | 1 |
| Quantidade de contatos de abertura forçada da posição da porta | 1 |
| Elemento de acionamento | |
| Mancal deslizante de plástico | Alavanca giratória (d Rolo = 18 mm comprimento = 32 mm) |
| Força de acionamento | min. 15 N |
| Posição de montagem | qualquer |
| Temperatura de armazenamento | -25 ... 80 °C |
| Vida mecânica | 30 x 10⁶ |
| Tempo de salto do contato | max. 3 ms |
| Princípio de troca | Elemento de comutação rápida (Tempo de fecho<4 Tempo de salto<3) |
| Schließzeit | max. 4 ms |
| Classe de proteção | IP67 |
| Temperatura ambiente | -25 ... 80 °C |
| Material | |
| Caixa | Metal leve anodizado fundido |
| Contato | Liga de prata, flash de ouro |
Valores característicos de acordo com EN ISO 13849-1 e EN IEC 62061
| B10D | Duração de uso | |
|---|---|---|
| Detecção de posição confiável | 2x107 | 20 y |
| Importante! Valores válidos com CC-13 100 mA/24V | ||
Downloads
Einzeldokumente
Declarações de conformidade
EU declaration of conformity
Doc. Nr.
Version
Language
Size
EU declaration of conformity
Déclaration UE de conformité
Declaración de conformidad UE
EU-Konformitätserklärung
Dichiarazione UE di conformità
Déclaration UE de conformité
Declaración de conformidad UE
EU-Konformitätserklärung
Dichiarazione UE di conformità
Doc. Nr.
EDC2539628
Version
Language
Size
0,2 MB
EU declaration of conformity
Déclaration UE de conformité
Declaración de conformidad UE
EU-Konformitätserklärung
Dichiarazione UE di conformità
Déclaration UE de conformité
Declaración de conformidad UE
EU-Konformitätserklärung
Dichiarazione UE di conformità
Doc. Nr.
EDC2539628
Version
Language
Size
0,2 MB
UKCA-Konformitätserklärung
Doc. Nr.
Version
Language
Size
UKCA-Konformitätserklärung
Doc. Nr.
EDC20001551
Version
Language
Size
0,1 MB
Instruções
Operating Instructions Safety Switch NZ.H/P
Doc. Nr.
Version
Language
Size
Operating Instructions Safety Switch NZ.H/P
Betriebsanleitung Sicherheitsschalter NZ.H/P
Betriebsanleitung Sicherheitsschalter NZ.H/P
Doc. Nr.
2074550
Version
04/24
Language
Size
1,4 MB
Mode d’emploi Interrupteur de sécurité NZ.H/P
Doc. Nr.
2074550
Version
04/24
Language
Size
0,7 MB
Manual de instrucciones Interruptor de seguridad NZ.H/P
Doc. Nr.
2074550
Version
04/24
Language
Size
0,7 MB
Betriebsanleitung Sicherheitsschalter NZ.H/P
Doc. Nr.
2074550
Version
04/24
Language
Size
0,7 MB
Istruzioni di impiego Finecorsa di sicurezza NZ.H/P
Doc. Nr.
2074550
Version
04/24
Language
Size
0,7 MB
Инструкция по эксплуатации Предохранительный выключатель NZ.H/P
Doc. Nr.
2074550
Version
04/24
Language
Size
1,2 MB
Instrukcja obsługi Wyłącznik bezpieczeństwa NZ.H/P
Doc. Nr.
2074550
Version
04/24
Language
Size
1,2 MB
Návod na prevádzku Bezpečnostný spínač NZ.H/P
Doc. Nr.
2074550
Version
04/24
Language
Size
1,2 MB
İşletim kılavuzu Emniyet şalteri NZ.H/P
Doc. Nr.
2074550
Version
04/24
Language
Size
1,2 MB
Sonstige Dokumente
Aprovações e certificados
CCC
Doc. Nr.
Version
Language
Size
CCC
Doc. Nr.
20001753
Version
Language
Size
0,0 MB
DNV-GL
Doc. Nr.
Version
Language
Size
DNV-GL
Doc. Nr.
Version
Language
Size
0,2 MB
c UL us
Doc. Nr.
Version
Language
Size
c UL us
Doc. Nr.
Version
Language
Size
0,3 MB
Documentos de venda
Safety Switches with Metal Housing
Doc. Nr.
Version
Language
Size
Safety Switches with Metal Housing
Doc. Nr.
100369
Version
11-03/18
Language
Size
7,8 MB
Interrupteurs de sécurité avec boîtier métallique
Doc. Nr.
100676
Version
11-03/18
Language
Size
7,9 MB
Interruptores de seguridad con carcasa metálica
Doc. Nr.
104856
Version
11-03/18
Language
Size
14,0 MB
Sicherheitsschalter mit Metallgehäuse
Doc. Nr.
100319
Version
11-03/18
Language
Size
7,9 MB
金属壳体 的安全开关
Doc. Nr.
102453
Version
11-03/18
Language
Size
8,2 MB
Bezpečnostní spínače s kovovým pouzdrem
Doc. Nr.
121650
Version
11-03/18
Language
Size
7,8 MB
CAD-Data
Orderdata
| Ordernumber | 090861 |
| Articlename | NZ2HB-511SVM5 |
| Weight | 0,389kg |
| Customsclass | 85365019000 |
| ECLASS | 27-27-26-01 Safety position switch (Type 1) |
+ 1 contato de trabalho


