HBA-072936 (Order nr. 072936)

Aparelho de comando manual HBA, dispositivo de PARADA DE EMERGÊNCIA, botão de pressão, botão de pressão de película

  • Manivela com 100 impulsos, engate magnético isento de desgaste
  • 2 Botões de pressão com 2 estágios, com 1 contato de trabalho cada, por ex., para a função enable
  • Dispositivo de PARADA DE EMERGÊNCIA à prova de violação conforme EN ISO 13850, de dois canais
  • 3 Botões de pressão de película, com 1 contato de trabalho em cada
HBA-072936 (Order nr. 072936)

Description

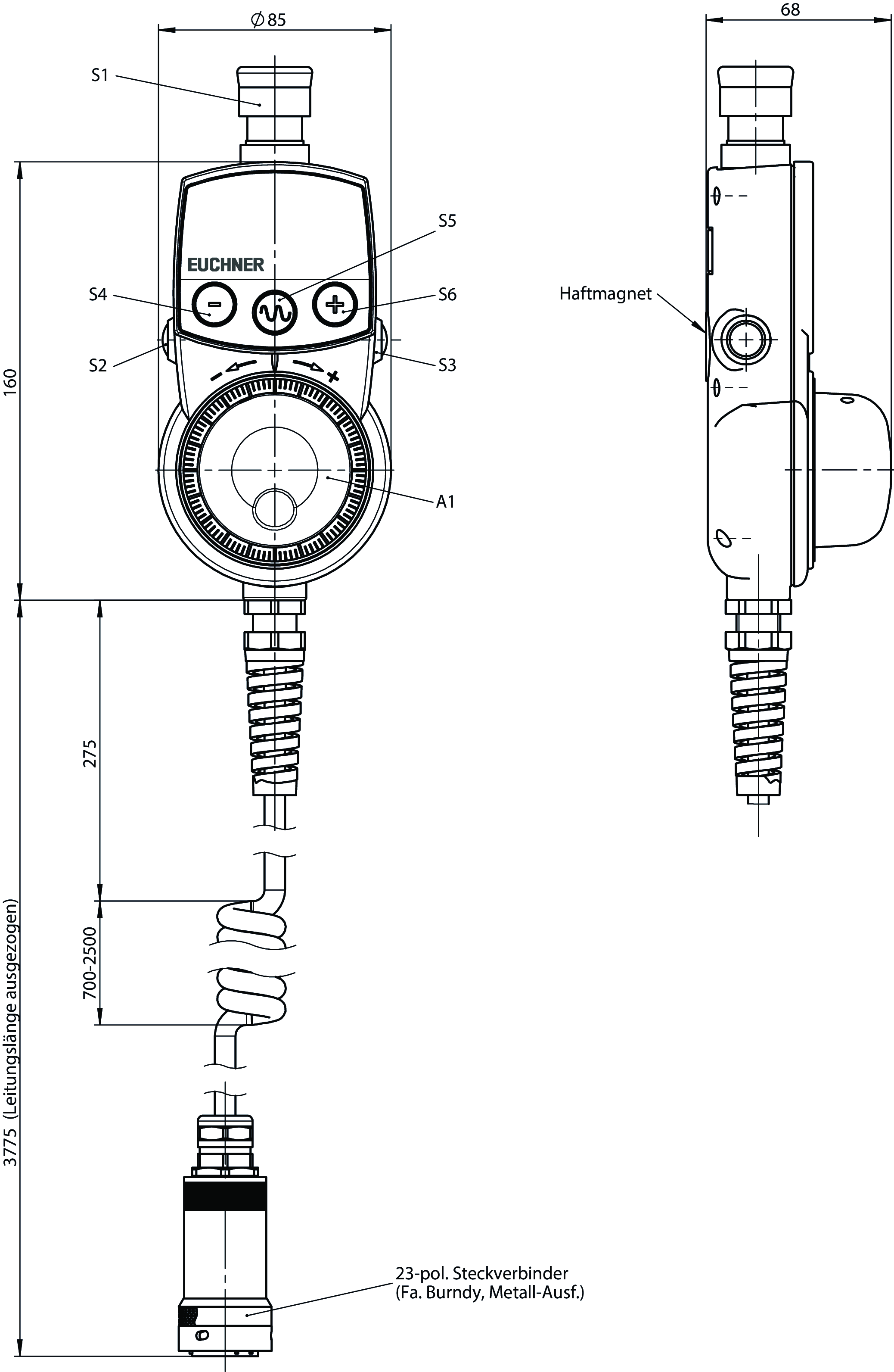
Desenho com dimensões
Desenho com dimensões
Esquema de conexão
Esquema de conexão
Dispositivos de comando manuais e manivelas em resumo

Desenhos dimensionais

Desenhos dimensionais

Exemplos de conexão

Exemplos de conexão

Technical data

Aprovações

EAC_RU C-DE.MO05.B.00972/20c_UL_us_E206093_1/2

Elementos de operação e exibição

PosiçãoCorExtrasElemento de comutaçãoPlaca de inserçãoPlaqueta de inserçãoVersãoQuantidadeDesignação 1LED
Consultar o manual técnico-Com inscrição1 contatos de trabalho cadaTecla de película3
Consultar o manual técnicoRoda de ajuste de plástico preto--Manivela1
Consultar o manual técnicovermelho-amarelo-2 contato normalmente fechadoParada de emergência1
Consultar o manual técnicoPreto-1 contatos de trabalho cadaTecla de pressão2

Valores de conexão elétrica

Cabo de conexão observação (interno) 6x0,34mm² + 17x0,14mm² (blindado)
Requisitos de proteção CEM
conforme CE EN 61000-6-2, EN 61000-6-4
Elemento de indicação / comando
Tipo de saída
Manivela RS422
Tensão de operação CC
Manivela 5 V DC -5% ... +5%
Categoria de uso
DC-13 Parada de emergência 24 V CC / 3 A
Impulsos por rotação
Manivela 2x100
Capacidade de comutação (VA)
Teclado de película max. 1 VA (Conexão em comum)
Tensão de comutação
Teclado de película max. DC 42 V
Teclado de película max. AC 25 V
Teclas de pressão max. DC 50 V
Teclas de pressão max. AC 32 V
Corrente de comutação
Teclado de película max. 100 mA (Conexão em comum)
Teclas de pressão max. 100 mA

Valores mecânicos e ambiente

Tipo de conexão Conector (23 pinos, versão em metal)
Temperatura de armazenamento -25 ... 70 °C
Comprimento do cabo
Em espiral 3.775 m (extraído)
Umidade do ar
(Condensação não permitida) max. 80 % rH
Resistência ao choque e a oscilação conforme EN 60068-2-27/-2-6
Classe de proteção
IP65 (Em estado montado)
Conforme Nema 205-12 (Em estado montado)
Temperatura ambiente 0 ... 50 °C
Material Policarbonato
Elemento de indicação / comando
Posições de engate por rotação
Manivela 100 (Engate magnético)

Diversos

Cor
Caixa Cinza RAL 7040
Notas para aprovação UL Operação somente com a alimentação de tensão UL-Class 2 ou medidas similares

Downloads

Einzeldokumente

Sonstige Dokumente

Orderdata

Ordernumber 072936
Articlename HBA-072936
Weight 1,221kg
Customsclass 85371098
ECLASS 27-33-02-02 Mobile Panel (HMI)