Radiusbetätiger links für Sicherheitsschalter NZ.VZ, NZ.VZ.VS und TZ
- Zwei Niro-Sicherheitsschrauben je Betätiger

Beschreibung
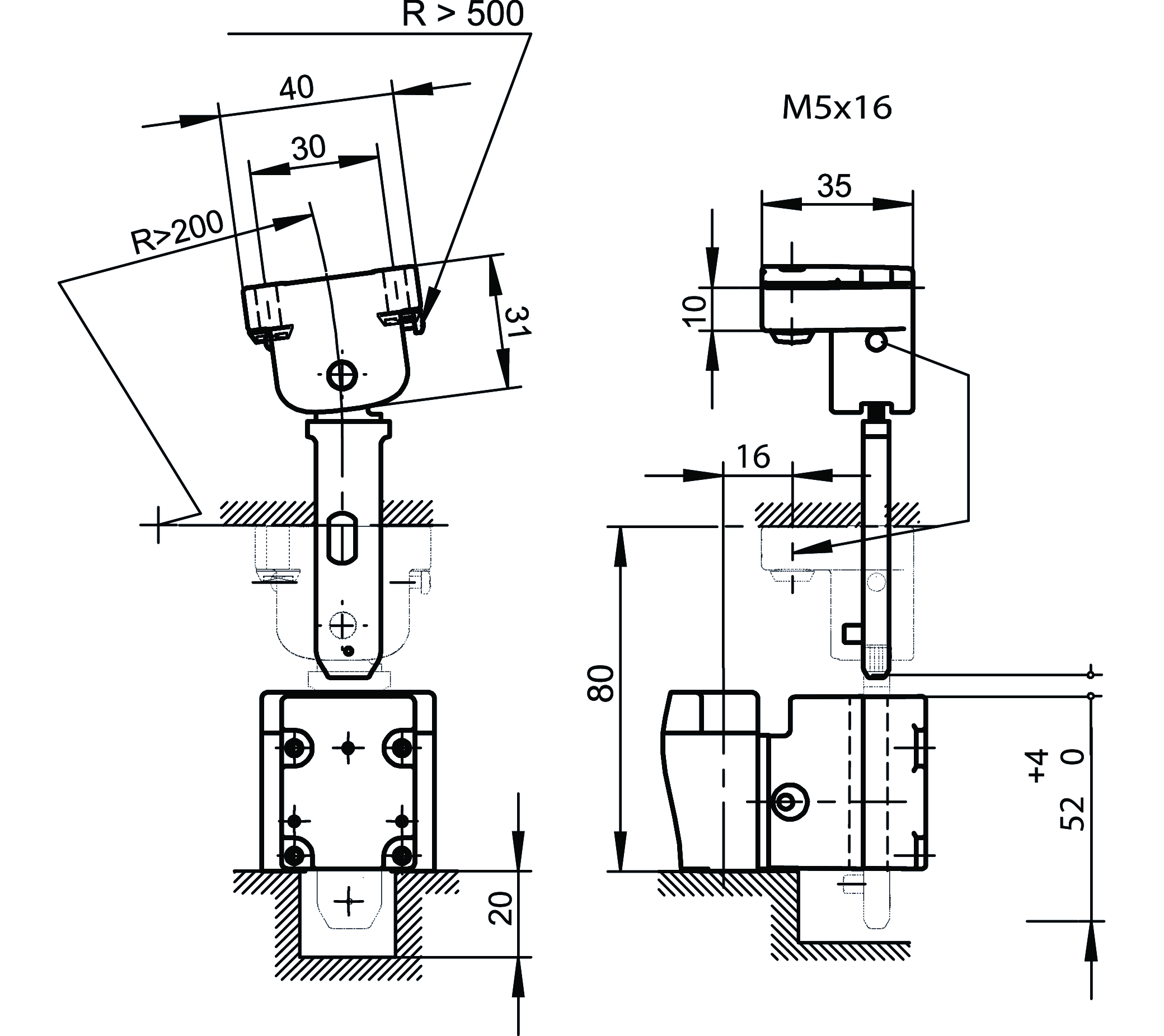
Radiusbetätiger
Bei Türradien, die kleiner als 1000 mm sind, sollte ein Radiusbetätiger eingesetzt werden. Durch die federnde Bewegung des Betätigers werden Beschädigungen durch Verkanten des Betätigers im Betätigerkopf vermieden. Entsprechend der Bewegung der Schutzeinrichtung muss für links/rechts oder oben/unten der Betätiger gewählt werden.
Schrauben aus Niro
Die beiliegenden Sicherheitsschrauben können mit normalem Werkzeug eingedreht werden, lassen sich aber nicht wieder öffnen.

Maßzeichnungen

Technische Daten
Zulassungen

Mechanische Werte und Umgebung
| Lagertemperatur | -25 ... 70 °C |
| Nachlauf | max. 4 mm |
| Türradius | min. 200 mm |
| Werkstoff | |
| Betätiger | Stahl, verzinkt |
| Schraube | Stahl, rostfrei |
| Ummantelung | Kunststoff |
Verschiedenes
| Verwendbarkeit Einführtrichter | nein |
Zubehör
Downloads
Einzeldokumente
Sonstige Dokumente
Verkaufsunterlagen
Sicherheitsschalter mit Metallgehäuse
Dok.-Nr.
Version
Sprache
Größe
Sicherheitsschalter mit Metallgehäuse
Dok.-Nr.
100319
Version
11-03/18
Sprache
Größe
7,9 MB
Safety Switches with Metal Housing
Dok.-Nr.
100369
Version
11-03/18
Sprache
Größe
7,8 MB
Interrupteurs de sécurité avec boîtier métallique
Dok.-Nr.
100676
Version
11-03/18
Sprache
Größe
7,9 MB
Interruptores de seguridad con carcasa metálica
Dok.-Nr.
104856
Version
11-03/18
Sprache
Größe
14,0 MB
金属壳体 的安全开关
Dok.-Nr.
102453
Version
11-03/18
Sprache
Größe
8,2 MB
Bezpečnostní spínače s kovovým pouzdrem
Dok.-Nr.
121650
Version
11-03/18
Sprache
Größe
7,8 MB
Zulassungen und Bescheinigungen
DGUV
Dok.-Nr.
Version
Sprache
Größe
DGUV
Dok.-Nr.
Version
Sprache
Größe
3,3 MB
CAD-Daten
Bestelldaten
| Bestellnummer | 024298 |
| Artikelbezeichnung | RADIUSBETAETIGER-Z-L |
| Bruttogewicht | 0,1kg |
| Global Trade Item Number (GTIN) | 4047048000032 |
| Zolltarifnummer | 85389099990 |
| ECLASS | 27-27-26-06 Betätiger für sicherheitsgerichteten Positionsschalter |
