Riegel TZ-C... für Sicherheitsschalter TZ
- Riegel aus Stahl
- Für links angeschlagene Türen
- In geöffneter Stellung mit Vorhängeschlössern absperrbar
- Betätiger und Schalteraufnahme im Lieferumfang enthalten

Beschreibung
Integrierter Sperreinsatz
Mit Hilfe des integrierten Sperreinsatzes kann der Riegel in geöffneter Stellung z. B. mit Schlössern gesichert werden.
Es kann verhindert werden, dass Personen versehentlich im Gefahrenbereich eingeschlossen werden.
Türarten und Türanschlag
Geeignet für Schwenk- und Schiebetüren
Geeignet für links angeschlagene Türen
Mit Türanschlag, Tür lässt sich nach innen nicht öffnen.
Lieferumfang
- Riegelteile
- Betätiger
- Schalteraufnahme
Separat zu bestellen:
- Sicherheitsschalter

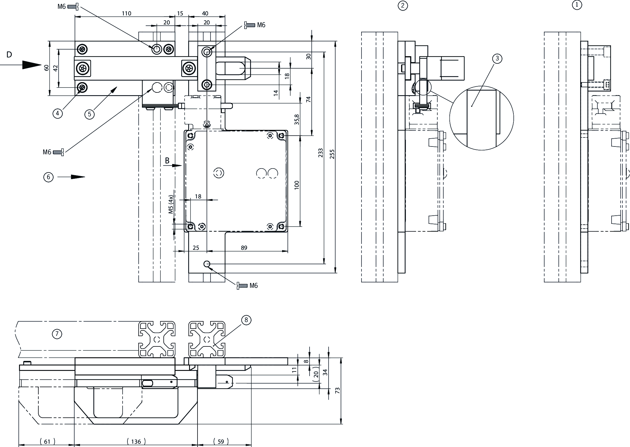
Maßzeichnungen

| 1 | Ansicht B |
| 2 | Ansicht D |
| 3 | Metallhülse |
| 4 | Anschlagschraube gesichert |
| 5 | Achtung! Riegel darf nicht in Verbindung mit einer Fluchtentriegelung verwendet werden! |
| 6 | Sicherheitsschalter TZ Anfahrrichtung C |
| 7 | Links angeschlagene Tür |
| 8 | Schutzgitterrahmen (40x40) |
Technische Daten
Mechanische Werte und Umgebung
| Anfahrrichtung | C |
| Anzahl montierbarer Sicherheitsschalter | 1 |
| Fluchtentriegelung | keine |
| Lagertemperatur | -25 ... 70 °C |
| Werkstoff | |
| Grundplatte | Stahl verzinkt |
| Führungsleisten | Kunststoff |
| Schalteraufnahme | Stahl pulverbeschichtet |
| Griff | Kunststoff |
Verschiedenes
| Rastung | keine |
Downloads
Einzeldokumente
Anleitungen
Sicherheitsinformation für Riegel
Dok.-Nr.
Version
Sprache
Größe
Sicherheitsinformation für Riegel
Dok.-Nr.
2530033
Version
04-03/24
Sprache
Größe
0,2 MB
Sicherheitsinformation für Riegel
Safety Information for Bolts
Information de sécurité pour verrous-targettes
Información de seguridad para cerrojos
Safety Information for Bolts
Information de sécurité pour verrous-targettes
Información de seguridad para cerrojos
Dok.-Nr.
2530033
Version
04-03/24
Sprache
Größe
0,2 MB
Informação de segurança referente ao trinco
Dok.-Nr.
2530033
Version
04-03/24
Sprache
Größe
0,4 MB
Informazioni sulla sicurezza per il chiavistello
Dok.-Nr.
2530033
Version
04-03/24
Sprache
Größe
0,1 MB
Bezpečnostní informace pro petlice
Dok.-Nr.
2530033
Version
04-03/24
Sprache
Größe
0,5 MB
Tolózár biztonsági információi
Dok.-Nr.
2530033
Version
04-03/24
Sprache
Größe
0,5 MB
Информация за безопасност за ригели
Dok.-Nr.
2530033
Version
04-03/24
Sprache
Größe
0,5 MB
Sikkerhedsinformation for bolte
Dok.-Nr.
2530033
Version
04-03/24
Sprache
Größe
0,4 MB
Ohutusalane teave riivistuste kohta
Dok.-Nr.
2530033
Version
04-03/24
Sprache
Größe
0,5 MB
Turvallisuustietoja salvalle
Dok.-Nr.
2530033
Version
04-03/24
Sprache
Größe
0,4 MB
Πληροφορίες ασφαλείας για μάνδαλα
Dok.-Nr.
2530033
Version
04-03/24
Sprache
Größe
0,5 MB
Sigurnosne informacije za brave
Dok.-Nr.
2530033
Version
04-03/24
Sprache
Größe
0,5 MB
Aizbīdņu drošības informācija
Dok.-Nr.
2530033
Version
04-03/24
Sprache
Größe
0,5 MB
Saugos informacija skląsčiui
Dok.-Nr.
2530033
Version
04-03/24
Sprache
Größe
0,5 MB
Veiligheidsinformatie voor grendels
Dok.-Nr.
2530033
Version
04-03/24
Sprache
Größe
0,4 MB
Sikkerhetsinformasjon for låser
Dok.-Nr.
2530033
Version
04-03/24
Sprache
Größe
0,4 MB
Informacje o bezpieczeństwie dotyczące użytkowania zasuw
Dok.-Nr.
2530033
Version
04-03/24
Sprache
Größe
0,5 MB
Säkerhetsinformation för regeln
Dok.-Nr.
2530033
Version
04-03/24
Sprache
Größe
0,4 MB
Varnostne informacije o zapahu
Dok.-Nr.
2530033
Version
04-03/24
Sprache
Größe
0,5 MB
Bezpečnostná informácia pre závory
Dok.-Nr.
2530033
Version
04-03/24
Sprache
Größe
0,5 MB
Sürgüler için güvenlik bilgisi
Dok.-Nr.
2530033
Version
04-03/24
Sprache
Größe
0,5 MB
Informații de siguranță privind zăvoarele
Dok.-Nr.
2530033
Version
04-03/24
Sprache
Größe
0,5 MB
Sonstige Dokumente
Verkaufsunterlagen
Sicherheitsschalter mit Metallgehäuse
Dok.-Nr.
Version
Sprache
Größe
Sicherheitsschalter mit Metallgehäuse
Dok.-Nr.
100319
Version
11-03/18
Sprache
Größe
7,9 MB
Safety Switches with Metal Housing
Dok.-Nr.
100369
Version
11-03/18
Sprache
Größe
7,8 MB
Interrupteurs de sécurité avec boîtier métallique
Dok.-Nr.
100676
Version
11-03/18
Sprache
Größe
7,9 MB
Interruptores de seguridad con carcasa metálica
Dok.-Nr.
104856
Version
11-03/18
Sprache
Größe
14,0 MB
金属壳体 的安全开关
Dok.-Nr.
102453
Version
11-03/18
Sprache
Größe
8,2 MB
Bezpečnostní spínače s kovovým pouzdrem
Dok.-Nr.
121650
Version
11-03/18
Sprache
Größe
7,8 MB
CAD-Daten
Bestelldaten
| Bestellnummer | 057737 |
| Artikelbezeichnung | RIEGEL TZ-C |
| Bruttogewicht | 2,591kg |
| Global Trade Item Number (GTIN) | 4047048000124 |
| Zolltarifnummer | 83014090000 |



