Sicherheitsschalter mit Zuhaltung CET-AR-..., RFID, Steckverbinder M12
- Arbeitsstromprinzip
- Multicode
- Meldeausgang Zuhaltung OUT
- 2 x Steckverbinder M12, 5-polig und 8-polig

Beschreibung
Zuhaltungsprinzip
Arbeitsstrom (Power to lock): Bei einer Schutzeinrichtung mit Zuhaltung nach dem Arbeitsstromprinzip wird die Schutzeinrichtung solange zugehalten, bis die Stromzufuhr zum Zuhaltemagneten unterbrochen wird. Die Entsperrung erfolgt durch Federkraft. Man spricht auch von elektrischer Zuhaltung.
Multicode-Auswertung
Es wird geprüft, ob es sich um einen Betätigertyp handelt, der vom System erkannt werden kann (Multicode-Auswertung). Das System hat eine geringe Codierungsstufe. Jeder geeignete Betätiger wird vom Schalter erkannt.
Sicherheitskennwerte
Durch zwei redundant aufgebaute Sicherheitsausgänge (Halbleiterausgänge ) mit interner Überwachung ist das Gerät geeignet für:
- Kategorie 4 /PL e nach EN 13849-1
- SIL 3 nach EN IEC 62061 Tabelle 4
Die verwendeten OSSD-Ausgänge überprüfen mit Testimpulsen ihre Funktion auf Kurz- und Querschlüsse.
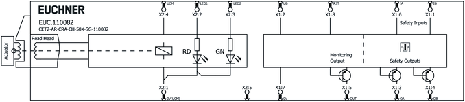
LED Anzeige
LED STATE | Status-LED |
LED DIA | Diagnose-LED |
LED 1 rd | frei belegbar |
LED 2 gn | frei belegbar |
Anschlussbelegung
Erforderliches Zubehör
Betätiger ist nicht im Lieferumfang enthalten.
Der Sicherheitsschalter kann nur in Verbindung mit den dafür vorgesehenen Betätigern betrieben werden.
Maßzeichnungen

Anschlussbeispiele

Technische Daten
Zulassungen


Arbeitsbereich
| Wiederholgenauigkeit R | 10 % |
Elektrische Anschlusswerte
| Absicherung | |
| extern (Betriebsspannung UB) | 0.25 ... 8 A |
| extern (Betriebsspannung UCM) | 0.5 ... 8 A |
| Anschlussleistung | |
| Magnet | 11 W |
| Betriebsspannung DC | |
| UB | 24 V DC -15% ... +15% verpolsicher, geregelt, Restwelligkeit < 5 %, PELV |
| LED1 , LED2 | 24 V DC -15% V DC ... +10% V DC |
| EMV-Schutzanforderungen | gemäß EN IEC 60947-5-3 |
| Gebrauchskategorie | |
| DC-13 | 24V 200mA (Vorsicht: Ausgänge müssen bei induktiven Lasten mit einer Freilaufdiode geschützt werden) |
| Magnetbetriebsspannung DC | |
| UCM | 24 V DC -15% ... +10% verpolsicher, geregelt, Restwelligkeit < 5 %, PELV |
| Magnet-Einschaltdauer ED | 100 % |
| Risikozeit nach EN 60947-5-3 | max. 400 ms |
| Risikozeit nach EN 60947-5-3, Verlängerung für jedes weitere Gerät | max. 5 ms |
| Schaltlast | |
| nach UL | 24V DC, Class 2 (Alternativen siehe Betriebsanleitung) |
| Schutzklasse | III |
| Stromaufnahme | |
| IB | 80 mA |
| ICM | 450 mA |
| Testimpulsdauer | max. 1 ms |
| Verschmutzungsgrad (extern, nach EN 60947-1) | 3 |
| Meldeausgang OUT | |
| Art des Ausgangs | Halbleiterausgang, p-schaltend, kurzschlusssicher |
| Ausgangsspannung | |
| OUT | 0.8xUB ... UB V DC |
| Ausgangsstrom | |
| OUT | 1 ... 50 mA |
| Sicherheitsausgänge OA / OB | |
| Art des Ausgangs | Halbleiterausgänge, p-schaltend, kurzschlusssicher |
| Ausgangsspannung | |
| HIGH U(OA,OB) | UB-1.5V ... UB V DC (Werte bei einem Schaltstrom von 50mA ohne Berücksichtigung der Leitungslänge) |
| LOW U(OA,OB) | 0 ... 1 V DC |
| Ausgangsstrom | |
| je Sicherheitsausgang | 1 ... 200 mA |
| Diskrepanzzeit | |
| beider Sicherheitsausgänge | max. 10 ms |
| Einschaltzeit | |
| Sicherheitsausgänge | 400 ms |
| Reststrom Ir | max. 0.25 mA |
Mechanische Werte und Umgebung
| Anfahrgeschwindigkeit | max. 20 m/min |
| Anschlussart | 2 Steckverbinder M12, 5- und 8- polig |
| Bereitschaftsverzögerung | 10 s |
| Einbaulage | beliebig |
| Schaltfrequenz | max. 0.5 Hz |
| Freiheitsgrad X | ±5 mm |
| Freiheitsgrad Y | ±5 mm |
| Freiheitsgrad Z | ±4 mm |
| Lagertemperatur | -25 ... 70 °C |
| Mechanische Lebensdauer | 2 x 10⁶ |
| Schock- und Schwingfestigkeit | gemäß EN IEC 60947-5-3 |
| Schutzart | IP67 (Im gesteckten und gesicherten Zustand) |
| Umgebungstemperatur | |
| bei UB = 24 V DC | -20 ... 55 °C |
| Werkstoff | |
| Sicherheitsschaltergehäuse | Aluminium Druckguss |
| Rampe | nicht rostender Stahl |
| Zuhaltekraft Fmax | 6500 N |
| Zuhaltekraft FZh | 5000 N |
| Zuhaltungsprinzip | Arbeitsstromprinzip |
Kennwerte nach EN ISO 13849-1 / EN IEC 62061
| PL | maximaler SIL | PFHD | Kategorie | Gebrauchsdauer | |
|---|---|---|---|---|---|
| Überwachen der Zuhaltung | PL e | - | 3.1x10-9 | 4 | 20 y |
Verschiedenes
| Hinweise für UL-Zulassung | Betrieb nur mit UL-Class 2 Spannungsversorgung oder gleichwertigen Maßnahmen siehe Betriebsanleitung |
Zubehör

C-M12F05-05X034PU01,5-M12M05-159356
- M12-Buchsenstecker auf M12-Steckverbinder, 5-polig
- Buchsen- und Steckverbinder gerade
- Anschlußleitung entsprechend AIDA-Standard
- PUR-Leitung, Mantelfarbe grau
- Leitungslänge 1,5 m

C-M12F05-05X034PU01,5-M12M05-159363
- M12-Buchsenstecker auf M12-Steckverbinder, 5-polig
- Buchsen- und Steckverbinder gerade
- Anschlußleitung entsprechend AIDA-Standard
- PUR-Leitung, Mantelfarbe gelb
- Leitungslänge 1,5 m

C-M12F05-05X034PV10,0-M12M05-100181
- M12-Buchsenstecker auf M12-Steckverbinder, 5-polig
- Buchsen- u. Steckverbinder gerade
- PVC-Leitung
- Leitungslänge 10 m

C-M12F05-05X034PU10,0-M12M05-119947
- M12-Buchsenstecker auf M12-Steckverbinder, 5-polig
- Buchsen- und Steckverbinder gerade
- PUR-Leitung
- Leitungslänge 10 m

C-M12F05-05X034PU10,0-M12M05-159360
- M12-Buchsenstecker auf M12-Steckverbinder, 5-polig
- Buchsen- und Steckverbinder gerade
- Anschlußleitung entsprechend AIDA-Standard
- PUR-Leitung, Mantelfarbe grau
- Leitungslänge 10 m

C-M12F05-05X034PU10,0-M12M05-159920
- M12-Buchsenstecker auf M12-Steckverbinder, 5-polig
- Buchsen- und Steckverbinder gerade
- Anschlußleitung entsprechend AIDA-Standard
- PUR-Leitung, Mantelfarbe gelb
- Leitungslänge 10 m

C-M12F05-05X034PU15,0-M12M05-159361
- M12-Buchsenstecker auf M12-Steckverbinder, 5-polig
- Buchsen- und Steckverbinder gerade
- Anschlußleitung entsprechend AIDA-Standard
- PUR-Leitung, Mantelfarbe grau
- Leitungslänge 15 m

C-M12F05-05X034PU15,0-M12M05-159921
- M12-Buchsenstecker auf M12-Steckverbinder, 5-polig
- Buchsen- und Steckverbinder gerade
- Anschlußleitung entsprechend AIDA-Standard
- PUR-Leitung, Mantelfarbe gelb
- Leitungslänge 15 m

C-M12F05-05X034PU01,0-M12M05-159355
- M12-Buchsenstecker auf M12-Steckverbinder, 5-polig
- Buchsen- und Steckverbinder gerade
- Anschlußleitung entsprechend AIDA-Standard
- PUR-Leitung, Mantelfarbe grau
- Leitungslänge 1 m

C-M12F05-05X034PU01,0-M12M05-159362
- M12-Buchsenstecker auf M12-Steckverbinder, 5-polig
- Buchsen- und Steckverbinder gerade
- Anschlußleitung entsprechend AIDA-Standard
- PUR-Leitung, Mantelfarbe gelb
- Leitungslänge 1 m

C-M12F05-05X034PV20,0-M12M05-100182
- M12-Buchsenstecker auf M12-Steckverbinder, 5-polig
- Buchsen- u. Steckverbinder gerade
- PVC-Leitung
- Leitungslänge 20 m

C-M12F05-05X034PU20,0-M12M05-119971
- M12-Buchsenstecker auf M12-Steckverbinder, 5-polig
- Buchsen- und Steckverbinder gerade
- PUR-Leitung
- Leitungslänge 20 m

C-M12F05-05X034PU03,0-M12M05-159357
- M12-Buchsenstecker auf M12-Steckverbinder, 5-polig
- Buchsen- und Steckverbinder gerade
- Anschlußleitung entsprechend AIDA-Standard
- PUR-Leitung, Mantelfarbe grau
- Leitungslänge 3 m

C-M12F05-05X034PU03,0-M12M05-159364
- M12-Buchsenstecker auf M12-Steckverbinder, 5-polig
- Buchsen- und Steckverbinder gerade
- Anschlußleitung entsprechend AIDA-Standard
- PUR-Leitung, Mantelfarbe gelb
- Leitungslänge 3 m

C-M12F05-05X034PV05,0-M12M05-100180
- M12-Buchsenstecker auf M12-Steckverbinder, 5-polig
- Buchsen- u. Steckverbinder gerade
- PVC-Leitung
- Leitungslänge 5 m

C-M12F05-05X034PU05,0-M12M05-119932
- M12-Buchsenstecker auf M12-Steckverbinder, 5-polig
- Buchsen- und Steckverbinder gerade
- PUR-Leitung
- Leitungslänge 5 m

C-M12F05-05X034PU05,0-M12M05-159358
- M12-Buchsenstecker auf M12-Steckverbinder, 5-polig
- Buchsen- und Steckverbinder gerade
- Anschlußleitung entsprechend AIDA-Standard
- PUR-Leitung, Mantelfarbe grau
- Leitungslänge 5 m

C-M12F05-05X034PU05,0-M12M05-159365
- M12-Buchsenstecker auf M12-Steckverbinder, 5-polig
- Buchsen- und Steckverbinder gerade
- Anschlußleitung entsprechend AIDA-Standard
- PUR-Leitung, Mantelfarbe gelb
- Leitungslänge 5 m

C-M12F05-05X034PU08,0-M12M05-159359
- M12-Buchsenstecker auf M12-Steckverbinder, 5-polig
- Buchsen- und Steckverbinder gerade
- Anschlußleitung entsprechend AIDA-Standard
- PUR-Leitung, Mantelfarbe grau
- Leitungslänge 8 m

C-M12F05-05X034PU08,0-M12M05-159919
- M12-Buchsenstecker auf M12-Steckverbinder, 5-polig
- Buchsen- und Steckverbinder gerade
- Anschlußleitung entsprechend AIDA-Standard
- PUR-Leitung, Mantelfarbe gelb
- Leitungslänge 8 m

C-M12F05-05X025PU10,0-MA-113187
- M12-Buchsenstecker, 5-polig
- Steckverbinder abgewinkelt
- PUR-Leitung
- Leitungslänge 10 m
- Kabelabgang A (rechts)
- Mit offenem Leitungsende

C-M12F05-05X025PU10,0-MA-113190
- M12-Buchsenstecker, 5-polig
- Steckverbinder abgewinkelt
- PUR-Leitung
- Leitungslänge 10 m
- Kabelabgang C (links)
- Mit offenem Leitungsende

C-M12F08-08X025PU10,0-MA-113188
- M12-Buchsenstecker, 8-polig
- Steckverbinder abgewinkelt
- Leitungsabgang A (rechts)
- PUR-Leitung
- Leitungslänge 10 m
- Mit offenem Leitungsende

C-M12F08-08X025PU10,0-MA-113189
- M12-Buchsenstecker, 8-polig
- Steckverbinder abgewinkelt
- Leitungsabgang C (links)
- PUR-Leitung
- Leitungslänge 10 m
- Mit offenem Leitungsende

C-M12F08-08X025PU20,0-MA-120998
- M12-Buchsenstecker, 8-polig
- Steckverbinder abgewinkelt
- Leitungsabgang A (rechts)
- PUR-Leitung
- Leitungslänge 20 m
- Mit offenem Leitungsende

C-M12F08-08X025PU20,0-MA-120999
- M12-Buchsenstecker, 8-polig
- Steckverbinder abgewinkelt
- Leitungsabgang C (links)
- PUR-Leitung
- Leitungslänge 20 m
- Mit offenem Leitungsende

C-M12F05-05X025PU10,0-M12M05-115565
- M12-Buchsenstecker, 5-polig (abgewinkelt) auf M12-Steckverbinder (gerade)
- beidseitig Steckverbinder
- PUR-Leitung
- Leitungslänge 10 m
- mit Kabelabgang A (rechts)

C-M12F05-05X025PU10,0-M12M05-115566
- M12-Buchsenstecker, 5-polig (abgewinkelt) auf M12-Steckverbinder (gerade)
- beidseitig Steckverbinder
- PUR-Leitung
- Leitungslänge 10 m
- mit Kabelabgang C (links)

AC-YD-V0,2-SBB-111696
- Für die Reihenschaltung von AR-/BR-Sicherheitsschaltern in Schalterketten ohne IO-Link Auswertung
- Y-Verteiler M12 mit Anschlussleitung, 2 x 5-polig, 1 x 8-polig
- Steckverbinder gerade
- PVC-Leitung
- Leitungslänge 0,2 m

AC-YD-V1,0-SBB-112395
- Für die Reihenschaltung von AR-/BR-Sicherheitsschaltern in Schalterketten ohne IO-Link Auswertung
- Y-Verteiler M12 mit Anschlussleitung, 2 x 5-polig, 1 x 8-polig
- Steckverbinder gerade
- PVC-Leitung
- Leitungslänge 1 m

AM-C-SW4-V3-161344
- Kunststoffeinlegeteile für Innensechskantschrauben der Schlüsselweite SW4
- Effizienter Manipulationsschutz für die Befestigung von Sicherheitsschaltern
- Der Verpackung sind Einlegeteile für 18 Schrauben beigelegt

AM-C-SW5-V3-161348
- Kunststoffeinlegeteile für Innensechskantschrauben der Schlüsselweite SW5
- Effizienter Manipulationsschutz für die Befestigung von Sicherheitsschaltern
- Der Verpackung sind Einlegeteile für 18 Schrauben beigelegt

RIEGEL CET-A-C
- Riegel für Schalterfamilie CET
- Riegel aus Stahl
- Für links oder rechts angeschlagene Türen
- Mit Türanschlag
- Geeignet für einen Türspalt von ca. 15 mm

RIEGEL CET-A-C-C2308
- Riegel für Schalterfamilie CET
- Riegel aus Stahl
- Für links oder rechts angeschlagene Türen
- Ohne Türanschlag
- Geeignet für einen Türspalt von 15 mm
Downloads
Einzeldokumente
Data sheet
Fiche technique
Ficha de datos
Ficha de dados
数据表
データ シート
데이터 시트
Datový list
Data sheet
Fiche technique
Ficha de datos
Ficha de dados
数据表
データ シート
데이터 시트
Datový list
Sonstige Dokumente
CAD-Daten
Bestelldaten
| Bestellnummer | 110082 |
| Artikelbezeichnung | CET2-AR-CRA-CH-50X-SG-110082 |
| Bruttogewicht | 1,27kg |
| Zolltarifnummer | 85365019000 |
| ECLASS | 27-27-24-05 Sicherheitsgerichteter Transponderschalter mit Zuhaltung |
























