Sicherheitsschalter mit Zuhaltung CET-AR-..., RFID, Steckverbinder M23 (RC18)
- Ruhestromprinzip
- Multicode
- Meldeausgang Türstellung OUT D
- Meldeausgang Zuhaltung OUT
- Steckverbinder M23 (RC18), 19-polig

Beschreibung
Zuhaltungsprinzip
Ruhestrom (Power to unlock): Bei einer Schutzeinrichtung mit Zuhaltung nach dem Ruhestromprinzip wird die Schutzeinrichtung solange durch eine Federkraft zugehalten, bis der Zuhaltemagnet mit Strom versorgt wird. Die Entsperrung erfolgt mittels Magnetkraft. Man spricht auch von mechanischer Zuhaltung.
Multicode-Auswertung
Es wird geprüft, ob es sich um einen Betätigertyp handelt, der vom System erkannt werden kann (Multicode-Auswertung). Das System hat eine geringe Codierungsstufe. Jeder geeignete Betätiger wird vom Schalter erkannt.
Sicherheitskennwerte
Durch zwei redundant aufgebaute Sicherheitsausgänge (Halbleiterausgänge ) mit interner Überwachung ist das Gerät geeignet für:
- Kategorie 4 /PL e nach EN 13849-1
- SIL 3 nach EN IEC 62061 Tabelle 4
Die verwendeten OSSD-Ausgänge überprüfen mit Testimpulsen ihre Funktion auf Kurz- und Querschlüsse.
LED Anzeige
LED STATE | Status-LED |
LED DIA | Diagnose-LED |
LED 1 rd | frei belegbar |
LED 2 gn | frei belegbar |
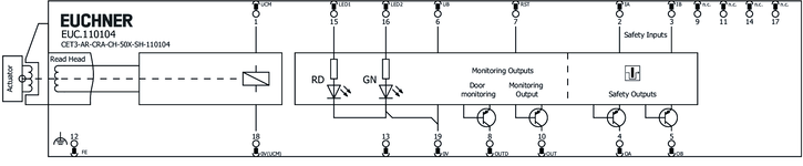
Anschlussbelegung
Erforderliches Zubehör
Betätiger ist nicht im Lieferumfang enthalten.
Der Sicherheitsschalter kann nur in Verbindung mit den dafür vorgesehenen Betätigern betrieben werden.
Maßzeichnungen

Anschlussbeispiele

Technische Daten
Zulassungen


Arbeitsbereich
| Wiederholgenauigkeit R | 10 % |
Elektrische Anschlusswerte
| Absicherung | |
| extern (Magnetbetriebsspannung UCM) | 0.5 ... 8 A |
| extern (Betriebsspannung UB) | 0.25 ... 8 A |
| Anschlussleistung | |
| Magnet | 11 W |
| Anschlussleitung | 30V DC, 2A (für UL-Anforderung UL Category-Code (CYJV2/CYJV8) oder (CYJV/CYJV7)) |
| Betriebsspannung DC | |
| UB | 24 V DC -15% ... +15% verpolsicher, geregelt, Restwelligkeit < 5 %, PELV |
| LED | 24 V DC -15% V DC ... +10% V DC |
| EMV-Schutzanforderungen | gemäß EN IEC 60947-5-3 |
| Gebrauchskategorie | |
| DC-13 | 24V 200mA (Vorsicht: Ausgänge müssen bei induktiven Lasten mit einer Freilaufdiode geschützt werden) |
| Magnetbetriebsspannung DC | |
| UCM | 24 V DC -15% ... +10% verpolsicher, geregelt, Restwelligkeit < 5 %, PELV |
| Magnet-Einschaltdauer ED | 100 % |
| Risikozeit nach EN 60947-5-3 | max. 400 ms |
| Risikozeit nach EN 60947-5-3, Verlängerung für jedes weitere Gerät | max. 5 ms |
| Schaltlast | |
| nach UL | 24V DC, Class 2 (Alternativen siehe Betriebsanleitung) |
| Schutzklasse | III |
| Stromaufnahme | |
| IB | 80 mA |
| ICM | 450 mA |
| Testimpulsdauer | max. 1 ms |
| Verschmutzungsgrad (extern, nach EN 60947-1) | 3 |
| Meldeausgang OUT D | |
| Art des Ausgangs | p-schaltend, kurzschlusssicher |
| Ausgangsspannung | |
| OUT D | 0.8xUB ... UB V DC |
| Schaltstrom | |
| OUT D | 1 ... 50 mA |
| Schaltverzögerung ab Zustandsänderung | max. 700 ms |
| Meldeausgang OUT | |
| Art des Ausgangs | p-schaltend, kurzschlusssicher |
| Ausgangsspannung | |
| OUT | 0.8xUB ... UB V DC |
| Schaltstrom | |
| OUT | 1 ... 50 mA |
| Schaltverzögerung ab Zustandsänderung | max. 400 ms |
| Sicherheitsausgänge OA / OB | |
| Art des Ausgangs | 2 Halbleiterausgänge, p-schaltend, kurzschlusssicher |
| Ausgangsspannung | |
| HIGH U(OA,OB) | UB-1.5V ... UB V DC |
| LOW U(OA,OB) | 0 ... 1 V DC |
| Diskrepanzzeit | |
| beider Sicherheitsausgänge | max. 10 ms |
| Einschaltzeit | 400 ms |
| Reststrom Ir | max. 0.25 mA |
| Schaltstrom | |
| je Sicherheitsausgang OA / OB | 1 ... 200 mA |
Mechanische Werte und Umgebung
| Anfahrgeschwindigkeit | max. 20 m/min |
| Anschlussart | 1 Steckverbinder M23, 19 polig, RC18 |
| Bereitschaftsverzögerung | 10 s |
| Einbaulage | beliebig |
| Schaltfrequenz | max. 0.5 Hz |
| Freiheitsgrad X | ±5 mm |
| Freiheitsgrad Y | ±5 mm |
| Freiheitsgrad Z | ±4 mm |
| Lagertemperatur | -25 ... 70 °C |
| Mechanische Lebensdauer | 2 x 10⁶ |
| Schock- und Schwingfestigkeit | gemäß EN IEC 60947-5-3 |
| Schutzart | IP65/IP67 (Im gesteckten und gesicherten Zustand) |
| Umgebungstemperatur | |
| bei UB = 24 V DC | -20 ... 55 °C |
| Werkstoff | |
| Sicherheitsschaltergehäuse | Aluminium Druckguss |
| Rampe | nicht rostender Stahl |
| Zuhaltekraft Fmax | 6500 N |
| Zuhaltekraft FZh | 5000 N FZH = FMAX/1,3 |
| Zuhaltungsprinzip | Ruhestromprinzip |
Kennwerte nach EN ISO 13849-1 / EN IEC 62061
| PL | maximaler SIL | PFHD | Kategorie | Gebrauchsdauer | |
|---|---|---|---|---|---|
| Überwachen der Zuhaltung | PL e | - | 3.1x10-9 | 4 | 20 y |
| PL | maximaler SIL | Kategorie | Gebrauchsdauer | |
|---|---|---|---|---|
| Ansteuern der Zuhaltung | Abhängig von der externen Ansteuerung der Zuhaltung | 20 y | ||
Verschiedenes
| Hinweise für UL-Zulassung | Betrieb nur mit UL-Class 2 Spannungsversorgung oder gleichwertigen Maßnahmen siehe Betriebsanleitung |
Zubehör
C-M23F19-19XDIFPU01,5-MA-092906
- M23-Steckverbinder, 18-polig + PE
- Steckverbinder abgewinkelt
- Kabelabgang C (links)
- PUR-Leitung
- Leitungslänge 1,5 m
- Mit offenem Leitungsende
- Einzeladern farbig codiert
C-M23F19-19XDIFPU01,5-MA-092907
- M23-Steckverbinder, 18-polig + PE
- Steckverbinder abgewinkelt
- Kabelabgang A (rechts)
- PUR-Leitung
- Leitungslänge 1,5 m
- Mit offenem Leitungsende
- Einzeladern farbig codiert
C-M23F19-19XDIFPU10,0-MA-092901
- M23-Steckverbinder, 18-polig + PE
- Steckverbinder abgewinkelt
- Kabelabgang C (links)
- PUR-Leitung
- Leitungslänge 10 m
- Mit offenem Leitungsende
- Einzeladern farbig codiert
C-M23F19-19XDIFPU10,0-MA-092902
- M23-Steckverbinder, 18-polig + PE
- Steckverbinder abgewinkelt
- Kabelabgang A (rechts)
- PUR-Leitung
- Leitungslänge 10 m
- Mit offenem Leitungsende
- Einzeladern farbig codiert
C-M23F19-19XDIFPU15,0-MA-077020
- M23-Steckverbinder, 18-polig + PE
- Steckverbinder abgewinkelt
- Kabelabgang C (links)
- PUR-Leitung
- Leitungslänge 15 m
- Mit offenem Leitungsende
- Einzeladern farbig codiert
C-M23F19-19XDIFPU15,0-MA-085196
- M23-Steckverbinder, 18-polig + PE
- Steckverbinder abgewinkelt
- Kabelabgang A (rechts)
- PUR-Leitung
- Leitungslänge 15 m
- Mit offenem Leitungsende
- Einzeladern farbig codiert
C-M23F19-19XDIFPU20,0-MA-092910
- M23-Steckverbinder, 18-polig + PE
- Steckverbinder abgewinkelt
- Kabelabgang C (links)
- PUR-Leitung
- Leitungslänge 20 m
- Mit offenem Leitungsende
- Einzeladern farbig codiert
C-M23F19-19XDIFPU20,0-MA-092911
- M23-Steckverbinder, 18-polig + PE
- Steckverbinder abgewinkelt
- Kabelabgang A (rechts)
- PUR-Leitung
- Leitungslänge 20 m
- Mit offenem Leitungsende
- Einzeladern farbig codiert
C-M23F19-19XDIFPU25,0-MA-092912
- M23-Steckverbinder, 18-polig + PE
- Steckverbinder abgewinkelt
- Kabelabgang C (links)
- PUR-Leitung
- Leitungslänge 25 m
- Mit offenem Leitungsende
- Einzeladern farbig codiert
C-M23F19-19XDIFPU25,0-MA-092913
- M23-Steckverbinder, 18-polig + PE
- Steckverbinder abgewinkelt
- Kabelabgang A (rechts)
- PUR-Leitung
- Leitungslänge 25 m
- Mit offenem Leitungsende
- Einzeladern farbig codiert
C-M23F19-19XDIFPU03,0-MA-092908
- M23-Steckverbinder, 18-polig + PE
- Steckverbinder abgewinkelt
- Kabelabgang C (links)
- PUR-Leitung
- Leitungslänge 3 m
- Mit offenem Leitungsende
- Einzeladern farbig codiert
C-M23F19-19XDIFPU03,0-MA-092909
- M23-Steckverbinder, 18-polig + PE
- Steckverbinder abgewinkelt
- Kabelabgang A (rechts)
- PUR-Leitung
- Leitungslänge 3 m
- Mit offenem Leitungsende
- Einzeladern farbig codiert
C-M23F19-19XDIFPU06,0-MA-077018
- M23-Steckverbinder, 18-polig + PE
- Steckverbinder abgewinkelt
- Kabelabgang C (links)
- PUR-Leitung
- Leitungslänge 6 m
- Mit offenem Leitungsende
- Einzeladern farbig codiert
C-M23F19-19XDIFPU06,0-MA-085194
- M23-Steckverbinder, 18-polig + PE
- Steckverbinder abgewinkelt
- Kabelabgang A (rechts)
- PUR-Leitung
- Leitungslänge 6 m
- Mit offenem Leitungsende
- Einzeladern farbig codiert
C-M23F19-19XDIFPU08,0-MA-077019
- RC18-Steckverbinder, 18-polig + PE
- Steckverbinder abgewinkelt
- Kabelabgang C (links)
- PUR-Leitung
- Leitungslänge 8 m
- Mit offenem Leitungsende
- Einzeladern farbig codiert
C-M23F19-19XDIFPU08,0-MA-085195
- M23-Steckverbinder, 18-polig + PE
- Steckverbinder abgewinkelt
- Kabelabgang A (rechts)
- PUR-Leitung
- Leitungslänge 8 m
- Mit offenem Leitungsende
- Einzeladern farbig codiert

AM-C-SW4-V3-161344
- Kunststoffeinlegeteile für Innensechskantschrauben der Schlüsselweite SW4
- Effizienter Manipulationsschutz für die Befestigung von Sicherheitsschaltern
- Der Verpackung sind Einlegeteile für 18 Schrauben beigelegt

AM-C-SW5-V3-161348
- Kunststoffeinlegeteile für Innensechskantschrauben der Schlüsselweite SW5
- Effizienter Manipulationsschutz für die Befestigung von Sicherheitsschaltern
- Der Verpackung sind Einlegeteile für 18 Schrauben beigelegt

RIEGEL CET-A-C
- Riegel für Schalterfamilie CET
- Riegel aus Stahl
- Für links oder rechts angeschlagene Türen
- Mit Türanschlag
- Geeignet für einen Türspalt von ca. 15 mm

RIEGEL CET-A-C-C2308
- Riegel für Schalterfamilie CET
- Riegel aus Stahl
- Für links oder rechts angeschlagene Türen
- Ohne Türanschlag
- Geeignet für einen Türspalt von 15 mm
Downloads
Einzeldokumente
Data sheet
Fiche technique
Ficha de datos
Ficha de dados
数据表
データ シート
데이터 시트
Datový list
Data sheet
Fiche technique
Ficha de datos
Ficha de dados
数据表
データ シート
데이터 시트
Datový list
Sonstige Dokumente
CAD-Daten
Bestelldaten
| Bestellnummer | 110104 |
| Artikelbezeichnung | CET3-AR-CRA-CH-50X-SH-110104 |
| Bruttogewicht | 1,295kg |
| Zolltarifnummer | 85365019000 |
| ECLASS | 27-27-24-05 Sicherheitsgerichteter Transponderschalter mit Zuhaltung |






















